Электронная библиотека
Форум - Здоровый образ жизни
Саморазвитие, Поиск книг Обсуждение прочитанных книг и статей,
Консультации специалистов:
Рэйки; Космоэнергетика; Биоэнергетика; Йога; Практическая Философия и Психология; Здоровое питание; В гостях у астролога; Осознанное существование; Фэн-Шуй; Вредные привычки Эзотерика

Современный дачный электрик

Современный дачный электрик


Мужчина в доме –


«Современный дачный электрик»: БХВ-Петербург; СПб; 2011

Аннотация


Рассмотрено применение современных технологий, материалов и оборудования при электрообеспечении загородного дома. Даны рекомендации по подводу электричества и обустройству электропроводки. Рассмотрено использование автономных устройств электропитания: дизельные и бензиновые электрогенераторы, ветрогенераторы, солнечные батареи и др. Приведены варианты обогрева жилища, создания водопровода и насосной станции. Даны рекомендации по обслуживанию электроустройств, работающих от различного типа электродвигателей. Приведены необходимые сведения для самостоятельного выполнения сварочных работ. Уделено внимание вопросам выбора и эксплуатации современной садовой электротехники: электрического триммера, электроинструментов для стрижки живой изгороди и др.

Для широкого круга читателей.


Виктор Михайлович Пестриков

Современный дачный электрик


Предисловие


И, кто мне скажет, кто мне скажет, где мой дом.

Он на этом берегу или на том.

Евгений Кемеровский, песня «Еще не осень, но уже не лето»


Многие при слове «дача» представляют себе 4 сотки и сколоченный из досок небольшой домик, в котором светит одиноко электрическая лампочка. Однако, если заглянуть в словарь, то окажется, что дача – это загородный дом для городской семьи, как правило, не используемый его владельцами для постоянного проживания.

Сегодня есть возможность не ограничивать себя никакими рамками и воплощать в своем загородном жилье любые фантазии, делая его оригинальным и неповторимым. Жизнь за городом – это еще и комфорт, спокойная обстановка, чистый воздух и красивая природа.

При этом часто возникает один главный вопрос. Построить все самому или купить коттедж? Построить загородный дом своими руками может далеко не каждый, т. к. необходимы опыт, умение, время и деньги на материалы и инструмент. Сегодня этим занимаются единицы. Сейчас строительство загородного дома в основном заказывают или покупают уже готовый коттедж.

Однако, прежде чем на вашей долгожданной земельной собственности появится комфортабельный дом и ухоженная территория, придется потратить немало сил, нервов и денег. Проблем на участке, особенно на "неосвоенном", т. е. без готовых коммуникаций, очень много, и решать их придется последовательно и продуманно. Основные задачи – это, конечно, пути подъезда, электричество и вода. Если первые две задачи решаются с коллективом поселка или садового товарищества, то создание системы водоснабжения полностью лежит на владельце загородного дома. Один из вариантов простого решения этой проблемы предложен в четвертой главе данной книги.

Книга называется "Современный дачный электрик", т. к. в ней предлагаются решения проблем загородного дома с использованием современных технологий, материалов и оборудования.

Книга состоит из восьми глав. Каждая глава представляет собой системное изложение и решение определенной проблемы, при этом приводятся соответствующие таблицы, иллюстрации и конкретные указания по каждому этапу.

В главе 1 даны рекомендации по подводу электричества к загородному дому и обустройству электропроводки в нем. Очень часто загородный дом находится вдали от централизованных источников электроэнергии. В связи с этим возникает необходимость иметь автономные источники электроснабжения. Обеспечению электропитания дома с помощью различных автономных устройств посвящена глава 2. В ней описаны генераторы на жидком топливе, ветрогенераторы, солнечные батареи и термогенераторы. Даны рекомендации по выбору источников электрической энергии в зависимости от конкретных природных условий и экономической состоятельности владельца дома.

В главе 3 изложены вопросы обогрева жилища и выбора для этого соответствующих систем, как электрических, так и на основе печей современных конструкций.

Глава 4 полностью посвящена водоснабжению загородного дома. Здесь вы найдете материалы по устройству водяной скважины и колодца, установке насосной станции, монтажу водопровода и очистке питьевой воды.

Приблизить бытовые условия в загородном доме к городской квартире можно, но при условии, что в коттедже, кроме электричества и водопровода, будет еще и горячая вода. Методы получения горячей воды для бытовых нужд рассмотрены в главе 5.

В хозяйстве загородного дома обычно имеется большое количество электрифицированных устройств, работающих от электродвигателей. Поэтому знание их особенностей является залогом хорошей и длительной работы устройств. Информация о различных типах двигателей, их устройстве и самостоятельном подключении в электрическую сеть приведена в главе 6.

На даче часто приходится делать различные неразъемные металлические соединения и конструкции с применением электросварки. Какой сварочный аппарат лучше подойдет для этих целей, рассказано в главе 7. Изложены необходимые знания, которыми должен обладать любой дачник, решивший самостоятельно выполнить сварочные работы. Даны рекомендации по использованию сварочных аппаратов. Приведена диагностика неисправностей некоторых сварочных агрегатов.

Чтобы садовый участок с деревьями и кустарниками радовал вас своим внешним видом, необходимо подстричь траву, придать соответствующий вид деревьям и кустарникам, а также произвести уборку территории. В этом вам большую помощь окажет современная садовая техника, например электрический триммер, электрические инструменты для стрижки живой изгороди и т. п. Все это вы найдете в главе 8, причем там описана только садовая техника, которая получает питание от электрической сети.

В приложениях приведены полезные справочные сведения к большинству глав книги.

Автор надеется, что приведенная в книге информация подтолкнет творческую мысль владельцев загородных домов в нахождении новых решений в повышении комфортности их жилища. Чтобы после этого можно было сказать: "Дача – это вторая городская квартира".

Автор считает своим приятным долгом выразить свою благодарность Леониду Кочину за проделанную им работу по редактированию.


Пестриков В. М.,

Россия, г. Санкт-Петербург, Старая Деревня


Глава 1

Электричество в загородном доме


Электросеть загородного дома состоит из двух основных частей: наружной сети, оканчивающейся узлом ввода, и внутриквартирной электропроводки, берущей свое начало с распределительного электрощитка.


1.1. Подвод электроэнергии


Электроэнергия подается в загородные дома от трансформаторных подстанций, где напряжение 6-35 кВ понижают до низкого, трехфазного напряжения 220/380 В. Такая трансформаторная подстанция состоит из одного трансформатора, установленного на незатопляемой паводковыми водами площадке, в центре нагрузок или вблизи от него (рис. 1.1). К трансформаторной подстанции напряжение поступает по воздушной линии (ВЛ), а затем оно распределяется по всем домикам в поселке, также по воздушным линиям, которые закреплены на столбах.

Рис. 1.1. Общий вид трансформаторной подстанции и трансформатора в дачном поселке


К узлу ввода дома электричество, как правило, подводится воздушной линией (рис. 1.2).


Рис. 1.2. Подвод электричества к загородному дому


Технологическое присоединение к электрической сети дома осуществляется в соответствии с требованиями «Правил технологического присоединения энергопринимающих устройств», утвержденных постановлением Правительства РФ от 27 декабря 2004 года № 861 (в редакции постановления Правительства РФ от 25 апреля 2009 года № 334).

Для подключения дома к электросети необходимо вначале подать заявление в местный "Энергосбыт" и получить технические условия (ТУ) на присоединение к электросети (см. прил. П1.1). Через некоторое время приходит мастер участка и оценивает резервы местных электросетей, а затем составляет смету. Если подключать вас будет та же организация, вам вручат счет за резервируемую мощность, столбы и кабель, а также план выполнения работ. По предъявлении квитанции выдадут ТУ с описанием всех требований к подключению.

Если присоединяемая мощность превышает 2000 кВт, то заявку с пакетом документов, например в Московском регионе, подают в Отдел обслуживания клиентов Исполнительного аппарата ОАО "МОЭСК". В дальнейшем составляется смета с учетом необходимости установки новой подстанции, что стоит очень дорого [1].

После этого заказывают проект электроустановки дома (раньше это называлось внутренней проводкой) в лицензированной проектной организации. В проекте отражают структуру электроустановки, принципиальные схемы распределительных устройств, расположения электрооборудования и электропроводок, мощность и число светильников и т. д. Получив папку исполнительной документации, вы согласовываете проект везде, где положено (но лучше пусть это сделает проектант). Услуги электромонтажа оказывает "Энергосбыт", т. к. это должны делать профессионалы.

Оплатив выполнение работ по подключению дома к электросети при завершении монтажа, вызываете представителей "Энергоконтроля". Мастер или лаборатория проверяют выполнение работ, пломбируют счетчик. По окончании работ вы забираете в "Энергосбыте" абонентскую книжку, и ваш дом подключают к сети.

Воздушную линию ввода прокладывает служба энергонадзора, при этом должны быть обеспечены следующие условия:

• ВЛ должна иметь длину не более допустимой (25 м); если расстояние от ближайшего столба линии электропередачи до входного устройства дома больше требуемого значения, необходимо установить промежуточный столб (столбы);

• над проезжей частью (дорогой) ВЛ должна проходить на высоте не менее 6 м;

• на участке ВЛ должна проходить на высоте не менее 5 м, желательно вдоль ограды, в стороне от пешеходных дорожек и высоких деревьев (не ближе 3 м до веток);

• провода ВЛ должны пролегать выше проводов телефонной и радиолиний;

• расстояние по горизонтали между проводами ВЛ и другими кабелями (телефон, радио, телевизионный спуск от антенны и пр.) должно составлять не менее 1,5 м.

Для воздушных линий используют неизолированные провода. Провода в полимерной изоляции применять нецелесообразно, т. к. она разрушается от атмосферных воздействий и не предохраняет от поражения электрическим током. Допустимые нагрузки на провода воздушных линий определяют для температуры воздуха +25 °C из расчета максимальной температуры нагрева проводов +70 °C.

Для воздушных линий обычно применяют многопроволочные провода марки А из алюминия, марки АН и АЖ из алюминиевого сплава АСЗ и ACT, стальные, а также стале-алюминиевые провода марки АС, которые имеют сердечник из стальных оцинкованных проволок и наружный повив из алюминиевых проволок. Расплетенные провода не допускаются. Технические характеристики неизолированных проводов приведены в прил. П1.2.

Если прокладываемый (изолированный) провод не обладает необходимой прочностью, его крепят к тросу, натянутому между столбом и домом.

В качестве промежуточных столбов лучше всего устанавливать стандартные железобетонные с соблюдением соответствующей технологии заглубления в грунт и укрепления заглубленной части.

Допускается применять деревянные столбы на пасынках из железобетона или из прочных пород дерева, мало поддающихся гниению (дуб, сосна). Комлевую (подземную) часть деревянного пасынка следует обработать антисептиком (креозот, насыщенный раствор марганцовки), а затем обернуть рубероидом по битуму.

Деревянный столб крепят к пасынку, предварительно установив на нем фарфоровые изоляторы на крюках.


1.2. Ответвления для загородного дома


С ближайшей к вашему дому столба воздушной линии электропередачи выполняется ответвление проводов к изоляторам, смонтированным на стене или на крыше дома (рис. 1.3). Ответвлением называется участок проводов от ВЛ до ввода в здание. Для ответвления рекомендуется использовать медные или алюминиевые провода в атмосферостойкой изоляции.

Рис. 1.3. Ответвления от воздушной линии к вводам в дома


Выбор материала провода и его сечения для ответвления зависит от расстояния (пролета) между опорой линии электропередачи и вводным устройством в дом (табл. 1.1).


Таблица 1.1. Наименьшие допустимые площади сечения проводов для ответвлений к индивидуальным потребителям по условиям механической прочности

Если вы делаете ответвление, то лучше выбрать специальные кабели типа АВТВ или АВТУ, которые имеют четыре токоведущих жилы, а также встроенный несущий трос, принимающий основную нагрузку на себя.


Внимание!

Ответвление считают частью воздушной линии, его обслуживает владелец электрических сетей до изоляторов на стене строения, включая соединения у изоляторов.


К частным домам поселкового типа, садовым или дачным домам ответвление обычно выполняют двумя проводами (однофазный ввод): фазным и нулевым. Иногда возникает необходимость в трехпроводном ответвлении (двухфазный ввод, когда два фазных провода и один нулевой), чтобы получить два однофазных ввода (например, для двухквартирного дома). При этом нулевой провод общий, фазные провода обязательно разные.

Ответвления из четырех проводов (трехфазный ввод, три фазных и один нулевой) делают редко. Трехфазный источник питания имеет преимущество перед однофазным: появляется возможность пользоваться как однофазным, так и трехфазным потребителями электроэнергии, например можно подключить трехфазный электродвигатель.

Иногда для загородного дома делают ответвление не по воздуху, а под землей (рис. 1.4). Это более стабильный и безопасный вид ответвления, который не подвержен ветровым нагрузкам, обрывам при обледенении, прикосновении длинных предметов или при проезде негабаритного транспортного средства.

Рис. 1.4. Схема ответвления под землей, проложенная между воздушной линией и домом


Для ответвления можно применить кабель с медными жилами (например, марок ВВГ, ПВО) сечением не менее 2,5 мм2 или алюминиевыми жилами (марки АВВГ, АПВГ) сечением не менее 4 мм2. Кабель прокладывают по стойке опоры: в верхней части открыто на скобах, а начиная с 1,5 м от уровня земли в трубе на глубину 0,7 м. Затем кабель ведут в траншее глубиной не менее 0,7 м до здания и, наконец, в трубе выводят на наружную стену.

Ответвление под землей, проложенное между ВЛ и домом, можно представить в виде нескольких частей [2, 3]. Части кабеля ответвления у столба и вдоль стены дома должны быть обязательно в защитных металлических трубах, а часть ответвления, находящаяся в грунте, может быть уложена и без труб. Тип укладываемого кабеля должен соответствовать условию его размещения в грунте, а в расчете сечения жил, в отличие от прокладки ответвлений по воздуху, не нужно учитывать механические нагрузки. Определять сечение в этом случае нужно в основном по электрической нагрузке.

Для устройства подземного ответвления у столба воздушной линии следует использовать Г-образный отрезок трубы. На стене дома ответвление также устанавливают в защитной трубе. Форма изгибов трубы может быть произвольная, она может огибать цоколь фундамента. Для облегчения ввода в трубу кабеля радиусы изгибов должны быть максимально большими. Трубу необходимо надежно закрепить на стене здания так, чтобы она поднималась не менее чем на 1,8 м от земли. Еще лучше, если труба будет цельной и пройдет через стену дома до самого вводного устройства.

Для подземной части ответвления прокладывают траншею глубиной 60–80 см. Грунт для заполнения траншеи очищают от камней и стекол. В траншею кабель укладывают на слой земли, не содержащей камней, шлака и строительного мусора. Уложенный кабель желательно защитить от случайных повреждений. Для этого подойдут бетонные плиты, кирпичи или отрезки металлических труб произвольного диаметра, в которые вводят кабель. Трубы не следует соединять встык, нужно сделать так, чтобы отрезки труб входили один в другой. Над кабелем выполняют такую же засыпку, как и при его укладке.

Ввод кабеля ответвления через стены строения выполняют в защитных кожухах из металлических или пластиковых трубок (рис. 1.5). Одно из лучших решений – проводка кабеля через стену в той же трубе, в которой он выходит из-под земли. Такой же способ можно применить и для прохода через кирпичную или бетонную стену.

Рис. 1.5. Схема прохода кабеля сквозь стену


Внимание!

При кабельном ответвлении на обслуживании владельца сетей находятся кабель и контактные соединения его наконечников. Он несет ответственность за их исполнение и состояние.


Чтобы все работы по сооружению ответвления, выполненные своими силами, были приняты владельцем сети без замечаний, заблаговременно пригласите его представителя и ознакомьте со своими решениями и материалами.


Внимание!

Помните, что на всем протяжении ответвления от ВЛ до вводного устройства кабель не должен иметь скруток, сращиваний и паек. Его длина должна быть тщательно просчитана, поэтому приобретать его нужно с некоторым запасом. Не рекомендуется устанавливать токоведущие провода своими силами, т. к. этим должен заниматься специалист-электрик.


1.3. Установка изоляторов


Для изоляции и крепления проводов на воздушных линиях электропередач и в распределительных устройствах электростанций и подстанций переменного тока напряжением от 0,23 до 1 кВ включительно частотой до 100 Гц при температуре окружающего воздуха от -60 до +50 °C в 1970–1980 годах широко применяли стеклянный штыревой изолятор НС-18А. Этот изолятор устанавливали и на линиях 220В/380В. Заметим, что цифра в обозначении изолятора представляет собой диаметр крюка в миллиметрах.

В настоящее время широкое распространение получили более дешевые аналоги: фарфоровый изолятор ТФ-20 01 и полимерный НП-18 [5, 6].

Изолятор линейный штыревой низковольтный фарфоровый типа ТФ-20 01 (рис. 1.6) предназначен для изоляции и крепления неизолированных проводов на воздушных линиях электропередач (ЛЭП), распределительных устройствах (РУ) электростанций, подстанций переменного тока напряжением до 1000 В, линий связи и радиотрансляционных сетей. Изолятор ТФ-20 01 является наиболее распространенным штыревым фарфоровым изолятором для линий 220В/380В с незащищенными проводами, устанавливается на траверсы серии ТН с помощью колпачков К-5 (КП-18).

Рис. 1.6. Изолятор линейный штыревой фарфоровый типа ТФ-20 01


Для крепления штыревых изоляторов воздушных линий электропередач 0,4-10 кВ на стандартные металлоконструкции и крюки используют колпачки типа К или КП. Изоляторы НС-18А, ТФ-20 01, НП-18 и ТП-20 крепят с помощью колпачков марки К-5 (КП-18) с диаметром верхней части штырей 16 мм (рис. 1.7) [4].

Рис. 1.7. Колпачки серии К, КП


Изоляторы должны быть расположены вертикально, головкой вверх. Наклон до 45° к вертикали допускается только при креплении обводного провода. Перед установкой изолятор необходимо очистить от грязи ветошью, смоченной в керосине.

В настоящее время в связи с прогрессом в производстве электротехнических изделий фарфоровые изоляторы заменяют полимерными. Изоляторы НП-18 и ТП-20 (рис. 1.8) изготавливают взамен фарфоровых НС-18А и ТФ-20 на основе современных высокопрочных полимеров армированных на 30 % стеклом с модификацией поверхности кремнийорганическими композициями диффузионным методом [7].

Рис. 1.8. Изолятор НП-18, ТП-20


Изоляторы НП-18 и ТП-20 предназначены для изоляции и крепления провода на воздушных линиях электропередач и распределительных устройствах электростанций и подстанций переменного тока напряжением до 1000 В. Эксплуатируются при температуре окружающего воздуха до -60 до +50 °C.

Габариты и присоединительные размеры фарфоровых и полимерных изоляторов полностью идентичны, а по электрическим характеристикам, особенно в сложных условиях эксплуатации, последние превосходят фарфоровые ТФ-20 01 и стеклянные НС-18А. Полимерные изоляторы практически не бьются, устойчивы к актам вандализма и удобны в транспортировке из-за малого веса.

При напряжении до 0,4 кВ изоляторы ТФ-20 крепят к деревянным опорам стальными крюками КН-18 массой 0,8 кг (рис. 1.9). Изоляторы типа ТФ-20 01 крепят к крюкам через колпачки марки К-5 [8].

Рис. 1.9. Крюк КН-18 для крепления изоляторов ТФ-20 к деревянным опорам


На одном изоляторе может крепиться несколько проводов: отводы от линии, ответвления к вводам и т. д.

Штыревые изоляторы должны быть прочно навернуты на крюки при помощи пластмассовых колпачков типа ПКН.

Для прочного закрепления крюков в опоре отверстия под них нужно сверлить по внутреннему диаметру резьбы. Глубина отверстия должна быть на 15–20 мм меньше нарезанной части крюка. Крюк обязательно следует ввертывать в тело опоры на 10–15 мм глубже длины нарезки резьбы.

При креплении штырей на деревянных траверсах с обеих сторон траверсы нужно установить шайбы толщиной 4 мм и диаметром 75 мм. Зазор под шайбами должен быть минимальным.

Для предохранения древесины от загнивания затесы и места сверления под штыри обрабатывают креозотом или пастой. К стальным траверсам штыри разрешается крепить сваркой.

На стене фарфоровые изоляторы располагают в шахматном порядке на расстоянии 25–30 см. Для однофазной сети монтируют два изолятора, для трехфазной – четыре изолятора.

Для установки изоляторов на стену из бревен (бруса) сначала берут брусок толщиной 7-10 см и крепят к дому. Затем в бруске сверлят отверстия и вкручивают в них крюки изолятора (рис. 1.10).

Рис. 1.10. Крепление фарфорового изолятора к стене деревянного дома


В зданиях с бетонными или кирпичными стенами для каждого крюка пробивают гнездо на глубину 100 мм и диаметром в 2,5 раза больше диаметра самого крюка и закрепляют крюк цементным раствором (рис. 1.11). После того как раствор затвердеет, можно будет монтировать провода.

Рис. 1.11. Крепление фарфорового изолятора к бетонной стене дома


Рис. 1.12. Крепление провода ответвления к изолятору: а – зажимом; б – вязкой


Для провода АВТВ или АВТУ нужен один изолятор, на котором закрепляют несущий трос. В остальных случаях при однофазном вводе потребуется два изолятора, при трехфазном – четыре (по числу проводов).

Провод ввода нельзя присоединять непосредственно к натянутому проводу ответвления, т. к. это может вызвать обрыв последнего.

Отрегулированные провода закрепляют на изоляторах промежуточной, угловой или оконечной опор вязками, которые не должны допускать перемещения провода из одного пролета в другой [9]. Вязку выполняют перевязочной проволокой, длина которой указана в табл. 1.2. При креплении (вязке) проводов на изоляторах рекомендуется пользоваться клетневкой1.


Таблица 1.2. Выбор диаметра и длины перевязочной проволоки

Технология вязки на различных участках линии приведена в прил. П1.3. Стале-алюминиевые провода крепят на изоляторах алюминиевой мягкой проволокой диаметром 3 мм или стальной оцинкованной перевязочной проволокой диаметром 2,5 мм. В месте вязки на провод по направлению повива алюминиевых проводников плотно наматывают алюминиевую ленту. При вязке биметаллических сталемедных проводов биметаллической перевязочной проволокой под последнюю подкладывают медную ленту (фольгу) размером 300x10x0,1 мм. Если применяется медная перевязочная проволока, медную ленту не подкладывают.

Когда для электроприемников требуется защитное зануление, потребителю следует соорудить повторное заземление нулевого провода. Однако потребитель может его не делать, если повторное заземление есть на опоре ВЛ и длина ответвления не превышает 10 м. Повторное заземление на ВЛ определяют по наличию заземляющего спуска, к которому присоединены нулевой провод, а также крюки или штыри изоляторов. Заземляющий спуск прокладывают по стойке опоры до заземлителя (одной или нескольких труб, полос или иной металлической массы, заглубленной в землю). Длина деталей заземлителя, число стержней или труб и глубина их заложения зависят от свойств почвы (грунта) в месте сооружения и уровня грунтовых вод. Поэтому требования к заземлителю получают от владельца сетей по данным проекта ВЛ. Остальные размеры принимают по табл. 1.3.


Таблица 1.3. Наименьшие размеры деталей заземлителя и заземляющего спуска

Ввод в строение (от зажимов в месте соединения проводов ответвления и ввода до пункта учета электроэнергии) следует выполнять изолированным проводом или кабелем с негорючей оболочкой сечением не менее: для алюминия – 4 мм2, для меди – 2,5 мм2. Сечение, марки проводов и кабелей на вводе выбирают с учетом их назначения и условий применения согласно табл. 1.4.


Таблица 1.4. Выбор проводов (кабелей) ввода

По способу прохода внутрь здания и закрепления трубостойки различают: ввод трубостойкой через стену и через крышу. На вводе от воздушной линии наличие паек недопустимо.

Наиболее удобен ввод трубостойкой через стену. При вводе через стену на фарфоровых изоляторах провода нужно прокладывать в пластиковых или резиновых трубах (рис. 1.13). Причем каждый из изолированных проводов ввода помещают в отдельную изоляционную трубку. Расстояние между проводами в стенах должно быть не менее 5 см, если они кирпичные или бетонные, и не менее 10 см, если они деревянные. Заметим, что сегодня в магазинах трудно найти фарфоровые изоляторы для прохода провода. В связи с этим вместо них может быть использована соответствующего диаметра гладкая одностенная сверхтяжелая труба из самозатухающего ПНД или, в крайнем случае, гофрированная труба из самозатухающего ПНД (черного цвета) [10].

Рис. 1.13. Проход провода ввода через стену


На наружные концы изоляционных трубок надевают фарфоровые воронки, на внутренние – втулки; зазоры между поверхностью отверстия в стене и изоляционной трубкой заделывают алебастровым или цементным раствором.

Во избежание скопления в отверстиях внутри стены влаги и попадания ее в фарфоровые воронки и резиновые трубки проходы через стены устраивают с небольшим (около 5°) уклоном в наружную сторону, а в нижней точке изгиба трубы должно быть просверлено отверстие диаметром 5 мм для выхода конденсационной влаги. После прокладки проводов входные отверстия воронок и втулок заделывают.

В тех случаях, когда до проводов ввода от поверхности земли невозможно обеспечить требуемое расстояние (2,75 м), необходима установка трубостойки. Если расстояние от поверхности земли до нижней точки трубостойки, устанавливаемой на стене, менее 2 м, то применяют ввод трубостойкой через крышу (рис. 1.14). Этот способ менее удобен, т. к. здесь очень важно качество монтажа прохода через кровлю и требуется его надежная гидроизоляция.

Рис. 1.14. Варианты ввода с трубостойкой


Большие трудности вызывает закрепление трубостойки на крыше с помощью растяжек. Чтобы избежать самооткручивания гаек в болтовых креплениях вводов от воздействия порывов ветра и раскачиваний, нужно выполнять все болтовые крепления вводов с применением пружинящих шайб. Расстояние от самого нижнего проводника ввода через трубостойку до поверхности крыши не должно быть меньше 2,5 м.

Герметизация мест ввода проводов и кабелей через стены и трубостойки выполняется в соответствии с требованием строительных норм и правил.


1.4. Вводное устройство


Провод ввода может соединять ответвление со щитком счетчика внутренней электропроводки или идти от изоляторов до вводного устройства, а оттуда к щитку. Чаще встречается последний вариант ввода.

Для ввода применяют изолированные провода или кабель. Сечение токопроводящих жил вводного кабеля или провода рассчитывают в соответствии с ПУЭ. Присоединение ввода к ответвлению выполняет персонал энергоснабжающей организации.

Если ответвление присоединено к магистрали воздушной линии через предохранитель или иной аппарат защиты на ток менее 25 А, установка вводного устройства не обязательна.

Вводное устройство применяют для того, чтобы при неисправности внутренней электропроводки обеспечивалось автоматическое ее отключение от магистральной линии. Кроме того, появляется возможность отключить проводку во время ремонта или на период длительного бездействия. С этой целью в цепях разных проводов сети устанавливают предохранители, автоматические выключатели или аппараты защитного отключения.

В качестве вводного устройства в загородных домах обычно используют автоматический выключатель. Современные автоматические выключатели обеспечивают защиту от короткого замыкания и от перегрузки электросети. Для одноквартирного дома номинальный ток защитного аппарата составляет не более 25 А (рис. 1.15) [11]. На вводах в многоквартирный дом или в тех случаях, когда применяют однофазные электроприемники мощностью свыше 1,3 кВт, может потребоваться аппарат на ток силой более 25 А.

Рис. 1.15. Автоматический выключатель АП 50Б


Если применяют плавкий предохранитель, то кроме него нужен коммутационный аппарат, например пакетный выключатель или рубильник (при автоматическом выключателе дополнительный коммутационный аппарат не требуется).

Предохранители, а также однополюсные защитные автоматы монтируют только в фазных проводах. Согласно ПУЭ установка этих аппаратов в нулевом проводе не допускается. Линию нулевого провода можно разрывать только при одновременном разрыве линий фазных проводов. При однофазном ответвлении это обеспечивают двухполюсные коммутационные или защитные аппараты. Можно применить и трехполюсный аппарат, но при однофазном (двухпроводном) вводе один из полюсов не задействуют (рис. 1.16).

Рис. 1.16. Подключение трехполюсного коммутационного аппарата к однофазному ответвлению


Вводное устройство должно быть защищено от попадания дождя или снега на его токоведущие части и от случайного прикосновения, поэтому желательно выбирать аппараты, соответствующие требованиям по защите и условиям эксплуатации, либо монтировать их в металлическом или пластмассовом корпусе.

Если вводное устройство находится внутри жилого здания, то хорошим приобретением для будущего хозяина коттеджа будет вводно-распределительное устройство типа ВРУ, состоящее из панелей одностороннего обслуживания, с рубильниками, предохранителями и автоматическими выключателями.

Аппараты вводного устройства, установленные на наружной стене дома, защищают от случайного прикосновения и попадания осадков жестяным, пластмассовым или деревянным кожухом. Расстояние от токоведущих неизолированных частей до стенок защитного кожуха должно быть не менее 10 мм.

Бытует ошибочное мнение, что установка предохранителей в линии не только фазного, но и нулевого проводов повышает надежность защиты [12]. В действительности обрыв электрической цепи, связанной с нулевым проводом, в том числе и при перегорании предохранителя в его цепи, может привести к опасным для жизни последствиям. Одно из средств обеспечения безопасности при нарушении изоляции – зануление, т. е. соединение металлических токоведущих частей электрооборудования с заземлением нулевым проводом. Если же в цепи нулевого провода находится предохранитель или автомат, он может сработать и отключить нулевой провод, что равносильно отключению зануления, обеспечивающего защиту работающего от поражения электрическим током.

Внимание!

Не разрешается устанавливать однополюсные защитные или коммутационные аппараты в цепи нулевого провода. При монтаже электропроводки следует тщательно выполнять все соединения по схеме.


1.5. Электрощиток


Со стороны ввода в дом потребитель должен сделать проводку между вводным устройством и электросчетчиком. Вводное устройство со стороны ответвления от ВЛ подключают изолированными проводами сечением 4 или 6 мм2 (для медных допускается 2,5 мм2).

Изолированные провода к проводам ответвления у изоляторов на стене здания присоединяет персонал владельца сетей, а к вводному устройству – потребитель. Если ответвление выполнено тросовым проводом или кабелем, токоведущие жилы к вводному устройству подключает владелец сетей. Со стороны ввода в здание потребитель должен сделать проводку между вводным устройством и электросчетчиком.

При монтаже любого трех– или однофазного вводного устройства без коммутационного аппарата нулевой провод ответвления при помощи отдельного зажима соединяют с соответствующим проводом, идущим к счетчику. Соединение скруткой можно допустить, если провода сваривают или паяют, но в условиях индивидуального строительства эту работу с алюминиевыми проводами выполнить трудно. Поэтому для соединения используют контактный зажим от какого-нибудь электрического аппарата, например одногнездовой зажим к проводам сечением до 4 мм2, применяемый в светильниках, или зажим из ответвительной коробки. Диаметр контактных винтов должен быть 4–6 мм. Если соединяемые провода из разных металлов, каждый крепят отдельным винтом.

Электрическая энергия подается на домовой электрощиток, который обычно состоит из самого щитка, счетчика электроэнергии и автоматических выключателей (автоматов) в качестве предохранителей (рис. 1.17). Число таких выключателей соответствует числу групп электросетей в доме. На современном электрощитке могут быть приварены контактной сваркой две DIN-рейки: одна для установки автоматических выключателей, а вторая – для нулевой шины. Эти приборы могут быть смонтированы на металлической панели или внутри металлического шкафчика с дверцей.

Рис. 1.17. Комплект электрощитка: металлическая панель с крышкой, электросчетчик «Соло» и два автоматических выключателя АВВ


Электрощиток устанавливают в доме в непосредственной близости от входа и, насколько возможно, от электрического ввода в дом, в защищенном от сырости месте (в прихожей, входном тамбуре и пр.), на стене или иной жесткой конструкции, не подвергающейся сотрясениям, вдали от источников тепла на высоте 1,4–1,7 м от чистого пола.

Электрощиток должен быть легко доступен для ремонта счетчика и включения/выключения общего выключателя и предохранителей. Расстояние от электрощитка со счетчиком до отключающего его коммутационного или защитного аппарата не должно превышать 10 м. В продаже имеются готовые электрощитки различного исполнения как в виде открытой панели, так и в виде шкафчика той или иной конструкции и размера, с установленным счетчиком или без него, с монтажом электрических соединений или без них.

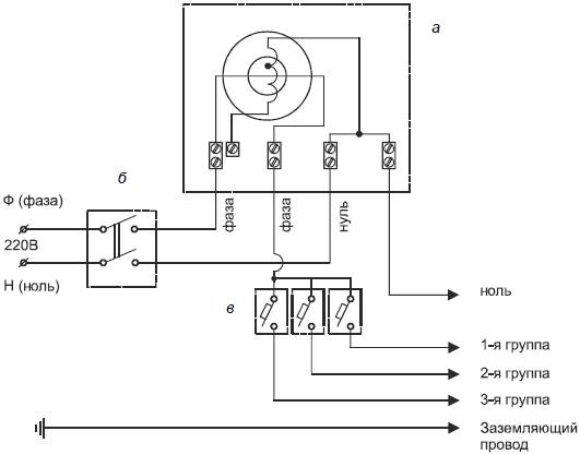
Провода, которые соединяют вводное устройство, счетчик и автоматические предохранители, должны быть цельными, не бывшими в употреблении, скрутки, пайки, разъемы недопустимы. Лучше всего использовать для монтажа на щитке медные одножильные провода диаметром 4 мм. Желательно, чтобы фазный и нулевой провода были разных цветов, например: красный и синий, синий и черный и т. д. Провода, подключаемые к счетчику, не нужно прокладывать внатяг: следует оставить запас в виде свободной петли длиной не менее 120 мм. Если провода имеют оболочку одинакового цвета, необходимо перед вводом в счетчик каким-либо образом маркировать их на длине не менее 100 мм (надеть цветные трубки, белые трубки с надписью и т. д.). Электрическая схема электрощитка приведена на рис. 1.18 [13].

Рис. 1.18. Электрическая схема электрощитка: а – электросчетчик; б – общий рубильник; в – предохранители домовых групп (отдельных электролиний)


Как видно из схемы, оба провода от домового ввода (фазовый и нулевой) поступают сначала на общий рубильник, затем на счетчик электроэнергии, а после него фазный провод подается на группы автоматических выключателей.


1.6. Электросчетчик


Счетчик, как уже было сказано, можно приобрести отдельно от электрощитка. Главное, чтобы он был совместим по габаритам с электрощитком.


1.6.1. Критерии выбора электросчетчика


Сегодня на рынке России имеется множество разновидностей электросчетчиков. Счетчики по своему предназначению могут быть для однофазной или трехфазной электросети. В индивидуальных жилых домах допускается установка только однофазных или трехфазных счетчиков электроэнергии. Однофазные счетчики предназначены для сети напряжением 220 В, трехфазные – 380 В. Три фазы подходят в том случае, когда у вас к сети подключена большая нагрузка. Например, если на кухне есть электроплита.

При выборе счетчика для дома прежде всего надо точно знать тип электрической сети (однофазная или трехфазная) и лимит электроэнергии, который определен для вашего дома. При выборе счетчика желательно проконсультироваться со специалистом электрической компании, обслуживающей ваш поселок.

Для загородного дома с окружающими его хозяйственными постройками, по правилам, достаточно одного счетчика. Выбирают модель счетчика, исходя из потребляемой вашим хозяйством (установленной) мощности. Узнают, на какую максимальную величину тока он рассчитан. Не все счетчики способны вынести нагрузку современного загородного дома, оснащенного значительным количеством бытовой техники.

Немаловажное значение имеет количество электроэнергии, потребляемой самим счетчиком. Понятно, что чем меньше он потребляет энергии, тем лучше с точки зрения экономичности. Выбранная вами модель обязательно должна быть сертифицирована, т. е. внесена в Государственный реестр средств измерений РФ. Иначе местная энергосбытовая организация не сможет обеспечить поверку счетчика, которая проводится каждые 8-16 лет. И, конечно, при покупке учитывают габариты счетчика. Желательно, чтобы он занимал поменьше места и был компактным. Разумеется, на выбор счетчика не в последнюю очередь влияет его цена. Счетчик выбирают вдумчиво, на основе анализа конкретной ситуации, учитывая целый ряд факторов.

По принципу действия бывают индукционные и электронные счетчики. В свою очередь электронные приборы учета электроэнергии (и однофазные, и трехфазные) подразделяются еще и на однотарифные и многотарифные. Поэтому при покупке нужно заранее решить, какой покупать счетчик: электронный или нет, однотарифный или многотарифный.

Лучше купить электронный счетчик, хоть он и дороже индукционного. Электронный счетчик, в отличие от индукционного, не содержит вращающихся частей. Сигналы тока и напряжения, поступающие с измерительных элементов, обрабатывает микроконтроллер, а результаты сохраняются во встроенной памяти и выводятся на электронный дисплей. Данные могут храниться длительное время, что и является преимуществом этого типа счетчиков. У него имеется защита против несанкционированного доступа. С микропроцессорным счетчиком возможностей еще больше, в частности предоплата и управление распределением нагрузки. Для электронного счетчика характерна устойчивость к климатическим, механическим, электромагнитным воздействиям. Есть модели, которые выдерживают экстремальный температурный режим от -40 до +55 °C, поэтому их можно использовать в неотапливаемых помещениях.

Если в поселке, где вы живете, существуют тарифы оплаты на потребление электроэнергии в зависимости от времени суток, то тогда электронный многотарифный счетчик поможет вам сэкономить на оплате электроэнергии и его стоимость довольно скоро окупится. Двухтарифные счетчики в установленное время автоматически переключаются на ночной тариф, что дает возможность контролировать расход электроэнергии отдельно в дневное и отдельно в ночное время.

Для проверки правильности начисления оплаты в современном электросчетчике достаточно обратиться к соответствующей функции, которая и покажет, сколько в каком месяце и по какому тарифу потрачено электроэнергии. Это избавляет от поиска старых квитанций об оплате. Вычисления в столбик разницы между показаниями за месяц уже не нужны, т. к. электросчетчик сам способен все это сделать.

Электронный счетчик, как и индукционный, рассчитан на срок службы более 32 лет.


Внимание!

Нарушение или отсутствие одной из пломб, а также любое повреждение корпуса счетчика делает оплату электроэнергии в соответствии с показаниями этого счетчика невозможной.


Основной технический параметр электросчетчика – класс точности – указывает на уровень погрешности измерений прибора. До середины 90-х годов все устанавливаемые в жилых домах счетчики имели класс точности 2.5 (максимально допустимый уровень погрешности составлял 2,5 %). В 1996 году был введен новый стандарт точности приборов учета, используемых в бытовом секторе – 2.0. Именно это стало толчком к повсеместной замене индукционных счетчиков на более современные и точные.


1.6.2. Установка счетчика


Устанавливать счетчик электрической энергии необходимо только с согласия энергосбытовой организации и только представителю компании, имеющей лицензию. Самостоятельно подключать счетчик не рекомендуется. Если у вас уже был установлен электросчетчик и вы просто хотите его заменить, то помните, что самовольный демонтаж старого счетчика является нарушением договора с энергокомпанией и сорванная на старом счетчике пломба влечет за собой изменение порядка расчетов. В этом случае оплата будет производиться не по показаниям нового счетчика, а исходя из энергоемкости электроприборов, установленных в квартире.

После установки электросчетчика его ставят на учет. Для этого приглашают представителя электроснабжающей компании, который, убедившись, что все сделано правильно, пломбирует прибор и дает разрешение на его использование. После этого специалисты компании принимают его в эксплуатацию и снимают начальные показания счетчика. С данного момента расчеты за электроэнергию будут осуществляться в соответствии с показаниями нового прибора учета.


1.6.3. Модели однофазных однотарифных электросчетчиков


На сегодняшний день производители предлагают две основные модели счетчиков электрической энергии: однотарифные и многотарифные. Из широкого ассортимента счетчиков электроэнергии всегда можно выбрать тот, который больше всего подходит именно вам. Не всем нужны такие опции, которые удорожают устройство, некоторые хотят простой, надежный и точный электросчетчик по минимальной цене.

В качестве примера однофазного однотарифного счетчика электрической энергии рассмотрим модель "Соло" производства ЛЭМЗ (Ленинградский электромеханический завод, г. Санкт-Петербург, www.lemz.spb.ru/). Это один из недорогих счетчиков, его цена в среднем составляет 600 руб. [14].

Счетчик "Соло" предназначен для однотарифного учета потребления электрической энергии в однофазных цепях переменного тока напряжением 220 В частотой 50 Гц. Преимущественно используются в жилом и коммерческом секторе. Устанавливаются в местах, защищенных от атмосферного влияния и механических повреждений: в пластиковых боксах, щитах с монтажной панелью, этажных и квартирных щитках. Отличительная особенность счетчика – высокая степень защиты, что обеспечивает работоспособность этой модели в помещениях с высокой степенью загрязнения воздуха.

Счетчик "Соло" выпускается в трех вариантах корпуса, но с одинаковыми техническими и эксплуатационными характеристиками:

• "Соло Шунт" – в традиционном круглом корпусе с креплением на монтажную панель (рис. 1.19);

Рис. 1.19. Общий вид электросчетчика однофазного однотарифного «Соло Шунт»


• «Соло DDS» – в плоском корпусе, с современным технологическим дизайном и креплением на монтажную панель;

• "Соло Din" – в плоском корпусе с креплением на DIN-рейку.

Технические характеристики электросчетчика "Соло":

• класс точности 1,0;

• номинальное напряжение 220 В;

• номинальный (максимальный) ток 5(60) А;

• рабочий диапазон температур от -40 до +55 °C;

• тип счетного механизма: ЭМ или ЖКИ;

• габаритные размеры:

– в круглом корпусе 215x134x113 мм;

– в прямоугольном корпусе 208x132x69,3 мм;

• масса 0,7 кг.

Серия "Соло" с механическим отчетным устройством имеет защиту от "сматывания" показаний, т. е. реверсивный счетный механизм, работает на увеличение при любом направлении вращения барабана. Широкий диапазон рабочих напряжений от 176 до 420 В, что подходит для сетей, подверженных скачкам напряжений. Степень защиты приборов "Соло Шунт" и "Соло DDS" – IP54, "Соло Din" – IP40. Модели оснащены телеметрическим импульсным выходом и световым индикатором работы.

Межповерочный интервал электросчетчика после включения в сеть, составляет 16 лет. Срок службы 30 лет. Срок гарантийного обслуживания 36 месяцев.


1.6.4. Модели однофазных многотарифных электросчетчиков


Одним из самых простых вариантов многотарифных счетчиков можно назвать счетчики с двухтарифной системой учета электрической энергии. Такие счетчики позволяют вести учет электроэнергии по двум тарифам: дневному и ночному. К слову, большинство ночных тарифов гораздо выгоднее для потребителей. Также есть многотарифные счетчики, которые могут вести учет по нескольким тарифам в различных временных зонах суток для нескольких типов дней. Каждый месяц у таких счетчиков производится программирование по индивидуальному расписанию тарифов. Рассмотрим многотарифный электросчетчик «Меркурий 200» (рис. 1.20). Счетчики электрической энергии «Меркурий» выпускает концерн «Инкотекс» (г. Москва, http://www.incotexcom.ru/).

Рис. 1.20. Общий вид однофазного многотарифного электросчетчика «Меркурий 200»


Счетчик «Меркурий 200» используется в сетях электропитания для измерения, учета и отображения показателей потребления электрической энергии. Возможна передача данных со счетчика другим устройствам через интерфейсы CAN, RS-485 и PLC. Чтобы разделить количество энергии для различных групп пользователей, следует настроить несколько тарифов. Общий подсчет количества электроэнергии, прошедшей через счетчик, также сохраняется в его памяти. Цифровой способ измерения показателей соответствует требованиям ГОСТ 30207 и МЭК 1036.

Дополнительно счетчик "Меркурий 200" содержит две опции: подсчет всей энергии, израсходованной с начала работы прибора, и к началу одиннадцати последних месяцев. Встроенный тарификатор можно запрограммировать по четырем различным тарифам и для каждого месяца ввести собственное расписание, при этом учитывается переход на зимнее и летнее время. Он также позволяет выполнять подсчет в восьми различных интервалах суток и четырех видах дней. В суточном диапазоне минимально программируемой единицей времени является минута. Информация отображается на жидкокристаллическом индикаторе.

Посредством интерфейсов передаются значения параметров электрической сети: текущие уровни напряжения и силы тока. Счетчик "Меркурий 200" также измеряет мощность в собственной нагрузке.

PLC-модем счетчика передает данные непрерывно, при этом десятые доли для сокращения объемов передаваемой информации не учитываются. Среди актуальных данных значится количество электрической энергии с момента подключения при его программировании на единый тариф; с момента очистки значений показаний, которые содержит счетчик "Меркурий 200", по используемому тарифу, если их установлено несколько. Прибор может также отображать текущие показатели силы тока, напряжения и мощности в сети.

Счетчик программируется на предельно допустимые значения энергопотребления, в случае их превышения по показателям количества и мощности счетчик серии 200 ограничивает потребление электроэнергии либо отключает потребителя от сети.

Счетчик крепится стандартным способом на рейку DIN. Для повышения качества работы счетчик определяет постоянную составляющую в нагрузочной цепи; при отклонении от синусоидального ритма показателей применяются шунтирующие устройства.

Формально прибор относят к первому или второму классу точности. Он предназначен для работы в сетях переменного тока частотой 50 Гц и номинальным напряжением 220 В, при этом номинальный ток должен составлять 5 А, а максимальный – 50 А. Чувствительность прибора к изменениям активной энергии в первом классе составляет 2,75 Вт, а во втором – 5,5 Вт. В течение 0,5 с при номинальном напряжении может быть выдан максимальный ток силой 150 А.

Показатели мощности, которую потребляет счетчик "Меркурий 200", достаточно скромные: активная составляет 0,5 Вт, а полная – не более 2 ВА. Каждая цепь при этом потребляет около 0,1 Вт энергии.

Интерфейсы, кроме модемного, питаются при напряжении от 5,5 до 9 В, потребляя при этом не более 30 мА. Модем PLC дополнительно потребляет в активном варианте 1,5 Вт, полной мощности – 15 ВА.

Счетчик "Меркурий 200" содержит также встроенные часы, имеющие высокую точность: при комнатной (20±5 °C) температуре их погрешность составляет 0,5 с в сутки, а в более жестких условиях эксплуатации (от -40 до +55 °C) может быть не более 5 с. В режиме телеметрии постоянная нагрузка в цепи счетчика имеет значение 5000 имп./кВт, а в режиме поверки счетчика – 10 000 имп./кВар.

При этом прибор весьма легок и компактен: при массе 0,6 кг он имеет размеры 156x138x58 мм. Цена электросчетчика "Меркурий 200.02" – 1400 руб. с НДС (http://www.inkoteks.ru/m200.html).


Внимание!

Если покупаете электросчетчик отдельно от панели электрощитка, то обратите внимание на способ крепления электросчетчика. Счетчики изготавливают с возможностью крепления либо на трех винтах (для обычных электрощитов), либо на DIN-рейке. С возможностью крепления на DIN-рейке выпускают только электронные счетчики. Если выбираете последний способ крепления, то необходимо еще купить отдельно DIN-рейку или специальный бокс под электросчетчик. DIN-рейка часто идет в комплектации со счетчиком.


При покупке электрических счетчиков многие специалисты рекомендуют обратить внимание на компанию, которая производит то или иное устройство для учета электрической энергии. Рекомендуется отдавать предпочтение тем компаниям, которые уже известны на рынке, т. к. в этом случае можно быть уверенным в приобретении более качественного товара, который имеет необходимые сертификаты и гарантии.

На мировом рынке лидируют шесть основных производителей электросчетчиков: ELSTER (Германия), ACTARIS (Франция), LANDIS+GYR (Швейцария), ITRON (США), ISKRAEMECO (Словения), GENERAL ELECTRIC (США). У некоторых из них есть российские подразделения, например "Эльстер Метроника", "Искра-Урал" [14].

В России наиболее широко представлена продукция отечественных производителей, ориентированная на местные условия электроснабжения и эксплуатации электроприборов. Это такие промышленные гиганты, как ЛЭМЗ (Ленинградский электромеханический завод, г. Санкт-Петербург), "Энергомера" (г. Ставрополь), "Инкотекс" (г. Москва), "Энергоучет" (г. Санкт-Петербург), "Петербургский завод измерительных приборов" (г. Санкт-Петербург) и др.


1.6.5. Особенности снятия показаний со счетчика типа «Меркурий 200.02»


При нормальной эксплуатации счетчика на его табло (рис. 1.21) автоматически, с периодом (10–12) секунд, меняется следующая информация:

Рис. 1.21. Показания на дисплее электросчетчика «Меркурий 200.02»


• показания потребленной электроэнергии для счетчиков, запрограммированных по тарифу « день/ночь»:

• по первому тарифу "день" (в левом углу дисплея индекс Т1);

• по второму тарифу "ночь" (в левом углу дисплея индекс Т2, в дневное время индекс Т2 высвечивается в мигающем режиме);

• показания потребленной электроэнергии для счетчиков, запрограммированных по тарифу " многозоновый:

• по первому тарифу "пиковый" (в левом углу дисплея индекс Т1);

• по второму тарифу "ночь" (в левом углу дисплея индекс Т2);

• по третьему тарифу "полупиковый" (в левом углу дисплея индекс Т3);

• тарифная сумма, для контроля (в расчетах не используется);

• в верхней части дисплея имеется движущийся маркер, скорость его движения зависит от нагрузки, включенной в данный момент в квартире: чем больше нагрузка, тем быстрее движение маркера.

Оплате подлежат показания потребленной электроэнергии, расположенные до запятой (первые шесть цифр).

Имеющиеся на лицевой панели кнопки нажимать не рекомендуется.


1.7. Электропроводка в загородном доме


Если все работы по подсоединению дома к электрической сети, вплоть до установки электросчетчика, должны производить специальные энергослужбы, то монтаж электропроводки в загородном доме можно сделать самостоятельно, имея необходимый минимумом знаний в области электротехники.


1.7.1. Внутренняя электропроводка


Основные требования к внутренней электропроводке:

• безопасность в обслуживании;

• пожаро– и взрывобезопасность;

• надежность;

• передача электроэнергии преобразователю при стабильном значении номинального напряжения;

• небольшие затраты на монтаж и эксплуатацию.

Чтобы выполнить перечисленные требования нужно правильно рассчитать и выбрать провода по условию нагревания током с допустимой потерей напряжения, а также соблюдать правила прокладки проводов с учетом свойств окружающей среды.

Главным определяющим документом, регламентирующим правила проведения всех видов электромонтажных работ, в частности монтаж электропроводки в деревянных домах, являются "Правила устройства электроустановок. 7-е изд." (ПУЭ) [16].

Загородные дома в большинстве случаев строят из дерева. Этот материал, относящийся к сгораемым, служит источником повышенной пожароопасности. Именно поэтому ПУЭ установлены особые требования к электропроводке деревянных домов, т. к. большинство пожаров в деревянных домах происходит из-за неисправной электропроводки [17, 18].

Для открытой прокладки электропроводки по стенам деревянного дома разрешается использовать только кабели с негорючей изоляцией, например марки NYM или ВВГнг.

Провода или кабели, не имеющие несгораемой изоляции, должны быть помещены в кабельные каналы, электротехнические плинтуса или гофротрубу. Допускается укладка провода, не имеющего негорючей изоляции, непосредственно на стену, однако зазор между стеной и проводом в этом случае должен быть не менее 1 см (старый тип проводки на роликах – изоляторах).

Способ укладки провода в гофротрубе по эстетическим соображениям больше подходит для надворных построек, например сарая, летней кухни, гаража и т. п.

Для жилых помещений фактически остается применение кабельных каналов. Провода освещения, проходящие в пустотах между основным и подвесным натяжным потолком, допускается прокладывать в гофротрубе. То же самое можно сказать и о пустотах в стенах, если они обе выполнены из негорючего материала, например перегородка из гипсокартона.

Что касается переходов проводов электропроводки через стены, то подобно вводу в дом, они допускаются только в металлических трубах. Это необходимо для защиты электропроводки от грызунов и сдавливания проводов при осадке дома.

Когда деревянные стены дома обшиваются декоративными панелями, вагонкой и т. п., провода скрытой электропроводки везде должны проходить в металлических трубах. В этом случае применение металлорукава или гофротрубы не допускается. Все трубы должны быть соединены между собой и заземлены. Заземление – защитная мера электробезопасности от поражения человека током в случае пробоя электроприборов на корпус.

Вводной щит помимо защиты от сверхтоков должен быть укомплектован УЗО (устройство защитного отключения), которое обесточит дом при утечке токов на землю и защитит человека от поражения электрическим током. Так как УЗО само по себе не является защитой от коротких замыканий и перегрузок, на его выходе обязательно должны стоять автоматические выключатели нужного номинала, превышать который не следует. Для групп освещения вполне достаточно автоматов на 16 А, для силовых (розеточных) групп – на 25 А.

Когда установлен электросчетчик и несколько автоматических выключателей, то необходимо сделать чертеж внутренней электропроводки дома с указанием мест расположения электроустановочных изделий. Это позволит при закупке составляющих электропроводки знать, какое количество розеток, выключателей, электросветильников и ответвительных коробок необходимо. Из чертежа и замеров в доме можно будет определить, сколько потребуется провода сечением 1,5 и 2,5 мм2.


1.7.2. Выбор марки кабеля


Электрический провод может представлять собой как изолированный, так и неизолированный проводник электрического тока, состоящий из одной или нескольких медных или алюминиевых проволок. Для электромонтажа, в зависимости от требований, применяют скрытую или открытую проводки.

Электрический кабель – это одна или несколько скрученных изолированных медных или алюминиевых жил, объединенных в общую оболочку. Оболочка может быть резиновой, пластмассовой или металлической. Главное ее назначение – предохранять металл от внешних воздействий: влаги, света, химических и механических.

Марка кабеля (провода) – это буквенное обозначение, характеризующее материал токопроводящих жил, изоляцию, степень гибкости и конструкцию защитных покровов. В маркировке отечественных проводов используются следующие обозначения:

• первая буква – указывает на материал токопроводящей жилы (например, А – алюминий); отсутствие в марке провода буквы означает, что токопроводящая жила выполнена из меди;

• вторая буква – обозначает провод;

• третья буква – материал изоляции (например, Р – резина, В – поливинилхлорид, П – полиэтилен).

В обозначениях марок проводов и шнуров могут также присутствовать буквы, характеризующие другие элементы конструкции: О – оплетка, Т – для прокладки в трубах, П – плоский, Ф – металлическая фальцованная оболочка, Г – гибкий и т. д.

Для жилого помещения подойдут бытовой провод ПВС, кабели ВВГ, ВВГнг, NYM. Последний вид кабеля содержит дополнительный слой мело-резиновой изоляции, которая предотвращает образование трещин при эксплуатации в неблагоприятных условиях [19].

Изолированные провода с дополнительной оболочкой для герметизации и предохранения от внешних воздействий: ПВС, ПУГНП, ПУНП, ПБПП, АПУНП. Провода без оболочки: ППВ, АПВ, ПВ3, АППВ, ПВ1, АППВС.

Силовой кабель – ВВГнг, ВВГ, АВВГ, NYM, гибкий силовой – КГ, КГН. Кабель называется бронированным, если он имеет дополнительную защитную оболочку, состоящую из стальных лент, плоской или круглой проволоки: ВБбШв, АВБбШв, ВБбШнг. Бывает кабель в бумажно-пропитанной оболочке: АСБл, СБл, ААШв.

Для присоединения кабеля к распределяющим устройствам или различным аппаратам осуществляется его концевая обработка. При соединении кабелей друг с другом необходимо использовать строительную муфту.

Промышленность производит сотни видов проводов, отличающихся друг от друга как сечением медной или алюминиевой жилы, так и типом изоляции. Каждый тип изготовляется для вполне определенных условий эксплуатации. Понятно, что кабелю, прокладываемому в земле, нужна не такая изоляция, что используется в домовой проводке. В сырых помещениях требуется одна изоляция, при повышенной температуре – другая.

По деревянным конструкциям нужно прокладывать кабель с изоляцией, не распространяющей горение, например NYM, ВВГнг, ВВГнг-LS.


1.7.3. Выбор сечения электропровода


Площадь сечения электропровода выбирают в зависимости от проходящего по нему тока или потребляемой мощности. В последнем случае необходимо определить количество устанавливаемых в дальнейшем электроприборов с учетом потребляемой ими мощности. Причем рассчитывать следует и на будущее, возможно, вы приобретете посудомоечную или стиральную машину, новый холодильник, микроволновку и т. п., т. е. мощность нужно рассчитывать «с запасом» [20].

Подготавливая план проводки, обязательно составляют чертеж квартиры с предполагаемой расстановкой в ней мебели и бытовых приборов. При этом нужно предусмотреть, чтобы при возможном переустройстве интерьера оставался свободным доступ к установленному светотехническому оборудованию. Осветительные провода могут иметь площадь поперечного сечения 1,5 мм2, а для розеток желательны провода с поперечным сечением 2,5 мм2. Так как сейчас возросла мощность бытовой техники, то имеет смысл провести для кухни проводку проводом в 2,5 мм2 или даже 4,0 мм2. Кстати, для электроплиты также используется провод сечением 4,0 мм2 [21].

Основные токовые нагрузки обычно потребляет оборудование кухни, ванной комнаты, электрические теплые полы и водонагреватели (если они установлены). Стиральные и посудомоечные машины, электрический духовой шкаф газовой плиты, электрические плиты, теплые полы, проточные и накопительные водонагреватели, а также газовые котлы отопления с электроподжигом необходимо разделять на отдельные группы электропитания, идущие от основного электрического щита с установленными в нем аппаратами защиты. Остальное оборудование в кухне, такое как микроволновая печь, электрический чайник, измельчитель мусора и др., можно распределить еще на две группы.

Все прочие розеточные и световые группы потребляют значительно меньше электрической энергии, поэтому возможно, к примеру, объединение двух комнат на одну световую и одну розеточную линии.

Примерные значения допустимых токов и мощностей для медных и алюминиевых проводов площадью сечения от 0,75 до 25 мм2 приведены в табл. 1.5.


Таблица 1.5. Допустимая нагрузка на электрические кабели и провода

Как видно из табл. 1.5, для медных проводов сечением 2,5 мм2 допустимый ток составляет 20 А, что соответствует мощности 4,4 кВт в однофазной сети и 13,2 кВт – в трехфазной. Для алюминиевого провода при данном сечении такая нагрузка велика. При сечении 2,5 мм2 алюминиевого провода ток не должен превышать 16 А, а мощность – 3,5 кВт.

Произвести требуемые электротехнические расчеты при выборе электропровода можно с помощью диаграммы на рис. 1.22.

Рис. 1.22. Диаграмма для электротехнических расчетов


Данные о кабелях марки ВВГ производства компания Exwire (г. Псков, http://www.exwire.ru/) и NYM производства ООО «Конкорд» и ЗАО «Севкабель», которые пригодны для монтажа электропроводки внутри деревянного дома, приведены в прил. П 1.4.

К выбранному кабелю необходимо подобрать набор электроустановочных скоб с гвоздями в зависимости от формы сечения кабеля (рис. 1.23) [22]. Скобу крепят гвоздем к деревянным или отштукатуренным поверхностям, гипсокартону, ГВЛ.

Рис. 1.23. Электроустановочные скобы прямоугольного (а) и круглого (б) профиля


В прил. П1.5 приведен ассортимент электроустановочных скоб прямоугольного и круглого профиля производства фирмы ООО «МЕГО» (г. Санкт-Петербург, http://www.mego.spb.ru/).


1.7.4. Электроустановочные устройства


Для открытой электропроводки в деревянном доме нужны и соответствующие электроустановочные устройства: розетки, выключатели и ответвительные коробки.

Конструкция электроустановочных устройств должна обеспечивать безопасность. В связи с этим их неизолированные токоведущие части должны быть недоступны для прикосновения. Существует много различных вариантов исполнения, которые соответствуют основным факторам:

• условия эксплуатации (в сухом или сыром помещении);

• место установки (на стене, потолке, шнуре к светильнику, корпусе бытового электроприбора);

• вид проводки (открытая или скрытая);

• необходимость в защитном заземлении (занулении);

• назначение (управление одной лампой, несколькими лампами или группой ламп в люстре).

Электроустановочные устройства рассчитаны на длительную эксплуатацию (20–30 лет). Зачастую некоторые устройства выходят из строя раньше установленного срока. Это происходит из-за несовершенства конструкции, крепления, высоких нагрузок или производственных дефектов. Но это не значит, что такое электроустановочное устройство сразу нужно менять на новое, чаще его можно отремонтировать, отрегулировать. Для выполнения ремонта желательно знать основные типы электроустановочных устройств, принцип их работы и причины возможных поломок [23].

По условиям эксплуатации или степени защиты от внешних воздействий электроустановочные устройства классифицированы IP-кодом. Структура кода состоит из указателя IP и следующих за ним двух цифр. Первая (от 0 до 6) показывает степень защиты устройства от проникновения внутрь него посторонних предметов и пыли, вторая (от 0 до 8) – стойкость к воздействию влаги. Большинство выключателей и розеток для помещений с нормальными климатическими условиями имеют степень защиты IP20. Устройства в брызгозащищенном или влагозащищенном исполнении, предназначенные для помещений с повышенной влажностью, например ванных комнат, должны быть выполнены по нормам, описанным в ПУЭ (начиная от IP44).


Электророзетки


Отечественная компания OOO «ГУСИ электрик» (г. Смоленск, http://www.gusi.ru/) выпускает набор очень компактных электроустановочных изделий для открытой проводки (серия С9 «Ego»). Серия выделяется из общего ряда аналогичной продукции своим широким ассортиментом (21 наименование), выполненным в четырех цветах: белый, светло-серый, бежевый и матовое серебро. На рис. 1.24 и 1.25 приведен общий вид розеток для открытой проводки, которые могут быть установлены в деревянном доме.

Рис. 1.24. Внешний вид розеток для открытой проводки 16А 250В производства OOO «ГУСИ электрик»: а – С9Р1 без БЗК; б – С9Р3 с БЗК; в – С9Р9" влагозащищенная с БЗК


Рис. 1.25. Модели розеток для открытой проводки различных производителей: а – «Прима РА-10-164-б», Schneider Electric, (WESSEN), Марий Эл; б – «Пальмира РА-16-654» Электропульт завод ОАО, г. Санкт-Петербург; в – STANDARD


При выборе розетки следует обратить внимание в первую очередь, на какую силу тока она рассчитана. Этот показатель зависит от применяемых материалов и конструкции.

Основание, к которому присоединяются токопроводящая, крепежная арматура и лицевая панель, может быть керамическим или пластмассовым. Практически все европейские фирмы отдают предпочтение пластиковым основаниям, выполненным из поликарбоната со специальными добавками, не поддерживающими горения. Желательно подобрать такой цвет и дизайн корпуса розеток, чтобы они гармонировали со стенами и интерьером.

Токопроводящие части розетки могут состоять из латуни без покрытия, луженой латуни или бронзы. Иногда встречаются и латунные элементы с другими покрытиями. Пожалуй, самыми плохими следует признать латунные контакты. В присутствии малейшего количества влаги, особенно при соприкосновении с алюминиевыми проводами, латунные контакты быстро тускнеют и даже зеленеют, что плохо сказывается на их проводящих свойствах. К тому же они плохо пружинят, из-за чего через какое-то время розетки разбалтываются. Чтобы избежать этого, в некоторых розетках применяют пружинящие шайбы, не позволяющие контактным лепесткам розетки отходить слишком далеко друг от друга. Обычно так устроены универсальные розетки.

Несколько лучше ведут себя луженые контакты, внешне выглядящие как матово-белый металл. Они меньше подвержены коррозии и при необходимости легче паяются. Луженая поверхность таких контактов отличается достаточной мягкостью, поэтому плотно прилегает к штырям вилки.

Лучшими, хотя и редко встречающимися, являются бронзовые контакты. Внешне они напоминают латунные, но обычно имеют матовый и более темный цвет. Основное их достоинство – превосходные пружинные свойства, позволяющие прочно удерживать вилку в розетке.

Как правило, крепление проводов к контактной части розетки осуществляется винтовым соединением. Некоторые фирмы, ABB и JADO, в большинстве своих изделий используют контактный узел прижимного типа, без винтов. Он является саморегулирующимся механизмом и постоянно плотно удерживает провод, обеспечивая тем самым необходимый контакт в течение всего срока службы изделия. В розетках испанской компании BJC благодаря специальной форме прижимного элемента обеспечивается максимальная площадь контакта и надежная фиксация провода, независимо от того, гибкий или жесткий тип кабеля применяется при монтаже.

Следует предпочесть розетки с прижимной пружиной, которая обладает наибольшей надежностью. Если розетки будут располагаться непосредственно у плинтуса, нужно выбрать изделия с перемещающейся заслонкой, предохраняющей от попадания внутрь посторонних предметов.


Выключатели


Выбор выключателей на рынке России довольно большой, поэтому выбирать подходящее устройство нужно по его основным параметрам:

• конструкции механизма (клавишный выключатель, перекидной, поворотный, кнопочный, шнуровой);

• конструкции корпуса (для скрытой или открытой проводки, для установки на проводе, для встраивания в электроприборы);

• числу полюсов и коммутирующих цепей;

• номинальному коммутируемому току.

Механический износ контактов выключателей происходит из-за их истирания, расклепывания, оплавления вольтовой дугой, возникающей в момент разрыва контактов или вибрации контактной пластины после удара контакта о контакт. Наибольший износ возникает при медленном разведении контактов, когда вольтова дуга продолжается значительное время. Поэтому предпочтительнее конструкция, обеспечивающая более быстрое разведение контактов.

Самым опасным для выключателя является постоянное искрение из-за ненадежного прилегания контактов во включенном состоянии. Причиной может быть недостаточное усилие перекидной пружины, окисление, загрязнение контактов. Дефект можно заметить по миганию лампы, в цепи которой стоит неисправный выключатель. Такая неисправность подлежит немедленному устранению во избежание окончательной поломки выключателя.

В настоящее время на рынке представлены выключатели различной сложности и стоимости, так что выбрать можно устройство по своему вкусу (рис. 1.26).

Рис. 1.26. Модели выключателей для открытой проводки: а – С9В1 (ООО «ГУСИ электрик»); б – Sintra 65 (General Electric); в – ENSTO (Финляндия); г – ALH 3111


Укажем отличительные особенности некоторых изделий. Корпус выключателя Sintra 65 сделан из ABS-пластика, который увеличивает прочность материала к воздействию температур и солнечных лучей. Не имеет аналогов на российском рынке. Полная защита от воды и пыли, класс защиты IP65. Выключатель ENSTO снабжен пружинными клеммами. Возможно подключение поискового света, изделие поставляется с прозрачной линзой. Нажимной выключатель имеет функцию нормально замкнутого и нормально разомкнутого контакта. N-клемма. Класс защиты IP44.


1.7.5. Ответвительные коробки


Ответвительная коробка предназначена для выполнения в ней соединений и ответвлений кабелей круглого или прямоугольного сечений. Коробка состоит из корпуса и крышки. Корпус может иметь несколько отверстий для ввода и отвода кабеля. Коробки ответвительные изготавливаются из трудносгораемой пластмассы. После окончания электромонтажных работ ответвительные коробки закрывают крышками, в зависимости от конструкции прикручивают винтами или защелкивают. Ответвительные коробки бывают для внутренней и внешней проводок.

В комплект ответвительной коробки, как правило, входят: коробка с крышкой (в зависимости от типа крышки могут быть винты для ее крепления), набор втулок для уплотнения ввода провода, шурупы для крепления коробки на стену и пластмассовые заглушки отверстий шурупов крепления (рис. 1.27).

Рис. 1.27. Комплект ответвительной коробки 100/100 мм, IP44


При выборе ответвительной коробки необходимо обратить внимание на количество в ней отверстий для подключения проводов и ее размер. Удобными при монтаже являются коробки размером 100/100 мм.


1.7.6. Монтаж проводки


Прежде чем приступать к прокладке электропроводки, необходимо иметь ее принципиальную электрическую схему. Составление схемы обычно начинают с электрического щитка. В доме может быть несколько разных видов электрических цепей, подающих энергию к розеткам для переносных электроприборов, светильникам и их выключателям, к мощному электрооборудованию типа электроплиты или бойлера и, возможно, к наружным розеткам и светильникам. В стандартном современном доме есть, по крайней мере, две электрические цепи для розеток и освещения.

Электрические щитки, как правило, бывают типовыми и на них число установленных автоматических выключателей должно соответствовать количеству определенных электрических цепей.

Принципиальную схему каждой из групповых цепей рисуют на общем плане. Следует по возможности применять радиальную структуру построения электропроводки от одного щитка. При этом провод идет от автомата к каждой розетке или соединительному устройству с предохранителем по очереди, заканчиваясь у самой дальней розетки. Размер провода и номинал предохранителя зависят от площади помещения, где установлена цепь. Площадь радиальной цепи с проводом сечением 2,5 мм2 не должна превышать 50 м2. Такая цепь может обеспечить неограниченное число розеток. Электроприбор с большой потребляемой мощностью должен иметь собственную радиальную схему подключения. Домашние осветительные цепи также делают по радиальному типу [24, 25].

Система с соединительными коробками имеет соединительную (ответвительную) коробку для каждого светильника. Коробки располагают на одном питающем кабеле в удобных местах. Кабель (провод) идет от каждой коробки к потолочной декоративной розетке (светильнику), а второй кабель – от коробки к выключателю. На практике большинство осветительных цепей представляют собой комбинацию этих двух систем.

После составления схемы и определения необходимого количества устройств и материалов закупают выбранные провода, электроустановочные изделия и клеммные колодки в виде полосы 12 шт. (сечением 6 мм2, 10 мм2 и 12 мм2) и приступают к монтажу электропроводки в деревянном загородном доме.

Основные операции при монтаже проводки:

• разметка мест установки токоприемников, штепсельных розеток и выключателей;

• разметка мест прокладки проводов по стенам и потолку;

• разметка мест проходов проводов через стены и междуэтажные перекрытия;

• разметка мест ответвлений проводов и установки коробок;

• прокладка проводов со всеми соединениями;

• крепление проводов к изолирующим опорам или закрепление их скобами;

• оконцевание проводов и присоединение их к токоприемникам.

Электропроводка должна обеспечивать возможность легкого распознавания по всей длине проводников по цветам согласно ПЭУ-7:

• голубого цвета – для обозначения нулевого рабочего проводника;

• двухцветная комбинация зелено-желтого цвета – для обозначения нулевого защитного проводника;

• черного, коричневого, красного, фиолетового, серого, розового, белого, оранжевого, бирюзового цветов – для обозначения фазного проводника.

Инструменты, необходимые для монтажа проводки:

• набор отверток;

• стриппер (щипцы для снятия изоляции с провода);

• плоскогубцы;

• кусачки;

• молоток;

• нож;

• электродрель с перьевыми сверлами диаметром 18 и 20 мм;

• изоляционная лента;

• мел или карандаш;

• индикаторная отвертка;

• линейка.

В список инструментов включена электродрель с перьевыми сверлами, она понадобится при сверлении отверстий между помещениями. Если длины сверл не хватит для сквозного сверления, придется использовать змеевидное сверло "Зубр" (спираль Левиса) соответствующего диаметра.

Перед началом монтажа электропроводки в доме в целях безопасности необходимо обесточить электрощиток, электросчетчик и автоматические выключатели. Для этого необходимо отключить вводное устройство, другими словами выключить автоматический выключатель АП 50, установленный на доме (см. рис. 1.2). Автоматические выключатели на электрощитке также следует поставить в положение " отключено".

Разметку трассы электропроводки начинают с выбора мест установки светильников, выключателей и штепсельных розеток. Размечают места крепления стационарных осветительных приборов (потолочных и настенных) и выключателей (или многоклавишного выключателя) к ним.

Отводы от выключателей к светильникам прокладывают вертикально. Высоту выключателей выбирают либо на уровне ладони опущенной руки (0,7–0,9 м от пола), либо примерно на уровне глаз (1,6–1,8 м от пола), как кому нравится.

Штепсельные розетки устанавливают, учитывая планировку комнаты и количество возможных электроприборов. Штепсельные розетки целесообразно устанавливать на высоте 300 мм от пола, а над письменным столом и в подобных местах на высоте 1 м. Линию проводки для штепсельных розеток прокладывают непосредственно на выбранной высоте их размещения, параллельно полу. Желательно продумать количество штепсельных розеток, предусмотреть двойные, тройные и счетверенные изделия, чтобы потом не приходилось злоупотреблять удлинителями и тройниками.

Все соединения (ответвления) проводов выполняют только в ответвительных коробках. В комнате следует иметь отдельные группы (магистрали) для освещения и для розеток. Если предусматривается подключение компьютеров, они должны питаться от штепсельных розеток самостоятельной группы, со своим автоматическим выключателем на электрощитке.

После разметки крепят саморезами ответвительные коробки (рис. 1.28), розетки, выключатели и светильники на потолке.

Рис. 1.28. Ответвительная коробка, закрепленная на деревянной стене


Отрезают необходимые куски провода равные длине от каждого определенного выключателя до его ответвительной коробки, от определенной розетки до ее ответвительной коробки, от каждого светильника до его ответвительной коробки, между ответвительными коробками в группах, и от групп ответвительных коробок до автоматических выключателей на электрощитке. Куски проводов отрезают несколько большей длины, чем было измерено, с учетом подключения установочных элементов и монтажа в ответвительных коробках. К каждому получившемуся отрезку провода приклеивают скотчем полоску бумаги и на ней шариковой ручкой помечают, к какому конкретно электроустановочному изделию этот провод относится.

С двух концов, у каждого получившегося куска провода, аккуратно снимают стриппером, в крайнем случае ножом, изоляцию на длину примерно 25–30 мм.

Выравнивают отрезки провода, и затем каждый отрезок подключают к определенной розетке, выключателю и светильнику. Заметим, что у некоторых моделей современных выключателей указывается контакт подключения фазового провода (рис. 1.29).

Рис. 1.29. Выключатель с указанием его подключения


Подключенные провода к установочным изделиям крепят к деревянной стене с помощью электротехнических пластмассовых скобок, а свободные их концы заводят в ответвительные коробки (рис. 1.30).

Рис. 1.30. Концы проводов, заведенные в ответвительную коробку


Перед заводом концов проводов у заглушек, закрывающих отверстия коробок, прорезают отверстия, соответствующие диаметру проводов, и в них пропускают концы. Кабели и провода прокладывают по горизонтальным и вертикальным линиям. Скобки устанавливают с шагом 30 см.

Монтируют провода между ответвительными коробками, а от выделенных групп энергопотребителей проводят провода к определенным автоматическим выключателям на электрощитке, не подключая их.

Оголенные концы проводов в ответвительных коробках скручивают согласно схеме (рис. 1.31). Каждую скрутку вставляют в отверстие клеммной колодки, на всю ее длину, и производят крепеж двумя винтами. Такое соединение, как показала практика, получается достаточно надежным. Кончики скруток, вышедшие из клеммной колодки, откусывают кусачками. Укладывают провода в коробки и закрывают их крышками.

Рис. 1.31. Скрутки проводов в ответвительной коробке


Сделав все соединения в ответвительных коробках, подсоединяют фазовый провод каждой групповой цепи к своему автоматическому выключателю, а нулевой провод – к нулевой шине.

Включают вводное устройство и автоматические выключатели. Если включить светильник, то он должен загореться.


1.7.7. Устройство защитного отключения (УЗО)


Минимальный ток, протекание которого уже ощущается человеческим организмом, составляет 5 мА. Следующей нормируемой величиной является так называемый ток неотпускания, равный 10 мА. При протекании через человеческое тело тока такой силы происходит самопроизвольное сокращение мышц. Электроток силой 30 мА уже может вызвать паралич дыхания. Необратимые процессы, связанные с кровотечениями и сердечной аритмией, начинаются в организме человека после протекания через его тело тока силой 50 мА. Летальный же исход возможен при воздействии тока силой 100 мА. Очевидно, что защищаться следует уже от тока, равного 10 мА [26].

Для защиты людей от поражения электрическим током в тех случаях, когда произошло повреждение изоляции, при случайном прикосновении к неизолированным токоведущим частям электрооборудования предназначено устройство защитного отключения (УЗО). Функционально УЗО можно определить как быстродействующий защитный выключатель, реагирующий на дифференциальный ток утечки в проводниках, проводящих электроэнергию к защищаемой электроустановке.

Устройства с током утечки 10 и 30 мА защищают человека, а УЗО с током утечки 100 и 300 мА ставят в качестве вводного устройства, например на вводе в коттедж, и предназначены для защиты от пожара. Для квартиры можно поставить одно УЗО с током утечки 30 мА в квартирном электрическом щитке на лестничной площадке. Но в случае возникновения тока утечки устройство обесточит квартиру полностью. Поэтому лучше установить УЗО на групповую электрическую цепь: группу освещения, группу розеток, стиральную машину, помещение с повышенной опасностью поражения током и т. п. Если возник ток утечки в групповой цепи, например в группе розеток, то будет отключена только эта группа, а другие электроприборы будут работать. На розеточную группу и осветительную сеть можно поставить УЗО на 30 мА. Для защиты розеток в ванной комнате, а также розеток для электропитания оборудования, работающего на земле, ставят УЗО с током утечки 10 мА, если для них выделены отдельные линии, если одна линия, например для ванной, коридора и кухни, то нужно ставить УЗО с током утечки 30 мА.

Итак, своевременное реагирование автоматики на ток менее 500 мА защищает объект от возгорания, а на ток менее 10 мА – защищает человека от последствий случайного прикосновения к токоведущим частям.

На сегодня установка УЗО во многих зарубежных странах давно стала обязательной в каждом деревянном доме и квартире [27].

Электротехническая промышленность выпускает различные устройства защитного отключения (рис. 1.32), но все они имеют одну основную характеристику: номинальное значение дифференциального тока, при котором происходит срабатывание УЗО.

Рис. 1.32. Модели УЗО, совмещенные с автоматическим выключателем


Кроме этого, при выборе УЗО необходимо обратить внимание на его тип. Чаще всего в жилых помещениях применяют УЗО класса АС, гарантирующее защиту от тока утечки синусоидальной переменной формы. Этот тип, кстати, наиболее дешевый. Но, как известно, на безопасности экономить не стоит, поэтому более предпочтительны устройства типа А, поскольку они срабатывают как при переменном, так и при постоянном дифференциальном токе, ведь использование различных видов тока присуще компьютерам, аудио-, видеосистемам и т. п.

Если говорить о конструкции, то УЗО может быть электронным либо электромеханическим. Первые базируются на электронной схеме, для функционирования которой необходима энергия, поступающая от внешних источников или от контролируемой сети, вторые же обходятся без питания, поскольку достаточно появления дифференциального тока. Поэтому, несмотря на то, что электромеханические устройства защитного отключения несколько дороже электронных аналогов, они считаются более надежными, т. к. могут выполнять свою защитную функцию даже в случае обрыва проводников. В то время как электронное УЗО при отсутствии тока либо выходе из строя электрической схемы уже не сработает.

В цепи, где действует УЗО, нулевой рабочий провод не должен иметь контакта с нулевым проводом заземления и заземленными элементами на участке.

Приобретая устройства защитного отключения, следует остановить свой выбор на УЗО, которые представляют собой единую конструкцию с АВ (автоматическим выключателем), который обеспечивает защиту от сверхтока.


Глава 2

Автономные источники электроэнергии загородного дома


Очень часто загородный дом находится вдали от централизованных источников электроэнергии. В связи с этим возникает необходимость иметь автономные источники электроснабжения. Помимо прочего, их наличие позволяет сделать дом неуязвимым от воздействия различного рода неблагоприятных факторов, связанных с частым отключением электроэнергии и ее длительным отсутствием. Обеспечить постоянное электропитание дома можно с помощью различных устройств: генераторов на жидком топливе, ветрогенераторов, солнечных батарей, термогенераторов и др. Выбор источника электрической энергии зависит от конкретных природных условий и экономической состоятельности владельца дома.


2.1. Постановка и решение проблемы


Полностью энергетически независимый загородный дом создать можно, но стоимость такого проекта будет довольно высокой. Такой «островок жизни» должен иметь генераторные электростанции на жидком топливе, ветрогенераторы, солнечные батареи и инверторно-аккумулярные системы (рис. 2.1) [1].

Рис. 2.1. Автономная система энергопитания загородного дома


Примечание

Инверторы – это преобразователи напряжения постоянного тока (преобразователи постоянного напряжения) от аккумуляторных или солнечных батарей, топливных и других генераторов, гидрогенераторов малой мощности в переменное напряжение 220 В 50 Гц.


Сравнивать эффективность получения электричества от любого из существующих автономных источников и из центральной сети невозможно в принципе [2].

Существует четыре варианта выбора использования автономной системы.

• Полностью автономная система в местах, где нет централизованного электроснабжения.

• Резервная система совместно с централизованной без аккумуляторов.

• Резервная система совместно с централизованной с использованием аккумуляторов.

• Полное отключение от централизованной системы электроснабжения и переход на автономную.

Если создается автономный вариант системы получения электроэнергии и в доме существует своя электрическая сеть, то в этом случае необходимо сделать экономический расчет и определить целесообразность отключения или неотключения этой электросети. Практика показывает, что лучше оставить имеющуюся электрическую сеть дома и включить ее в состав комбинированной сети с солнечными батареями. В этом случае проявятся отчетливо преимущества солнечных электростанций.

Проведенные расчеты показали [3], что автономная система электроснабжения дома более выгодна, чем подключение к центральным сетям при определенных условиях:

• суммарная мощность потребителей (электрических нагрузок) не превышает нескольких киловатт;

• потребляемая электроэнергия дома меньше нескольких киловатт в час за сутки;

• расстояние до точки подключения к сетям централизованного электроснабжения более нескольких сотен метров.

Нужно учитывать и другие аспекты данного вопроса. При подключении к сетям централизованного электроснабжения вы обязаны оплатить услугу. Например, в Московской области это более 30 тыс. руб. за каждый киловатт установленной мощности. Стоимость прокладки низковольтной ЛЭП в разных регионах колеблется от 300 до 500 тыс. руб. за 1 км. Кроме того, в дальнейшем придется платить за потребляемую электроэнергию по расценкам энергосетей.

Собственная автономная система электроснабжения имеет достоинства и недостатки.

Достоинства:

• не нужно платить за подключение к сетям централизованного электроснабжения и строительство ЛЭП;

• независимость от цен на электроэнергию;

• вы сами являетесь хозяином своего оборудования;

• возможность вырабатывать электроэнергию тогда, когда в этом есть необходимость.

Недостатки:

• затраты на техническое обслуживание и ремонт оборудования. Особенно это относится к системам, содержащим дизель– или бензоэлектрический агрегат, как основной или резервный источник электроснабжения;

• необходимость постоянно следить за состоянием аккумуляторной батареи. (Заметим, что фотоэлектрические батареи требуют минимального обслуживания.)

Если выбран вариант обустройства собственной автономной системы электроснабжения, то источников электроэнергии может быть один или несколько. Обычно состав автономной системы следующий:

• жидкотопливный генератор (ЖТГ);

• ветроэлектрическая установка;

• фотоэлектрическая батарея.

Основным может быть любой из перечисленных источников. Остальные могут использоваться как дополнительные или резервные. В автономную систему электроснабжения загородного дома, кроме источника питания, входят инверторно-аккумулярная аппаратура и электротехническое оборудование (щиты, выключатели, автоматы, предохранители, кабели, система заземления и т. д.).

Аккумуляторная батарея (АБ) является необходимым элементом в системах на возобновляемых источниках энергии в силу непостоянства возобновляемого ресурса. Даже если основной источник – ЖТГ, то наличие аккумуляторной батареи позволяет включать его на непродолжительное время в течение дня и получать электроэнергию непрерывно.

Инвертор, т. е. преобразователь постоянного тока в переменный, необходим в том случае, если имеются потребители переменного тока на напряжение 220 В. Нужно принять во внимание, что если потребители находятся на значительном расстоянии от АБ, то потери в проводах постоянного тока низкого напряжения могут оказаться значительными. Для предотвращения перезаряда и переразряда АБ необходим контроллер заряда АБ, который, как правило, встроен в инвертор.

В автономной системе электроснабжения необходимо применять только энергоэффективные приборы. Например, лампы накаливания очень не рекомендуются, т. к. при равной светоотдаче они потребляют ток в четыре раза больший, чем люминесцентные лампы. Несмотря на то, что обычно энергоэффективные приборы дороже, их эксплуатация может обернуться значительной экономией за счет снижения мощности источника энергии и емкости АБ.

Для увеличения времени автономной работы система бесперебойного электропитания также содержит еще один или несколько разновидностей возобновляемых источников энергии (ВИЭ): солнечные батареи (СБ), ветроэлектрические установки (ВЭУ) и термоэлектрические генераторы (ТЭГ). ВИЭ подключают к аккумуляторной батарее через контроллер заряда, который защищает АБ от перезаряда.

В средней полосе России летом приходит около 5 кВт·ч солнечной энергии на 1 м2. Около 10 % от этой энергии может быть преобразовано в электроэнергию в фотоэлектрических батареях. Зимой приход солнечной энергии в несколько раз меньше, чем летом.

Мощность ветроэлектрической установки пропорциональна квадрату диаметра ветроколеса и зависит от параметров электрического генератора. Номинальная мощность ветроэлектрической установки обычно достигается при ветре около 10 м/с. По ветровым условиям в средней полосе России за лето ветроэлектрическая установка вырабатывает менее 20 % количества электроэнергии от своего годового потенциала. Зато в остальное время года ветроэлектрическая установка работает эффективнее солнечной батареи. В Московской области, где среднегодовая скорость ветра равна 3 м/с, ветроэлектрическая установка вырабатывает 10–15 % от указанного производителем номинального количества годовой электроэнергии. Например, ветроэлектрическая установка мощностью 1 кВт за год выработает не 8760 кВт·ч, а лишь 876-1314 кВт·ч.

Указанные устройства ВИЭ можно использовать как по отдельности, так и в составе специальной аппаратуры, которая доступна на отечественном рынке, создавая из них умные электрические сети для личного использования.

Если вы решили оборудовать загородный дом автономной системой электроснабжения, то необходимо хорошо все подумать. Это оправдано, когда имеется большее поместье, и вы там живете полнокровной жизнью. Если же у вас небольшая загородная дача с шестью сотками земли, то строительство такой энергосистемы вряд ли целесообразно. В этом случае идеальным решением будут компактные дизельные генераторы, способные поместиться в багажнике автомобиля. После окончания выходных или летнего сезона такой генератор можно увезти обратно в городской гараж, чтобы там предохранить его от порчи или хищения.


2.2. Дизельные и бензиновые электрогенераторы


2.2.1. Особенности и преимущества электрогенераторов с двигателями внутреннего сгорания


Электрическая генераторная установка представляет собой двигатель на жидком или газовом топливе, соединенный с генератором электрического тока в единый агрегат (рис. 2.2). Принцип работы электрогенератора на жидком топливе заключается во вращении дизельным или бензиновым двигателем ротора электрогенератора, что приводит к появлению в обмотках генератора электрического тока, который подается к потребителю. Генератор переменного тока – альтернатор может быть синхронным или асинхронным.

Рис. 2.2. Устройство переносной дизельной или бензиновой электростанции


Различают портативные и стационарные электрогенераторные установки. Портативные установки монтируются на металлической раме, а стационарные прикручиваются болтами к станине с помощью демпфирующих прокладок, которые уменьшают передачу вибрации на раму и фундамент. Электрогенераторные установки могут служить резервными или постоянными источниками электроэнергии.

Электрогенераторы с двигателями внутреннего сгорания различаются по типам их двигателей, работающих на бензине или дизельном топливе.


2.2.2. Бензиновые электрогенераторы


Мощность бензиновых генераторов колеблется от 0,6 до 30 кВт. В генераторах этого типа применяют двух– и четырехтактные бензиновые двигатели воздушного охлаждения. В двухтактных двигателях бензин перемешивают с маслом. Наработка на отказ не более 500 ч. В четырехтактных двигателях бензин и масло заливают раздельно, т. е. бензин – в топливный бак, а масло – в картер.

Для продолжительной эксплуатации, примерно 8 ч ежедневно, предназначены двигатели профессионального класса с верхним расположением клапанов. Они оснащены системой автоматического останова при понижении уровня масла, имеют заметно больший ресурс по сравнению с двухтактными и считаются самыми надежными в своем классе. У них наработка на отказ составляет от 3000 до 4000 ч.


Примечание

Наработка на отказ – время, после которого необходима переборка двигателя.


Еще большим ресурсом обладают V-образные двухцилиндровые двигатели, устанавливаемые на мощные установки (9-15 кВА).

Основные преимущества бензиновой электростанции – простота и надежность в эксплуатации. Бензиновая электростанция в среднем потребляет 350 г топлива на 1 кВт·ч. Следует отметить, что большинство бензиновых электрогенераторов оснащено четырехтактными двигателями. Заправляют их обычным бензином А-92.

Станции, оснащенные карбюраторными двигателями, работающими на бензине, имеют небольшие размеры и вес и потому удобнее при транспортировке. Например, переносной электрогенератор HONDA EU10i (рис. 2.3) весит 13 кг, работает от четырехтактного одноцилиндрового двигателя с верхним расположением клапанов.

Рис. 2.3. Электрогенератор Honda EU10i


Бензиновая электростанция HONDA EU10i – мощный и надежный источник электрической энергии, выполненный в виде изящного чемоданчика. Переносной электрогенератор HONDA EU10i вырабатывает 1 кВА энергии в час. Вырабатывает энергии ровно столько, сколько нужно в данный момент: если подключить прибор мощностью 0,5 кВА, генератор будет работать наполовину мощности, расходуя меньше топлива.

Технические характеристики бензиновой электростанции HONDA EU10i:

• тип генератора – синхронный;

• номинальная мощность – 0,9 кВА;

• максимальная мощность – 1,0 кВА;

• напряжение, частота тока – 230 В; 50 Гц;

• регулирование напряжения – инвертор;

• номинальный ток – 3,9 А;

• выход постоянного тока – только для подзарядки 12 В аккумуляторной батареи; максимальный выходной ток 8 А;

• топливо – неэтилированный бензин АИ-92;

• объем топливного бака – 2,1 л;

• работа на одной заправке – от 3 ч 8 ч (экономичный режим);

• габаритные размеры – 450x240x380 мм;

• масса – 13 кг;

• уровень шума – 52 дБ;

• степень защиты IP23;

• разъемы – 1 розетка с защитой.

Генератор оснащен блоком электронного контроля, уменьшающим отклонения выходного переменного тока от идеальной синусоиды до 2,5 %. Это позволяет запитывать от HONDA EU10i электронную технику, чувствительную к качеству тока. Генератор, двигатель и выпрямитель смонтированы на общей раме. В представленной модели выпрямитель интегрирован в двигатель, что примерно в два раза снизило массу всего аппарата. Обороты двигателя HONDA EU10i в зависимости от нагрузки регулирует уникальная система "экотротал", позволяющая экономить до 40 % топлива, а также снизить уровень шума и выброс выхлопных газов. Корпус электрогенератора имеет двухслойную конструкцию, что способствует эффективному шумоподавлению и обеспечивает хорошее охлаждение работающего прибора. Электрогенератор HONDA EU10i подходит для рыболовов и охотников, т. к. работает практически бесшумно: уровень шума работающего прибора не превышает 57 дБ. Цена модели HONDA EU10i – 42 000 руб. (http://www.gigavatt.ru/product/?id=38174).


2.2.3. Дизельные электрогенераторы


Термин «дизель-генератор» служит для обозначения менее мощных автономных дизельных источников электроснабжения, в то время как дизельными электростанциями называют более мощные источники электрической энергии.

Дизельный генератор классифицируется по назначению (резервный/стационарный), типу охлаждения (воздушный/жидкостной) и мощности двигателя. Выходная мощность дизельного генератора составляет, как правило, от 3 до 500 кВт, в отдельных случаях может достигать 3000 кВт.

Дизельные двигатели с воздушным охлаждением занимают промежуточное положение между бензиновыми станциями и дизелями с жидкостным охлаждением. Дизельные двигатели с жидкостным охлаждением используются в генераторных установках индустриального класса. Они наиболее надежны и долговечны. У них наработка на отказ составляет 20 000-40 000 ч.

Каждый из названных двигателей имеет свои особенности и преимущества. Например, при длительной работе и в стационарных условиях лучше всего пользоваться дизельными электрогенераторами. Это низкооборотные станции, расходующие мало топлива и имеющие продолжительный срок службы. Немалым достоинством таких электрогенераторов следует считать и наиболее низкие цены на топливо (солярка) для них. Основные недостатки таких моделей – их относительно большой вес и габариты.

Обслуживание дизельных и бензиновых электростанций достаточно простое и не требует никакой профессиональной подготовки. Согласно инструкции, их периодически проверяют и при необходимости меняют контактные кольца и щетки.


2.3. Выбор электрогенераторов


2.3.1. Критерии выбора


В настоящее время рынок предлагает покупателям большой выбор автономных электростанций. При выборе электростанции желательно учесть ряд основных параметров, т. к. различные агрегаты могут использоваться совершенно для разных нужд [4].

Основные параметры при выборе электрогенератора:

• номинальная мощность, измеряемая в киловаттах (кВт);

• ресурс, измеряемый в моточасах до капитального ремонта;

• количество фаз (однофазная 220 В или трехфазная 380 В);

• вид топлива (бензин или дизельное топливо);

• управление пуском и остановом;

• шумоизоляция.

Перед покупкой вашей будущей электростанции необходимо тщательно подумать, для чего планируется ее приобретение. Будет ли она использоваться как резервный или основной источник питания, где будет располагаться – внутри помещения или снаружи, должна ли она быть передвижной или стационарной, нужна ли система автозапуска при отключении центрального энергоснабжения. Где планируется размещение электростанции: на дачном участке, в загородном доме, на строительной площадке или на предприятии.

Стоимость электростанции существенно зависит от ее мощности, комплектующих деталей, а также от фирмы-производителя. Сначала следует определиться с мощностью генератора. Нужно четко просчитать суммарную мощность электроприборов, которые могут быть подключены к электростанции, а также выяснить будут ли среди них приборы, сложные для работы генератора. Это могут быть любые насосы, электродвигатели, лазерные принтеры, холодильники, компрессоры, дрели или пилы, так называемые индуктивные приборы, которые при включении кратковременно увеличивают потребляемую мощность в 4–5 раз.

Примерную мощность электростанции можно определить следующим образом: нужно просуммировать мощность всех одновременно подключаемых приборов и прибавить 15–20 %. Это и будет требуемая мощность генератора. Если вы собираетесь использовать электротехнику индуктивного типа, учитывайте, что в момент пуска она нуждается в большей мощности, поэтому суммарную мощность таких приборов необходимо умножить на 2 или 2,5, чтобы станция сохраняла работоспособность. Для примерной оценки суммарной мощности подключаемых приборов можно воспользоваться данными о мощности различных бытовых приборов, приведенными в прил. П2.1. После того как определена необходимая мощность генератора, приступают к выбору вида генераторной установки.

Быстро подобрать электрогенератор компании GMGen Power Systems и рассчитать необходимую мощность электростанции можно на сайте ЗАО "Джи Эм Центр" (http://www.gm-gen.ru/) (рис. 2.4). Здесь же можно подобрать оборудование по параметрам (рис. 2.5).

Рис. 2.4. Быстрый подбор электрогенераторов компании GMGen Power Systems и расчет необходимой мощности электростанции на сайте ЗАО «Джи Эм Центр»


Рис. 2.5. Подбор оборудования по параметрам в режиме on-line на http://www.gm-gen.ru/podbor_oborudovaniya.php


2.3.2. Выбор по типу топлива


Электрогенератор может работать в качестве резервного или постоянного источника электроэнергии (табл. 2.1). По типу потребляемого топлива генераторы подразделяются на бензиновые, дизельные и газовые.


Таблица 2.1. Выбор режима работы электрогенератора

Если генератор необходим как аварийный источник питания, который будет работать, когда отключается основное напряжение в электросети, то для таких случаев следует купить бензиновый генератор, который идеально подойдет и для работы на открытом воздухе, и при отрицательных температурах. Кроме того, бензиновые электростанции самые дешевые, компактные и маломощные.

Если же требуется постоянный бесперебойный источник питания, тогда вам следует обратить внимание на дизельные генераторы.

Наиболее надежными, мощными и долговечными считаются дизельные генераторы с жидкостным охлаждением. Они могут служить полноценным источником электроснабжения и до нескольких суток непрерывно работать без присутствия человека.

В зависимости от финансовых возможностей покупателя можно выбрать генераторную установку с дополнительными функциями и возможностями. Их может быть очень много, и они значительно повышают стоимость агрегата. Дополнительные опции могут быть как у бензиновых, так и у дизельных электростанций, но максимальный выбор опций возможен только у дизельных генераторов с жидкостным охлаждением.

К дополнительным опциям относят:

• возможность автоматического запуска генератора;

• увеличенные топливные баки, которые позволяют продлить время работы станции;

• контроль параметров генератора на жидкокристаллическом дисплее и дистанционно на компьютере;

• дистанционное управление станцией с компьютера или даже с мобильного телефона;

• различные системы защиты (от перегрузки, от утечки тока на землю и т. д.);

• оборудование для перевода бензиновых станций на работу от газа;

• различные шумоизолирующие приспособления, в разной степени снижающие уровень шума от работы электростанции;

• специальные контейнеры, позволяющие эксплуатировать генераторную установку при -60 °C и т. д.

Электрические станции выпускаются в мобильном и стационарном варианте. Мобильные электростанции крайне просты в работе. Портативные генераторы считаются довольно безопасными устройствами. Они оснащены системой автоматического отключения, которая не допускает перегрев установки, и механизмом управления электронного типа, обеспечивающим продуктивную работу двигателя. Их двигатели запускают возвратным стартовым приводным ремнем вручную или электростартером.

Портативные дизель– и бензогенераторы воздушного охлаждения (рис. 2.6), выпускаемые компанией GMGen Power Systems [5], могут выполнять только роль резервного источника электрической энергии. Портативные дизель-генераторы этой компании имеют мощность от 3 до 21 кВт, выходное напряжение 400/230 В при частоте 50 Гц и число оборотов двигателя 3000 об./мин. У портативных же бензогенераторов мощность почти в 2 раза меньше, от 0,5 до 11 кВт, но те же выходное напряжение и число оборотов двигателя. Характеристики изделий приведены в табл. 2.2.

Рис. 2.6. Портативные дизель– (а) и бензогенераторы (б) с воздушным охлаждением GMGen Power Systems


Таблица 2.2. Характеристики генераторов фирмы GMGen Power Systems

Стандартная комплектация портативных дизель– и бензогенераторов воздушного охлаждения компании GMGen Power Systems следующая:

• 16 A бытовая розетка;

• 16 А розетка трехполюсная (евростандарт);

• 32 А розетка трехполюсная (евростандарт);

• 16 А розетка пятиполюсная (евростандарт);

• 32 А розетка пятиполюсная (евростандарт);

• система автоматической остановки двигателя при недостаточном уровне масла;

• автоматический выключатель (размыкатель цепи);

• двухполюсный выключатель (тепловой магнитный предохранитель от перегрузки и короткого замыкания), УЗО;

• четырехполюсный выключатель (тепловой магнитный предохранитель от перегрузки и короткого замыкания), УЗО;

• счетчик моточасов;

• амперметр;

• вольтметр;

• плавкий предохранитель (защита от короткого замыкания и перегрузки);

• кнопка экстренного останова;

• сигнальная лампа низкого уровня масла;

• сигнальная лампа низкого заряда аккумуляторной батареи;

• электромагнитный клапан, управляющий подачей топлива.

В дополнительные опции портативных дизель– и бензогенераторов воздушного охлаждения компании GMGen Power Systems входит:

• система автозапуска для мини-электростанции с электростартом;

• гибкий отвод выхлопных газов – быстрое и герметичное решение отвода выхлопных газов для дизельных и бензиновых генераторов;

• тележечный комплект для мини-электростанций серии Compact мощностью от 4,5 до 7 кВА (рис. 2.7, а);

Рис. 2.7. Тележечный комплект для мини-электростанций серии: а – Compact; б – Professional


• тележечный комплект для мини-электростанций серии Professional мощностью от 4,5 до 13 кВА (кроме бензиновых генераторов мощностью 11–13 кВА) (рис. 2.7, б).

В более мощных и дорогих моделях электрогенераторов стартер встроен непосредственно в двигатель [6].


2.3.3. Выбор по типу генератора


В электростанциях используются два типа генераторов: асинхронный и синхронный. При покупке тип генератора выбирают в зависимости от того, какой вид электроприборов будет от него запитан.

Асинхронные генераторы подходят для потребителей типа ламп накаливания, электроплит или электроинструмента малой мощности. Они имеют эффективное охлаждение через свой ребристый корпус во влаго– и пылезащитном исполнении. Такой тип корпуса позволяет им работать даже в жестких полевых условиях.

Синхронные генераторы необходимы для электроснабжения так называемых индуктивных электроприборов (дисковая пила, бетономешалка, водяной очиститель высокого давления, мощные насосы и т. д.). Подобное электрооборудование при запуске потребляет ток, в 2–5 раз превышающий его номинальную мощность. В этот момент ток может превысить мощность самого генератора. Синхронные генераторы способны справляться с такими скачками тока. Кроме того, этот тип электрогенераторов обладает определенной универсальностью: от них могут работать и омические потребители.

Оба типа генераторов, в зависимости от числа розеток, способны одновременно снабжать электроэнергией до трех электроприборов с напряжением 220 В.

Некоторые модели могут дополнительно вырабатывать постоянный ток с напряжением 12 В, что позволяет заряжать аккумуляторы. Выпускают генераторы, способные работать даже со сварочными аппаратами.

Длительное потребление тока, превышающего номинальную мощность генератора, может привести к повреждению его обмоток. Во всех рассматриваемых моделях предусмотрена автоматическая защита от перегрузок, отключающая подачу такого тока.

Еще одна особенность генераторов – они могут быть однофазными или трехфазными. При мощности до 20 кВт лучше использовать однофазную электростанцию, т. к. при небольшом числе потребителей практически невозможно обеспечить равномерную нагрузку по всем фазам (разница не должна превышать 20 %).

Трехфазные станции значительно дороже однофазных, их следует выбирать в том случае, если имеются трехфазные потребители или суммарная мощность одновременно работающих потребителей превышает 20 кВт. При этом важно учитывать сечение питающих кабелей и равномерно распределять нагрузку по фазам. Принято считать применение трехфазных генераторных установок оправданным, если средняя нагрузка на каждую фазу составляет не менее 5 кВт.

Любой электрогенератор является источником шума. Поэтому, приобретая даже малошумящий электрогенератор, следует согласовать его использование с соседями и постараться снизить распространение от него шума. На наиболее малошумящих генераторах от немецких производителей обычно присутствует специальный значок, например "голубой ангел". Если вы собираетесь часто и длительно включать электрогенератор, то целесообразно установить его в погребе, устроенном вне дома, например в сарае или гараже загородного дома.

Если проблема шума имеет для вас значение, то обязательно выясните у продавца уровень шума в децибелах на холостом ходу и на номинале. Уточните, на каком расстоянии дается значение шума.

Значение шума указывают в единицах LWA (см. прил. П2.2). Для генераторов, оснащенных защитным кожухом, допустимым уровнем шума считается 85–90 LWA (для бензиновых) и 90–95 LWA (для дизельных). Для "открытых" генераторов стандартным считается уровень шума в пределах 100 LWA.


2.3.4. Запуск электрогенераторов


Самый простой запуск электрогенератора – ручной. Бензиновые генераторы известных производителей мощностью до 4 кВт заводятся очень легко. Бензиновые генераторные установки мощностью 7-10 кВт и дизельные генераторы около 5 кВт вручную может завести только физически сильный человек. Электрогенератор можно запустить и с помощью электрического стартера, поворотом ключа, подобно тому, как это делается в автомобиле.

Для бензиновых генераторных установок до 15 кВА и дизельных генераторов с воздушным охлаждением до 8 кВА, как правило, возможны оба типа старта: и ручной, и электрический. Автоматический запуск позволяет генератору самостоятельно включаться при пропадании электричества в основной сети. При появлении электроэнергии система автоматики дает команду на остановку электростанции. В общем случае, любой бензиновый или дизельный генератор с электрическим запуском может быть оборудован системой автоматического запуска. На рис. 2.8 показана стандартная панель управления QM130 бензиновой электростанции GMHX1000S.

Рис. 2.8. Бензиновая электростанция GMHX1000S и ее панель управления QM130: 1 – 16A розетка (бытовая, 2P+E); 2 – клеммы для зарядки автомобильного аккумулятора; 3 – автоматический выключатель


Технические характеристики бензиновой электростанции GMHX1000S:

• мощность бензиновой электростанции – 1,3 кВА / 1 кВт;

• номинальное напряжение – 230В;

• тип двигателя бензиновый (АИ-92) Honda GXH50 (Япония);

• тип генератора – переменного тока Sawafuji (Япония);

• расход топлива (при нагрузке 70 %) – 0,6 л/ч;

• емкость бака – 3,8 л;

• вес – 14 кг;

• уровень шума на расстоянии 7 м – 66 дБ;

• габариты – 47x27x38 см;

• способ запуска – ручной запуск;

• цена – 37 357,48 руб. (http://www.stroyboard.su/).


Нормальная работа генератора невозможна без хорошей вентиляции. Для очистки воздуха генератор оснащен фильтром, а вот для его постоянной циркуляции необходимо приобрести специальную вентиляционную систему, которая монтируется к устройству. Электронный блок позволит регулировать воздушный поток и препятствовать чрезмерному нагреванию двигателя генератора. Хорошая вентиляция у генераторов с открытой конструкцией, но они очень шумные и поэтому неудобные.


Внимание!

Бензиновые установки категорически запрещено устанавливать в помещении, это обусловлено требованиями пожарной безопасности.


Узнать больше об особенностях и преимуществах выбранной модели генераторов можно из каталогов компаний, производящих эту продукцию. Из компаний, представляющих на рынке России электростанции для использования в качестве основных и резервных источников питания, отметим отечественные: «Энерго», «Вепрь», ЯМЗ и иностранные: Eisemann, Gesan, Geko, Kubota, Energo, Elemax, Wilson.

Возникает вопрос: "Какую фирму следует предпочесть?" Среди множества производителей хорошо зарекомендовали себя генераторы компаний Geko и Eisemann (Германия), SDMO (Франция), "Вепрь" (Россия), Hitachi (Япония) и Blizzer [7].

Традиционно цена на новые генераторы, как дизельные, так и бензиновые, колеблется в пределах от 15 000 до 300 000 рублей. Разумеется, дизельный генератор обойдется вам дороже.


2.3.5. Расшифровка наименования


Все электрогенераторы имеют определенные наименования, в которых зашифрована определенная информация об изделии. Например, расшифровка наименования электроагрегата марки «Вепрь» приведена на рис. 2.9 [8].

Рис. 2.9. Расшифровка наименования электроагрегата марки «Вепрь»


Информацию об электрогенераторе можно почерпнуть и из шильдика, укрепленного на его корпусе. На рис. 2.10 представлен шильдик с корпуса электрогенератора компании Endress. Табличка содержит все его основные технические характеристики и условия работы, при которых они гарантируются (табл. 2.3). В данном случае речь идет о генераторе мощностью 2000 ВА [9].

Рис. 2.10. Шильдик электрогенератора компании Endress


Таблица 2.3. Расшифровка обозначений с шильдика электрогенератора компании Endress

 

 

2.4. Коммутация централизованной электрической сети и автономной системы электроснабжения дома


Если по какой-либо причине происходит сбой в централизованной системе электроснабжения, то для бесперебойного функционирования электрооборудования необходимо переключаться на подачу электроэнергии от бытовой электростанции. Осуществить эту операцию можно реверсивным рубильником ABB. Рассмотрим электрическую схему подключения такой электростанции в общую сеть дома для однофазного электрогенератора [10].


Примечание

Следует учесть, что трехфазные электродвигатели запитывать от однофазного генератора нельзя.


Коммутация цепей электроснабжения, по которым происходит подача электроэнергии от централизованной системы и от бытовой электростанции к потребителям, осуществляется с помощью реверсивного рубильника, подключаемого к выходным зажимам однофазного или, как в нашем случае, трехфазного электрического счетчика (рис. 2.11).

Рис. 2.11. Внешний вид реверсивного рубильника ABB и принципиальная схема коммутации автономной системы электроснабжения дома


Это обеспечивает поступление электроэнергии от генератора в общую сеть дома, минуя счетчик. В левом положении переключателя рубильника питание электроприемников осуществляется от сети 380 В, в среднем – питание электроприемников отключено, в правом – электроприемники запитываются от генератора. В качестве коммутирующего устройства могут быть использованы реверсивные рубильники ABB компании «Стэлмаркет» г. Москва, http://www.stelmarket.ru/katalog/abb_rub.htm (табл. 2.4).


Таблица 2.4. Реверсивные рубильники ABB

Примечание. Приведены цены компании «Стэлмаркет» в г. Москве на 1.10.2010 г.


2.5. Установка бензогенератора или дизель-генератора


2.5.1. Установка бензогенератора


Прочно установите бензогенератор на плоскую горизонтальную поверхность. Убедитесь, что вокруг агрегата достаточно пространства для свободной циркуляции воздуха, необходимой для охлаждения установки. Не устанавливайте бензиновый генератор в замкнутом объеме, выхлопная труба должна быть выведена наружу [11].

Убедитесь, что к выходным разъемам генератора не подключено электродвигателей. Необходимо предусмотреть отвод выхлопных газов, при этом длина металлорукава не должна превышать трех метров (из соображений потерь мощности двигателя). В помещении, где работает бензиновый генератор, нужно быть предельно осторожным: воздерживаться от курения, не проливать топливо, масло и другие горючие жидкости.

Бензогенератор во время работы следует заземлить через стержневой заземлитель, который должен быть выполнен из токопроводящего материала длиной не менее 1 м, диаметром 12–15 мм. Глубина забивания в грунт 500–600 мм. Соединение стержня с клеммой "Земля" на раме агрегата производить с помощью гибкого медного провода сечением не менее 4 мм2 с надежным закреплением. Запрещается использовать для заземления водопроводные, газовые, отопительные трубы и металлоконструкции.

Залейте масло с индексом вязкости по SAE 10W-30 (смена масла каждые 50 ч для бензиновых двигателей, 100 ч для дизельных двигателей).

Заполните топливный бак. Убедитесь, что кнопка останова не в положении "Stop".


2.5.2. Установка дизель-генератора


Внимание!

Перед запуском дизель-генератора выполните все предписания по технике безопасности. Топливо, электрооборудование, выхлопные газы и вращающиеся детали представляют опасность.


Меры предосторожности при эксплуатации двигателя:

• Запрещается заправлять топливный бак при работающем двигателе.

• Вдыхание выхлопных газов представляет опасность для здоровья.

• Ежедневно проверяйте уровень масла.

• Запрещается снимать крышку маслоналивной горловины при работающем двигателе.

• Контролируйте состояние и очищайте воздушный фильтр настолько часто, насколько необходимо.

• Очищайте ребра охлаждения для обеспечения циркуляции охлаждающего воздуха.

Меры предосторожности при эксплуатации генератора:

• Заземлите генераторную установку при помощи барашковой гайки, расположенной на раме установки.

• Используйте розетки и проводники с заземлением.

• Запрещается подвергать генераторную установку воздействию дождя или повышенной влажности воздуха.

• Будьте внимательны: поражение электрическим током может иметь смертельный исход.

• Рекомендуется для личной безопасности и сохранности оборудования на случай повреждения изоляции предусматривать устройство дифференциальной защиты между установкой и потребителями.

Потребители подключаются напрямую к выходным разъемам или клеммам электрогенератора либо через устройство, отключающее промышленную сеть – систему автозапуска. В зависимости от мощности и удаленности нагрузки следует правильно подбирать необходимое сечение проводов.

Приблизительное сечение проводов приведено в табл. 2.5. Например, для прожектора мощностью 2 кВт (8,7 А), удаленного от дизельного генератора на 100 м, необходимое сечение кабеля равно 6 мм2.

Подключение потребителей к электроагрегату могут выполнить специалисты сервисного центра либо необходимо воспользоваться услугами квалифицированного электрика.


Предупреждение!

Перед остановкой двигателя необходимо отключить все потребители во избежание выхода из строя генератора.


Таблица 2.5. Рекомендуемое сечение проводов в зависимости от мощности и удаленности нагрузки от электрогенератора

 

 

2.6. Ветрогенераторы


2.6.1. Общая информация


Современные ветроэнергетические установки (ВЭУ) – это надежные машины, которые весьма эффективно преобразуют энергию ветра в электрическую энергию. Для того чтобы применить ВЭУ в хозяйстве загородного дома, необходимо ответить на вопрос: «Достаточно ли высоки скорости ветра в выбранном месте?» Установить те регионы страны, где имеются достаточные ветроэнергетические ресурсы, можно с помощью ветровых атласов (см. прил. П2.3). Узнав среднегодовую скорость ветра в регионе, можно приближенно определить объем электрической энергии, которую может выработать ВЭУ в течение года. Более точные методы расчета требуют значительного объема дополнительной информации и должны производиться специалистами [12].

Если ветроэнергетические ресурсы в вашем регионе невелики, вполне возможно, что эффективными окажутся другие виды ВИЭ. В перспективных для применения ВЭУ регионах среднегодовая скорость ветра должна быть 4–6 м/с и более. Россия располагает значительными ресурсами ветровой энергии, они сосредоточены главным образом в тех регионах, где отсутствует централизованное энергоснабжение. Такая ситуация характерна для всего Арктического побережья от Кольского полуострова до Чукотки, а также для побережья и островных территорий Берингова и Охотского морей.

В России энергия ветра может быть эффективно использована в следующих регионах:

• области: Архангельская, Астраханская, Волгоградская, Калининградская, Камчатская, Ленинградская, Магаданская, Мурманская, Новосибирская, Пермская, Ростовская, Сахалинская, Тюменская, Краснодарский край, Приморский край, Хабаровский край;

• республики и АО: Дагестан, Калмыкия, Карелия, Коми, Ненецкий автономный округ, Таймырский автономный округ, Хакасия, Чукотка, Якутия, Ямало-Ненецкий автономный округ.

Перспективны и другие отдельные районы многих краев, областей и республик РФ. Например, в Ленинградской области очень многие территории подходят для установок ветрогенераторов, которые будут эффективно вырабатывать энергию практически круглогодично.

Если выясняется, что на интересующей территории нет достаточных ветроэнергетических ресурсов, применять ВЭУ в этом месте не имеет никакого смысла.

После уточнения местной розы ветров можно планировать потребление электроэнергии. Ветряки можно устанавливать индивидуально. Специалисты подсчитали, что для обеспечения так называемого "интеллектуального быта" жильцов (семьи из 3–4 человек) пригородного дома, расположенного в регионе со средней скоростью ветра 1,8–4,5 м/с, вполне хватит одного ветряка мощностью 5 кВт. Он будет вырабатывать энергию, достаточную не только для освещения здания, но и для работы привычного ассортимента бытовой техники: телевизора, холодильника, компьютера и т. п. [13].


Для справки

Ветер скоростью до 3 м/с человек практически не ощущает, полотно из легкой ткани на таком ветру очень слабо колышется.


2.6.2. Шум ветрогенератора


Ветряные энергетические установки производят две разновидности шума:

• механический шум – от работы механических и электрических компонентов; в современных ветроустановках практически отсутствует, но является значительным в ветроустановках старых моделей;

• аэродинамический шум – от взаимодействия ветрового потока с лопастями установки, который усиливается при прохождении лопасти мимо башни ветроустановки.

В настоящее время при определении уровня шума от ветроустановок пользуются только расчетными методами. Метод непосредственных измерений уровня шума не дает информации о шумности ветроустановки, т. к. эффективно отделить шум ветроустановки от шума ветра в данный момент невозможно. Приведем сравнительные значения уровня шума (в дБ) для различных ситуаций:

• болевой порог человеческого слуха – 120;

• шум турбин реактивного двигателя на удалении 250 м – 105;

• шум от отбойного молотка на расстоянии 7 м – 95;

• шум от грузовика при скорости движения 48 км/ч на удалении 100 м – 65;

• шумовой фон в офисе – 60;

• шум от легковой автомашины при скорости 64 км/ч – 55;

• шум от ветрогенератора на удалении 350 м – 35–45;

• шумовой фон ночью в деревне – 20–40.

В непосредственной близости от ветрогенератора у оси ветроколеса уровень шума достаточно крупной ветроустановки может превышать 100 дБ. Законы, принятые в Великобритании, Германии, Нидерландах и Дании, ограничивают уровень шума от работающей ветряной энергетической установки до 45 дБ в дневное время и до 35 дБ ночью. Минимальное расстояние от установки до жилых домов – 300 м.


2.6.3. Некоторые недостатки ветрогенераторов


Несмотря на известные преимущества, у ветрогенераторов есть и трудноустранимые недостатки, с которыми приходится считаться.

• Недостаточная мощность средних, " бытовых" ветряков для отопления домов в холодные сезоны. Для решения проблемы можно установить несколько ветрогенераторов или один очень мощный, что дорого и нерационально с точки зрения использования площадей.

• Для установки ветрогенератора требуется много места. Устанавливать его рекомендуется не ближе чем в 20 м от жилого строения, в противном случае электромагнитные поля, возникающие при работе генератора, могут стать не только источником помех при работе электронной техники, но и причиной заболеваний владельца дома.

• Высокая цена. Средний ветродизельный комплекс, в зависимости от комплектации, стоит 250–400 тыс. руб., а его окупаемость может растянуться на 3–5 лет. Правда, сегодня это не очень смущает.


2.6.4. Ветрогенератор в составе электросети


Средние и крупные ветрогенераторы единичной мощностью от 50 кВт до 5 МВт часто объединяют в группы (ветропарки) и устанавливают на специально подобранных площадках с постоянно дующим свежим ветром при скорости 8-15 м/с. Подобные ветрогенераторы обычно стоят на берегах водоемов, склонах холмов, гор, на равнинах. Стоимость таких ветрогенераторов, в зависимости от производителя и мощности ветряка, составляет 40–60 тыс. руб. за 1 кВт установленной мощности. На рынке имеется много б/у реставрированных ветрогенераторов, стоимость которых вполовину меньше новых моделей [14].

Ветрогенератор может работать в полностью автономном режиме без сети, как правило, это небольшие и средние ветрогенераторы от 0,5 до 30 кВт. Такие ветрогенераторы предназначены для энергоснабжения индивидуальных домовладений и объектов, удаленных от централизованного энергоснабжения (рис. 2.12). Автономные ветряки могут эффективно "обслуживать" небольшие дачи в режиме проживания "по выходным": в течение недели ветряк накапливает электроэнергию в аккумуляторные батареи, которой хватает на выходные дни.

Рис. 2.12. Небольшой автономный ветрогенератор на крыше загородного дома


Планируя приобрести ветрогенератор для загородного дома, необходимо учитывать также стоимость дополнительного оборудования (аккумуляторных батарей и т. п.). Стоимость всей системы ветроэлектрической установки «под ключ» мощностью 2 кВт в условиях Подмосковья составляет около 200 тыс. руб.


2.6.5. Устройство современного ветрогенератора


Основные элементы автономной ветроэнергетической установки: ветроколесо, генератор, мачта, регулятор, контроллер, инвертор и аккумуляторная батарея (рис. 2.13).

Рис. 2.13. Структура автономной ветроэнергетической установки и устройство ветрогенератора: 1 – лопасти турбины; 2 – ротор; 3 – направление вращения лопастей; 4 – демпфер; 5 – ведущая ось; 6 – механизм вращения лопастей; 7 – электрогенератор; 8 – контроллер вращения; 9 – анемоскоп и датчик ветра; 10 – хвостовик анемоскопа; 11 – гондола; 12 – ось электрогенератора; 13 – механизм вращения турбины; 14 – двигатель вращения; 15 – мачта


У классических ветровых установок ветроколесо имеет три лопасти, закрепленные на роторе. Вращаясь, ротор генератора создает трехфазный переменный ток, который передается на контроллер, далее преобразуется в постоянное напряжение и подается на аккумуляторную батарею [15].

В устройстве автономной энергетической установки ротор, мачта и генератор – основные элементы, но далеко не единственные. Один из важных компонентов – электрический регулятор, который прерывает ток, текущий на батарею, если она полностью заряжена. Без регулятора произойдет закипание электролита. В более сложные схемы ветроэнергетических установок входит контроллер, управляющий многими процессами ветроустановки (поворотом лопастей, зарядом аккумуляторов, защитными функциями и др.). Он преобразовывает переменный ток, который вырабатывается генератором в постоянный для заряда аккумуляторных батарей.

Накопителем тока служит как минимум одна батарея. Для таких установок требуются специальные батареи (автомобильные не походят!), которые аккумулируют малейшие токи и потому надежны в плане инерционной и глубокой зарядки (12 В/125 А-ч).

Обычно от батарей могут питаться только 12– или 24-вольтовые потребители. Но при подключении инвертора (преобразователя тока) можно включать приборы на 220 В.

При полном штиле ток, естественно, не вырабатывается, а если подключены пользователи длительного действия (на 12 или 24 В), батареи быстро разрядятся. Если батареи часто подвергаются полной разрядке, то срок их эксплуатации значительно сокращается. Средство профилактики – дополнительное защитное устройство, препятствующее полной разрядке аккумуляторов.

Конструкция ветряных генераторов предусматривает защиту от ураганных ветров. Высокая мачта должна быть надежно закреплена на прочных растяжках (тросами). Все токоподводящие части тщательно изолируют.


2.6.6. Схемы включения ветрогенератора


В загородном доме электрическая сеть может питаться только от ветроэнергетической установки, в схему которой включены аккумуляторные батареи (рис. 2.14).

Рис. 2.14. Автономная ветроэнергетическая установка


Для того чтобы ветроустановка надежно и бесперебойно обеспечивала электричеством загородный дом, в его сеть желательно включить дизель-генератор и солнечную батарею. Это особенно целесообразно в регионе с нестабильными ветрами. При исчерпании запаса энергии, накопленной ветрогенератором, мгновенно и незаметно для пользователя происходит включение дизельного генератора.

Наличие в загородном доме централизованной электрической сети позволяет построить переключение питания дома при отсутствии ветра и полном разряде аккумуляторов на электросеть (рис. 2.15). Переключение производится устройством автоматического включения резерва (АВР), которые специально предназначены для автоматического переключения электропитания с первого питающего ввода на второй в случае пропадания напряжения на первом вводе. Переключение с одного ввода на другой происходит за время от 0,1 до 30 с, при этом временная уставка может регулироваться.

Рис. 2.15. Автономная ветроэнергетическая установка с переключением на центральную электрическую сеть


Схема, приведенная на рис. 2.15, может задействовать ветрогенератор в качестве резервного источника питания. В этом случае АВР переключает вас на аккумуляторные батареи ветрогенератора при потере питания от электросети.


2.6.7. Разновидности ветрогенераторов


Различают две основные конструктивные разновидности ветрогенераторов: вертикальные и горизонтальные (рис. 2.16). У горизонтальных ось вращения ветроколеса расположена горизонтально относительно поверхности земли, у вертикальных, соответственно, вертикально [16].

Рис. 2.16. Автономные горизонтальный (а) и вертикальный (б) ветрогенераторы


Особого различия в работе или производительности обоих видов ветрогенераторов нет. Работают они практически одинаково. Только вертикальные ветрогенераторы дороже горизонтальных почти два раза, вероятно из-за сложности узла вращения лопастей. Некоторые специалисты рекомендуют устанавливать вертикальные ветрогенераторы в местах с высокой турбулентностью и постоянно меняющейся скоростью ветра, а горизонтальные ветряки – во всех остальных случаях [17].

По принципу работы различают автономные ветрогенераторы (off-grid) и подключенные к внешней сети электроснабжения (on-grid). Системы on-grid при нехватке энергоресурса ветрогенератора берут недостающую энергию во внешней сети. Если ветрогенератор вырабатывает энергии больше, чем потребляет подключенный к нему объект, излишки энергии также поступают в сеть.

Ветрогенераторы делятся на промышленные и бытовые. Промышленные ветрогенераторы обладают мощностью до 5–6 МВт. Бытовые ветрогенераторы предназначены для использования частными лицами и обладают мощностью до 10–15 кВт.

Ветрогенераторы большей мощности обычно называют ветряными электростанциями или ВЭС. Такие станции могут обеспечить электроэнергией поселок или небольшой город, но они занимают значительную площадь. Ветрогенераторы, установленные вдоль морского побережья, постоянно поставляют электроэнергию потребителям.


2.6.8. Выбор ветрогенератора


Специалисты рекомендуют перед выбором ветрогенератора оценить следующие основные факторы: пиковую нагрузку на объекте, среднее месячное потребление электроэнергии, среднюю скорость ветра и площадь, отводимую под установку ветрогенератора.

Чем больше высота мачты, тем больше скорость ветра, который крутит "вертушку". Однако с увеличением высоты мачты растет стоимость оборудования и его монтажа. Оптимальным, по мнению специалистов, считается ветрогенератор, поднятый на 10 метров над самым высоким деревом или строением в радиусе 100 метров.

Среднее месячное потребление электроэнергии в вашем коттедже можно посчитать самостоятельно. Для этого достаточно выписать в табличку все электроприборы, указать их мощность, умноженную на время работы, и сложить полученные показатели.

В зависимости от места установки выбирают тип мачты. Если есть свободное пространство, то мачту устанавливают на растяжках. Более компактные варианты – конические или гидравлические мачты и ажурные мачты-фермы. Чем выше мачта, тем больше будет КПД ветрогенератора.

Определить мощность, необходимую для обеспечения загородного дома электроэнергией, можно из следующих соображений [18].

Сначала разделим среднемесячное потребление энергии на 720. Допустим, энергопотребление дома составляет в среднем 800 кВт в месяц, тогда получаем мощность электроэнергии, потребляемой домом, 1112 Вт.

Так как ветер изменчив и непостоянен, то берем генератор с запасом. Чтобы определить необходимый запас обратимся к анемометру: начальная скорость работы многих ветрогенераторов 2 м/с, а номинальная скорость, при которой генератор выдает максимальную мощность, 9-10 м/с. Сделав соответствующие замеры, желательно, в течение месяца, определим процент запаса. Обычно считают, что генератор в среднем работает на 50 % своей мощности. Тогда для расчета берем полученную мощность и умножаем на 2 и по полученному результату 2224 Вт выбираем ветрогенератор.

Для подбора инвертора необходимо найти максимальную потребляемую мощность, т. е. мощность нагрузки. При подключении всех электроприборов к сети мы получаем максимально потребляемую мощность. Например, напряжение, которое вырабатывает генератор EuroWind, составляет 2-120 В, а диапазон мощностей инверторов для данной модели от 1600 до 10 000 Вт.

Для небольшого загородного дома при наличии среднегодовой скорости ветра более 4 м/с достаточно ветроустановки мощностью около 500 Вт для покрытия базовых потребностей в электроэнергии (освещение, телевизор, связь, радио, другая маломощная нагрузка) и от 1,5 до 5 кВт – для электроснабжения почти полностью потребителей в типовом загородном доме, включая стиральную машину, холодильник, компьютеры и т. п. В периоды сильного и продолжительного ветра излишки вырабатываемой электроэнергии могут использоваться для отопления помещений.

В настоящее время на рынке России предлагаются следующие ветроэлектрические установки:

• маломощные 200–600 Вт для дачных участков;

• мощностью 1000-10000 Вт для коттеджей, частных домов;

• мощностью 10-100 кВт для промышленного использования;

• гибридные установки, состоящие из ветрогенератора и солнечных батарей.

Если планируется подключение нагрузки переменного тока, то в состав выбранной системы энергообеспечения включают еще аккумуляторные батареи и инверторы.


2.6.9. Модели ветрогенераторов


Сегодня рынок России предлагает широкий выбор различных типов ветрогенераторов как по конструкции, так и по стоимости. Среди производителей ветрогенераторов для частного пользования, чью продукцию можно купить, отметим такие отечественные компании: «Компания sos220», «САПСАН – ЭНЕРГИЯ», НПО «Электросфера», «МикроАРТ», ООО «Компания ЛМВ Ветроэнергетика» (г. Хабаровск, производит шесть моделей от 250 Вт до 10 кВт), «ГРЦ-Вертикаль», «Мельников» и зарубежные: Winder (Украина, производит три модели номинальной мощностью 1,5, 3 и 8 кВт, Свгг Вггру (Украина, производит две модели, номинальной мощностью 0,15 и 0,8 кВт), ООО «Украинская Альтернативная Энергетика» (г. Киев), Southwest Windpower (США) (см. прил. П2.4). В последние несколько лет малые ветряки китайской сборки доминируют на российском, украинском, европейском и даже американском рынках, благодаря хорошему качеству и приемлемой цене.

В качестве примера рассмотрим семейство отечественных ветроэнергетических установок "Бриз-5000" производства НПО "Электросфера" [19].


Ветроустановка «Бриз-5000»


«Бриз-5000» предназначена для автономного электроснабжения потребителей, не имеющих доступа к сетям централизованного электроснабжения загородных домов однофазным переменным током напряжением 220 В частотой 50 Гц. В состав ветроэнергетической установки входит высококачественный инвертор с синусоидальной формой выходного напряжения. Генератор – синхронный трехфазный с возбуждением от постоянных магнитов. Производитель дает гарантию на работу изделия 20 лет. На рис. 2.17 представлен ветрогенератор «Бриз-5000», предназначенный для нагрева воды. Ветрогенератор снабжен электрическим тормозом и кабелем длиной 70 м. Цена со склада в Санкт-Петербурге 295 000 руб. (без мачты).

Рис. 2.17. Ветрогенератор «Бриз-5000»


Ветроустановка «Бриз-Лидер»


Ветроэлектростанция «Бриз-Лидер» предназначена для электроснабжения объектов, расположенных в зонах со средними и сильными ветрами (рис. 2.18).

Рис. 2.18. Ветроэлектростанция «Бриз-Лидер»


Она способна обеспечить потребителей качественной электроэнергией (220 В 50 Гц) со средним потреблением до 600 кВт·ч в месяц (при средних ветрах 4,5 м/с). Форма выходного напряжения чисто синусоидальная, коэффициент нелинейных искажений меньше 3 % при линейной и меньше 5 % при нелинейной нагрузке.

В состав ветроэлектростанции "Бриз-Лидер" входит ветрогенератор "Бриз-5000", кабель длиной 70 м, регулятор заряда с балластным сопротивлением и электрическим тормозом, инвертор 96 В/220 В, 50 Гц. Цена со склада в Санкт-Петербурге 473 000 руб.


Ветродизельный комплекс «Бриз-Дизель+»


Ветродизельный комплекс «Бриз-Дизель+» предназначен для гарантированного электроснабжения объектов, расположенных в зонах со средними и слабыми ветрами (рис. 2.19). Он обеспечивает потребителей качественной электроэнергией (220В, 50Гц). Форма выходного напряжения и коэффициенты нелинейных искажений аналогичны ранее приведенным.

Рис. 2.19. Ветродизельный комплекс «Бриз-Дизель+»


В состав ветродизельного комплекса «Бриз-Дизель+» входит ветрогенератор «Бриз-5000», кабель 70 м, регулятор заряда с балластным сопротивлением и электрическим тормозом, инвертор 96В/220В, 50 Гц, блок оптимизации нагрузки дизеля и блок управления. Цена со склада в Санкт-Петербурге 638 920 руб.


Ветроэлектростанция «Бриз-Лидер-БАРС»


Ветроэлектростанция «Бриз-Лидер-БАРС» предназначена для электроснабжения объектов, имеющих подключение к электрическим сетям общего пользования, расположенных в зонах со средними и сильными ветрами (рис. 2.20).

Рис. 2.20. Ветроэлектростанция «Бриз-Лидер-БАРС»


Применяется в тех случаях, если электроэнергия в сети нестабильна или плохого качества. Блок БАРС обеспечивает заряд аккумуляторных батарей от ветрогенератора или от сети. В случае необходимости в качестве опции может быть добавлен дизель-генератор, который будет также автоматически включаться в случае необходимости. Обеспечивает потребителей качественной электроэнергией (220 В 50 Гц). Форма выходного напряжения и коэффициент нелинейных искажений аналогичны ранее приведенным.

В состав ветроэлектростанции "Бриз-Лидер-БАРС" входит ветрогенератор "Бриз-5000", кабель 70 м, регулятор заряда с балластным сопротивлением и электрическим тормозом, инвертор 96В/220В, 50 Гц и блок "БАРС". Цена со склада в Санкт-Петербурге 563 668 руб.

У каждой компании, выпускающей ветроэнергетические станции, свои правила реализации ветрогенераторов. Например, у ООО "Атлант" (г. Нижний Новгород) при покупке такие особенности [20].

• Дизель-генератор покупатель приобретает самостоятельно или в составе оборудования при согласовании с консультантом.

• Аккумуляторные батареи покупатель приобретает самостоятельно или в составе оборудования при согласовании с консультантом.

• Мачты из предлагаемого перечня покупатель приобретает самостоятельно или в составе оборудования при согласовании с консультантом.

Представляет интерес продукция ООО "Украинская Альтернативная Энергетика" (г. Киев), которая производит 10 моделей ветрогенераторов [21]. Компания занимается поставками и установкой ветроэнергетического оборудования на территории Украины и СНГ.


Ветрогенератор EuroWind 2


Рассмотрим ветрогенератор EuroWind 2 (рис. 2.21) мощностью 2 кВт, способный обеспечить энергией дом небольшого или среднего размера. Данный ветрогенератор можно комбинировать с солнечными батареями и дизельным генератором для непрерывного обеспечения энергией. Для загородного дома этого ветрогенератора более чем достаточно. Для его установки не требуется бригада рабочих, ветрогенератор можно установить даже в одиночку. Такие ветрогенераторы полностью удовлетворяют потребности небольших кафе, магазинов, строительных городков, кемпингов и других объектов, которые находятся вдали от источников электроэнергии. Стоимость EuroWind 2 в России колеблется от 25 000 до 90 000 руб.

Рис. 2.21. Внешний вид ветрогенератора EuroWind 2


Технические данные EuroWind 2:

• месячная выработка энергии – 480 кВт в месяц при средней скорости ветра 6 м/с;

• производительность генератора – 200-3000 Вт;

• напряжение ветрогенератора – 120 В;

• максимальная сила тока – 25 А;

• рекомендуемые аккумуляторы – 10 шт. 12В 200А·ч;

• напряжение после инвертора – 220 В, 50 Гц.

В комплект ветрогенератора EuroWind 2 входят: турбина, хвост; лопасти и элементы крепления ветрогенератора (рис. 2.22), а также тросы мачты, поворотный механизм и контроллер заряда.


Рис. 2.22. Элементы комплектации ветрогенератора EuroWind 2: турбина и крепления


Дополнительно к комплекту ветрогенератора EuroWind 2 можно заказать аккумуляторы, инвертор, АВР, дизель-генератор. Можно также заказать монтаж установки, доставку и страховку.

Ознакомиться с другими моделями ветрогенераторов типа EuroWind можно по адресу в Интернете http://1268.ua.all-biz.info/cat.php.


2.6.10. Ветрогенераторы для небольших скоростей ветра


Для регионов с небольшими средними скоростями ветра представляют интерес такие ветроэнергитические установки: Uni Air Breeze мощностью 160 Вт, FD2.7-500 и FD3.0-1000, которые поставляет на рынок России компания «Ваш Солнечный Дом» [22].


Ветрогенератор UniAir Breeze


Ветрогенератор UniAir Breeze мощностью 160 Вт имеет широкие лопасти, что обеспечивает более низкую начальную скорость ветра (2,7 м/с) и, соответственно, большую выработку энергии при низких скоростях ветра. Идеальное решение для мобильных потребителей (сезонное использование на даче, в автомобильном домике, на яхтах и т. п.) в местах с небольшими средними скоростями ветра.

Ветроэлектрическая установка Air Breeze – усовершенствованная модель ветрогенераторов малой мощности серии Air. Ветрогенератор Air Breeze более тихий, более эффективный и точно спроектированный.

Маломощные ветроустановки серии Air собираются в Китае из фирменных американских комплектующих под надзором разработчика SouthWest Windpower (США). Единственная сделанная в Китае часть – корпус генератора.

Ветрогенератор Air Breeze стал самым продаваемым ветрогенератором в мире (более 140 000 шт. в 120 странах).

Стартовая скорость ветрогенераторов Air составляет менее 3 м/с, что делает эти ветрогенераторы особенно актуальными для средней полосы России (рис. 2.23). Исключительно малый вес позволяет легко транспортировать, монтировать и демонтировать эти ветроустановки.

Рис. 2.23. Зависимость вырабатываемой мощности от скорости ветра


Усовершенствованные показатели заряда АБ и оптимизация вырабатываемой энергии достигаются целым рядом нововведений (рис. 2.24).

Рис. 2.24. Устройство ветрогенератора Air Breeze


Преимущества ветрогенераторов Air Breeze:

• увеличение площади лопастей на 30 %, что позволило увеличить выработку энергии на низких скоростях ветра;

• пониженные характеристики шумового воздействия;

• встроенный интеллектуальный микропроцессорный контроллер со слежением за точкой максимальной мощности.

Благодаря применению новых технологий при изготовлении ветрогенераторов Air значительно снизился уровень шума, вырабатываемого при работе установки. Встроенный в ветроголовку контроллер оснащен функцией слежения за точкой максимально возможной мощности и регулирует скорость вращения лопастей для достижения оптимальной производительности ветрогенератора. Данная функция также позволяет регулировать скорость вращения лопастей при слишком высоких скоростях ветра для предотвращения поломки оборудования.

Ветроэлектрические установки Air необычайно просты в установке и эксплуатации и не требуют квалифицированного обслуживания. Удобная система крепления и малый вес позволяют устанавливать их как на отдельных мачтах, так и на крышах домов, автомобильных домиков, яхтах и других судах. Данные ветроустановки могут использоваться в качестве зарядного устройства для аккумуляторов на даче, в походе, на морской прогулке на яхте, в путешествиях на автомобиле и т. п. Стоимость ветрогенератора Air Breeze 31 000 руб.

Основные технические характеристики Air Breeze:

• Диаметр ротора – 1,17 м.

• Вес – 5,9 кг.

• Размеры в упаковке – 686x318x229 мм.

• Вес в упаковке – 8 кг.

• Монтаж – на мачте диаметром 48,26 мм.

• Стартовая скорость ветра – 2,68 м/с.

• Напряжение – 12В, 24В постоянного тока.

• Выходная мощность – 160 Вт при скорости ветра 12,5 м/с.

• Контроллер – микропроцессорный интеллектуальный с функцией слежения за точкой максимальной мощности.

• Корпус – литой алюминиевый (в исполнении Marine применяется порошковое покрытие для защиты от коррозии).

• Лопасти – из композитного материала, упрочненного углеволокном.

• Защита при высоких скоростях – электронный контроль крутящего момента.

• Генерация энергии в месяц – 25 кВт·ч/месяц при скорости ветра 4,4 м/с.

• Максимальная безопасная скорость ветра – 49,2 м/с.


Ветроэлектрическая установка Air Breeze Marine


Специальное исполнение Marine позволяет использовать установку в условиях повышенной влажности и опасности появления коррозии. Корпус ветрогенератора покрыт специальным порошковым покрытием. Применение антикоррозионной пасты предупреждает преждевременный износ лопастей и деталей крепления к мачте (рис. 2.25).

Рис. 2.25. Крепление ветрогенератора UniAir Breeze мощностью 160 Вт на мачте


Стандартный комплект ветроэлектрической установки Air Breeze Marine:

• Синхронный бесщеточный ветрогенератор с возбуждением от постоянных магнитов и выходной мощностью 160 Вт при скорости ветра 12,5 м/с.

• Три лопасти из композитного материала.

• Встроенный микропроцессорный контроллер с функциями слежения за точкой максимальной мощности и регулирования скорости вращения лопастей.

При необходимости питания электроустройств переменным током в комплект может быть включен преобразователь постоянного напряжения в переменное (инвертор) необходимой мощности.

Дополнительно можно заказать (не входит в указанную выше стоимость): сборную мачту высотой 8,8 м с тросовыми растяжками и систему крепления ветрогенератора к мачте, гелевые аккумуляторные батареи емкостью от 150 до 260 А·ч и инвертор мощностью 700-1500 Вт


Ветрогенератор FD2.7-500 (SWG-500)


Ветрогенератор FD2.7-500 (SWG-500) представляет собой высокоэффективную и надежную ветроэлектрическую установку для регионов с низкими скоростями ветра (рис. 2.26).

Рис. 2.26. Ветроэлектрическая установка FD2.7-500


Ветроэлектрические установки SWG отличает то, что работа их начинается уже при небольших скоростях ветра (2–2,5 м/с), что актуально для средней полосы России. Номинальная скорость ветра очень низкая – 8 м/с. Мощность ветрогенератора находится в кубической зависимости от скорости ветра. По сравнению с другими ветроустановками такой же номинальной мощности, но при скоростях 10–12 м/с, данная ветроустановка производит электроэнергии в месяц в 1,5–2 раза больше.

Комплект ветроэлектрической установки FD2.7-500:

• Трехлопастное ветроколесо диаметром 2,5 м с флюгерным устройством ориентации на ветер.

• Трехсекционная мачта высотой 6 м с тросовыми растяжками или свободно стоящей башней (опция).

• Синхронный трехфазный ветрогенератор с возбуждением от постоянных магнитов и выходной мощностью 500 Вт при скорости ветра 8 м/с.

• Гибридный контроллер заряда с функцией широтно-импульсного модулирования тока заряда и возможностью подключения солнечных батарей.

Возможна комплектация гибридным ветро-солнечным контроллером заряда с инвертором (преобразователем постоянного напряжения в переменное) с выходной номинальной мощностью 500 Вт и синусоидальной формой выходного напряжения, к которому подключаются ветрогенератор и солнечная батарея.

Дополнительно поставляются две гелевых аккумуляторных батареи емкостью 150–200 А·ч (не входит в цену).

Технические характеристики FD2.7-500:

• Номинальная мощность – 500 Вт при скорости ветра 8 м/с.

• Номинальное напряжение – 24 В.

• Диаметр ветроколеса – 2,5 м.

• Начальная рабочая скорость – 2 м/с.

• Расчетная рабочая скорость – 8 м/с.

• Максимальная безопасная скорость ветра – 35 м/с.

• Метод вывода из-под ветра – автоматический.

• Частота вращения – 400 об./мин.

• Материал покрытия – алюминиевый сплав.

• Материал лопастей – пластик, армированный стекловолокном.

• Максимальная мощность и номинальное напряжение солнечных батарей – 220 Вт, 24 В.

• Максимальная мощность нагрузки постоянного тока контроллера – 600 Вт.

• Рекомендуемые аккумуляторы – 12 В, 200 А·ч, 2 шт.

Ветроустановка обладает высокой надежностью конструкций: мачты, лопастей, электрической схемы, построенных на материалах, применяющихся в авиастроении. Контроллер заряда имеет два входа: для ветроустановки и для солнечных батарей. Это позволяет легко превратить вашу ветроустановку в ветросолнечную станцию.

Контроллер имеет два выхода для нагрузки постоянного тока напряжением 24 В. Один выход автоматически подключает нагрузку при наступлении темноты, поэтому может быть использован как автомат для включения уличного освещения (датчиком освещения служит солнечная батарея, подключенная к контроллеру). Второй выход оснащен таймером и может работать после включения от 1 до 8 ч (время выставляется с дискретностью в 1 ч).

Стоимость ветроэлектрической установки FD2.7-500 47 000 руб. Дополнительные комплектующие: АБ в комплекте – 33 000 руб., гибридный инвертор – 500 руб., солнечный модуль – 26 000 руб.


Ветроэлектрическая станция FD3.0-1000 (SWG-1000)


Работа ветроэнергетических установок FD3.0-1000 начинается уже при скоростях ветра 2–2,5 м/с, что актуально для средней полосы России (рис. 2.27). Мощность ветрогенератора находится в кубической зависимости от скорости ветра.

Рис. 2.27. Ветроэлектрическая станция FD3.0-1000 (SWG-1000)


Технические характеристики FD3.0-1000:

• Номинальная мощность – 1 кВт при скорости ветра 9 м/с.

• Номинальное напряжение – 48 В.

• Диаметр ветроколеса – 2,7 м.

• Начальная рабочая скорость – 2 м/с.

• Расчетная рабочая скорость – 9 м/с.

• Максимальная безопасная скорость ветра – 35 м/с.

• Метод вывода из-под ветра – автоматический (механически).

• Частота вращения – 400 об./мин.

• Материал покрытия – алюминиевый сплав.

• Материал лопастей – пластик, армированный стекловолокном.

• Рекомендуемые аккумуляторы – 12 В 200 А·ч, 4 шт.

Комплект ветроэлектрической установки FD3.0-1000:

• Трехлопастное ветроколесо диаметром 2,7 м с флюгерным устройством ориентации на ветер.

• Трехсекционная мачта высотой 8 м с тросовыми растяжками.

• Синхронный трехфазный ветрогенератор с возбуждением от постоянных магнитов и выходной мощностью 1 кВт при скорости ветра 9 м/с.

• Контроллер заряда с функцией широтно-импульсного модулирования тока заряда и с балластной нагрузкой (воздушный нагреватель).

Как опция возможна комплектация гибридным ветро-солнечным контроллером заряда с инвертором (преобразователем постоянного напряжения в переменное) с выходной номинальной мощностью 1000 Вт и синусоидальной формой выходного напряжения, к которому подключаются ветрогенератор и солнечная батарея.

Отдельно поставляются четыре гелевых аккумуляторных батареи емкостью 150–200 А·ч (не входит в цену).

Ветроустановка FD3.0-1000 обладает высокой надежностью конструкций: мачты, лопастей, электрической схемы, построенных на технологиях, применяющихся в авиастроении. Возможные варианты: АБ в комплекте – 66 000 руб., гибридный инвертор – есть, свободно стоящая башня – нет.


2.7. Термогенераторы


В XXI веке, как ни удивительно, не забыта дровяная печь в качестве источника электроэнергии. В реальных природных условиях, где нет ни ветра, ни солнца, ни возможности доставки дизельного топлива, альтернативой может стать печь, дающая не только тепло, но и электроэнергию по законам термопары. Нужно заметить, что в России в конце XIX века производились цилиндрические печи с термопарами. Печь топилась дровами и выдавала напряжение 40 В [23]. В северных широтах получение электроэнергии из тепла печи имеет ряд преимуществ по сравнению с ветряками, солнечными батареями и дизельными генераторами.

Через более чем 100 лет, уже в XXI веке, компания "Термофор" наладила серийное производство небольшой дровяной отопительноварочной печи со встроенным электрогенератором, который преобразует тепловую энергию горящего в печи топлива в электрическую энергию (рис. 2.28) [24].

Рис. 2.28. Дровяная отопительная печь, дающая электричество


Во время работы современной энергопечи по прямому назначению, т. е. в процессе отопления или приготовления пищи, печь генерирует постоянный ток напряжением 12 В и мощностью не менее 50 Вт. Стоимость энергопечи в различных торговых фирмах различна: в компании «Криотерм» (г. Санкт-Петербург, www.kryotherm.ru) 29 500 руб., а в специализированном магазине 138 000 руб.

Технические характеристики энергопечи компании " Криотерм":

• Электрическая мощность при напряжении 12 В – 50 Вт.

• Время приведения в действие – не более 0,3 ч.

• Максимальный объем отапливаемого помещения – 50 м3.

• Мощность тепловая – 4 кВт.

• Масса – 58 кг.

• Размеры – 370x500x620 мм.

• Объем топки – 41 л.

• Диаметр дымохода – 80 мм.

Условия эксплуатации: на открытом воздухе и в помещении, при температуре от -45 до +45 °C. Сроки эксплуатации при соблюдении инструкции не менее 10 лет.

При современном уровне развития энергосберегающих технологий эта мощность обеспечивает весь необходимый для цивилизованной жизни набор электрических устройств. Разработка проекта осуществлена компанией "Термофор" совместно с компанией "Криотерм".

По результатам лабораторных и полевых испытаний электрогенератор печи выходит на стабильный режим через 6–8 минут после зажигания топлива в печи.

Энергопечь полезна в загородном доме в аварийных ситуациях, при длительном отсутствии электричества в доме. Вырабатываемого печью тока достаточно для подключения 2–3 энергосберегающих лампочек, зарядки аккумуляторов ноутбука, мобильного или спутникового телефона, фото– или видеокамеры, подключения портативного телевизора, радиоприемника, DVD-проигрывателя и других портативных энергосберегающих устройств.

В энергопечи источником электроэнергии является универсальный термоэлектрический генератор B25-12 (М) компании "Криотерм" (рис. 2.29).

Рис. 2.29. Внешний вид универсального термоэлектрического генератора B25-12 (М) компании «Криотерм»


В универсальном термоэлектрическом генераторе B25-12 (М) компании «Криотерм» использованы термогенераторные модули, которые преобразуют тепловую энергию в электрическую. Получается альтернативный источник электроэнергии, позволяющий получать до 50 Вт электроэнергии.

Основные технические характеристики ТЭГ В25-12(М):

Размеры – 252x252x170 мм.

Вес – не более 8,5 кг.

Выходное напряжение, – 12 В.

Выходная мощность – не менее 25 Вт.

Режим работы – стационарный.

Температура установочной поверхности – не более 300 °C.

Обязательное условие работы термогенератора – наличие нагретой поверхности размерами 20x25 см. Термогенератор В25-12(М) обеспечивает непрерывную круглосуточную работу без постоянного наблюдения за его работой. Средний срок службы ТЭГ В25-12(М) не менее 10 лет. Стоимость термогенератора B25-12 (М) в компании " Криотерм" составляет 17 700 руб.

Преимущества энергопечи по сравнению с другими источниками электроэнергии:

• Универсальность – возможность получать электрическую энергию, отапливать помещение и готовить пищу;

• независимость от погодных условий;

• не требует дорогостоящего топлива;

• не требует сервисного обслуживания;

• экологически безопасна;

• бесшумна.

Для расширения возможностей энергопечи к ней можно подключить контроллер заряда/разряда аккумуляторной батареи, аккумуляторную батарею и инвертор.


2.8. Солнечные батареи


2.8.1. Общая информация


Сегодня в России все больше обращают внимание на солнечную энергию. Бытует мнение, что солнечная энергия может эффективно использоваться только в южных странах, а Россия после распада Советского Союза стала считаться северной страной, где солнечного излучения недостаточно.

Последние исследования и разработки специалистов Института высоких температур Российской академии наук (ИВТ РАН) доказывают несостоятельность такой точки зрения. В Лаборатории возобновляемых источников энергии и энергосбережения ИВТ РАН разработан "Атлас распределения ресурсов солнечной энергии по территории России", создана климатическая база данных, ориентированная на исследования в области солнечной энергетики. Составлены карты поступления солнечной радиации на неподвижные поверхности, ориентированные различным образом в пространстве для всех регионов за определенные периоды года (рис. 2.30) [25].

Рис. 2.30. Среднегодовые суммы солнечной радиации, поступающей на оптимально ориентированную поверхность за год


Для эффективного преобразования энергии Солнца важно выбрать оптимальный угол наклона солнечного коллектора, при котором суммарное поступление энергии солнечного излучения на приемную поверхность за рассматриваемый период работы максимально. Оптимизация угла позволяет в 1,3–1,5 раза увеличить сбор энергии по сравнению с ее поступлением на горизонтальную поверхность.

На рис. 2.30 приведено среднегодовое распределение ресурсов энергии солнечной радиации, поступающей в среднем за день на 1 м2 площадки южной ориентации с оптимальным углом наклона к горизонту (для каждой географической точки это свой угол, при котором суммарное за год поступление энергии солнечной радиации на единичную площадку максимально). Как видно из карты, наиболее «солнечными» являются не районы Северного Кавказа, как предполагают многие, а регионы Приморья и юга Сибири (от 4,5 до 5,0 кВт ч/м2 в день). Интересно, что Северный Кавказ, включая известные российские черноморские курорты (Сочи и др.) по среднегодовому поступлению солнечной радиации относятся к той же зоне, что и большая часть Сибири, включая Якутию (4,0–4,5 кВт·ч/м2 в день). Более 60 % территории России, в том числе и многие северные районы, характеризуются среднегодовым поступлением от 3,5 до 4,5 кВт·ч/м2 в день. Все это говорит о перспективности применения солнечных батарей для снабжения электроэнергией загородных домов.


2.8.2. Принцип действия


Солнечная батарея, как известно, представляет собой установку для прямого преобразования солнечной энергии в электрическую. В коммерческих целях солнечная батарея в виде фотоэлектрического элемента на основе монокристалла кремния была использована в 1952 году в лаборатории «Белл» для электропитания телефонной станции [26].

Современная солнечная батарея состоит из нескольких фотоэлектрических солнечных модулей. Основной материал для изготовления фотоэлектрических элементов – кремний. Кремний с примесью фосфора относится к полупроводнику типа п, с примесью бора – типа p. Когда в зону соприкосновения двух полупроводников попадает солнечная радиация, создается электродвижущая сила, которая может перемещать электрический ток во внешнем контуре, подключенном к n– и p-областям (рис. 2.31).

Рис. 2.31. Устройство и принцип действия кремниевого фотоэлектрического элемента


Солнечный модуль состоит из нескольких пластин монокристаллического кремния, закрепленных на каркасе и покрытых специальным стеклом. Элементы модуля, соединенные электрически, являются базовой основой солнечных модулей. Модули способны вырабатывать электрическую энергию, необходимую для питания бытовых электроустройств, а также могут быть использованы как базовые элементы больших энергосистем.

В зависимости от предназначения солнечные модули могут иметь различные конструктивные решения и разные выходные мощности. Например, компания "ЛМВ ветроэнергетика" (http://ovis.khv.ru/) выпускает три серии солнечных модулей:

• солнечные модули в алюминиевом каркасе – серия MSW, 32 типа в диапазоне мощностей от 3 до 120 Вт;

• бескаркасные солнечные модули – серия "Лира", 16 типов в диапазоне мощностей от 1,7 до 24 Вт;

• солнечные модули на металле – серия MSWm, 16 типов в диапазоне мощностей от 1,7 до 24 Вт.

При подсоединении в параллельные или последовательные цепи большого количества фотоэлементов можно получить приемлемые значения напряжения и силы тока, несмотря на относительно небольшой КПД, не превышающий 24 %. Солнечные модули из отдельных полупроводниковых кремниевых элементов размещают обычно на крыше жилого дома. Толщина пластинки кремния не превышает 0,2–0,3 мм. При покупке солнечного модуля необходимо знать, что 1 м2 пластинки кремниевого элемента дает напряжение 0,5 В, если нагрузка составляет 1 кВт м2. Средний КПД солнечной батареи около 14 %, а срок службы 25 лет. К достоинствам солнечных панелей можно отнести механическую простоту (отсутствие движущихся частей), бесшумность и отсутствие загрязнения окружающей среды. Солнечные энергетические установки бывают двух видов: установки автономного энергоснабжения и установки, отдающие излишки генерации в центральную сеть. В последнем случае можно накапливать электроэнергию в аккумуляторных батареях и через инвертор преобразовывать в напряжение 220 В для подключения стандартных бытовых приборов.


2.8.3. Система электроснабжения на солнечных батареях


При создании системы электроснабжения на солнечных батареях для загородного дома, как и в случае с ветроэнергетическими установками, возможны различные варианты. Одна схема автономного электроснабжения может быть построена с наличием низковольтной сети постоянного тока с напряжением 12 В для освещения (рис. 2.32). При этом загородный дом оборудуется для освещения энергосберегающими лампами 12 В, а для питания бытовой техники на 220 В используется инвертор, подключенный к аккумулятору. Цена энергосберегающих ламп ELS NAPS мощностью 5 Вт на напряжение 12 В (рис. 2.33) составляет 650 руб. [27].

Рис. 2.32. Автономная система электроснабжения на солнечных батареях с низковольтной сетью для освещения


Рис. 2.33. Энергосберегающие лампы ELS NAPS (5 Вт, 12 В)


Обычно такие системы применяются, если максимальное расстояние от аккумулятора до самой дальней подключенной нагрузки не превышает 10–15 м, а ее мощность не более 100 Вт. При этом нужно следить за тем, чтобы падение напряжения при всех включенных потребителях в самой дальней точке было в пределах допустимого (обычно не более 10 %).

Дальнейшее развитие схемы – введение в нее контроллера и отказ от низковольтной сети освещения – иллюстрирует рис. 2.34. Контроллер заряда служит для предохранения аккумуляторов от избыточной подзарядки солнечной батареей, а также от избыточной разрядки в ходе ее использования. Так как все это отрицательно влияет на функциональность и сокращает срок службы оборудования. При такой схеме производимая электроэнергия аккумулируется в батареях и расходуется затем в темное время суток или в период слабой инсоляции.

Рис. 2.34. Автономное обеспечение электроэнергией загородного дома от солнечных модулей и аккумуляторов


Система данного типа требует, чтобы фотоэлектрическое поле имело размеры, обеспечивающие в период нормальной инсоляции как непосредственно нагрузку рабочего электрического контура, так и подзарядку аккумуляторных батарей.

Если загородный дом подключен к сети централизованного электроснабжения, то желательно выбрать систему электроснабжения с фотоэлектрической установкой в качестве резерва (рис. 2.35). При отключении сети или недостаточном сетевом напряжении включается фотоэлектрическая установка. Малые резервные фотоэлектрические установки служат для электроснабжения наиболее важной нагрузки: освещение, компьютер и средства связи. Более крупные системы могут также снабжать энергией, например, холодильник. Чем больше мощность, необходимая для питания ответственной нагрузки, и чем дольше периоды отключения сети, тем большая мощность фотоэлектрической системы необходима.

Рис. 2.35. Автономное обеспечение загородного дома от солнечных модулей с возможностью переключения на центральную электрическую сеть


Устройство автоматического ввода резерва (АВР) позволяет переключить питание объекта при отсутствии солнечной энергии и полном разряде аккумуляторов на электросеть. Эта же схема может функционировать и наоборот: солнечный модуль служит резервным источником питания. В этом случае АВР переключается на аккумуляторные батареи при потере питания от электросети.

Заметим, что количество вырабатываемой генератором электроэнергии зависит от целого ряда факторов, в частности угла наклона и ориентации установки. Критерием ориентации генератора является азимут.

Угол наклона – это угол между горизонталью и батареей. При установке на скатной крыше угол наклона задается скатом кровли. Наибольшее количество энергии воспринимается панелью батареи при расположении ее плоскости под прямым углом к направлению солнечных лучей. Поскольку угол падения света зависит от времени суток и года, ориентацию плоскости батареи следует выполнять в соответствии с высотой Солнца в период поступления наибольшего количества солнечной энергии.

Азимут описывает отклонение плоскости солнечной батареи от направления на юг; если плоскость батареи ориентирована на юг, то азимут равен нулю.

Устанавливать солнечную батарею и определять ее размеры нужно так, чтобы воздействие дающих тень соседних зданий, деревьев, линий электропередачи и т. п. было незначительным.

Важная часть солнечной фотоэлектрической системы – поддерживающая конструкция для солнечных панелей – обеспечивает правильный угол наклона панелей, а также необходимую жесткость. Комбинация поддерживающей конструкции с солнечными модулями должна выдерживать порывы ветра и другие неблагоприятные воздействия окружающей среды.

Варианты монтажа установки:

• наклонный (на крышу с любым углом наклона ската, рис. 2.36);

Рис. 2.36. Солнечные батареи, установленные на южной стороне крыши


• горизонтальный (на плоскую крышу);

• свободностоящий (солнечная батарея с опорной конструкцией, рис. 2.37);

Рис. 2.37. Солнечная батарея с опорной конструкцией системы электроснабжения Naps BigPack 390 Вт/1,3 кВт


• интегрированный.

Соединенные с сетью системы могут быть элементом конструкции здания. Более того, интеграция в здание может быть отличным способом улучшить архитектуру здания и показать, что конструктивные элементы здания также могут выполнять функцию генерации электричества. Для таких применений разрабатываются и изготавливаются специальные конструкции.


2.8.4. Выбор фотоэлектрической системы


Перед выбором фотоэлектрической системы необходимо произвести ее расчет. Под расчетом солнечной электростанции подразумевается определение номинальной мощности солнечных модулей, их количество, емкость АКБ, мощность инвертора и контроллера заряда-разряда [28].

Число солнечных модулей следует выбирать, исходя из количества потребляемой энергии, площади крыши вашего дома (или любой подходящей площадки, необходимой для размещения солнечных модулей), а также из стоимостных показателей.

Для аккумулирования энергии необходимы необслуживаемые аккумуляторные батареи герметизированного типа, специально предназначенные для "глубоких циклов" заряда-разряда.

При выборе инвертора следует посчитать всю суммарную нагрузку приборов, которые будут подключены, и затем прибавить к полученному результату как минимум 30 % полученной мощности, потому, что, например, компрессорный холодильник в момент запуска потребляет мощность в 12 раз, а глубинные насосы в 3–4 раза больше паспортной мощности. После этого выбирают модель инвертора для получения напряжения 220 В.

Помимо этого в расчете необходимо учесть район расположения, существующие подводки, если они имеются, общую площадь дома, количество помещений, тип применяемых электроприборов, наличие отопления и горячего водоснабжения.

Укажите суммарную максимальную мощность всех электроприборов и примерное время работы каждого электропотребителя (табл. 2.6).


Таблица 2.6. Примерное энергопотребление некоторыми бытовыми приборами

Мощность каждого потребителя, измеряемая в ваттах, указана в паспорте изделия.

Развернутый пошаговый расчет солнечной станции можно найти, например, на сайтах по адресу в Интернете:

• http://www.akatel.ru/stat/metodika.php – методика расчета фотоэлектрических систем. ООО «АКАТЭЛ».

• http://www.solarhome.ru/ru/pv/pvsizing.htm – расчет фотоэлектрической системы. Интернет-магазин сайта «Ваш Солнечный Дом».

Расчет системы состоит из четырех основных этапов:

1. Определение нагрузки и потребляемой энергии.

2. Определение значений необходимой мощности инвертора и емкости аккумуляторной батареи.

3. Определение необходимого количества фотоэлектрических модулей исходя из данных по приходу солнечной радиации в месте установки системы.

4. Расчет стоимости системы.

Такой расчет имеет смысл, если вы специалист в данном вопросе и собираете солнечную электростанцию из комплектующих различных фирм, чтобы удешевить свою покупку.

В реальности многие фирмы продают комплекты солнечных электростанций различной мощности и комплектации, которые предназначены для конкретных целей. Входящие в комплект составляющие уже проверены и подобраны для работы и позволяют получить требуемые параметры солнечной электростанции.


2.8.5. Система энергоснабжения Naps BigPack для загородного дома


Компания «Мульти Вуд» (г. Санкт-Петербург, http://www.multiwood.ru/doc/solar_systems.htm) предлагает на рынке России в виде комплекта готовую систему энергоснабжения Naps BigPack для загородного дома. В продаже имеется несколько вариантов различной комплектации и цены:

• система электроснабжения Naps BigPack 390/1,3kW (NP130GKx3) 390 Вт/12 В, АБ 690 А·ч (115 А·ч/12 Вх6), инвертор-контроллер 1,3 кВт 12 В – 230 В, АБ не включены (270 тыс. руб.);

• система электроснабжения Naps BigPack 520/2,3kW (NP130GKx4) 520 Вт/12 В, АБ (AGM) 600 А·ч/24 В (200 А·ч/12 Вх6), инвертор-контроллер 2,3 кВт 24 В – 230 В, АБ не включены (330 тыс. руб.);

• система электроснабжения Naps BigPack 780/2,3kW (NP130GKx6) 780 Вт/12 В, АБ (AGM) 800А·ч/24В (200А·ч/12Вх8), инвертор-контроллер 2,3 кВт 24В – 230В, АБ не включены (430 тыс. руб.);

• система электроснабжения Naps BigPack 520/3,5kW (NP130GKx3) 520Вт/12В, АБ (AGM) 600А-ч/48У (200А·ч/12Вх12), инвертор-контроллер 3,5 кВт 48В – 230В, АБ не включены (370 тыс. руб.);

• система электроснабжения Naps BigPack 1040/3,5kW (NP130GKx8) 1040Вт/12В, АБ (AGM) 600А-ч/48У (200А·ч/12Вх12), инвертор-контроллер 3,5 кВт 48В – 230В, АБ не включены (530 тыс. руб.).

Компания "Мульти Вуд" также поставляет на российский рынок солнечные батареи производства финской фирмы Naps Systems для автономных резервных систем энергоснабжения загородных домов. Предлагаемые солнечные батареи успешно опробованы в СевероЗападном регионе России.

Рассмотрим в качестве примера систему электроснабжения Naps BigPack 390 Вт/1,3 кВт. Технические характеристики системы:

• Энергоэффективность системы – 1,6 кВт/день.

• Энергетический потенциал аккумуляторных батарей – 8,3 кВт·ч.

• Мощность – 390 Вт.

• Солнечная батарея – NP130GK (3x130 Вт).

• Конструкции крепления модулей – на стене или кровле.

• Инвертор-контроллер – Studer C 1612 S/ 1,3 кВт.

• Studer удаленный дисплей – RCC-01 20 м кабель.

• Studer кабельный щит – CFC-01.

• Аккумуляторная батарея (АБ) – открытого типа 690 А·ч (115 А·ч/12 Вх 6).

• Температура эксплуатации и хранения – от -40 до +50 °C.

• Гарантия качества – 25 лет.


Примечание

Электрические характеристики измерены при стандартных условиях: энергетической освещенности 1 кВт/м и температуре 25 °C.


2.8.6. Солнечная электростанция для небольшого загородного дома компании «Солнечная энергия»


Следует отметить и отечественные разработки в области использования солнечной энергии, которые сегодня не уступают зарубежным, в частности компании «Солнечная энергия», г. Москва. Компания производит системы автономного энергообеспечения, предназначенные для электрификации жилых загородных домов, коттеджей и дач (http://suntechnology.ru/solnechnye_elektrostancii.php).

Комплект № 4 солнечной электростанции компании "Солнечная энергия" предназначен для небольшого энергообеспечения загородного домика и работы домашних бытовых электроприборов, электроинструмента и холодильника.

Этот комплект обеспечивает автономную работу: домашних бытовых электроприборов, электроинструмента, энергосберегающих ламп и холодильника группы А.

Суммарная нагрузка подключаемых одновременно электроприборов не должна превышать 1500/3000 Вт и зависит от мощности инвертора.

Солнечные батареи системы следует, как правило, устанавливать на южную сторону крыши, под углом 40–60° к горизонту, обеспечив свободную циркуляцию воздуха под ними; для естественного охлаждения достаточно щели 5-10 см (рис. 2.38).

Рис. 2.38. Загородный дом с солнечной электростанцией компании «Солнечная энергия»


Состав комплекта солнечной электростанции:

• солнечная батарея 160 Вт – 4 шт. (112 тыс. руб.);

• контролер заряда 30 А – 1 шт. (7,1 тыс. руб.);

• АКБ 100 А·ч/12 В – 4 шт. (31 тыс. руб.);

• инвертор 2000/5000 ВА – 1 шт. (190/470 тыс. руб.);

• шкаф для оборудования – 1 шт. (12,5 тыс. руб.);

• каркас крепежный солнечных батарей – (6,2 тыс. руб.).

Аккумуляторы накапливают энергию, выработанную солнечными батареями, и могут отдавать большую мощность за короткое время.

Если вы планируете систему для загородного дома, который посещаете только на выходные, то лучше установить аккумуляторные батареи большей емкости, чтобы они заряжались в течение всей недели и отдавали энергию только в выходные дни, в этом случае число солнечных батарей (соответственно цена системы) снизится.


Глава 3

Обогрев жилища


Отсутствие централизованного теплоснабжения накладывает свой отпечаток на обогрев загородного дома и дачи. В таких случаях на помощь приходят электрические конвекторы, автономные системы водяного обогрева, печи и камины, которые создают уют и придают особую атмосферу помещению.


3.1. Конвекционный обогреватель


3.1.1. Общая информация


При электрическом отоплении поддержание заданной температуры помещения обеспечивают электрические отопительные приборы. В последнее время для отопления дома популярностью пользуются электронагревательные приборы нового поколения, так называемые конвекторы (рис. 3.1). Конвектор отличается от обычного обогревателя в основном наличием регулятора температуры: когда воздух в помещении прогреется до заданного уровня, система отключается, а при падении температуры ниже заданной – нагревательные элементы автоматически включаются. Поэтому не нужно постоянно следить за работой обогревателя, и нет скачков температуры.

Рис. 3.1. Электроконвектор настенный ЭВНБ производства ЗАО «Урал-Микма-Терм»


Электрический конвектор представляет собой устройство в декоративном защитном металлическом корпусе с двумя группами отверстий: внизу, для поступления холодного воздуха, сверху, для выхода нагретого воздуха (рис. 3.2). В нижней части корпуса расположен нагревательный элемент (ТЭН), вблизи которого воздух нагревается и за счет конвекции поднимается вверх. ТЭН не нагревается выше 80 °C и, соответственно, не выжигает кислород. На ТЭНе расположен большой площади алюминиевый радиатор, способствующий ускоренной теплоотдаче. Недалеко от нагревательного элемента установлен термодатчик, измеряющий температуру входящего воздуха и подающий сигнал на электронный термостат, который включает или выключает нагревательный элемент или переходит в режим ожидания (рис. 3.3) [1]. Термостат конвектора имеет шкалу, каждое значение которой соответствует определенной температуре (рис. 3.4). Конвектор, по мнению специалистов, на 10 % экономичнее других отопительных приборов, благодаря высокой точности термостата и малой инерционности. Модели конвекторов, которые комплектуются программируемым термостатом, могут давать энергосбережение вплоть до 25 %. А если в конвекторе есть высокоточный термостат, то удается сэкономить еще больше, как минимум 50 % электроэнергии.

Рис. 3.2. Устройство и принцип действия электрического конвекционного обогревателя


Рис. 3.3. Электрическая схема конвектора ЭВНБ: 1 – термовыключатель; 2 – электронагреватель трубчатый; 3 – регулятор температуры (термостат); 4 – колодка клеммная; 5 – арматура осветительная; 6 – шнур питания


Рис. 3.4. Органы управления конвектором: а – General; б – Energy; в – Etalon


Конвекторы могут комплектоваться специальным управляющим блоком, который позволяет программировать работу сразу нескольких приборов. Это очень удобно в большом офисе. Например, в целях экономии тепла можно установить ночную температуру +15 °C, а за час до прихода сотрудников протопить помещение.

Простота конструкции и отсутствие узлов трения (вентилятора) обеспечивают прибору бесшумность и срок службы не менее 10 лет. Через 10 лет производитель рекомендует приобрести модель с современным дизайном.

Современные конвекторы имеют надежную защиту от перегрева. Если вдруг нарушилась циркуляция теплого воздуха, например из-за случайно упавшего на него полотенца, то конвектор автоматически прекратит свою работу. Причем, как только причина перегрева будет устранена, прибор продолжит согревать помещение.

При пользовании конвектором исключается возможность ожогов или возгорания, поскольку отсутствуют обжигающие поверхности. Конвектор можно совершенно безопасно устанавливать на любые декоративные поверхности (пластик, дерево и т. п.). Эти нагревательные приборы просты и неприхотливы в эксплуатации – в отличие от городских радиаторов, конвекторы не содержат жидкостей, которые могут вытечь или замерзнуть. По эксплуатационным затратам этот вид отопления проигрывает только газу.

Для загородного дома особенно удобны конвекторы с электронными термостатами, т. к. их можно объединить в локальную сеть с централизованным управлением [2]. Конвектор равномерно прогревает помещение и при этом не сушит воздух. Экономить на отопительном оборудовании не стоит, лучше приобретать продукцию известных производителей. Только в этом случае отопительные приборы прослужат долго и избавят вас от лишних и ненужных хлопот.

Основной недостаток электрического конвектора заключается в том, что он прогревают помещение неравномерно по высоте. Теплый воздух скапливается под потолком, а у пола температура воздуха остается низкой, что свойственно и водяному отоплению. Еще один его недостаток – зависимость конвектора от источника электричества при его отключении. Поэтому в коттеджах, оборудованных электроконвекторами, обязательно нужно предусмотреть "аварийное" отопление (дровяной камин или автономную электростанцию). К слову, в тех районах, где отключение света носит систематический характер, электроконвекторы и вовсе ни к чему. Там лучше отапливаться от газового, дизельного или твердотопливного котла. Целесообразно сделать отопление с естественной циркуляцией теплоносителя, где движение котельной воды по трубам происходит за счет разности плотности горячей и обратной воды.


3.1.2. Определение количества конвекторов


Для того чтобы узнать оптимальное количество конвекторов для загородного дома, необходимо рассчитать потребность в тепле и теплопотери. При этом тепловые параметры каждой комнаты подсчитывают отдельно, и для нее определяют требуемое количество конвекторов.

Количество и мощность конвекторов определяют исходя из объема помещения, которое будет обогреваться. При выборе конвектора вначале оценивают его необходимую мощность, принимая во внимание, что на 1 м3 должно приходиться не менее 30 Вт, что соответствует 90 Вт на 1 м2 для потолка высотой 3 м. Если необходимо отапливать помещение не кирпичного дома, то желательно увеличить теплоотдачу до 100 Вт на 1 м2 или больше.

Для расчетов обычно принимают необходимую мощность для обогрева 1 м3 помещения исходя из его типа [3]:

• 20 Вт/м3 – для помещений с хорошей теплоизоляцией (по энергосберегающим стандартам скандинавских стран);

• 30 Вт/м3 – дома с утеплением стен и перекрытий, стеклопакетами на окнах;

• 40 Вт/м3 – слабо изолированные дома;

• 50 Вт/м3 – плохо изолированные здания.

Если приобрести более дорогостоящие конвекторы, например компании Siemens, то можно снизить расчетную теплоотдачу до 53 Вт на 1 м2 (при условии нормальной теплоизоляции) для потолка высотой 3 м. В этом случае лучше взять конвектор с запасом из расчета 60 Вт на 1 м2. Высокая стоимость конвекторов компании Siemens объясняется тем, что она в отличие от других производителей, применяет более дорогостоящие материалы с хорошей теплоотдачей (рис. 3.5).

Рис. 3.5. Конвектор Siemens Comfort. Comfort 2NC6 042 4L


Основная техническая характеристика конвектора – его мощность. Минимальная мощность современного прибора – 250 Вт, максимальная – 2,5 кВт при весе 6–8 кг и толщине не более 7 см. Для приблизительной оценки мощности конвектора можно воспользоваться формой, помещенной на сайте интернет-магазина haz.ru (http://www.haz.ru/statija/konvvib.shtml). В любом случае, исходя из сделанного расчета, можно подобрать конвекционный обогреватель, округляя полученный результат до ближайшего в большую сторону по мощности модели конвектора.

Пример

Для основного нагрева дома площадью в 75 м2 и высотой 2,5 м (объем 75x2,5 = 187,5 м3) слабо изолированного дома, т. е. с потребностью 40 Вт/ куб. м. необходимо 40x187,5 = 7500 Вт. Таким образом, можно разместить на этой площади три конвектора мощностью по 2,5 кВт. Если взять конвекторы мощностью 2,5 кВт модели NEOCLIMA Comforte L2,5 ЭВНА2,5/230C2(м) стоимостью 3300 руб, то общая стоимость покупки конвекторов составит 9900 руб.


Замечание

Для расчета точной стоимости конвекторов необходимой вам мощности можно воспользоваться калькулятором рас/IS чета стоимости конвектора на сайте ООО "Комфорт" (http://energy-market.ru/catalogue/convectors/).


3.1.3. Выбор модели конвектора


Стоимость конвекторов зависит от многих факторов и в первую очередь от технических характеристик. Например, представленные на рынке конвекторы Comfort Siemens (Германия) обойдутся отечественному потребителю от 3390 до 5050 руб., а конвекторы General (Япония) – от 1650 до 3240 руб.

Современные тепловые электрические конвекторы имеют множество модификаций. Стандартные модели электрических конвекторов различаются по форме (длинные и низкие, квадратные, высокие), месту положения (настенные и напольные электрические конвекторы) и другим параметрам. Встречаются также специальные брызгозащищенные электрические конвекторы для ванных комнат.

Все присутствующие на рынке конвекторы можно условно разделить по размерам на две группы: высокие (высота 40–45 см) и узкие, длинные (плинтусные, высота 15–20 см) (рис. 3.6). Первая группа имеет более высокотемпературные ТЭНы. За счет существенного подогрева и высоты конвектор создает тягу как в обычной печной трубе, которая значительно увеличивает теплообмен, из-за этого длина его незначительна.

Рис. 3.6. Размер конвекторов фирмы Atlantic в зависимости от мощности прибора


Плинтусные конвекторы удобны для установки под низкие окна, витражи. Температура нагревательного элемента несколько ниже, к тому же теплообмен на единицу длины ТЭНа меньше, т. к. нет эффекта тяги. Однако из-за того, что нагревательный элемент протяженнее, длина конвекторов доходит до 2,5 м. Эффективность по обогреву помещения у этих конвекторов не хуже, чем у высоких. Преимуществом плинтусных конвекторов специалисты считают более равномерный прогрев помещения. К их недостаткам можно отнести то, что не всегда удается найти место для их установки из-за большого количества мебели и различных домашних предметов в помещении.

При выборе конвектора следует обратить внимание на тип его нагревательного элемента. В современных конвекторах встречаются нагревательные элементы трех типов: ленточные, трубчатые и монолитные [4].

Нагревательный элемент ленточного типа или типа "стич" (от английского stitch – шить, стегать) представляет собой тонкую пластину (ленту) из диэлектрического материала, густо "прошитую" хромоникелевой нитью таким образом, что с обеих сторон образованы петли (рис. 3.7). Токопроводящая нить покрыта специальным изолирующим лаком, и ее рабочая температура довольно высока. Игольчатый нагреватель характеризуется минимальной тепловой инерцией нагрева. Он остывает практически моментально. Заметим, что конвекторы с незащищенной нитью накаливания не подходят для влажных помещений. Степень защиты у приборов с игольчатыми нагревателями не выше IP21 (см. прил. П3.Т), т. к. нет защиты от брызг и стекающей воды. Зато они самые дешевые в производстве.

Рис. 3.7. Нагревательный элемент игольчатого типа


Трубчатые электронагреватели, или ТЭНы, представляют собой металлическую трубку, заполненную кварцевой, керамической или магниевой засыпкой. Точно по центру электрического изолятора (сердцевины ТЭНа) проходит токопроводящая нихромовая нить определенного сопротивления для передачи необходимой удельной мощности на поверхность ТЭНа. Для лучшей конвекции тепла на поверхности трубки закреплено алюминиевое оребрение, по-другому еще называемое рефлектором или диффузором (рис. 3.8). Причем конфигурация и расположение рефлекторов на поверхности трубки могут варьироваться. Развитое оребрение обеспечивает более интенсивную теплопередачу от нагревателя к воздуху и усиливает конвекцию.

Рис. 3.8. Трубчатый электронагреватель (ТЭН) с алюминиевым оребрением


У трубчатых нагревательных элементов температура на поверхности существенно ниже, чем у раскаленной нити. К тому же они гораздо неприхотливее и долговечнее, чем ленточные. Как правило, у приборов с трубчатыми нагревателями маркировка IP24 (защита от водяных брызг во всех направлениях), а это значит, что они разрешены к установке во влажных помещениях на расстоянии не менее 60 см от «открытой воды» (ванны, бортика бассейна и пр.). Одним из недостатков трубчатых электронагревателей является их потрескивание при работе, вследствие разного температурного расширения стали и алюминия.

Нагревательные элементы третьего типа – "монолитные", лишены многих недостатков (рис. 3.9). Они бесшумны в работе и очень долговечны. Монолитная конструкция позволила свести к минимуму промежуточные теплопотери и еще больше снизить температуру на поверхности ребер по сравнению с ТЭНами. Обычно у приборов с такими нагревателями степень защиты IP24.

Рис. 3.9. Нагревательный элемент с литым алюминиевым корпусом


Купив электрические конвекторы, прежде всего, нужно учесть, что они являются серьезными потребителями электроэнергии. Особенно остро эта проблема встает, когда их применяют для основного отопления. Так, для обогрева небольшого коттеджа с общей отапливаемой площадью 200 м2 в период пиковой нагрузки понадобится порядка 20 кВт, и это не считая мощной бытовой техники, электроники и освещения. А на любой объект, будь то дачный поселок, многоквартирный дом, офисный центр, или предприятие, « Энергосбыт» выделяет определенную электрическую мощность. Так что суммарная (установочная) мощность всех электротехнических изделий и бытовой техники не должна превышать выделенную.

Стоимость конвекторов также варьируется в зависимости от применяемых термостатов. Так, у компании Atlantic (Франция) имеется три серии конвекторов. Основное их различие заключается в применяемых термостатах. В серии F17 применен механический термостат с точностью регулировки температуры до 1 °C. Конвектор Atlantic F17-3 Euro-590 стоит около 4025 руб.

В серии F117 используется электронный термостат с точностью поддержания температуры в помещении до 0,1 °C, что оборачивается значительной (до 10 %) экономией электроэнергии. Модель конвектора Atlantic F117-590 стоит 3875 руб.

В серии F18 установлен электронный термостат с хронокартой, позволяющий программировать работу конвектора на неделю вперед, что приводит к экономии до 25 % электроэнергии. Причем одна хронокарта способна управлять несколькими одновременно работающими конвекторами, число которых может достигать 20. Кроме того, в F18 имеются два режима работы (дневной и ночной) с возможностью установки рабочей температуры для каждого режима. Стоимость конвекторов этой серии колеблется от 5000 до 6500 руб.

В условиях загородного дома хорошо показали себя в работе конвекторы ленточного типа мощностью 2 кВт компании Energy (Франция). Они быстро нагревают помещение в зимнее время, например площадью 20 м2 за 30 мин, в то время когда на его протопку дровяной печью необходимо 2–3 часа.

Модельному ряду конвекторов Energy Light CEG присуща универсальность и экономичность. Их отличает ленточное исполнение нагревательного элемента, наличие датчика защиты от опрокидывания, оригинальный дизайн. Возможен как настенный вариант установки (на кронштейны), так и напольный (на ножки), которые приобретаются отдельно. Специально разработанная конструкция приборов Energy ускоряет естественную циркуляцию воздуха и способствует быстрому прогреву помещения, обеспечивая комфорт. Режим работы термостата позволяет длительное время поддерживать температуру нагревательного элемента от +50 до +70 °C, что делает обогреватель незаменимым для загородного жилья. В табл. 3.1 приведены характеристики настенных отопительных панелей (конвекторов) Energy (http://www.teplovam.ru/tov311.html).


Таблица 3.1. Характеристики настенных конвекторов Energy Light CEG

Общий вид конвектора Energy мощностью 2 кВт представлен на рис. 3.10.

Рис. 3.10. Электрический конвектор Energy, установленный под оконным проемом загородного дома


В настоящее время в российских торговых центрах можно встретить конвекторные электрообогреватели от таких компаний, как Atlantic, Noirot, Energy (Франция) Thermor (Франция), Dimplex (Канада), Nobo (Норвегия), Elegance (Финляндия), Stiebel Eltron, Ewt, Siemens (Германия), Protherm (Чехия) и проч. В продаже также имеются электроконвекторы отечественного производства и ближнего зарубежья: «Диполь» (г. Саратов), «Делсот» (г. Миасс), «Ладога» (г. Кировск), «Маяк», «Вика Интернэшнл» (Украина) и др. Отечественные модели по техническим параметрам не слишком уступают заграничным образцам, хотя иногда бывают неидеальными по дизайну.


3.1.4. Установка и уход за электрическим конвектором


К достоинствам электроконвекторов можно добавить и то, что при общих невысоких затратах на оборудование нет расходов на обслуживание и профилактику.

Настенный электроконвектор для получения наибольшего эффекта от его работы рекомендуется устанавливать на высоте до 1 м или под оконными проемами (рис. 3.10). Для обеспечения нормальной циркуляции воздушного потока нельзя заслонять электроконвектор предметами на расстоянии до 0,1 м.

Даже такой неприхотливый нагревательный прибор, как конвектор, тоже требует соблюдения основных правил эксплуатации. Все-таки следует иметь в виду, что конвектор это электроприбор, и соответственно, к нему применимы все те минимальные требования, которым должны соответствовать электроприборы. Если электроконвектор обладает высокой степенью электрической защиты, то его можно устанавливать в помещениях с высокой влажностью. В этом случае возможно даже попадание на корпус конвектора мелких брызг. Нагревательный элемент внутри конвектора закреплен таким образом, что не имеет прямого контакта с поверхностью кожуха. Не рекомендуем использовать конвектор в горизонтальном положении. Может сработать защита от опрокидывания, если она имеется в модели, и тогда конвектор просто перестанет нагреваться. Даже если защита и не сработает, эффективность нагрева будет минимальной, воздух просто не сможет должным образом циркулировать в нагревательном элементе. Прежде чем установить в сеть несколько приборов, убедитесь, что она способна выдержать нагрузку от нескольких электроконвекторов, включенных одновременно.

Для того чтобы сохранить рабочие характеристики электроконвектора, необходимо примерно два раза в год очищать нижние и верхние решетки прибора от пыли при помощи щетки или пылесоса.

Для облегчения чистки конвектор нужно демонтировать. У моделей различных фирм крепление конвектора оригинальное. Однако большинство таких устройств крепится на кронштейне. В качестве примера на рис. 3.11 показано снятие конвектора с кронштейна. Для этого отжимают фиксатор А и после этого снимают прибор.

Рис. 3.11. Демонтаж электроконвектора


Необходимо также каждые пять лет вызывать квалифицированного мастера для проверки внутренних элементов прибора.

При сильно загрязненном воздухе на поверхности может появиться грязь, в таком случае рекомендуется проверять проветриваемость помещения (вентиляция, поступление воздуха и т. п.) и чистоту воздуха.

Корпус прибора можно чистить только влажной тряпкой. Не применяйте абразивные порошки, а также вещества, содержащие кислоты и другие агрессивные компоненты, которые могут необратимо повредить поверхности прибора.


3.2. Электрический теплый пол


3.2.1. Общая информация


Электрический теплый пол (электрическая кабельная система отопления) обладает двумя неоспоримыми достоинствами – экономичностью и долговечностью. Принцип его работы состоит в нагреве с помощью специального электрического кабеля, вмонтированного в бетонный монолит пола. Электрический теплый пол хорош для небольших помещений, а для больших площадей (свыше 100 м2) предпочтительнее водяной «теплый пол». Главное отличие этих вариантов теплых полов заключается в том, что электрические системы обогрева может при желании собрать каждый по инструкции, а вот для монтажа водяного пола обязательно потребуется профессиональный специалист. Нагретый пол создает в помещении вертикальное распределение температуры с оптимальным по комфортности для человека градиентом: на полу 26 °C, в воздухе на высоте 1,5 м 22 °C, а на высоте 1,8 м 20 °C. Напольное отопление выгодно отличается от радиаторного, т. к. отпадает необходимость устанавливать радиаторы большей длины и большей толщины (рис. 3.12).

Рис. 3.12. Распределение температуры при напольном и радиаторном отоплении


В отличие от горячих радиаторов (более +70 °C) напольное отопление не способствует возникновению положительной ионизации воздуха, неблагоприятно влияющей на здоровье человека [5].

Настенные конвекторы и тепловентиляторы не создают хорошего градиента температур, у них самая высокая температура у потолка, а для обеспечения температурного комфорта они требуют больших энергозатрат (рис. 3.13.) [6]

Рис. 3.13. Сравнение градиента температур теплого пола с другими источниками тепла


Электрические теплые полы очень удобны при реконструкции помещений и рекомендованы, в первую очередь, для небольших площадей. Однако в России они менее популярны, чем в Европе. Это объясняется в первую очередь новизной и непривычностью электрической отопительной системы, а также ее некоторыми мнимыми «побочными эффектами», в частности якобы вредным воздействием на человеческий организм электромагнитного поля. Следует сказать о том, что кабели, использующиеся при монтаже электрических теплых полов, соответствуют всем нормам на электромагнитное излучение и совершенно электробезопасны.

Электрические кабельные теплые полы выпускаются в виде нагревательных пленок, нагревательных матов и кабеля на катушке (рис. 3.14).

Рис. 3.14. Электрические кабельные теплые полы в виде: а – нагревательных пленок; б – нагревательных матов и в – кабеля на катушке


В зависимости от конкретных условий (типа помещения, межэтажных перекрытий, напольных покрытий и т. д.) устройство теплого пола может быть различным. Межэтажные перекрытия бывают бетонными и деревянными, жилые помещения – с постоянным пребыванием людей (комната, спальня) и с временным (кухня, ванная, туалет), напольные покрытия – традиционными (доска, паркет, ламинат, линолеум и т. п.) и водостойкими (керамическая плитка). Система теплых полов в каждом случае имеет свои особенности.

Различия между этими видами теплых полов заключаются в основном в способе монтажа.

Состав системы "теплый пол":

• нагревательная секция;

• аппаратура управления (термостат с датчиком температуры);

• теплоизоляция;

• дополнительные материалы для монтажа.

На рис. 3.15. представлен комплект "Теплый пол" компании "Теплолюкс" (Россия) с одножильными нагревательными секциями Теплолюкс-Standart ТЛОЭ-2-13 стоимостью 2549 руб.[7].

Рис. 3.15. Комплект «Теплый пол» компании «Теплолюкс» (Россия): 1 – нагревательная секция; 2 – терморегулятор; 3 – монтажная лента; 4 – защитная гофрированная трубка для датчика температуры


Конструкция теплого пола представляет собой уложенный специальным способом электрический нагревательный кабель или пленочный обогреватель, к которым через терморегулятор подключается электричество. Внешне нагревательный кабель похож на обычный, однако его назначение иное – преобразовывать протекающий электрический ток в тепло. Небольшая часть электроэнергии (порядка 13 %) преобразуется в тепло в любом кабеле или проводе, но эту величину обычно стараются уменьшить. Для нагревательных кабелей все наоборот: все 100 % мощности должны быть преобразованы в тепло, причем выделение этой мощности на единице длины кабеля (удельное тепловыделение) – важнейший технический параметр нагревательных кабелей. Иначе говоря, нагревательный кабель – это нагревательный элемент, выполненный по кабельной технологии. Нагревательные секции монтируются в цементно-песчаную стяжку, нагревательные маты – непосредственно в слой плиточного клея, на старую стяжку. В нагревательных секциях и нагревательных матах используется кабель двух типов: одножильный или двухжильный. При укладке одножильного кабеля необходимо оба его конца вернуть в одну точку, при укладке двужильного кабеля возвращать второй конец кабеля в исходную точку не требуется. Типовая конструкция «теплого пола» представлена на рис. 3.16 [8].

Рис. 3.16. Типовая конструкция «теплого пола»


3.2.2. Системы управления для электрического обогрева терморегуляторы для теплого пола


Для управления электрическими системами отопления, системами комфортного подогрева пола, а также другими электрическими отопительными приборами, как правило, применяют термостаты (терморегуляторы).

Электронные термостаты автоматически поддерживают заданную температуру путем включения/выключения нагрузки (нагревательного элемента системы отопления) в зависимости от показаний датчика температуры, учитывая также влияние дополнительных источников тепла (солнце, бытовые электроприборы и т. п.).

Термостаты для теплого пола с датчиком температуры пола или(и) воздуха, в зависимости от функциональных возможностей, подразделяют на следующие группы:

• терморегуляторы с режимом экономии электроэнергии, позволяющие существенно снизить энергозатраты на отопление. Температура воздуха или теплого пола в помещении может быть понижена на 2–8 °C на период времени, когда нет необходимости поддерживать комфортный режим;

• терморегуляторы для теплого пола с ограничительным датчиком, позволяющие ограничивать max и min температуру теплого пола при заданной температуре воздуха. Ограничение температуры, кроме того, защищает нагревательный элемент, пол или потолок от чрезмерного перегрева (например, для деревянных построек);

• термостаты, совмещенные с программируемым таймером. Температура помещения поддерживается под управлением таймера, автоматически обеспечивающего режим понижения температуры для экономии электроэнергии. Таймер может быть запрограммирован на индивидуальные понижающие периоды: день, ночь и т. д.;

• интеллектуальные программируемые терморегуляторы для теплого пола поддерживают функции адаптации и определения расхода тепла, имеют встроенное реле времени с ЖК-дисплеем для программирования автоматического чередования режимов теплового комфорта и экономии энергии. Пользователю нет необходимости высчитывать, сколько времени понадобится для достижения нужной температуры, термостат " ознакомится" с помещением и сам рассчитает необходимое время. Функция определения расхода тепла позволяет рассчитать экономический эффект от вновь заданных программ (значений температур) и выбрать оптимальный режим работы.

В прил. П3.2 приведены основные модели терморегуляторов для теплого пола компании OJ Е1ес1хошс8 (Дания). Все термостаты, кроме OEC-1991H, имеют режим экономии электроэнергии, позволяющий существенно снизить энергозатраты на отопление.


3.2.3. Выбор типа теплого пола


При выборе вида теплого пола необходимо решить для себя: основная ли это будет система отопления или только комфортный подогрев. Если обогрев предназначен только для повышения температуры пола, то понадобится напольный датчик, который монтируется в специальном углублении между петлями нагревательного кабеля. В случае, если система отопления основная, она должна обогревать еще и помещение, то потребуется датчик воздуха, измеряющий температуру в помещении. Если необходимо, чтобы система отопления зимой обогревала помещение, а летом служила для подогрева пола, то придется установить датчики обоих типов.

Необходимо выяснить характер и особенности помещения, где планируется установить "теплый пол". Узнать у электрика, обслуживающего ваш район, достаточно ли электрической мощности для установки теплого пола. Выяснить у специалистов 1) насколько "умный" термостат необходим для вашего проекта; 2) какой вид теплоизоляции можно уложить в помещении, исходя из толщины существующего пола, его покрытия и наличия порогов дверей; 3) какой вид нагревательного кабеля доступен по цене.

Прояснив для себя эти вопросы, вы должны определить, можно ли увеличить толщину пола, т. к. стандартный теплый пол "Теплолюкс" подразумевает устройство стяжки не менее 3 см. Если вы не можете или не хотите увеличивать толщину пола, то следует выбрать комплект "Теплолюкс Мини". Заметим, что теплый пол "Теплолюкс" может функционировать как система комфортного подогрева пола и как основная система отопления.

При выборе теплого пола необходимо соблюдать рекомендации по установочной мощности системы [9]. Оптимальными для наших условий являются следующие: 80-100 Вт/м2 для помещений с постоянным пребыванием людей (комната, кухня, коридор и т. п.), при этом температура пола не должна превышать 27 °C; 100–120 Вт/м2 для помещений с кратковременным пребыванием людей (ванная, туалет, дорожки вокруг бассейна и т. п.), при этом температура пола не должна превышать 32 °C.

Нагревательный кабель должен иметь удельную мощность не более 17 Вт/м, причем увеличение этого параметра нежелательно, а шаг укладки не должен превышать 20 см (рис. 3.17).

Рис. 3.17. Кабель электрического теплого пола


Нагревательные кабели по принципу выделения тепла разделяют на два вида: резистивные и саморегулирующиеся. Основной элемент резистивного кабеля – нагревательная жила, большая часть проходящей через нее электроэнергии преобразуется в тепло. Резистивный кабель может быть как одножильным, так и двухжильным. Одножильный кабель – это самый простой вариант электрического теплого пола. В этом случае внутри кабеля по всей длине располагается только нагревательная жила, покрытая слоем изоляции и оплеткой. Так как ток может протекать только в замкнутой цепи, то, подключив один конец такого кабеля к электрической сети, бухту провода нужно раскатать по всей поверхности пола и вернуть второй конец кабеля в первоначальную точку для подключения.

Двухжильный кабель состоит из нагревательной и токопроводящей жил (рис. 3.18). Уровень электромагнитного излучения двухжильного кабеля значительно ниже, чем одножильного. Его величина соответствует предельно низким уровням электромагнитных излучений и лежит ниже уровня ПДН (предельно допустимая норма СНиП) для человека в 300 (!) раз. Этот кабель идеально подходит для обогрева таких помещений, как детские комнаты, спальни и кухни.

Рис. 3.18. Устройство двухжильного нагревательного кабеля


У резистивных кабелей есть один существенный недостаток. Если нагревательный провод будет иметь плохой контакт со стяжкой или поверхность пола сверху будет заставлена мебелью, то это может привести к перегреву кабеля и выходу его из строя.

Саморегулирующиеся кабели избавлены от указанного недостатка [10]. Здесь в качестве нагревательного элемента выступает специальная полимерная матрица (рис. 3.19). Этот кабель двухжильный, но обе жилы токопроводящие. Между ними находится специальный полимерный материал, который и выполняет функции нагревательного элемента. Преимущество такой схемы кроется в работе полимерной матрицы, сопротивление которой сильно зависит от температуры. Если какой-либо участок кабеля перегревается, его сопротивление резко увеличивается, в результате снижается сила тока и, соответственно, тепловыделение. Такой эффект возникает только в месте перегрева, в то время как остальной кабель по-прежнему продолжает работать как обычно. Саморегулирующийся кабель стоит в несколько раз дороже резистивного.

Рис. 3.19. Устройство и принцип работы саморегулирующегося кабеля: 1 – температура внешней среды увеличивается, связи разрываются и мощность уменьшается до минимума; 2 – температура снижается, число связей увеличивается, мощность увеличивается; 3 – если среда холодная, устанавливается максимальное число связей, мощность становится максимальной


Материал напольного покрытия для таких систем подогрева подходит практически любой, вплоть до паркета (правда, толщиной не более 20 мм). Толщину теплоизоляции можно снизить до 5-10 мм при увеличении мощности системы на 15–20 %. Не забывайте, что перед установкой системы «теплый пол» необходимо рассчитать теплопотери помещения. Мощность системы без аккумулирования тепла должна превышать расчетную величину на 5-10 %.

Следует учесть, что нагревательную секцию, как правило, укладывают на расстоянии 10–20 см от стен на свободную от мебели площадь (рис. 3.20). Следовательно, при использовании теплого пола в качестве основной системы отопления необходимо из общей площади обогрева вычесть площадь необогреваемых зон. Допустим, площадь помещения составляет 14 м2, а свободная площадь равна 10 м2. При основном отоплении потребуется мощность 1,8 кВт, при комфортном подогреве пола – 1,2 кВт.

Рис. 3.20. Схема укладки теплого пола: кабель укладывается на свободную от мебели и стационарного оборудования площадь


Шаг укладки нагревательного кабеля зависит от удельной мощности системы обогрева и вычисляется по формуле:

Шаг укладки = 100xS/L,

где шаг укладки, см; S – фактическая площадь, на которую укладывается нагревательная секция, м2; L – длина секции, м (указывается в паспорте секции).


Приведенный расчет очень прост, на практике приходится учитывать нюансы:

• первые и последние этажи зданий;

• большую площадь остекления (зимние сады, эркеры, балконы);

• ограждающие конструкции с недостаточной теплоизоляцией (тонкие стены, балконы и т. п.),

• покрытие пола специальными материалами с большой толщиной или высокой теплоемкостью (толстые плиты мрамора или гранита и т. п.).

Во всех этих случаях необходимо увеличивать мощность системы, а также проводить дополнительный теплотехнический расчет.


3.2.4. Стоимость теплого пола


Чтобы получить представление о стоимости теплого пола, в прил. П3.3 в качестве примера приведены цены компании «Сантехника для дома» (г. Москва) [11]. По разным оценкам стоимость устройства одного квадратного метра электрического теплого пола составляет от 600 до 1000 руб. В комплект входит кабель, монтажная лента для его фиксации и регулятор с датчиком. Монтаж системы составляет 30 % от стоимости оборудования.

Демонтаж старого пола (если необходимо) обойдется в 100150 руб./м2, стяжка – 200–300 руб./м2, укладка покрытия (например, плитки) – 500 руб./м2.

Сегодня в магазинах продаются кабели, терморегуляторы, лента, широкий ассортимент теплоизолирующих материалов и смесей для стяжки пола. Казалось бы, купи и делай. Однако обустроить систему обогрева совсем не просто. Хотелось бы предостеречь наших читателей от возможных ошибок: не рискуйте, доверьте это непростое занятие специалистам. В производстве теплых полов наиболее известными являются фирмы: "Теплолюкс" (Россия), Nixian (Норвегия) и Devi (Швецария).


3.2.5. Технология укладки кабельного теплого пола


Все системы электрического кабельного обогрева, независимо от назначения, будь то комфортный обогрев пола (теплый пол) или полное отопление помещения, монтируются по одному принципу. На рис. 3.21 приведены варианты монтажа нагревательного кабеля производства ООО «Национальный комфорт» (http://komfort74.ru/teplypol/vstagku).

Рис. 3.21. Варианты укладки нагревательного кабеля теплого пола: а – в стяжку на основе одножильных секций; б – универсальный теплый пол Green Box и теплый пол БНК на основе двужильных секций


В купленном комплекте теплого пола обычно имеется подробная инструкции по его установке. Известно несколько способов укладки нагревательного кабеля.

Например, при одном нагревательный кабель укладывают между двумя бетонными подушками во время двух рабочих операций, а при другом способе кабель заливают бетоном в процессе одной рабочей операции, при этом толщина пола может быть примерно на 3 см меньше, чем при предыдущем способе. При втором способе в качестве первого нижнего бетонного слоя используют специальную фольгированную пленку, которая позволяет избежать контакта нагревательного кабеля с теплоизоляцией.

Рассмотрим, в качестве примера, порядок монтажа кабельного теплого пола DEVI за одну рабочую операцию [12].

1. Подготовить в стене место для установки терморегулятора. Выбираем место установки терморегулятора теплого пола. Терморегулятор может быть установлен на стене в любом удобном месте на любой высоте. При установке систем обогрева пола в помещениях с повышенной влажностью терморегулятор выносят в сухое помещение. После выбора места установки терморегулятора производится подводка к этому месту электропитания и делается штроба под токоведущий провод нагревательного кабеля и провод термодатчика.

2. Вдоль стен установить полистирольный теплоизолятор толщиной 1 см.

3. На бетонную плиту уложить теплоизолятор толщиной не менее 2 см.

4. Уложить специальную фольгированную пленку. Стыки между отдельными полосами пленки, уложенной внахлест, необходимо склеить клейкой лентой.

5. Уложить монтажную ленту Devifast.

6. Уложить и закрепить на монтажной ленте нагревательный кабель (рис. 3.22). Расстояние между линиями кабеля определяет требуемую мощность системы подогрева.

Рис. 3.22. Порядок крепления нагревательного кабеля с помощью монтажной ленты Devifast: 1 – ленту крепят к полу с шагом 30–60 см в зависимости от шага укладки кабеля; 2 – отгибают язычок ленты; 3 – кабель огибают язычком; 4 – кабель огибают хомутом с другой стороны;5 – кабель фиксируют с помощью язычка, затем между линиями ленты кабель слегка натягивают и окончательно закрепляют


7. Подводящий провод кабеля протянуть через пластиковую трубку, ведущую к монтажной коробке терморегулятора.

8. Между линиями кабеля на том же уровне уложить и закрепить пластиковую гофрированную трубку с датчиком температуры пола. Датчик температуры должен располагаться внутри трубки вблизи ее конца. Необходимо убедиться в том, что датчик свободно перемещается внутри трубки, это позволит в случае неисправности заменить термодатчик, не вскрывая пол и стены.

9. Уложить слой бетонной стяжки толщиной не менее 30 мм. Особое внимание следует уделить качеству приготовления цементно-песчаной смеси. Для предотвращения образования трещин в бетоне желательно применение строительных волокон "Фибрин". Раствор для заливки должен иметь соответствующую влажность. Периодически необходимо увлажнять поверхность залитой стяжки. При отступлении от данной технологии возможно растрескивание стяжки и разделение ее на отдельные фрагменты.

10. После застывания стяжки и приобретения ею необходимой прочности (бетон набирает прочность примерно 72 часа) необходимо обрезать вдоль стен выступающие части изоляции.

11. Уложить напольное покрытие, например керамическую плитку.

12. Соединить нагревательный кабель и датчик температуры пола в монтажной коробке.

13. После полного затвердения раствора включить нагревательную систему. При включении в первый раз ощущение "теплого пола" может появиться через значительный промежуток времени (от 6 до 48 часов).


3.2.6. Дополнительные замечания по укладке нагревательного кабеля


При выполнении всех перечисленных требований по укладке кабеля толщина пола с уложенным на него покрытием, например, кафельной плиткой составляет около 5 см. Нередко при ремонте отдельных помещений в квартире невозможно увеличить уровень пола на такую высоту, т. к. тогда между остальными помещениями и ремонтируемым появится ступенька. Специально для изготовления теплого пола толщиной 1,5–2 см (в отличие от 5 см в предыдущем примере) фирма DEVI выпускает кабели DTIP-10 и DTIE-10 с уменьшенной удельной мощностью. Эти кабели раскладывают на бетонном основании так же, как и кабели DTIP-18 и DTIE-17 (из предыдущего примера), но шаг их укладки, в связи с меньшей удельной мощностью, меньше, что позволяет, соответственно, уменьшить толщину стяжки. Фактически стяжка в этом случае делается чуть больше толщины кабеля. Таким образом, толщина пола равна суммарной толщине кабеля, покрытия и слоя клеящего раствора. Так как стяжка в данном случае делается тонкой, использование теплоизоляции нежелательно из-за низких прочностных свойств получающегося пирога. Но даже при отсутствии теплоизолятора фактически все тепло, выделяемое кабелем, пойдет по кратчайшему пути через покрытие пола, а через нижнюю бетонную плиту будет теряться лишь незначительная часть тепла. Еще более просто укладывается так называемый Devimat. Он представляет собой тонкий (диаметром 2,7 мм) кабель, заранее закрепленный на пластиковой арматурной сетке. Devimat раскладывают непосредственно на бетонную плиту и затирают клеящим раствором, на который укладывают покрытие пола. Для кафельной плитки общая толщина такого теплого пола составляет 1,5–2 см, что заведомо достаточно для любого ремонтируемого помещения.

При установке "теплых полов" в помещениях большой площади может возникнуть необходимость прохода нагревательной секции через деформационный шов. В этом случае поступают согласно схеме, показанной на рис. 3.23.

Рис. 3.23. Проход нагревательной секции через деформационный шов


Важно обратить внимание на выбор и устройство теплоизоляции. Теплоизоляция позволяет уменьшить эксплуатационные расходы на 30–40 %. Это особенно важно, если «теплый пол» будет основной и единственной системой отопления. В данном случае наиболее целесообразно использовать пенополистирольные плиты из твердого ППС с маркой прочности не менее МЗО и толщиной 5-10 см, если позволяет структура пола. Поверх плит укладывают парогидроизоляцию и устраивают плавающую стяжку. Такая теплоизоляция обязательна и в теплоаккумулирующих системах.

При устройстве "теплых полов" в существующих помещениях, как правило, невозможно уложить толстые слои теплоизоляции. В этом случае применяют фольгированные теплоизоляционные материалы толщиной 3-10 мм, что позволяет добиться экономии 12–20 % электроэнергии. Пригодны только материалы, покрытые поверх фольги лавсаном, иначе фольгированный слой после заливки стяжки разрушится в течение 3–5 недель под действием щелочной среды.

При правильной установке теплого пола удельный расход энергии сопоставим с лампой накаливания в 40 Вт.


3.3. Теплый пол в деревянном загородном доме


3.3.1. Особенности электрического обогрева деревянного пола


Устройство теплого пола в деревянном загородном доме имеет свои особенности по сравнению с монтажом в обычной квартире городского типа [13]. Для обогрева деревянных полов обычно используют нагревательный кабель удельной мощностью не более 17 Вт/м. Чтобы избежать повреждения пола и растрескивания деревянного настила, необходимо учитывать следующее:

• удельная мощность системы обогрева деревянного пола не должна превышать 130 Вт/м2;

• толщина деревянного покрытия теплого пола не должна превышать 22 мм для мягких пород древесины (сосна, лиственница и т. п.) и 24 мм для твердых (дуб, бук и т. п.);

• нагревательный кабель должен быть равномерно уложен по всей площади обогреваемой поверхности деревянного пола;

• все материалы должны быть защищены от попадания влаги во время монтажа и установки напольного покрытия;

• в системах отопления помещений с деревянными полами должен использоваться электронный термостат с датчиками температуры воздуха и пола, ограничивающими максимальную температуру воздушной подушки под напольным деревянным покрытием до +40 °C;

• по возможности доски настила следует несколько дней выдержать на нагреваемом полу и только потом закрепить;

• не рекомендуется укладывать на обогреваемый паркет ковры значительной толщины, закрывающие всю площадь помещения.


3.3.2. Монтаж кабельной системы «Теплый пол» для деревянных полов


Перекрытия деревянного дома, как правило, не рассчитаны на вес бетонной стяжки, поэтому необходимо применять конструкцию теплого пола, показанную на рис. 3.24.

Рис. 3.24. Общий вид системы электрического обогрева деревянного пола


Нагревательный кабель укладывают в воздушную подушку под напольным покрытием (рис. 3.25).

Рис. 3.25. Сечение деревянного пола с системой электрического подогрева: 1 – черновой пол; 2 – опорные бруски; 3 – теплоизолятор; 4 – ламинированная фольга; 5 – нагревательный кабель; 6 – чистовой пол; 7 – воздушная подушка; 8 – межэтажная теплоизоляция; 9 – ограничительный датчик температуры пола


На черновом полу 1 на расстоянии 300–400 мм друг от друга устанавливают опорные бруски 2 толщиной 30–40 мм. Между опорными брусками прокладывают теплоизолятор 3 таким образом, чтобы образовалась воздушная подушка 7 высотой не менее 30 мм. Поверх теплоизоляции укладывают ламинированную фольгу или оцинкованную сетку 4 с заходом на опорные бруски на 10–15 мм. Нагревательный кабель 5 крепят с помощью монтажной ленты на опорных брусках или хомутами к сетке. Нагревательный кабель в деревянных полах должен быть уложен параллельно опорным брускам. Расстояние между кабелем и брусками должно составлять не менее 10 мм. В местах перехода кабеля через брусок в нем делают пропилы шириной 30 мм до теплоизоляции. В этом месте на брусок под нагревательный кабель прокладывают металлическую фольгу. На опорные бруски укладывают чистовой пол 6. Хорошие результаты получаются при использовании паркетной доски, шпунтованной половой доски из твердых пород дерева, многослойной фанеры с последующей установкой ламината и т. п.

По углам помещения в чистовом полу необходимо изготовить вентиляционные отверстия соответствующего сечения (на каждые 10 м2 пола 70 см2 отверстий). Применение межэтажной теплоизоляции 8 существенно увеличивает КПД системы отопления деревянного дома (до 95–98 %).


3.3.3. Монтаж пленочной системы «Теплый пол» для деревянных полов


Напольный пленочный нагреватель компании «РОСт» (г. Санкт-Петербург) используется в системе дополнительного комфортного отопления, поэтому площадь его покрытия должна совпадать с зонами жизнедеятельности человека [14].

Перед началом работ необходимо сделать следующее:

• Определить площадь и конфигурацию поверхности, на которую вы будете укладывать теплый пол (под мебелью пол обогревать необязательно, но если расположение мебели заранее неизвестно, ее размещение на зоне обогрева не повлияет на работоспособность системы). Полотна выбирают из типоразмерного ряда и располагают в виде мозаики. Плотность размещения пленочного электронагревателя (ПЛЭН) должна составлять 50–70 %.

• Определить пути подведения электропроводки, кабель-каналов.

• Подготовить поверхность для монтажа: освободить от лишних предметов, очистить от грязи и пыли.

• Подготовить необходимые материалы и инструменты:

– напольный пленочный нагреватель "РОСт";

– вспененный теплоизолирующий материал толщиной 3 мм, покрытый лавсановой металлизированной пленкой (например, изолон);

– воздушные терморегуляторы по количеству отапливаемых зон;

– монтажный скотч;

– универсальный крепежный элемент "РОСт" (УКЭ РОСт) при монтаже под песчано-цементную стяжку (рис. 3.26);

Рис. 3.26. Универсальные крепежные элементы «РОСт» (УКЭ РОСт) соответствуют требованиям нормативных документов: ГОСТ 1759,087, ГОСТ 1147-80, ГОСТ 10618-80


– термоусадочные трубки для герметичного соединения питающих проводов;

– клещи для снятия изоляции;

– промышленный фен;

– полиэтиленовую пленку толщиной не менее 200 мкм (при монтаже под песчано-цементную стяжку).

Последовательность монтажа теплого пола "РОСт" под черновой пол на лагах:

1. В пространстве между лагами закрепить изолон фольгированной стороной вверх с помощью универсального крепежного элемента (см. рис. 3.26). При укладке лаг поверх изолона дополнительное крепление на УКЭ не требуется (рис. 3.27).

Рис. 3.27. Крепление изолона: а – с помощью универсального крепежного элемента; б – без универсального крепежного элемента


2. Закрепить ПЛЭН поверх изолона на скотч по всему периметру элементов.

3. Опрессовать все соединения термоусадочной трубкой. За счет этого будет достигнута герметичность соединений.

4. После завершения коммутации проводов приклеить электропроводку к изолону монтажным скотчем.

5. Установить воздушный терморегулятор на высоте 2–3 см от плинтуса в защищенном от сквозняков месте.

6. После завершения коммутации электропроводки и установки необходимого электрооборудования необходимо подать питание и проверить работоспособность всех элементов ПЛЭН, при возможности замерить температуру на поверхности с помощью пирометра (рис. 3.28).

Рис. 3.28. Подключение ПЛЭН РОСт на 220 В


7. После этого можно укладывать на лаги чистовой пол. Крепление чистового пола осуществляется только в лаги, в противном случае можно повредить элементы ПЛЭН, что приведет к короткому замыканию и выведет систему из строя.

Неотъемлемой частью системы пленочного обогрева "РОСт" являются воздушные терморегуляторы. Т ерморегулятор монтируют на внутренней стене, не подверженной попаданию прямых солнечных лучей (теневая сторона) на высоте 2–3 см от пола, при этом необходимо заложить теплоизолирующий материал (например, изолон), чтобы надежно изолировать от стены. Нельзя располагать терморегуляторы в зонах сквозняка. В системе обогрева можно использовать механические терморегуляторы, например TA3n итальянской фирмы IMIT или программируемые EN 6073 (рис. 3.29).

Рис. 3.29. Электромеханический комнатный термостат TA3n-10 с индикатором функционирования и переключателем on/off (а) и комнатный электронный программированный хронотермостат IMIT BLUE (б)


На терморегуляторе задают требуемое значение температуры воздуха. При падении температуры на 1 °C терморегулятор напрямую или через магнитный контактор подает напряжение на нагреватель и начинается прогрев помещения. Когда температура достигает заданной, цепь разрывается. Зона нечувствительности большинства терморегуляторов находится в диапазоне 1 °C. Благодаря этому система отопления на основе элементов РОСт способна поддерживать температуру в помещении с точностью до 1 °C.


3.3.4. Нагревательная фольга для теплого пола


В конструкциях теплых полов реализованы самые современные технологии. Примером может быть использование вместо нагревательного кабеля нагревательной фольги на деревянном основании [15] (рис. 3.30).

Рис. 3.30. Рулон нагревательной фольги


Нагревательная фольга Fenix EcoFilm производится компанией Flexel (Шотландия), входящей в Fenix Group Holding (Чехия) и нашла применение для подогрева полов с ламинированным или деревянным напольным покрытием.

В фольге Fenix Ecofilm нагревательным элементом служат тончайшие полоски из токопроводящего резистивного гомогенизированного графита. Этот материал разработан в лабораториях фирмы Flexel в сотрудничестве с учеными и специалистами шотландских университетов и производится по особой технологии. Черные токопроводящие полоски наносятся на тонкий, гибкий и прозрачный полимер с выраженными диэлектрическими свойствами (рис. 3.31). Напряжение 220 В подается по медным проводникам, к которым подключены нагревательные элементы. Получившаяся конструкция ламинируется сверху и становится электрически изолированной.

Рис. 3.31. Устройство нагревательной фольги Fenix EcoFilm


Нагревательная фольга Fenix EcoFilm поставляется в рулонах и нарезается по мере необходимости. Нагревательная фольга Fenix EcoFilm выпускается с различной удельной мощностью, что позволяет удовлетворить широким условиям применения. Возможность нарезки нагревательной пленки позволяет установить систему обогрева в помещениях практически любой конфигурации. Толщина самой нагревательной фольги очень мала (менее 0,5 мм).

При установке системы теплый пол в загородных домах или при наличии деревянных перекрытий с лагами между ними необходимо обеспечить качественную теплоизоляцию (рис. 3.32). Для этого поверх лагов наносится основание для пола. В остальном конструкции теплого пола для деревянных и бетонных перекрытий идентичны. Выравнивание поверхности пола в данном случае не требуется.

Рис. 3.32. Конструкция теплого пола с нагревательной фольгой на деревянном основании: 1 – напольное покрытие (ламинат, паркетная доска); 2 – теплоизоляция (ISOVER, ORSIL, ROTAfLeX и т. п.); 3 – фольга ECOFILM F608-F 615 (80-150 Вт/м2); 4 – подложка (пробка 2 мм); 5 – основание пола (гипсокартон, фанера 22 мм и т. п.); 6 – термоизоляция (ISOVER, ORSIL, ROTAFLEX и т. п.); 7 – деревянная несущая конструкция пола (лаги)


Система «теплый пол» на основе нагревательной фольги Fenix Ecofilm F практически не влияет на высоту пола, поскольку толщина теплоизоляции, служащей также подложкой для ламината, составляет всего 2 мм, как и для стандартной подложки под ламинат. Для обустройства системы «теплый пол» под ламинат сегодня на рынке России можно купить нагревательную фольгу Fenix EcoFilm F 608 с удельной мощностью 80 Вт/м2 и Fenix Ecofilm F 615–150 Вт/м2 (табл. 3.2) [16]. Fenix EcoFilm F 608 обеспечивает подогрев пола до комфортной температуры (поверхность пола не кажется холодной). Fenix EcoFilm F 615 прогревает поверхность сильнее. В условиях средней полосы лучше выбрать фольгу Fenix EcoFilm F 615 с удельной мощностью 150 Вт/м2. Ширина нагревательной фольги Fenix EcoFflm F составляет 60 см, ширина греющей части – 50 см. Пассивные полоски шириной 5 см расположены по краям с целью улучшения диэлектрических свойств нагревательной пленки и могут использоваться для удобства монтажа.


Таблица 3.2. Характеристики и цена некоторых типов нагревательной фольги Fenix EcoFilm

 

3.3.5. Приборы управления для систем электрического обогрева деревянного пола


При устройстве системы «теплый пол» для обогрева деревянного пола следует обязательно предусмотреть контроль температуры в воздушной подушке 7 (см. рис. 3.25). Для управления системой обогрева деревянного пола применяют специальные электронные термостаты (например, OTD-1999H, OCD2-1999H1 и OJ Electronics производства Дании), которые должны иметь датчики температуры воздуха и пола и ограничивать температуру воздушной подушки на уровне не более +40 °C (рис. 3.34). Технические характеристики этих термостатов приведены в прил. П3.2.

Рис. 3.34. Термостаты OTD-1999H (а) и OCD2-1999H1 (б) производства OJ Electronics (Дания)


Терморегуляторы OTD-1999H и OCD2-1999H1 позволяют ограничивать максимальную и минимальную температуру теплого пола при заданной температуре воздуха. Это обеспечивает защиту нагревательного элемента, пола или потолка от чрезмерного перегрева (например, при устройстве теплого пола в домах с перекрытиями из дерева).


3.3.6. Расчет стоимости комплекта «Теплый пол» для деревянного пола


При выборе комплекта теплого пола желательно обращаться к квалифицированным специалистам. Вопросами установки теплого пола в деревянных домах занимается, в частности, ООО «БЭТ СПб» (г. Санкт-Петербург) [17].

Быстро оценить стоимость комплекта "Теплый пол" можно самостоятельно в режиме on-line по адресу в Интернете: http://bet.spb.ru/calc.php (рис. 3.35). Для расчета стоимости достаточно указать характеристики помещения, предназначенного для установки теплого пола. Калькулятор подберет оптимальный комплект, состоящий из нагревательного кабеля необходимой мощности для вашей площади обогрева, термостата и монтажных аксессуаров. В результате вы получите стоимость теплого пола и сможете сразу отправить заявку компании ООО « БЭТ СПб».

Рис. 3.35. Калькулятор стоимости комплекта «Теплый пол» ООО «БЭТ СПб» в режиме on-line-вычислений для деревянного коттеджа


Замечание

Данный расчет дает только предварительную оценку затрат на оборудование системы "Теплый пол". За дополнительной консультацией необходимо обратиться к менеджерам компании.


Замечание

Калькулятор стоимости комплекта "Теплый пол" ООО "БЭТ СПб" производит вычисления не только для деревянного коттеджа, но и для городской квартиры в многоэтажном доме.


3.3.7. Рекомендации специалистов


Если вы заранее спланируете обогрев помещения с помощью системы электрического «теплого пола», то можно сэкономить, не укладывая электрокабель или маты в местах, где будет размещена мебель.

Не следует размещать пульт управления системой "теплых полов" в труднодоступном месте, например за шкафом. В то же время он должен быть недоступен для детей.

Системы "теплого пола" весьма эффективны, однако не всегда следует отказываться от центрального отопления, выбрать правильный вариант вам помогут специалисты, сделав расчет теплопотерь конкретного помещения.


3.4. Неэлектрические системы отопления


Чтобы быть уверенными, что в вашем доме будет всегда тепло, стоит позаботиться об использовании разных источников энергии. К примеру, установить печку или камин на твердом топливе, а возможно и котел, работающий на разных видах топлива (хотя это довольно дорогое решение).


3.4.1. Общие сведения


Печное отопление имеет много достоинств [18]. Это и простота обслуживания, малая металлоемкость, возможность строительства из местных материалов, относительно высокий КПД (до 90 %). Ни один камин не обеспечивает такой КПД. Печи из качественного кирпича высокой плотности сравнительно быстро начинают «отдавать» тепло в обогреваемое помещение, имеют большую теплоемкость (долго греют), экономичны и долговечны. Печная конструкция позволяет регулировать процесс горения и оптимально сохранять и использовать тепло, выделяемое топливом.

Когда зимой слишком холодно, то электрические конвекторы не справляются со своей задачей и в загородном доме не хватает тепла и уюта. Но желание быть ближе к природе не покидает, возвращаться в город еще не тянет. В этом случае существует прекрасное решение проблемы: использовать современные печки на твердом топливе. В этом случае, естественно, потребуется монтаж современного дымохода. Если дом двухэтажный, то потребуются две печи (желательно различной конструкции): одна на нижнем, а вторая на верхнем этаже.

Бытовые печи по своему назначению бывают:

• отопительные;

• отопительно-варочные;

• варочные;

• русские;

• каменки для русской бани.

Оптимальный вариант для загородного дома – отопительная или отопительно-варочная печь. Для обогрева жилых помещений нужна печь с высоким КПД. Если печь правильно сложена и рационально эксплуатируется, то ее КПД составляет 80–85 %. Эго примерно столько же, сколько у электрообогревателей, и немного больше КПД водяных отопительных приборов. (КПД камина составляет только 20–35 %.)

Температура наружной поверхности отопительной печи не должна превышать 60 °C, а в отдельных ее точках 80–90 °C. Печь должна нагреваться медленно и долго сохранять тепло. Все это возможно в том случае, когда толщина стенок печи составляет не меньше 1/2 кирпича.

Важная характеристика печи – ее теплоотдача. В среднем при одной топке в сутки удельная теплоотдача печи должна равняться 290–350 Вт/м2, а при двух топках 520–580 Вт/м2. Если печь имеет закрытые поверхности, обращенные к стене дома, то теплоотдачу печи рассчитывают, применяя поправочный коэффициент, равный 0,75-1.

Необходимо учитывать, что в течение суток теплоотдача отопительной печи изменяется, а максимального значения достигает примерно через 1,5–2 ч после начала работы для тонкостенных печей и через 2,5–3 ч для толстостенных. Через 10 ч печь начнет охлаждаться, температура воздуха в комнате снизится и выровняется за счет тепла, отдаваемого нагретыми предметами. Для печей с толстыми стенками колебания температуры не так заметны, потому что чем толще стенки, тем дольше печь сохраняет тепло.


3.4.2. Современные печи для загородного дома


Существуют различные конструкции печей. Современные печи отличаются от старых традиционных печей своей конструкцией, материалами, но они сохранили главный принцип работы, основанный на сжигании топлива в топливнике печи. По своему назначению печи делятся на отопительные, варочные, отопительно-варочные и печи-камины.


Отопительные печи


Отопительная печь предназначена только для обогрева помещения. Ее КПД достигает 90 %. Такая печь может быть настоящим произведением искусства и способна украсить интерьер. Размеры и форма печи зависят от предъявляемых требований и условий строительства.


Варочные печи


Варочная печь применяется для приготовления пищи и, частично, для обогрева небольших помещений. Такая печь незаменима для кухни, сельскохозяйственных и дачных нужд. КПД минимальный в семействе печей (30–50 %). Самая распространенная конструкция – варочная плита – применяется, в основном, в загородных домах и на дачах. Может оснащаться духовкой, полками для сушки ягод, грибов и трав, а также для сушки посуды.


Отопительно-варочные печи


Отопительно-варочная печь объединяет качества отопительных и варочных печей. Такая конструкция наиболее приемлема для дачных построек, где при небольшом объеме помещения комбинированная печь способна обеспечить обогрев и возможность одновременно приготовить пищу. КПД отопительно-варочной печи около 60 %. Дополнительно печь можно снабдить водогрейным баком либо змеевиком, соединенным с накопителем воды.


Печи-камины


Печь-камин – это комбинация из двух кирпичных конструкций аккумуляционного типа, периодического действия, работающих принципиально по-разному, имеющих два топливника, разные трубы (или одну общую трубу), и способных функционировать независимо друг от друга.

Печи-камины выполняют двойную функцию: камин быстро обогревает помещение лучистым теплом и вытягивает холодный сырой воздух, а печь равномерно, медленно прогревает помещение и долго поддерживает тепло.


Модели современных печей


Для загородных домов, где нет подвода газа, наиболее подходят конвекционные отопительно-варочные печи, работающие на дровах. Для саун предпочтительны дровяные каменки. Современные дровяные печи для установки в доме представляют собой целое произведение искусства. Они украшают интерьер и радуют глаз (рис. 3.36).

Рис. 3.36. Современные конвекционные дровяные печи для загородного дома


Рассмотрим некоторые модели современных дровяных печей для загородного дома, которые можно приобрести на рынке России.


Дровяная каменка HARVIA WKM3 Harvia M3


Дровяная печь HARVIA (рис. 3.37), пожалуй, остается одной из лучших среди аналогичных товаров на рынке [19, 20]. Независимо от модели дровяная печь HARVIA совмещает в себе оптимальные рабочие характеристики, качество, безопасность, экономичность и надежность. Все это достигается за счет использования современных технологий и качественных материалов для изготовления печей.

Рис. 3.37. Дровяная печь HARVIA WKM3 Harvia M3


Дровяная печь-каменка HARVIA для сауны разработана фирмой Harvia, мировым лидером по производству каменок. В дизайне печи выдержан стиль и учтены удобство и безопасность.

Если на первом этаже загородного дома расположена сауна с предбанником, кухня и прихожая, то дровяная печь-каменка, установленная в сауне, может служить для отопления всех помещений. В этом случае печь выполняет две функции: нагревает сауну и отапливает кухню с прихожей. Тепло от разогретой печи поступает в кухню через вентиляционное отверстие и открытые двери сауны и предбанника (рис. 3.38).

Рис. 3.38. Путь теплого воздуха из сауны: предбанник – кухня – прихожая загородного дома


Отопительная конвекционная дровяная печь Milano II


Печь Milano II (рис. 3.39) разработана известной немецкой фирмой THORMA и производится в Словакии (http://www.prometeyspb.ru/catalog/). Конвекционная дровяная печь Milano II имеет двойной стальной корпус. Двойная оболочка представляет собой конвекционную камеру. Между корпусами проходит конвекционный воздух, что позволяет быстро обогревать помещение. Печь способна отопить площадь 48-124 м2. Ее мощность равна 5 кВт, КПД составляет 72 %, вес – 72 кг. Стоимость печи 15 000 руб. [21].

Рис. 3.39. Отопительная конвекционная дровяная печь Milano II производства Словакии на втором этаже загородного дома


Внутри корпуса расположена топочная часть, выполненная из шамотной керамики. Дверцы изготовлены из прочного сфероидного чугуна. У печи имеется система «чистое стекло», которая уменьшает степень загрязнения стекла дымовыми газами.

Дымоход у печи Milano II находится сзади корпуса и имеет диаметр 120 мм. Для отвода продуктов сгорания от печи подходит дымоход "Вулкан" (рис. 3.40) [22], представляющий собой двустенную конструкцию с проложенной между стенками изоляцией. Часто его называют "сэндвич-дымоход". В качестве теплоизоляции у дымоходов "Вулкан" применяется базальтовая огнеупорная вата производства фирмы Rockwool. Дымоход типа "сэндвич" в отношении пожарной безопасности еще более надежен, чем другие типы дымоходов. Именно поэтому такой дымоход рекомендуют для установки в деревянных домах и банях.

Рис. 3.40. Внешний вид и внутреннее устройство отопительной конвекционной дровяной печи Milano II с двустенным дымоходом «Вулкан»


Замечание

В любом случае, даже при наличии дымохода с изоляцией необходимо помнить о правилах противопожарной безопасности.


Режим «длительного горения» печи устанавливается с помощью ручек подачи воздуха. Можно отрегулировать нужный режим работы, в том числе и для длительного горения в течение пяти часов. Дожигание дымовых газов в печи достигается с помощью встроенного в печь каминного зуба.

Загрузка дров в печь вертикальная. Для сжигания пригодны дрова размером до 40 см. Топливом могут служить дрова и брикеты. У печи вместительный зольник с отдельной дверцей. Механизм сброса золы позволяет улучшить подачу воздуха даже в процессе горения.

Печь имеет варочную поверхность: сверху расположен "прогар" для приготовления пищи. Для защиты варочной поверхности в нерабочем состоянии предусмотрена стальная крышка (рис. 3.41).

Рис. 3.41. Отопительная конвекционная дровяная печь Milano II с открывающейся дополнительной крышкой и варочной поверхностью


Конвекционная дровяная печь выпускается черного, бежевого и белого цветов. Диаметр дымохода 120 мм. Размеры печи: высота 890 мм, длина 380 мм, ширина 360 мм.

Ознакомиться и приобрести понравившуюся модель современной отопительной печи для загородного дома можно по адресам в Интернете http://www.topka.su/category, http://kamin.ru/good2568.html и др.


Установка дымохода


Система дымоудаления (или попросту дымоход), с помощью которой дым от сгорания топлива в отопительном агрегате выводится наружу, пожалуй, одна из самых важных частей системы отопления. При организации дровяного отопления сооружению дымохода нужно уделять повышенное внимание, т. к. от правильности его устройства зависит не только эффективность работы печей, каминов и других аналогичных отопительных устройств, но и безопасность проживания в доме. Задымление, обратная тяга и, наконец, пожар, – все это может произойти в результате непродуманного и безответственного отношения к дымоходам.

Оптимальный вариант дымохода – теплоизолированный дымоход, так называемый "сэндвич" (рис. 3.42). В "теплых" трубах дымохода практически не образуется конденсат, гораздо меньше отложений сажи, а служить дымоход будет очень долго, не требуя особого ухода.

Рис. 3.42. Дымоход «сэндвич» и составляющие его узлы


Основные требования к дымоходу


Основные требования, предъявляемые к дымоходу, определены в « Правилах производства трубо-печных работ», разработанных ВДПО:

• дымовые каналы (трубы) печей и других отопительных агрегатов на твердом топливе должны обеспечивать полное удаление продуктов горения в атмосферу;

• для каждой печи и каждого отопительного агрегата следует предусматривать, как правило, отдельную дымовую трубу;

• дымовые трубы необходимо устраивать вертикально без уступов и без уменьшения сечения;

• площадь сечения дымовой трубы должна быть не менее площади дымоотводящего патрубка отопительного агрегата;

• высоту дымовых труб для печей по всей длине следует принимать не менее 5 м;

• металлические трубы должны быть из высококачественной специально легированной стали с повышенной коррозионной стойкостью, толщиной стенок не менее 1 мм;

• места стыков звеньев надсадных труб следует размещать вне междуэтажных и чердачных перекрытий;

• в дымовых трубах необходимо предусматривать устройства для очистки каналов от сажистых отложений;

• конструкции зданий из горючих материалов (стены, перегородки, перекрытия, балки), примыкающие к дымовым каналам, следует защищать от возгорания разделками из негорючих материалов;

• при пересечении дымовыми каналами конструкции перекрытий из горючих материалов необходимо устраивать горизонтальные разделки.


Высота дымохода


Возвышение дымовых труб следует принимать:

• не менее 500 мм над плоской кровлей;

• не менее 500 мм над коньком кровли при расположении трубы на расстоянии до 1,5 м от конька;

• не ниже конька кровли при расположении дымовой трубы на расстоянии от 1,5 до 3 м от конька;

• не ниже линии, проведенной от конька вниз под углом 10° к горизонту, при расположении дымовой трубы на расстоянии более 3 м от конька.

Варианты размещения металлических дымоходов над кровлей показаны на рис. 3.43.

Рис. 3.43. Варианты размещения металлических дымоходов над кровлей


Дымоход необходимо приподнять на 500 мм выше верхней точки всех пристроек к отапливаемому зданию. Дымоходы на зданиях с кровлями из горючих материалов нужно выводить выше конька крыши на 1–1,5 м. При расчете возвышения дымохода также следует учесть наличие стоящих рядом более высоких зданий или сооружений.


Порядок монтажа дымохода типа «сэндвич»


Рассмотрим пример монтажа двухконтурной системы дымоходов [23]. Элементы монтируют снизу (от отопительного агрегата) вверх, причем внутреннюю трубу вставляют внутрь предшествующей, а наружную трубу одевают на предыдущую, что препятствует попаданию влаги на минераловатный утеплитель. Для лучшей герметизации труб желательно выбрать герметик с рабочей температурой не менее 1000 °C. Места стыков труб и других изделий (тройники, отводы и т. д.) нужно скрепить хомутами. На каждые два метра дымохода необходимо устанавливать кронштейн крепления к стене, а тройник должен иметь опорный кронштейн. Дымоход печи не должен иметь горизонтальных участков длиной более 1 м.


3.4.3. Правила эксплуатации дровяных печей


В качестве топлива рекомендуется применять дрова твердых пород древесины, которые обеспечивают ровное спокойное пламя [24]. Твердая древесина (береза, дуб, ясень, бук и т. п.) дает хороший жар и медленно сгорает. Менее плотная древесина мягких и хвойных пород (сосна, ель, тополь и липа) дает больше огня, но меньше углей и тепла.

Предпочтительнее березовые дрова, т. к. в процессе сгорания они выделяют много тепла и минимальное количество угарного газа, но дают большое количество сажи. Ольха и осина, наоборот, имеют способность выжигать сажу из дымохода. Дрова из лиственницы также выделяют много тепла, они быстро нагревают массив печи и поэтому их расход гораздо меньше, чем березовых. Однако после сгорания такие дрова выделяют большое количество угарного газа, что требует очень внимательного отношения при манипуляциях с воздушной заслонкой.

Поленья не должны быть мелкими, длина их должна составлять от 2/3 до 3/4 ширины топочного отверстия.

Свежесрубленные дрова будут плохо гореть, сильно дымить и способствовать образованию конденсата в трубе. Для розжига желательно использовать бумагу, бересту, смоляные лучины. Это позволит удалить холодный воздух из дымохода, создать тягу и обеспечить температуру воспламенения дров 300–350 °C. В холодное время, если печь долго не использовали, растопку лучше начинать при открытой задвижке летнего хода. После воспламенения в топку необходимо положить сухие поленья.

Дрова должны быть высушены в течение 1–2 лет и иметь максимальную влажность 15 %. При топке сырыми дровами потеря теплоты сгорания может достигать по данным финских источников 34–57 %. Кроме того, печь быстро засоряется сажей. Часть теплоты, выделяемая при сгорании топлива, расходуется на выпаривание воды, содержащейся в нем. Теплота, затраченная на выпаривание воды, теряется с выходящим в трубу паром. Желательно иметь дрова примерно одинаковой толщины (5-10 см) и влажности, чтобы они сгорали с одинаковым разрывом во времени. В противном случае бывает, что несгоревшие одиночные головешки отбирают больше тепла, чем дают, т. к. до полного их сгорания трубу не закроешь.

Максимальная теплоотдача печи достигается при двух топках в сутки (утром и вечером). Когда на улице тепло, топят один раз. Топочную дверку во время топки желательно открывать как можно реже. При ее открывании в топку попадает большое количество воздуха, не участвующего в горении, который охлаждает печь.

Чтобы печь работала долго и не требовала чистки, не сжигайте в ней мусор, особенно полимеры; гнилые и мокрые дрова; дерево, покрытое лаком или краской; бумагу и картон. Возникающие во время горения этих материалов вещества оседают на стенках печи и многократно увеличивают риск пожара и засоряют окружающую среду.


Внимание!

Нельзя топить дровяную печь углем и коксом.


При эксплуатации дровяной печи запрещается:

• растапливать печь легковоспламеняющимися или горючими жидкостями, пиротехническими веществами;

• использовать для растопки спирт, бензин, растворители и подобные им вещества, поскольку при этом возникает угроза взрыва или теплового удара вследствие резкого подъема температуры;

• применять каменный уголь, кокс, торф, жидкие и газообразные виды топлива;

• бросать в топку бытовые отходы, изделия из пластмассы и прочих материалов, которые могут привести к загрязнению окружающей среды и возникновению огня в дымоходе вследствие его загрязнения;

• поливать чугунные дверки с огнеупорным стеклом и без него водой во время эксплуатации или когда они находятся в нагретом состоянии во избежание растрескивания стекла или самой дверки;

• удалять сажу из дымового канала путем выжигания;

• топить печи во время проведения в помещении массовых мероприятий;

• перекаливать печь;

• топить печь в стадии строительства здания, когда нет проектного теплового контура. При этом, как правило, происходит перетапливание печи и ее разрушение;

• протапливать печь в зимнее время с открытой задвижкой прямого хода. В этом случае попытка протопить помещение приводит к перетапливанию печи, неравномерному прогреву стенок и разрушению печи.

Не рекомендуется:

• эксплуатировать печь при неисправности кладки топки и дымового канала;

• класть в топку поленья, превышающие длину топки, топить поленьями диаметром более 150 мм;

• оставлять без присмотра растопленную печь;

• допускать, чтобы топливо продолжало гореть ночью, когда некому следить за огнем.


3.5. Комбинированная система отопления загородного дома


Система отопления загородного дома с помощью дровяной каменки HARVIA WKM3 HARVIA M3 и отопительной конвекционной дровяной печи производства Словакии должна работать вместе с тремя электрическими конвекторами мощностью по 2 кВт каждый. Это важно особенно зимой, когда вы приезжаете в дом, в котором минусовая температура. В условиях Северо-Запада России бывает, что температура в неотапливаемом доме опускается до -15 °C. В этом случае для быстрого нагрева помещений включают электрические конвекторы и растапливают печи. Когда во время протопки помещения его температура достигнет +15…+18 °C, конвекторы отключают, и дальше температуру повышают за счет сжигания дров.

Практика показала, что, используя зимой на первом этаже дровяную каменку HARVIA WKM3 Harvia M3 и на втором этаже отопительную конвекционную дровяную печь производства Словакии, удается протопить двухэтажный деревянный дом из бруса общей площадью 56 м2 за 2–2,5 часа до средней температуры +15 °C. Время протопки зависит от температуры воздуха на дворе. При этом тепло в доме сохраняется в течение 8-10 часов. Две печи работают на один дымоход сэндвич.


Глава 4

Водоснабжение дома


Конструкция системы водоснабжения загородного дома в значительной степени определяется природой источника воды. От этого зависит наличие в составе системы тех или иных элементов, которые повлияют на стоимость и особенности эксплуатации.


4.1. Источники водоснабжения


При постройке загородного дома, после решения вопроса о его электроснабжении, главным становится задача водоснабжения [1]. В зависимости от местоположения дома его водоснабжение можно осуществить с помощью подвода трубопровода от следующих основных источников воды:

• магистральный водопровод;

• водяная скважина;

• колодец.


4.1.1. Магистральный водопровод


Если недалеко от участка проходит магистраль с водой, то от нее к дому прокладывают дюймовую трубу, желательно ниже глубины промерзания грунта. Если нет возможности заглубить трубу, то ее утепляют.

Узел подключения домашнего водопровода к магистрали располагают в кирпичном или бетонном колодце со скобами в стенках для спуска и подъема. В этом колодце (размером примерно 90x100 см) размещают запорный кран для магистрали, затвор внутреннего водопровода и при необходимости водомер. Чтобы полностью сливать воду из сети при ее ремонте или на зиму при сезонном проживании, дно колодца опускают глубже самого нижнего уровня домашнего водопровода. Колодец надежно защищают от промерзания, предупреждают проникновение в него грунтовой и паводковой воды.


4.1.2. Водяная скважина


Водяная скважина – это одно из названий скважин на воду, принятых в обиходе (рис. 4.1). Скважины, пробуренные на воду, делят на песчаные и артезианские. Артезианские скважины более глубокие, чем песчаные.

Рис. 4.1. Система водоснабжения на базе погружного насоса, опущенного в песчаную скважину


Песчаная скважина представляет собой компромиссный вариант. Ее имеет смысл бурить в том случае, если нужен временный источник водоснабжения и когда из-за гидрогеологических особенностей невозможно сделать колодец, а на известняковую скважину не хватает средств.

Выбор водяной скважины зависит от потребляемого количества воды и от числа точек водоразбора, а также наличия необходимых финансовых средств. Глубина водяных скважин, например, в Ленинградской области различна. В одних регионах глубина составляет 15 м, а в других доходит до 280 м. Качество воды в скважине также различно: некоторые территории Ленобласти отличаются подземными водами с повышенным содержанием железа, солей жесткости и других веществ, что, в свою очередь, создает необходимость в дополнительной фильтрации воды из скважины.

Услуги по бурению скважин предлагают разные фирмы и артели. Следует обращаться к тем организациям, которые располагают гидрогеологическими картами местности, а также трубами, фильтрами, заглушками и тому подобным оборудованием. Например, в Ленинградской области такой компанией является "Невская ГРК" (http://byrovik.ru/).

Цена скважины зависит от района и от сложности бурения пород. Как правило, компании, занимающиеся бурением, сообщают цену за погонный метр бурения. Общая цена бурения определяется умножением глубины скважины на стоимость погонного метра. Однако зачастую, многие буровые компании не афишируют различные скрытые платежи, и цена скважины, в конечном итоге, значительно отличается от заявленной стоимости.

Лучшим вариантом считается артезианская скважина, т. к. вода из нее поступает под собственным давлением непосредственно в домашнюю сеть. Артезианская (бурится на граниты, песчаник или известняк) – это глубокая скважина. Ее бурят у водоносных горизонтов, залегающих на глубине от 40 до 200 и более метров.

Преимущество артезианской скважины – высокая чистота воды, т. к. при глубоком бурении скважин вода защищена глинистыми пластами от поверхностных загрязнений. В такой скважине всегда имеется большой объем воды и постоянство ее уровня. Артезианская скважина позволяет использовать высокопроизводительные насосы. Срок службы известняковой скважины составляет несколько десятков лет.

Недостатки артезианской скважины – ее высокая цена и большое время бурения. Ко всему прочему на устройство скважины этого типа нужно получать лицензии и согласования в различных инстанциях.

Этот вариант скважины встречается нечасто и на него можно рассчитывать в случае достоверного знания расположения достаточно глубоких земных слоев. Однако артезианская скважина не всегда гарантирует нужное, постоянное давление воды. Горловину скважины размещают в примерно таком же колодце, как и при подключении к водопроводу. Так же выполняют подводку воды к дому.

Добавим, что дебет артезианской скважины диаметром 12–15 см достигает 10 тонн в час. Такого количества воды хватит, чтобы обеспечить водоснабжение не одного, а нескольких загородных домов. А скважина диаметром 20 см сможет обеспечить водой небольшой коттеджный поселок. Очевидно, что такой метод водоснабжения будет дешевле остальных, если стоимость работ оплатить вскладчину с другими домовладельцами.

В среднем бурение артезианской скважины для устройства водоснабжения коттеджа занимает от одной до полутора недель. Правильно пробуренная артезианская скважина может поддерживать водоснабжение коттеджа 20–30 лет, пока коррозия не разрушит обсадные трубы скважины. Поскольку вода из артезианской скважины изначально имеет давление, то устанавливать мощное насосное оборудование не обязательно. Это дополнительно уменьшает расходы на водоснабжение коттеджа.


4.1.3. Колодец


Колодец, как известно, самый дешевый источник загородного водоснабжения. Главной проблемой при его обустройстве становится, обычно, невозможность точно угадать место водоносного пласта хорошего качества и с достаточно большим дебетом (количеством воды, которое обеспечивается колодцем или скважиной в единицу времени) [2].

Благодаря относительной дешевизне, отсутствию сложного и дорогого обслуживания и вполне достаточному на среднюю семью среднесуточному количеству воды (2–3 м3) колодцы имеют большее распространение, чем скважины.

Колодец – сооружение, которое эксплуатируется в условиях бокового и вертикального пучения земли (10–20 т/м) и, чтобы срок эксплуатации колодца был продолжительным, необходимо правильно выбрать железобетонные кольца для его строительства.

Для устройства колодца используют обычные железобетонные кольца заводского производства, предназначенные для колодцев, но не для канализаций (рис. 4.2).

Рис. 4.2. Колодец с железобетонными кольцами


Заводские колодезные кольца стандартного размера производятся с использованием центрифуг и вибраторов и имеют высокие прочностные характеристики и качество. Срок службы колец для колодцев, изготовленных на заводе, значительно дольше, чем изделий, произведенных в частных фирмах. Из-за одинакового размера высококачественных стандартных колец обеспечивается легкость проходки при рытье колодца и отсутствие течи стыков между кольцами [3].

При устройстве колодца важную роль играет и прочность колец. Характеристики стандартного железобетонного кольца:

• высота – 0,9 м;

• наружный диаметр – 1,16 м;

• вес – около 630 кг.

В строительстве колодцев применяют пазогребневые колодезные железобетонные кольца. Иногда, в виде исключения, можно установить и канализационные, но только для неглубоких колодцев. Канализационные кольца с плоским краем часто не становятся ровно друг на друга, возникает небольшой перекос, и с возрастанием глубины колодца это приводит к отклонению колодца от вертикальной отметки и к течи стыков колец. Чем больше глубина колодца, тем сильнее искривление.

Сооружение колодца лучше доверить профессионалам. Случайные подрядчики не заключают официальный договор, и естественно, никакой гарантии на колодец не дают. "Дешевый" колодец получается в два раза дороже. Поскольку строительство колодца не лицензируется, трудно отличить специалистов от неспециалистов. В качестве примера приведем цены на работы по устройству колодцев санкт-петербургской фирмы "Володар" (http://vododar.ru/zeny.php):

• вкапывание железобетонного кольца (в зависимости от грунтов) – от 2000 руб./кольцо;

• рытье колодца глубже пяти колец – 100 руб.;

• скобирование колец (по три стяжки на шов) – 400 руб./шов;

• перекатывание колец более 30 метров за 1 кольцо – 300 руб.;

• чистка колодца – от 5000 руб.;

• ремонт колодца – от 5000 руб.;

• заводская цена кольца – от 1150 руб.;

• стоимость пазогребневых колец – 1350 руб.;

• цена домика на колодец с установкой и доставкой – 5800 руб.

Заделка швов и гидроизоляция не оплачивается. Разведочное бурение (разведка, геологоразведка, поиск воды), различные земляные работы, переноска земли от колодца на расстояние свыше 10 м и доставка колец оплачиваются по договору.

Как правило, на стандартный септик из бетонных колец потребуется 4–5 колец. Срок эксплуатации колодца составляет более тридцати лет.

Из колодца можно ежечасно выкачивать около 200 л воды. При этом не получится одновременно включить полив, начать готовить пищу и наполнять ванну. Придется выбирать что-то одно, или выполнять операции последовательно. Вдобавок, никто не гарантирует, что в колодезной воде не окажется вредных примесей, которые не позволят употреблять воду для питья без предварительной очистки. Ведь колодец роется, как правило, на глубину 10–15 м.

Для дома, где есть канализация, ванна, стиральная машина и прочие достижения цивилизации, средняя суточная потребность в воде составляет несколько кубометров. Если к числу упомянутых удобств добавить еще баню, сауну, джакузи или бассейн, то воды потребуется в несколько раз больше. Для поставки воды от ближайшего источника в дом может быть несколько вариантов.

Наиболее дешевый способ – разместить в техническом помещении под крышей дома накопительный резервуар, пополняемый водой с помощью насоса. Этот вариант самый простой и не требует особых затрат. Но вместе с тем он обладает рядом существенных недостатков. Во-первых, скопление воды в чердачном помещении, пусть даже в специально оборудованном для этого месте, всегда рискованно. Конечно, риск можно снизить, например, с помощью специальных датчиков уровня воды. Но именно снизить, а не исключить совсем. Потому что существует вероятность поломки самого датчика, вследствие чего резервуар может переполниться, и начнется утечка воды. Кроме того, этот вариант не сможет обеспечить достаточный напор воды.

Альтернативный способ – установка насосной станции на колодце.


4.2. Качество воды


Не всегда вода в вырытом колодце годится для питья. Поэтому после обустройства колодца желательно провести химический и бактериологический анализы воды [4]. Это даст достаточно полное представление о качестве воды и позволит сделать определенные выводы о возможности ее использования для питья или технических целей. Так как состав подземных вод может меняться, то контролировать его следует достаточно часто, не менее одного раза в год или по необходимости.


4.2.1. Анализ воды


На химический анализ воду отбирают в пластиковые бутылки объемом 1,5–2 л только из-под минеральной или питьевой воды. Бутылку и пробку перед отбором пробы нужно промыть не менее пяти раз той водой, которую отбирают для анализа. Ни в коем случае не мыть емкость содой и другими моющими средствами. Ее надо наполнить водой доверху, удалив остатки воздуха, затем плотно закрыть пробкой.

Для отбора пробы воды на бактериологический анализ используют стеклянные бутылки объемом 0,5–1 л, предварительно стерилизованные вместе с крышкой в кипящей воде. Перед отбором воды необходимо обработать водопроводный кран открытым огнем спиртового факела. Если пробу (как для химического, так и бактериологического анализа) не удалось сразу передать на анализ, то хранить ее следует в холодильнике не более 24 ч. Лучше отбирать воду в весенний или осенний период (самое неблагоприятное для подземных вод время года).

Найти чистую родниковую воду довольно трудно, поэтому качество воды в грунте остается таким же в скважине или колодце. Если вода в колодце оказалась некачественной, то после ее анализа подбирают и устанавливают соответствующие фильтры для воды в системе водоснабжения.


4.2.2. Фильтры для очистки воды


Химический состав воды, наличие посторонних примесей влияет и на бытовые приборы, в первую очередь на стиральные машины и системы отопления. Системы водоочистки становятся необходимым атрибутом всей нашей жизни [5].

Главные требования к очистителям: они должны не только очищать воду, но и делать ее вкусной, сохраняя естественный минеральный состав воды.

Сейчас очень популярна очистка питьевой воды различными бытовыми фильтрами. Хорошие фильтры для воды должны быть многомодульными. Первый модуль задерживает песок, ржавчину и другие механические загрязнения; второй – очищает воду от активного хлора, пестицидов, тяжелых и радиоактивных металлов; третий – обезвреживает бактерии и вирусы.

Фильтры для очистки воды должны быть изготовлены из материалов, сертифицированных для контакта с пищевыми продуктами, и обладать избирательным свойством, т. е. препятствовать проникновению вредных веществ и сохранять полезные вещества, такие как кальций, калий и натрий.

Фильтры по месту использования и мощности подразделяют на промышленные и бытовые. В зависимости от конкретного назначения фильтры бывают: механические (предфильтры), для очистки от железа, для обеззараживания, против солей жесткости и т. д.

Предфильтры удаляют из воды мелкие твердые частицы, в основном песок и мелкие волокна органического и неорганического происхождения. Принцип их работы прост: механическая фильтрация через препятствия, которые не могут преодолеть примеси. Существуют сетчатые и картриджные механические фильтры. В сетчатых основной элемент – мелкоячеистая сетка (несколько сеток), в картриджных – сменные картриджи, которые можно комбинировать друг с другом в зависимости от типов удаляемых примесей. Например, так называемый "чулочный картридж" дополнительно очищает воду от глинистых загрязнений и волокон тины.

Избыток железа устраняют аэрационные и каталитические фильтры. В первом фильтрация происходит с помощью специальных мембран. Каталитические же содержат вещества, ускоряющие химические реакции в воде, благодаря которым железо быстро окисляется до безопасного состояния.

Фильтрация через ионообменные смолы снижает содержание в воде солей жесткости. Кальций и магний за счет ионного обмена заменяются на химически связанный со смолой безопасный натрий.

Заключительный этап очистки воды, в первую очередь для питьевых нужд – обеззараживание. Для этого применяют хлорирование (само по себе тоже в определенном смысле загрязнение воды, если до потребления хлор полностью не испарится) и полностью безопасные озонирование и обработку ультрафиолетом.

В домашних условиях в основном применяют предфильтры для очистки от твердых частиц и защиты бытовой техники, а также фильтры комплексной очистки для приготовления питьевой воды.

Фильтры комплексной очистки бывают трех видов. Проточные питьевые эффективно удаляют из воды нерастворимые (твердые) и растворимые посторонние вещества, включая хлор, тяжелые металлы и т. д. В результате неприятные вкус и запах устраняются, вода становится прозрачной. Как правило, такие фильтры устанавливают на кухне, монтируя на мойку дополнительный кран для питьевой воды.

Специальные угольные фильтры также достаточно эффективны. С добавками в виде ионообменных веществ они могут удалять нефтепродукты, соли тяжелых металлов и одноклеточные бактерии.

Перед покупкой фильтра желательно иметь экспертное заключение о том, что содержит ваша вода и от чего ее следует очищать. Ведь абсолютно чистая вода (дистиллированная) тоже не очень полезна.


4.2.3. Конструкции фильтров


Наиболее распространенная конструкция фильтров для воды – картриджный фильтр – представляет собой закрытую емкость-корпус, в которой находится рабочий элемент очиститель-картридж (рис. 4.3). Картрижд в большинстве случаев представляет собой цилиндр из фильтрующего элемента (картона, полипропилена, полиэтилена, активированного угля и т. д.), который выполняет механическую очистку, удаляет органику, хлор и т. п. В центре картриджа обычно расположена полость для очищенной воды, а с торцов он закрыт резиновыми кольцами-уплотнителями (кроме фильтров механической очистки воды).

Рис. 4.3. Картриджный фильтр


Резиновые кольца-уплотнители прилегают к выступам на корпусе фильтра и препятствуют проникновению неочищенной воды на выход. Нижняя часть фильтра, называемая «колбой», крепится с помощью резьбы к «голове» фильтра. Для откручивания колбы в комплекте с фильтром поставляется специальный ключ.

Картриджные фильтры используются для магистральной очистки воды. Основное достоинство такого фильтра – простая замена фильтрующего элемента. Достаточно отвинтить колбу, вынуть старый картридж и на его место установить новый, причем корпус фильтра остается подключенным к водопроводу.

В водопроводных системах загородных домов широко распространены картриджные фильтры для магистральной очистки холодной воды AQUA (Италия, http://www.geizer.com) (рис. 4.4).

Рис. 4.4. Модели корпусов картриджного фильтра холодной воды AQUA


Корпус фильтра AQUA сделан из прозрачного пластика для магистральной очистки холодной воды (модели FP-2 с ребристой колбой и FP-3 с накидным кольцом) и предназначен для картриджей типоразмера Slim Line (табл. 4.1). Детали фильтра AQUA приведены на рис. 4.5. В комплект фильтра входят также кронштейн крепления, четыре самореза 4,5x25 мм, инструкция и упаковка.

Рис. 4.5. Детали корпуса фильтров AQUA: 1 – колба; 2 – крышка; 3 – ключ для корпуса; 4 – уплотнительное кольцо для корпуса


Таблица 4.1. Технические характеристики фильтров AQUA

Корпуса AQUA к трубопроводу подсоединяют с помощью разборных соединений (типа «американка») или гибких подводок, которые приобретают дополнительно. Воду подают через отверстие с надписью «IN» (Вход). Перед началом установки перекрывают подачу воды и устанавливают запорный вентиль (если его нет).

Соединительные фитинги ввертывают в корпус сначала рукой до упора, а затем подтягивают гаечным ключом. При сборке узлов резьбовые соединения должны быть уплотнены. Специальный кронштейн, который покупают отдельно, позволяет жестко закрепить корпус к стене. При желании такой кронштейн сделать несложно самому.

После подключения осторожно открывают подачу воды и проверяют все соединения на герметичность. Перекрыв подачу воды шаровым краном, расположенным перед фильтром, и сбросив остаточное давление в корпусе, открывают любой водопроводный кран (смеситель) холодной воды после фильтра. При подтекании воды из-под корпуса или гайки осторожно подтягивают соединение с помощью специального ключа для закручивания корпуса.

Механический картридж заменяют при снижении напора исходной воды не реже, чем один раз в 3–6 месяцев. Для замены картриджа необходимо:

• перекрыть подачу воды и сбросить давление в корпусе, открыв любой водопроводный кран после фильтра;

• подставить под фильтр емкость для приема остаточной воды объемом не менее 1 л;

• отвернуть корпус от крышки с помощью ключа;

• удалить старый картридж, при необходимости промыть корпус и крышку, установить новый картридж и затянуть корпус; уплотнительное кольцо крышки желательно смазать силиконовой смазкой (но не герметиком!) или вазелином;

• подать воду и проверить систему на герметичность.


4.3. Конструкция трубопровода


Если в качестве источника водоснабжения загородного дома выбран колодец, то и от него необходимо провести водопровод. Один из вариантов несложной конструкции водопровода на период «весна-лето-осень» может быть следующим. Автоматическую насосную станцию устанавливают на колодце. Воду подают со станции по гибкому шлангу 030 мм к распределительному узлу, находящемуся в доступном месте возле дома, а уже оттуда в водопроводную систему дома. Электрическое питание насосная станция получает по удлинителю, включенному во внешнюю розетку во дворе. Перед заморозками насосную станцию легко демонтировать и слить воду с водопроводной системы. Схема предложенной системы водоснабжения загородного дома представлена на рис. 4.6.

Рис. 4.6. Схема варианта системы водоснабжения загородного дома (начало)


Рис. 4.6. Схема варианта системы водоснабжения загородного дома (окончание)


Для трубопровода в доме выбраны металлопластиковые трубы, т. к. они не подвержены коррозии, легко монтируются и почти не обладают сопротивлением напору [6]. Наиболее часто используют трубы диаметром 16, 20 и 26 мм. Такие сечения позволяют обойтись меньшими расходами на прокладку и сохранить оптимальную скорость потока, не выше 4 м/с. В данном проекте водопровода для подачи холодной воды выбраны металлопластиковые трубы 020 мм, а для теплой воды 016 мм, с учетом того, что вода поступает из водонагревателя. Как показывает практика, при таких диаметрах напор холодной и теплой воды хороший.

Всевозможные тройники, ниппели, угольники, муфты и т. п. лучше ставить латунные или хромированные, их большой выбор на строительных рынках и они вполне приличного качества [7–9]. Применять изделия из черного металла или оцинкованные нецелесообразно.

Спецификация системы водоснабжения загородного дома, согласно рис. 4.6, приведена в табл. 4.2.


Таблица 4.2. Спецификация системы водоснабжения загородного дома по рис. 4.6

 

Помимо, деталей, указанных в табл. 4.2, для подключения к водопроводу понадобятся следующие гибкие подводки:

• к душевой кабинке (1/2", внутр./внутр., 2 шт.);

• к водонагревателю для подачи холодной воды (1/2", внутр./ внутр., 2 шт.);

• для спуска холодной воды из водонагревателя минуя обратный клапан (1/2", внутр./внутр., 1 шт.);

• для стиральной машинки (оригинальная подводка, 1 шт.);

• к смесительному крану на кухне (1/2", внутр./наруж., 2 шт.);

• к фильтрам (3/4", внутр./наруж., 3 шт.);

• для спуска воды из водопроводной системы дома (3/4", внутр./внутр., 1 шт.).


4.3.1 Монтаж металлопластиковых трубопроводов


Для водопроводной системы загородного дома лучше выбрать металлопластиковые трубы, т. к. они технологичны при монтаже. Эти трубы легко гнутся, не требуют точной подгонки линейных размеров и без дополнительных приспособлений сохраняют ту форму, которую придал им монтажник.


Особенности металлопластиковых труб


Металлопластиковые трубы сочетают в себе преимущества пластмассы и металла [10]. Они представляют собой многослойную конструкцию, которая состоит из внутреннего и внешнего слоя сшитого полиэтилена и промежуточного слоя из алюминия (рис. 4.7). Алюминиевый слой армирует металлопластиковую трубу и препятствует попаданию кислорода воздуха, защищая металлические части систем водоснабжения и отопления от преждевременного износа.

Рис. 4.7. Устройство металлопластиковой трубы и ее технические характеристики


Технические характеристики металлопластиковых труб:

• длительная температурная нагрузка – ~ 95 °C;

• кратковременная температурная нагрузка – ~ 110 °C;

• длительное рабочее давление – ~ 10 атм.;

• коэффициент теплового удлинения – 25·1/ °С;

• срок службы – ~ 50 лет;

• радиус изгиба – 5 диаметров.

Подключение и соединение труб с помощью специальных фитингов не требует нарезки резьбы или применения сварки и занимает мало времени. Специфика металлопластиковой трубы обусловливает необходимость бережного обращения с ней и строгого соблюдения монтажных технологий. Это особенно важно, поскольку в большинстве случаев правила требуют скрытой прокладки металлопластиковых трубопроводов, когда плохая герметичность крайне нежелательна.


Примечание

Фитинги (англ. fitting, от fit – прилаживать, монтировать, собирать) – элементы трубопровода, служащие для соединения его отдельных частей между собой.


Трубы из металлопластика отвечают строгим гигиеническим требованиям, сохраняя первоначальное качество транспортируемой жидкости. Эти трубы в 3–5 раз долговечнее стальных.

При монтаже металлопластиковых труб важно качество соединительных элементов. Необходимо применять лишь фитинги, соответствующие типу и размеру трубы. Западные изготовители снимают с себя ответственность за качество оборудования, когда их трубы соединяют не фирменными деталями.

Фитинги разных зарубежных фирм имеют свои особенности. Если это не винтовые соединения, которые монтируют с помощью обычных гаечных ключей, то для их установки необходим "фирменный" инструмент. Такие приспособления также входят в ассортимент производителей металлопластиковых труб. Соответствующую оснастку выпускают и специализированные компании. Например, Rothenberger производит аппараты для прессования фитингов, снабжая их сменными насадками для монтажа фитингов наиболее крупных фирм.

Сегодня на рынке представлены разнообразные фасонные детали для металлопластиковых систем. Для монтажа металлопластиковых труб наиболее распространены две группы фитингов: компрессионные фитинги и пресс-фитинги (рис. 4.8).

Рис. 4.8. Компрессионный фитинг (а) и пресс-фитинг (б): 1 —"завершенный" штуцер; 2 – резиновые уплотнительные кольца; 3 —диэлектрическая прокладка; 4 – резьбовая гайка (а) или пресс-гильза (б); 5 – обжимное кольцо


Одно из самых надежных соединений для металлопластиковых труб – пресс-соединение (пресс-фитинговое соединение). Надежность достигается обжимом металлопластиковой трубы вокруг штуцера фитинга нержавеющей гильзой. У каждого производителя пресс-фитингов есть свой профиль обжима. Для обжима используют или инструмент производителя пресс-фитингов, или пресс-инструмент REMS со специальным профилем, соответствующим данному фитингу.


4.3.2. Инструменты для монтажа


Для монтажа пресс-фитинга помимо калибровки необходим электрический, пневматический или ручной пресс-инструмент. Пресс-фитинги являются неразъемными, не требуют дальнейшего обслуживания, влияние человеческого фактора на качество монтажа сведено к минимуму. Все это позволяет осуществлять не только открытую прокладку металлопластиковых труб, но и скрытую: в полу, стенах, потолке.

Наиболее прост монтаж обжимных фитингов, при этом практически не требуется специальных навыков и опыта. Однако для монтажа необходим определенный набор специальных оригинальных инструментов:

• труборез;

• кондуктор пружинный внешний;

• калибратор;

• два разводных ключа, желательно фирменных.

Металлопластиковые трубы поставляются в рулонах по 40–60 м, и для того, чтобы от него отрезать должным образом трубу нужной длины, необходим специальный инструмент – "труборез" (рис. 4.9). Труборез предназначен для поперечного разрезания металлопластиковой и пластиковой трубы. Он обеспечивает строгую перпендикулярность разреза труб с наружным диаметром до 33 мм. Внешне инструмент напоминает садовые ножницы. Выпускают труборезы со сменными лезвиями, например резак пистолетный VALTEC.

Рис. 4.9. Ножницы-труборез для поперечной резки металлопластиковых труб


Для изгиба металлопластиковых труб с радиусом, равным трем или более наружным диаметрам, применяют кондукторы различной конструкции. Наружные кондукторы, в частности, выпускают для труб с наружными диаметрами 16 и 20 мм (рис. 4.10).

Рис. 4.10. Кондуктор пружинный наружный, одетый на металлопластиковую трубу для изгиба


Металлопластиковую трубу перед одеванием на штуцер фитинга необходимо откалибровать. В продаже имеется несколько моделей калибраторов. Калибратор нужно подбирать исходя из диаметра трубы. Информацию о внутреннем диаметре трубы можно узнать у продавца или на этикетке. На рис. 4.11 представлен калибратор пластиковый с тремя калибрами 16/20/26 мм и интегрированными ножами для снятия фаски. Ножи калибратора позволяют одновременно с калибровкой снимать фаску с внутреннего слоя трубы для предохранения уплотнительных колец фитинга от повреждения и сдвига. Применение данного инструмента позволяет расширить металлопластиковую трубу для лучшего монтажа фитинга. Заметим, что в продаже есть и другие конструкции калибраторов.

Рис. 4.11. Калибратор пластиковый с тремя калибрами 16/20/26 мм и интегрированными ножами для металлопластиковой трубы


Закрутить фитинг можно двумя обычными разводными ключами. Однако специалисты рекомендуют пользоваться для этих целей специальными ключами [11], позволяющими выполнить монтаж аккуратно и без повреждения монтируемых деталей (рис. 4.12).

Рис. 4.12. Разводной ключ французской фирмы VIRAX для монтажа металлопластиковых труб


Винтовое соединение металлопластиковых труб, как уже было сказано, монтируют с помощью двух разводных ключей. Одним ключом затягивают гайку, а вторым оказывают противодействие. Чтобы облегчить введение уплотнительных колец и продлить срок службы фитинга, используют силиконовую смазку. При этом запрещается применять минеральные масла или другие нефтепродукты. Обычно смазка входит в ассортимент продукции, выпускаемой производителями металлопластиковых труб.

Основные требования по монтажу металлопластиковых труб:

• Металлопластиковые трубы следует монтировать при температуре окружающей среды не ниже 10 °C.

• Если бухты хранились или перевозились при отрицательной температуре, то перед раскаткой их необходимо выдержать при температуре, допустимой для монтажа, в течение суток.

• Непосредственно к монтажу труб следует приступать лишь после того, как на объекте закончены все сварочные работы, установлены элементы крепления, а при открытой прокладке завершены отделочные работы.

• При монтаже металлопластиковых труб не допускаются сплющивания и переломы трубы, если излом все-таки произошел, разрешается один раз на данном участке выправить трубопровод деревянным или резиновым молотком.

• Необходимо следить, чтобы труба не перекручивалась и не испытывала горизонтальных напряжений; во избежание ее засорения свободные концы нужно закрывать заглушками.

• Изгибать трубу без применения специальных пружин можно лишь в случае, если радиус изгиба составляет не менее пяти ее наружных диаметров (пружины, предохраняя трубы от излома, позволяют производить сгиб с меньшим радиусом), для точного сгибания следует применять трубогибы с матричными сегментами.

• Запрещено встраивать соединительные, обжимные фитинги в строительные конструкции (в стены, стяжку, полы, замоноличивать). Они всегда должны быть видны и доступны.

• После окончания монтажа систему, собранную из металлопластиковых труб, следует опрессовать давлением, в 1,5 раза превышающим рабочее.

Последовательность монтажа металлопластиковых труб с помощью фитингов:

1. Отрезать трубу (под углом 90°) специальным резаком.

2. Откалибровать трубу и снять фаску.

3. Надеть на трубу гайку и разрезное кольцо обжимного фитинга или гильзу пресс-фитинга.

4. Вставить в трубу штуцер фитинга, не повреждая уплотнительных колец.

5. Зажать гильзу пресс-инструментом или завернуть гайку ключом.


4.3.3. Монтаж водопровода


После того как собран соответствующий комплект материалов, деталей и инструментов для водопровода, можно начинать его монтаж. Сначала нужно определить, на каком расстоянии от пола будут находиться трубы. Карандашом с помощью уровня на стене проводят линии, по которым затем будут проложены трубы холодной и теплой воды. На линиях ставят метки там, где будут закреплены саморезами клицы для крепления металлопластиковых труб (рис. 4.13).

Рис. 4.13. Элементы крепления металлопластиковых труб: а – крепление клицы саморезом, б – крепление клицы в дюпеле


Элементы крепления труб выбирают исходя из ассортимента магазина и особенностей стен, вдоль которых пройдут трубы. Для деревянных стен предпочтительней клицы под саморез, т. к. их установка довольно проста и требует мало времени (рис. 4.14).

Рис. 4.14. Крепление металлопластиковых труб в клицах, закрепленных саморезом


На проведенных линиях необходимо отметить границы расположения тройников и конечных муфт с внешней резьбой, а также расположение фильтров. Требуемое расстояние между клицами определяют опытным путем. Для жесткости конструкции клицы обязательно нужно установить по границам тройников и перед конечными муфтами (рис. 4.15).

Рис. 4.15. Крепление металлопластиковых труб теплой (вверху) и холодной (внизу) воды


После этого можно нарезать труборезом требуемые длины труб для холодной и теплой воды. Технология резки металлопластиковых труб труборезом показана на рис. 4.16.

Рис. 4.16. Технология резки металлопластиковых труб труборезом


Нарезанные трубы калибруют и снимают фаску. На определенные отрезки труб надевают гайки и разрезные кольца. Осторожно вставляют в каждую трубу штуцер фитинга и гаечным ключом закручивают гайки. Устанавливают тройники и прикручивают на них шаровые краны, используя для уплотнения лен. Собранный таким образом водопровод крепят в клицах.

В отведенном месте крепят два фильтра, в данном варианте они установлены за душевой кабинкой. К фильтрам, душевой кабинке, водонагревателю, смесителю на кухне, стиральной машинке и муфтам с наружной резьбой подсоединяют гибкие подводки (рис. 4.17).

Рис. 4.17. Фильтры и душевая кабинка, соединенные гибкими подводками с наружной резьбой муфт металлопластикового водопровода


Закончив сборку водопровода в доме, перекрывают все шаровые краны и начинают монтировать под домом узел для подключения водонасосной станции (рис. 4.18).

Рис. 4.18. Узел подключения шланга насосной станции в сборе и его крепление


В данном проекте системы водоснабжения загородного дома узел подключения насосной станции расположен под верандой дома в техническом окне недалеко от колодца (рис. 4.19).

Рис. 4.19. Техническое окно с узлом подключения насосной станции


Теперь необходимо осуществить подачу воды из источника с помощью погружного или поверхностного насоса. Поверхностные насосы устанавливают прямо на колодце или в коттедже, в техническом помещении. В скважину или в колодец прокладывают трубопровод, по которому закачивают воду.

Эксперты отмечают, что длина трубопровода не должна превышать 200–300 м, а глубина забора воды должна быть не более 8 м. Для более глубоких скважин поверхностные насосы неэффективны. Если водоносный горизонт залегает на глубине более 8 м, то целесообразно установить погружной насос [12].


4.4. Выбор насосной станции


Подвод воды из колодца к дому значительно дешевле, чем от глубокой скважины. В первую очередь это связано с умеренной стоимостью колодезных насосов. Современные насосные станции обеспечивают автоматическое включение (выключение) насоса при открытии (закрытии) крана в доме и повышают давление воды.

Конструктивно автоматическая насосная станция представляет собой самовсасывающий центробежный насос, соединенный гибкой подводкой с гидроаккумулятором и реле давления, которое управляет насосом (рис. 4.20). Поверхностный насос осуществляет забор воды из открытого источника и подачу ее под давлением в гидроаккумулятор – мембранный напорный бак с водой. Давление в водопроводе создает гидроаккумулятор. Мембранный бак (герметичный металлический сосуд) разделен мембраной на две части: одна часть бака заполнена воздухом под давлением, а во вторую насос закачивает воду. С помощью реле заранее задается верхний предел давления, до которого сжимается воздух в мембранном баке и, соответственно, вода в системе водоснабжения. Когда установленное давление достигнуто, насос отключается. Теперь можно использовать воду, накопленную в мембранном баке. Если расход воды небольшой, то насос каждый раз включаться не будет, и вода будет поступать из бака под давлением закачанного воздуха. И только когда давление воздуха достигнет своего нижнего значения, насос снова включится. Наличие гидроаккумулятора оберегает насос от работы в режиме частых включений/выключений.

Рис. 4.20. Общее устройство автоматической насосной станции


Установочные значения для реле давления задает изготовитель станции. Владелец может изменить эти значения, например чтобы поднять напор в системе.

Главный плюс автоматической насосной станции состоит в том, что она может работать самостоятельно, при наличии воды в источнике и электричества, т. е. большую часть времени присматривать за ней не нужно.

Насосная станция охлаждается за счет циркулирующей жидкости. В случае перегрева двигателя насос автоматически отключается. По прошествии небольшого промежутка времени, после остановки, насос начинает работать снова.

В автоматических насосных станциях, как правило, на конце всасывающей трубы или шланга устанавливают обратный клапан с входным фильтром (рис. 4.21). Этот узел крепится на шланге хомутом и легко снимается. Обратный клапан защищает насос от всасывания "всухую", что повышает безопасность и продлевает срок эксплуатации насоса. Входной фильтр предотвращает от загрязнений обратный клапан и насос.

Рис. 4.21. Входной фильтр с обратным клапаном (Premium) компании Karcher (Германия)


При выборе автоматической насосной станции в первую очередь ориентируются на такие ее основные характеристики:

• производительность (расход) – объем перекачиваемой воды за определенный промежуток времени (м3/ч);

• напор – высота столба воды (м);

• максимальная глубина (высота) всасывания (м);

• мощность (Вт).

Производительность Q, напор Н и максимальная глубина (высота) h всасывания воды взаимосвязаны (рис. 4.22).

Рис. 4.22. Зависимость между производительностью Q, напором Н и максимальной глубиной (высотой) h всасывания воды насосной станцией компании Alko


В паспорте насосной станции связь напора Н с производительностью Q представляется в виде графика (рис. 4.23).

Рис. 4.23. Зависимость напора насоса от его производительности для 5 моделей насосных станции компании Alko


Производительность Q определяется в зависимости от числа человек, проживающих в загородном доме, и их потребностей (табл. 4.3).

Общий расход воды определяют как сумму отдельных расходов источников водоразбора: Q = ? Qi [13].


Таблица 4.3. Некоторые объемы потребления воды в загородном доме

Расход холодной воды на приготовление пищи и на смыв в санузле обычно не превышает 100 л в сутки. Больше всего воды требуется для мытья в ванне. Поэтому за рубежом в загородных домах предпочитают душевые кабины в сочетании с сауной, не нуждающейся в воде, тем самым существенно сокращая ее расход.


Требуемый напор H (м) воды в водопроводе можно оценить по такой упрощенной формуле [14, 15]:

H = Hgeo + k x L + Hmin,

где Hgeo – геометрическая высота от уровня воды в источнике до самой высокой точки водоразбора, м; L – длина всасывающей и нагнетательной труб, м; k – общее гидравлическое сопротивление трубопровода, включая колена, соединения, клапаны и т. д. (обычно принимают к = 0,2); Hmin – минимальное требуемое давление на водоразборе (можно принять Hmin = 10 м).


Стандартные параметры станции для загородного дома с санузлом, ванной и стиральной машиной: производительность 5-10 м3/ч и напор до 40 м.

Необходимая мощность насосной станции (м3/ч) зависит от глубины водозабора: чем ниже приходится брать воду, тем большей должна быть мощность.

Только рассчитав все эти базовые показатели ("рабочую точку"), можно выбрать насосную станцию по каталогу. При этом рабочая точка должна лежать в середине рабочей диаграммы. Выбранная модель автоматической насосной станции по мощности должна иметь запас, а по производительности быть немного меньше дебета источника. Если насосная станция будет качать больше, чем сможет дать скважина или колодец, то вода пойдет с землей, а потом и вовсе перестанет течь.

При покупке станции необходимо обратить внимание на ее габариты, особенно, если она будет устанавливаться на колодец. Подумайте, войдет ли станция в уже имеющийся домик и легко ли будет ее обслуживать?


4.4.1. Модели насосных станций


На отечественном рынке представлено насосное оборудование различных фирм: Alko, Gardena, Karcher, Metabo, Pedrollo, Saer, Grundfos, Aquatica, Elpumps, Sprut, Vinco, Wilo и др. Все эти насосные станции отличаются функциями, сроками гарантии и материалами, из которых изготовлены их узлы.

При покупке насосной станции следует обратить внимание на длительность гарантии, предоставляемой фирмой-производителем. Изготовитель качественных насосов уверен в своей продукции и поэтому вместо стандартных 12 месяцев, которые необходимы по закону, дает гарантию намного дольше, например на все насосы Alko гарантия 3 года!

В качестве примера на рис. 4.24 приведен общий вид, а в табл. 4.4 даны характеристики автоматических насосных станций для дома и сада немецкой компании Alko (http://www.al-ko.com.ru/).

Рис. 4.24. Внешний вид моделей автоматических насосных станций Alko для дома и сада: а – HW 601; б – HW 601 Inox; в – HW 802; г – HW 802 Inox


Таблица 4.4. Автоматические насосные станции Alko для дома и сада

Компания Alko рекомендует установку на модели своих насосных станций предварительных фильтров для очистки всасываемой воды от крупных фракций. Фильтр покупают отдельно. В комплект, кроме самого фильтра и пластмассового картриджа, входят три ниппеля 1"/1" разной длины, для подсоединения к всасывающему патрубку насосной станции (рис. 4.25).

Рис. 4.25. Подсоединение предварительного фильтра компании Alko ниппелями разной длины


Отметим еще некоторые модели насосных станций немецкой компании Karcher для организации водоснабжения в частных домах. Отличительные особенности этих станций: небольшие габариты и наличие ручки для переноски. Внешний вид насосных станций Karcher представлен на рис. 4.26.

Рис. 4.26. Внешний вид автоматических насосных станций компании Karcher для дома и сада: а – BPP 3000/42; б – BPP 4000/48; в – BPP 4500/50


Насосные станции Karcher имеют электронное управление (ВРЕ), защиту от сухого хода, регулировки времени работы и простоя, удобную в управлении панель с дисплеем, на котором отображается вся важнейшая информация. За счет компактного размера станцию можно использовать в качестве садового насоса для орошения. Повышенный комфорт для пользователя достигается за счет низкого уровня шума и потребления энергии.

Компактная конструкция станций обеспечивает их удобную эксплуатацию на ограниченных пространствах. Аппараты оснащены обратным клапаном, фильтром грубой очистки и встроенным дисплеем. В табл. 4.5 приведены характеристики некоторых моделей автоматических насосных станций известной немецкой компании Karcher.


Таблица 4.5. Насосные станции Karcher

Заметим, что на рынке насосных станций СНГ присутствует также продукция российской компании «Джилекс», занимающейся производством насосного оборудования с 1993 года (г. Климовск, http://www.jeelex.ru/). Эта компания выпускает насосные станции «Джамбо», которые идеально приспособлены для работы в России, а по качеству успешно конкурируют с европейскими производителями. Стоимость насосов этой компании, в зависимости от модели, от 4100 до 10 400 руб.


4.4.2. Установка насосной станции


Для установки насосной станции выбирают место вблизи от скважины, колодца или водоема. Рассмотрим установку насосной станции на колодце. Сам колодец состоит из пяти колец. Для этого из досок толщиной 40 мм делают щит размером 1300x1200 мм. На щите размещают насосную станцию, устанавливают стойку для предварительного фильтра и стойку крепления шланга для всасывания воды из колодца (рис. 4.27). В щите делают люк с открывающейся крышкой, отверстия для шлангов и электропровода питания.

Рис. 4.27. Размещение насосной станции и предварительного фильтра на деревянном щите


После того как сделаны все монтажные предустановки, собирают систему водоснабжения. Прикручивают саморезами насосную станцию к щиту; предварительный фильтр присоединяют к ниппелю и всасывающему патрубку насоса; крепят фильтр к стойке; всасывающий щланг присоединяют к фильтру; закрепляют всасывающий шланг на стойке; отводящий шланг подсоединяют к выходному патрубку насоса; крепят отводящий шланг к стойке.

Заметим, что на концах шланга, отводящего воду от насоса, есть два штуцера 1": один для подключения к насосу, а второй – к узлу водопроводной системы дома. На одном конце всасывающего шланга установлен штуцер 1" для подключения к предварительному фильтру, а на втором конце – обратный клапан, предотвращающий вытекание воды из шланга при отключении насосной станции. Для уплотнения резьбовых соединений следует использовать лен.

Закончив монтаж, крепят щит с оборудованием к бетонным кольцам с помощью металлических уголков, саморезов и дюбелей. Устанавливают домик на щит и закрепляют его (рис. 4.28).

Рис. 4.28. Насосная станция на колодце


В заключение прикручивают конец отводящего шланга к узлу водопроводной системы дома.


4.4.3. Пуск насосной станции в эксплуатацию


Теперь, когда все собрано, можно приступить к пуску насосной станции в эксплуатацию. Для начала нужно убедиться, что всасывающая труба и прикрученный к ней обратный клапан находятся под водой. Отворачивают на предварительном фильтре винт и наливают в него воду лейкой (рис. 4.29) до тех пор, пока не заполнят корпус насоса. Через специальное отверстие в насосе заливать воду очень неудобно. Как только вода начнет вытекать из отверстия, заливку сразу прекращают и закручивают винт фильтра.

Рис. 4.29. Отверстие под винтом, на предварительном фильтре, для заливания воды во всасывающий шланг, фильтр и насос


После заливки воды убеждаются, что все шаровые краны водопроводной системы дома открыты, и включают сетевой провод в розетку. Насос должен сразу включиться и проработать некоторое время, а потом выключиться. Если теперь открыть кран смесителя на кухне и краны душевой кабинки, то из них должна пойти вода. Смотрят на манометр. Отмечают давление в нашем водопроводе и далее следят, как уменьшается давление. Если теперь закрыть кран поступления воды из водопровода, то насос должен автоматически отключиться после наполнения бака. Установка водоснабжения готова к эксплуатации (рис. 4.30).

Рис. 4.30. Окончательный вид колодца с установленной насосной станцией


Для отключения насоса необходимо вынуть сетевую вилку соединительного кабеля из розетки. Если вас не устраивает давление включения и выключения вашего насоса, то не беспокойтесь. Оба параметра регулируются. Читайте инструкцию к насосной станции, которая прилагается изготовителем [16].

По мере эксплуатации системы водоснабжения может обнаружиться течь или какой-нибудь дефект, тогда нужно будет вытащить сетевой провод из розетки, перекрыть воду в требуемом месте шаровым краном и устранить неисправность.


4.4.4. Обслуживание и профилактика насосной станции


Перед проведением любых работ по обслуживанию и профилактике насоса необходимо отключить его от сети и принять меры по предотвращению самовключения насоса.


Устранение засорений


Засорения насоса устраняют следующим образом:

1. Отсоединить всасывающий шланг от входа насоса.

2. Присоединить напорный шланг к крану и пропустить воду через корпус насоса до устранения засорения.

3. Прежде, чем включить снова насос в постоянный режим работы, нужно проверить свободный ход работы насоса, включив и выключив насос на короткое время несколько раз (на 3–4 с).

4. Включить насос снова.


Защита от замерзания


Если ожидается мороз, следует полностью слить воду из насоса, резервуара и шлангов. Сначала следует опорожнить всасывающий и нагнетательный шланги. Затем отвинтить пробку сливной горловины и слить воду из насоса. При этом вода, которая находится в резервуаре, будет вытеснена наружу потоком воздуха. Далее нужно закрутить снова пробку сливной горловины и хранить установку водоснабжения в месте, защищенном от мороза.


Регулировка реле-регулятора давления


Давление включения и отключения установки водоснабжения установлено заводом-изготовителем. При необходимости эти значения можно отрегулировать на реле-регуляторе давления.

Последовательность действий для насосной станции Alko:

1. Вынуть сетевую вилку из розетки.

2. Снять защитную крышку реле-регулятора.

3. Установить необходимое значение давления с помощью отвертки:

– А = давление включения; В = давление отключения;

– повышение давления = "+"; понижение давления = "-".

4. Закрыть крышку реле-регулятора.

5. Включить насос и проконтролировать измененное давление.

Контроль давления на мембране:

1. Вынуть сетевую вилку из розетки.

2. Открыть заслонку напорной линии и выпустить воду из насоса до его полного опорожнения.

3. Проверить давление на мембране через клапан. Давление должно составлять ~1,5 бар. При необходимости давление следует откорректировать.

4. Включить насос снова.


Глава 5

Теплая вода в доме


Наличие в загородном доме электричества, водопровода и горячей воды приближает его жилищные условия к городской квартире. Методы получения горячей воды для бытовых нужд могут быть различными. Наиболее доступен для этих целей электрический водонагреватель, подключенный к водопроводу.


5.1. Домашние водонагреватели


5.1.1. Общая информация


Водонагреватели являются приборами автономного снабжения горячей водой. В зависимости от источника подогрева воды водонагреватели бывают газовые и электрические. Кроме того, водонагреватели делят на проточные, накопительные и комбинированные.


5.1.2. Проточные водонагреватели


Проточные водонагреватели подключаются к системе водоснабжения дома и работают в непрерывном режиме, обеспечивая постоянную подачу горячей воды. Вода сразу становится горячей, проходя через специальную колбу с ТЭНом. Такие устройства компактны, их можно установить под раковиной или в стояке. Проточные водонагреватели потребляют много электричества из-за необходимости поддержания высокой температуры для нагрева воды при ее движении. Поэтому водонагреватель данного типа отличается довольно значительным энергопотреблением при небольшой производительности. К этим устройствам требуется прокладывать отдельный электрический кабель с заземлением от основного щитка.

Существуют проточные водонагреватели как для однофазной (их мощность обычно не превосходит 7,0 кВт), так и для трехфазной сети (наиболее распространены модели мощностью от 7,0 до 12,0 кВт) [1].

Большинство водонагревателей оснащено системой автоматического включения водозабора. Водонагреватели этого типа (рис. 5.1) позволяют набрать полную ванную горячей воды. Но их реально можно установить только там, где есть силовой кабель для электроплиты. Еще один недостаток: такой водонагреватель не может обеспечить теплой водой несколько точек одновременно. Следовательно, если кто-то принимает ванну, мыть посуду уже нельзя.

Рис. 5.1. Электрический проточный водонагреватель с душем и Edisson 7.0


Технические характеристики водонагревателя Edisson 7.0:

• напряжение питающей сети – 220 В;

• род тока – переменный;

• мощность потребляемая – не более 7,0 кВт;

• класс защиты от поражения электрическим током – 1;

• степень защиты от влаги – брызгозащитное;

• минимально допустимое давление на входе – 0,03 МПа;

• производительность – 4,5 л/мин.;

• максимальная температура – 50 °C.

Объем производимой горячей воды определяется теплопроизводительностью аппарата, а температура на выходе зависит от температуры подводимой холодной воды, мощности прибора и расхода воды. Электроэнергия потребляется только во время получения горячей воды: при открытии крана водонагреватель автоматически включается, а при закрытии – выключается.

Потребительско-эксплуатационные характеристики проточных водонагревателей в первую очередь зависят от мощности самого водонагревателя [2]. К примеру, проточный электроводонагреватель мощностью 3–3,5 кВт способен дать не более 2 л в минуту при температуре 45 °C. Этого конечно, хватит, чтобы вымыть посуду, но ни о каком комфорте речи быть не может.

Проточный водонагреватель мощностью 5–5,5 кВт обеспечит поток воды 3–4 л в минуту при температуре воды 45 °C. При таком расходе воды мыть посуду более чем комфортно. Можно даже принять душ, но лучше все-таки установить проточный электроводонагреватель мощностью 7-10 кВт, который обеспечит поток воды 5–7 л в минуту при температуре воды 45 °C. Стоимость проточных водонагревателей указанных мощностей находится в пределах 12505350 руб. Но при желании можно найти модели и за 10–15 тыс. руб.

Некоторые модели, стоимостью свыше 3500 руб. имеют дисплеи для отображения сервисной информации. В продаже есть электрические проточные водонагреватели как с электронным, так и с гидравлическим управлением.

На рынке проточных электрических водонагревателей России можно купить модели следующих производителей: Atmor (Израиль), Timberk (Швеция), Edisson, Ariston и Siemens, "Десолт" (Россия) и др. Ассортимент проточных водонагревателей можно посмотреть в интернет-магазине "Техника на дом" (http://www.texnikanadom.ru/index.php?categoryID=49&offset=0).


5.1.3. Накопительные водонагреватели


Накопительные водонагреватели, так же как и проточные, подключаются к квартирной системе водоснабжения. В систему водоснабжения вода может поступать из отдельного резервуара, закачиваться из колодца или из скважины. Вода в таком приборе нагревается до определенной температуры, а потом расходуется, (табл. 5.1). Хотя газовые водонагреватели дороже электрических, но эксплуатационные расходы последних выше.


Таблица 5.1. Время нагрева воды ТЭНом мощностью 1,2 кВт

Иногда можно встретить термин «бойлер»: «бойлер газовый», «бойлер электрический», «бойлер Ariston». От обычного водонагревателя бойлер отличается значительно большим объемом. Подобные аппараты применяют на производстве, в больших загородных домах и гостиницах. Мощность бойлера бывает от 1,2 до 2,4 кВт, а объем от 15 до 200 л.

Недостатком бойлеров являются их значительные габариты, например 100-литровый водонагреватель не удастся спрятать в стояк. Его можно установить только в достаточно просторной ванной. Производители компенсируют большие габариты разнообразием форм и конфигураций. Водонагреватели бывают квадратными, прямоугольными, цилиндрическими. Существуют и аппараты небольших размеров, например 15-литровые, но тогда вода будет расходоваться быстрее, и одновременно включить кран на кухне и в ванной не получится.

Принцип работы водонагревателя электрического накопительного типа заключается в том, что сначала резервуар заполняется водой, а затем нагревается. Время нагрева воды напрямую зависит от емкости резервуара и может составлять от 30 мин до 8 ч. Конструкция электрического водонагревателя накопительного типа оснащена антикоррозийной системой, термостатом и предохранительным клапаном (рис. 5.2). Корпус резервуара имеет изоляционное покрытие. По конструкции водонагреватель может быть горизонтальным либо вертикальным.

Рис. 5.2. Устройство электрического накопительного водонагревателя Thermex


Достоинства накопительных водонагревателей:

• возможность создания полностью автономной системы горячего водоснабжения;

• возможность разового расходования большого объема подготовленной горячей воды;

• использование стандартной электропроводки благодаря сравнительно небольшой мощности нагревательного элемента;

• возможность подключения к нескольким штатным смесителям.

Накопительные водонагреватели Thermex производятся как в вертикальном, так и в горизонтальном исполнении [3]. Вертикальные водонагреватели пользуются большим спросом во всем мире. Их легко установить и подключить в желаемом месте вашей квартиры или дома. В небольшом и высоком помещении такой водонагреватель поместится без труда. Горизонтальные накопительные водонагреватели Thermex также просты при монтаже и эксплуатации. Их небольшие размеры позволяют выбрать наиболее оптимальное и удобное расположение. Это идеальный вариант для установки под крышей или потолком, а также там, где ограничено вертикальное пространство.

Самые популярные сегодня модели накопительных нагревательных приборов: водонагреватели Thermex (Италия), Ariston и Polaris. На российском рынке представлено более 300 моделей. В интернет-магазине "Техника на дом" преобладают модели водонагревателей Thermex. Стоимость накопительных водонагревателей находится в пределах от 3000 до 15 250 руб.

Если сравнивать газовые и электрические водонагреватели, то помимо различных энергоносителей очевидна разница в цене: газовые водонагреватели дороже. Но, как уже упоминалось, затраты на эксплуатацию электрических водонагревателей по сравнению с газовыми оказываются выше.


5.1.4. Комбинированные водонагреватели


Комбинированные водонагреватели – это проточно-накопительные агрегаты мощностью от 2 кВт и с небольшим объемом резервуара для воды (от 5 до 10 л). Такой аппарат легко монтировать: его можно повесить на стенке у раковины, подключив шланг с холодной водой. Он работает на одну «точку», например кран на кухне или кран в ванной. У него же есть свой собственный кран либо шланг с душем. Такие водонагреватели в основном ставят на кухнях. В душе им пользоваться неудобно: слишком маленький напор воды. В продаже можно встретить комбинированные водонагреватели компаний Drazice (Чехия), Galmet (Польша) и др. [4, 5]. На рис. 5.3 приведен комбинированный водонагреватель Neptun Kombi производства компании Galmet.

Рис. 5.3. Внешний вид и устройство комбинированного водонагревателя Neptun Kombi


Водонагреватели Neptun Kombi относятся к комбинированным водонагревателям (электронагрев + отопление) с электрическим ТЭНом и встроенным теплообменником. Они выпускаются объемом от 80 до 140 л. Быстрый нагрев воды происходит за счет большой площади поверхности змеевика (обменника). Теплопотери нагретой воды в таком устройстве минимальны, т. к. слой полиуретановой или полистирольной теплоизоляции имеет толщину 56 мм. Увеличенный магниевый анод и покрытие внутренней части бака керамической эмалью обеспечивают долговременную и надежную антикоррозийную защиту водонагревателя. Электрический ТЭН (1,52,0 кВт) служит для подогрева (догрева) воды при отключении системы отопления или снижении температуры теплоносителя. Корпус датчика термостата размещен непосредственно в водонагревателе. Такая конструкция позволяет уменьшить затраты на подогрев бытовой воды для нужд любого потребителя.

Данный тип водонагревателя может функционировать как зимой, так и летом для горячего водоснабжения домов, жилых и нежилых помещений. Нагрев бытовой воды в водонагревателе может происходить в различных моно– и комбинированных режимах. Теплоноситель из системы отопления, проходя через спиральный змеевик (теплообменник), нагревает воду в баке за счет своей температуры. Поскольку мощность теплоотдачи теплообменника значительна, электрическая часть бойлера может быть не задействована, такой производительностью не обладают, к примеру, бытовые водонагреватели. Электрическая часть также может осуществлять подогрев: теплоносителю не всегда задают температуру 75 °C, здесь в помощь вступает "сухой ТЭН", который доводит температуру бытовой воды до максимальной. Комбинированный водонагреватель по сравнению с газовой колонкой не требует специальной ежегодной профилактики.

Технология "сухой ТЭН" весьма прогрессивна: воздушный нагревательный элемент, погруженный в защитную колбу (не контактирует с водой), никак не страдает от накипи и жесткой воды, всем известно, что бытовая вода, как правило, богата известью и другими соединениями независимо от района. Кроме того, антикоррозийную защиту бака обеспечивает специализированная керамическая титано-кобальтовая эмаль "Extra glass".

Режим нагрева задает потребитель, никаких ограничений нет, производительность такова, что при грамотной компоновке агрегат может работать в проточном режиме с температурой накопительного бойлера.

Характеристики выпускаемых моделей комбинированных водонагревателей компании Galmet приведены в табл. 5.2.


Таблица 5.2. Модели комбинированных водонагревателей компании Galmet (Польша)


Примечание

Производительность теплообменников и дополнительная мощность указаны при следующих условиях: температура получаемой на выходе воды 45 °C, температура входящей воды 10 °C, температура теплоносителя 70–80 °C при скорости протекания воды не менее 2,5 м3/ч.


5.2. Наливные электрические водонагреватели


Электрические водонагреватели наливного или открытого типа незаменимы при отсутствии в доме водопровода, но особенно они ценны зимой, когда замерзает водопровод. Эти водонагреватели представляют собой емкость, в которую вода наливается пользователем по мере необходимости, а не подается автоматически. Корпуса таких нагревателей не имеют « теплосберегающей рубашки», как в накопительных водонагревателях. Емкость оснащена нагревательным элементом на 1,2–2 кВт и терморегулятором.


5.2.1. Электрический наливной водонагреватель ЭВБК-17


Объем электрического наливного водонагревателя ЭВБК-17 производства ЗАО «Делсот» (г. Миасс) составляет 17 л (рис. 5.4) [6]. Эта модель имеет пластмассовую емкость со съемной крышкой. Внутри резервуара установлен электрический трубчатый нагреватель ТЭН из нержавеющей стали. Внизу водонагревателя смонтирован электрический блок управления с клавишным выключателем и терморегулятором.

Рис. 5.4. Наливной электрический водонагреватель ЭВБК-17


Технические характеристики водонагревателя ЭВБК-17:

• мощность – 1,25 кВт;

• объем бака – 17 л;

• напряжение электрической сети – 220 В;

• класс защиты – 1;

• температура нагретой воды – 70 °C;

• время нагрева воды до 70 °C – 1 ч;

• габаритные размеры – 370x300x345 мм;

• масса – 5 кг.

Температуру воды внутри водонагревателя регулируют электрическим терморегулятором, вращая ручку управления. Кран для подачи воды расположен внизу на передней стенке резервуара. Шнур питания находится на задней стенке. Электрическая схема водонагревателя ЭВБК-17 приведена на рис. 5.5.

Рис. 5.5. Принципиальная электрическая схема водонагревателя ЭВБК-17


Для монтажа водонагревателя ЭВБК-17 необходимо сначала закрепить шурупами два настенных кронштейна, а затем к ним с помощью винтов прикрепить опорные кронштейны. Далее установить водонагреватель на опорные кронштейны.


Водонагреватель «Садко»


Ассортимент моделей электрических наливных водонагревателей довольно широк. В основном они отличаются друг от друга объемом бака и мощностью ТЭНа. Например, у моделей «Садко» (ООО «Терком», г. Санкт-Петербург, http://www.therkom.narod.ru/) объем бака может быть от 19 до 90 л, а мощность ТЭНа – от 1,25 до 1,5 кВт. Есть модели наливных водонагревателей, емкости которых сделаны из пластмассы и из нержавейки. Цена наливных водонагревателей «Садко» в зависимости от их особенностей лежит в диапазоне 730-2450 руб. [7].

На рис. 5.6 показан внешний вид водонагревателей ЭВА-220/1,25 "Садко" и "Дачный-Н".

Рис. 5.6. Наливные электрические водонагреватели: а – ЭВА-220/1,25 «Садко»; б – «Дачный-Н»


Водонагреватель ЭВА-220/1,25 «Садко» имеет хороший дизайн. Благодаря нескольким вариантам исполнения отлично вписывается в любой интерьер. Это функциональный и экономичный водонагреватель объемом 19 л с индикатором включения и термопластиковым внешним корпусом. Вода нагревается до 50 °C за 35 мин. Расход электроэнергии не превышает 1 кВт в сутки при постоянно включенном в сеть водонагревателе. Главная особенность водонагревателя ЭВА-220/1,25 «Садко» – его пожаробезопасность и элетробезопасность. Исключена возможность включения электроводонагревателя без воды. Предусмотрена защита от перегрузок и заземление корпуса водонагревателя. Стоимость водоподогревателя ЭВА-220/1,25 « Садко» 730 руб.


Водонагреватель «Дачный-Н»


Интересен водонагреватель «Дачный-Н» (ОАО «Элтерм», г. Псков, http://elterm-pskov.ru/products/). Это запатентованное устройство позволяет использовать горячую воду нужной температуры уже спустя 3–5 мин. после включения прибора в электрическую сеть. По скорости получения горячей воды «Дачный-Н» с экспресс-нагревом не уступает проточным водонагревателям. Мощность нагревательного элемента при этом остается неизменной и составляет 1,25 кВт. « Дачный-Н» удачно сочетает в себе преимущества водонагревателей наливного и проточного типа. Компактная форма, выполненный из нержавеющей стали корпус позволяют разместить водонагреватель на любой стене или стойке. В приборе установлен термостабилизатор, поддерживающий температуру воды на уровне 55 °C. Габаритные размеры устройства 410x200x310 мм, а вес 3,7 кг. Цена прибора с плавной регулировкой мощности при объеме 15 л в пластмассовом корпусе составляет 470 руб.; в корпусе из нержавеющей стали – 1298 руб; при объеме 20 л в корпусе из нержавеющей стали – 1443 руб.

Преимущество наливных водонагревателей в том, что их можно включать в обычную сеть 220 В. Ко всему прочему стоят они недорого: от 1400 до 4000 руб.

Основные их недостатки – подача воды самотеком и минимальный уровень комфорта. На российском рынке представлен широкий выбор моделей электрических наливных подогревателей от отечественных производителей, таких как ЗАО "Делсот" (г. Миасс), ООО "Метлес-1" (г. Москва), ООО "Терком" (г. Санкт-Петербург), ОАО "Элтерм" (г. Псков), ООО "ЭлБЭТ" (г. Ногинск).


5.3. Выбор водонагревателя


5.3.1. Критерии выбора


При выборе водонагревателя, в первую очередь, исходят из возможностей электропроводки и средней потребности в горячей воде живущих в загородном доме. После этого можно определить мощность, объем бака и дизайн устройства [8, 9].

Если в загородном доме нет горячего водоснабжения, а потребность в горячей воде постоянная, то лучше приобрести электрический накопительный водоподогреватель объемом 100 л и более. Он позволит постоянно иметь запас нагретой воды и не создаст больших "бросков" энергопотребления в момент "разбора" горячей воды. Это оптимальное решение.

При периодической потребности в горячей воде, например несколько дней в месяц, можно установить проточные или накопительные водонагреватели небольшого объема на 10–50 л.

В этом случае, прежде всего, следует выяснить электрическую мощность сети квартиры или загородного дома. В домах советской застройки, как известно, расчетная мощность квартиры имеет максимальную нагрузку не более 5,5 кВт. Значит, подключить проточный водонагреватель такой мощности без модернизации электропроводки невозможно.

При наличии в доме водопровода не помешает узнать о давлении воды в нем, а также о требованиях к давлению воды в выбранном вами водонагревателе. Расход воды, который может обеспечить проточный или накопительный водонагреватель при температуре воды 45 °C, выбирают исходя из его производительности. Вот ориентировочные нормы расхода:

• 2 л/мин. – можно помыть посуду;

• 3,5 л/мин. – комфортно моется посуда, можно принимать душ;

• 4–5 л/мин. – комфортный душ;

• 7-10 л/мин. – можно установить несколько точек разбора воды (кухня, ванная).

Так как в круг интересов попал проточный водонагреватель, то следует поинтересоваться стоимостью монтажных работ.

Если горячая вода необходима всего несколько дней в году, т. е. вы эпизодически наведываетесь в загородный дом, то нужно приобрести наливной водонагреватель. В этом случае вы освобождаетесь от монтажных работ по установке водонагревателя и ко всему прочему экономите деньги.

В табл. 5.3 приведено сравнение различных типов водонагревателей. Для примера приведен нагрев воды в кастрюле, как альтернатива экономного пользователя [1].


Таблица 5.3. Сравнение некоторых типов электрических подогревателей воды

Для удачного выбора типа электрического водонагревателя и наиболее подходящего вам по всем параметрам необходимо определить количество потребляемой воды и место его размещения.


5.3.2. Подбор проточного водонагревателя


Как правило, проточный водонагреватель подбирают исходя из производительности, которая измеряется в количестве воды, нагретой за единицу времени (л/мин.). Обычно производительность проточного водонагревателя (л/мин.) указана в его инструкции.

В табл. 5.4 приведены ориентировочные значения.


Таблица 5.4. Производительность проточного водоподогревателя, л/мин.

Подобрать соответствующий водонагреватель можно и по его мощности, если вычислить примерную потребность горячей воды в сутки. Для определения требуемой мощности водонагревателя мощность (кВт) делят на два и получают расход в л/мин. Это соотношение применимо при нагреве воды примерно на 25–30 °C, например, с 10 до 35–40 °C. Таким образом, 16-киловаттный водонагреватель обеспечивает примерно 8 л/мин. Этого, в среднем, достаточно для принятия душа.

При установке проточного водоподогревателя следует проверить электрическую проводку на ее соответствие потребляемой мощности аппарата.


5.3.3. Подбор накопительного водонагревателя


Выбрать данное устройство можно исходя из среднестатистического расхода горячей воды на одного человека в сутки (табл. 5.5). К примеру, при пользовании ванной этот параметр составляет 150–180 л, если используется только душ – 50–90 л, для умывальника расход составляет 6-17 л, а мойка для кухни может расходовать 2030 л горячей воды. При желании можно выполнить и более точные расчеты, но, как правило, для большинства загородных строений вполне достаточно установить водонагреватель с объемом бака от 100 до 200 л.


Таблица 5.5. Подбор объема накопительного водонагревателя исходя из объема потребляемой воды

 

5.3.4. Материал бака


Для долговечности водонагревателя большое значение имеет материал, из которого сделан бак для воды. Понятно, что он должен быть изготовлен из материалов с хорошими антикоррозийными свойствами. Внутреннюю емкость у небольших по объему емкостных нагревателей делают из полипропилена или из меди.

Чаще всего емкости недорогих водонагревателей изготавливают из стали (в больших нагревателях в том числе), а на внутреннюю поверхность наносят слой защитной эмали. Эмалированная сталь – достаточно прочный материал, устойчивый к высоким температурам, воздействию химических веществ и нетоксичный.

Стальной эмалированный бак самый недорогой, и естественно, самый недолговечный. Водонагреватель с таким баком желательно покупать, если предполагается его использовать лишь изредка, в периоды недолгих по времени летних отключений горячей воды.

Несколько лучше средний по цене и надежности стальной эмалированный бак с дополнительной защитой, т. е. с добавлением в эмалированное покрытие титана. Титан придает внутреннему слою эластичность, благодаря чему не образуется трещин из-за колебаний температуры при эксплуатации. Водонагреватель с таким баком тоже желательно включать нечасто. Его долговечность выше, чем просто эмалированного бака.

В накопительных водонагревателях эконом-класса "Термекс" CHAMPION стальной бак имеет внутреннее покрытие из биостеклофарфора. Например, модели Thermex ES 50 H (ES 50 H Silverheat), Thermex H 50-YH (ES 50 H) и др. Биостеклофарфор прекрасно защищает от коррозии и обладает антибактериальными свойствами.

Для увеличения срока службы бака в последнее время в нем стали устанавливать так называемый антикоррозийный анод из "жертвенного" металла (магния), который служит до 7 лет. Например, на некоторых моделях водонагревателей есть специальный индикатор: лампочка загорается, когда весь анод разрушен. Это сигнал к замене анода.

Как показала практика, все же для постоянного применения лучше купить водонагреватель с баком из нержавеющей стали. Например, Thermex RZL 120-HS, Thermex RZL 150-HS и другие модели этого ряда имеют внутреннее покрытие бака из нержавеющей стали. Нержавеющая сталь – самый надежный, долговечный и дорогой вариант. Чем выше качество нержавеющей стали и сварных швов, тем лучше бак и долговечнее водонагреватель. В частности высококачественные баки изготовлены из достаточно толстой стали, не притягивающей магнит, а их сварные швы выполнены по японской технологии G.5, при которой сварка осуществляется электронным лучом в вакууме, позволяя получить швы, не подверженные коррозии.


5.3.5. Нагревательное устройство


Нагревательное устройство большинства водонагревателей (как проточных, так и накопительных) обычно представляет собой колбу с ТЭНом внутри. От материала, из которого изготовлен ТЭН (трубчатый нагреватель), тоже зависит надежность и долговечность прибора. Стальной ТЭН самый недолговечный, а ТЭН с медным напылением имеет среднюю долговечность. Наиболее высокая долговечность у медного ТЭНа, к тому же он еще и быстрее греет воду.

Некоторые фирмы используют в своих водонагревателях несколько иную конструкцию нагревательных устройств: ТЭН в виде спирали. Расширяясь при нагреве, "спиральный ТЭН" самостоятельно избавляется от накипи, что значительно увеличивает его долговечность. Такие водонагреватели идеально подходят для воды с высокой жесткостью.


5.3.6. IP-защита от влажности


При выборе водонагревателя следует обратить внимание на защиту этого прибора от водных брызг или струй. Выбор типа защиты зависит от планируемого места установки прибора. Традиционно бытовые водонагреватели имеют защиту IP24 или IP25. Прибор с обозначением IP24 защищен от попадания водных брызг. Его можно устанавливать в «зоне 2» – это объем, ограниченный вертикальной поверхностью, идущей вдоль борта ванны или душевого поддона, и вертикальной поверхностью, расположенной на расстоянии 60 см от нее параллельно ей. Водонагреватель с IP25 защищен еще и от водяных струй. Может устанавливаться в «зоне 1», ограниченной вертикальной поверхностью, идущей вдоль борта ванны или душевого поддона.


5.3.7. Подбор водонагревателя по параметрам


Подобрать накопительный или проточный водонагреватель можно и в Интернете.

Для этого можно, например, зайти на сайт "Горячая вода круглый год" (http://www.termeks.ru/), где на странице http://www.termeks.ru/catalog/podbor.php находится соответствующий калькулятор (рис. 5.7).


Рис. 5.7. Подбор водонагревателя по параметрам в on-line


Замечания по выбору водонагревателя


В настоящее время выбор моделей водонагревателей довольно широк. При покупке модели стало возможным учитывать особенности места установки водонагревателя, т. к. выпускаются вертикальные, горизонтальные, малоемкостные и встраиваемые аппараты.

Вертикальные водонагреватели обеспечивают лучшую эксплуатацию и легкую установку для высоких помещений. Компактные размеры позволяют выбрать лучшее расположение и гарантируют аккуратный внешний вид.

Горизонтальные водонагреватели лучше подходят для установки под крышей (под потолком). Горизонтальные водонагреватели идеальны для установки там, где ограничено вертикальное пространство.

Малоемкостные водонагреватели Thermex легко установить даже при небольшом пространстве над или под раковиной. Такие водонагреватели – лучший выбор, если вам необходима горячая вода в доме или коттедже. Возможна установка терморегулятора на внешнюю поверхность водонагревателя. Все модели имеют бак со стеклофарфоровым покрытием и оснащены магниевым анодом. Модели на 5, 10 и 15 л предназначены для установки как над, так и под раковиной.

Встраиваемые водонагреватели относятся к устройствам проточного типа (рис. 5.8). Для их установки необходим минимум свободного пространства. Они экономичны в эксплуатации, т. к. электроэнергия расходуется только на нагрев используемой воды. Эти водонагреватели имеют высокую производительность, максимально эффективны и долговечны, просты в эксплуатации и обслуживании.

Рис. 5.8. Встраиваемые водонагреватели Redring Powerstream-10


Технические характеристики Redring Powerstream-10:

• максимальная мощность – 10 кВт;

• максимальная температура – 60 °C;

• производительность – 5-7л/мин.;

• функция защиты от перегрева – есть;

• цена – 7250 руб.


5.4. Монтаж наливного водонагревателя «Водолей»


Рассмотрим пример монтажа наливного водонагревателя «Водолей», выпускаемого ООО «Метлес-1», г. Москва (http://www.mtls.ru/produkcija/).

Технические характеристики водонагревателя " Водолей":

• напряжение питающей сети – 220 В;

• потребляемая мощность – 1,2 кВт;

• время нагрева до 60 °C – 40 мин.;

• объем – 15 л;

• диапазон регулировки температуры – 30–80 °C;

• кран – пластиковый (металлический + 50 руб.);

• габариты – 550x190x255 мм;

• масса – 2,2 кг;

• цена – 800 руб.

На рис. 5.9 показана установка такого водонагревателя над мойкой.

Рис. 5.9. Наливной электрический водонагреватель «Водолей» и его ТЭН


Недостаток водонагревателя «Водолей» – отсутствие в комплекте элементов крепления, которые приходится приобретать отдельно. Для монтажа водонагревателя покупают две стеновые стойки с двумя рядами пазов длиной 500 мм (L9012GA) и два кронштейна к стеновым стойкам с двумя рядами пазов длиной 320 мм (L9004GA), которые вставляются в прорези стеновых стоек (рис. 5.10) (http://www.larvij.ru/goods/2/9). Стойка имеет ширину 25 мм, высоту 10 мм и три отверстия 08 мм под потай.

Рис. 5.10. Стеновая стойка с двумя рядами пазов и кронштейном


Примечание

Потай – рассверленная (уширенная) часть цилиндрического отверстия для головки винта, шурупа или заклепки. Делается в случае, когда головка не должна выступать над поверхностью детали.


Каждую металлическую стеновую стойку крепят тремя саморезами диаметром 3 мм к стене возле мойки (рис. 5.11). Расстояние между центральными осями стоек 330 мм. После этого на требуемой высоте кронштейны вставляют в прорези стеновых стоек и на кронштейны-консоли устанавливают бачок (рис. 5.11, 5.12).

Рис. 5.11. Стеновая стойка с двумя рядами пазов и кронштейном к ним, а также их крепление на стене


Рис. 5.12. Элементы крепления наливного электрического водонагревателя «Водолей»


Такая конструкция крепления водонагревателя «Водолей» оправдала себя в эксплуатации. Всегда есть возможность, при необходимости, убрать и установить водонагреватель.


5.5. Подключение накопительного водонагревателя Thermex RZL, RZB, RSD


5.5.1. Меры безопасности при подключении


Не допускается при монтаже и эксплуатации электрического водонагревателя:

• включать электропитание, если теплообменник прибора не заполнен водой;

• снимать защитную крышку при включенном электропитании;

• использовать прибор без заземления;

• включать в водопроводную сеть с давлением больше шести атмосфер;

• подключать прибор к водопроводу без предохранительного клапана;

• сливать воду из бака при включенном электропитании;

• устанавливать сменные детали и узлы, не рекомендованные производителем;

• изменять конструкцию и установочные размеры кронштейнов изделия.


5.5.2. Установка крепежных элементов


Водонагреватели объемом 5-150 л устанавливают патрубками вниз в соответствии с маркировкой, указанной на корпусе [10]:

• RZL–VS, RZL–VP, RZB-F, RZB-L, RSD – вертикально;

• RZL-HS, RZL-HP, RZB, RZB-D – горизонтально.

Рассмотрим установку электрического водонагревателя Thermex RZB50-L (ID 50 V) (рис. 5.13). Это вертикальный накопительный водонагреватель Thermex серия FLAT DIAMOND.

Рис. 5.13. Электрический водонагреватель Thermex RZB50-L (ID 50 V)


Отличительные особенности аппарата:

• технология сварки "G.5";

• суперплоская форма;

• функция ускоренного нагрева;

• корпус из немагнитной нержавеющей полированной стали;

• индикация температуры воды в баке;

• электронное управление с LCD-дисплеем на лицевой панели;

• система самодиагностики;

• дополнительный патрубок системы самоочистки/слива воды;

• максимальная комплектация для монтажа (обратный клапан, анкеры, электрический шнур);

• пульт управления.

Технические характеристики водонагревателя Thermex RZB50-L:

• объем – 50 л;

• габариты – 875x235x435 мм;

• мощность – 1,3+0,7=2 кВт;

• толщина стенок бака – 1,2 мм;

• время нагрева – 1 ч 45 мин.;

• терморегулятор – внешний;

• тип анода – магниевый;

• внутреннее покрытие бака – нерж; сталь;

• вес без воды – 16 кг;

• вес с водой – 66 кг;

• цена – 7950 руб.

Добавим, что электрический водонагреватель Thermex RZB50-L оборудован штатным шнуром электропитания с вилкой и УЗО. Розетка для подключения водонагревателя должна иметь клемму заземления и располагаться в месте, защищенном от влаги. Розетка и подведенная к ней электропроводка должны быть рассчитаны на номинальную мощность не менее 2 кВт.

Габаритные и технические размеры водонагревателя RZB 50 L горизонтального и вертикального типа приведены на рис. 5.14.

Рис. 5.14. Габаритные и технические размеры водонагревателя RZB 50 L


Водонагреватель рекомендуется устанавливать как можно ближе к месту использования горячей воды, чтобы сократить потери тепла в трубах. Для обслуживания устройства расстояние от защитной крышки до ближайшей поверхности в направлении оси съемного фланца должно быть не менее 30 см (для моделей 5-80 л) и 50 см (для моделей 100–150 л)

По инструкции водонагреватель подвешивают за кронштейны корпуса на крюки анкеров, закрепляемые в стене. Монтаж крюков в стене должен исключать самопроизвольное перемещение по ним кронштейнов водонагревателя. Так можно монтировать прибор только на бетонные или кирпичные стены [11]. В стене из бруса, обитого вагонкой, установить надежно анкеры такой длины затруднительно.

Для установки на деревянной стене была предложена другая конструкция. С этой целью в магазине куплены две стеновых стойки с двумя пазами направляющих длиной по 1 м и четырьмя отверстиями для крепления (L9014GA). Максимальная нагрузка на две таких стойки составляет 250 кг. Стеновые стойки с прикрученными болтами плоскими крюками были закреплены саморезами на стене деревянного дома из бруса. После этого водонагреватель за кронштейны корпуса подвесили на три крюка, закрепленных на стене (рис. 5.15).

Рис. 5.15. Одна из стеновых стоек с крюком, на котором подвешен водонагреватель за кронштейны корпуса


5.5.3. Подключение водонагревателя к водопроводу


После того как вы укрепили на стене водонагреватель, нужно провести подготовительные работы к подключению его к «холодной» и «теплой» трубам. Собираем узел из тройника 1/2" (наруж./наруж./наруж.), одного шарового крана 1/2" (внутр./наруж.), одного шарового крана 1/2" (наруж./наруж.), переходника 1/2" (наруж./наруж.) и предохранительного клапана 1/2" (внутр./наруж.), который входит в комплект подогревателя (рис. 5.16) [12].

Рис. 5.16. Детали водопроводного узла для подключения к холодному патрубку водонагревателя, материалы и инструменты для сборки: а – шаровые краны; б – разводные гаечные ключи; в – тройник; г – переходник; д – лен; е – предохранительный клапан


Узел собираем с помощью двух разводных ключей. Для предотвращения протечек в соединениях деталей узла используем паклю или лен. Наматываем паклю или лен на холодный патрубок водонагревателя, помеченный синим кольцом. После этого накручиваем на него собранный узел (рис. 5.17).

Рис. 5.17. Собранный водопроводный узел


Гибкие подводки для воды (шланги) бывают различной длины (рис. 5.18) [13, 14]. В прил. П4.1 приведены значения длин подводок для воды, которые продаются в магазинах России. В основе такого шланга лежит обычный резиновый шланг, который находится в металлической оплетке, что позволяет выдерживать давление водопровода. Герметизация соединения шланга с краном и переходником осуществляется с помощью резиновой прокладки, которая уже имеется под гайкой. Наматывать фум-ленту или паклю не нужно, это мешает плотному прилеганию прокладки и создает лишнее «напряжение» резьбового соединения.

Рис. 5.18. Гибкая подводка « шланг-гайка-гайка»


Далее нам понадобятся два гибких шлага 1/2" (внутр./наруж.) длиной 0,8 м для подключения водонагревателя к трубе с холодной водой и трубе, по которой теплая вода из водонагревателя пойдет к теплым кранам кухни и душевой кабинки (рис. 5.19). Потребуется еще один гибкий шланг 1/2" (внутр./наруж.) длиной 1 м для отвода воды из сливного вентиля в канализацию и трубка для отвода воды из предохранительного клапана также в канализацию. При нагреве воды в водонагревателе создается избыточное давление, которое удаляется через предохранительный клапан. Под него можно поставить какую-нибудь емкость либо подсоединить трубку и «отвести» ее в канализацию (рис. 5.20) [15].

Рис. 5.19. Подключение гибкой подводки к патрубку теплой воды


Рис. 5.20. Трубка для отвода воды из клапана в канализацию


Третий гибкий шланг подключаем одним концом к сливному вентилю, а второй конец опускаем в канализацию (рис. 5.21).

Рис. 5.21. Гибкие шланги подсоединенные: а, б – к водонагревателю, в – к трубам холодного и горячего водоснабжения и канализации


Внимание!

Запрещается эксплуатировать электрический водонагреватель без предохранительного клапана или использовать клапаны других производителей.


После подключения всех гибких шлангов водонагревателя к холодной, горячей трубам и канализации, закрытия вентиля спуска холодной воды из бака последовательно открываем:

• запорный вентиль подачи горячей воды из водонагревателя в магистраль;

• вентиль подачи холодной воды в водонагреватель;

• запорный вентиль подачи холодной воды на магистрали;

• кран горячей воды на смесителе на кухне или душевой кабинке, чтобы обеспечить отток воздуха из водонагревателя;

• запорный вентиль холодной воды водопровода;

Когда через некоторое время в положении ручки смесителя "горячая вода" из крана непрерывной струей потечет вода, пока еще холодная, то это значит, что бак заполнен. Закрываем кран смесителя.


5.5.4. Подключение водонагревателя к электросети


Вставляем вилку водонагревателя в розетку и нажимаем прямоугольную кнопку на УЗО (рис. 5.22). Сразу замигают цифры на дисплее электронной панели управления (рис. 5.23).

Рис. 5.22. Устройство защитного отключения водонагревателя Thermex RZB50-L в режиме включения, с указанием назначения кнопок


Рис. 5.23. Электронная панель управления водонагревателя Thermex RZB50-L


Нажимаем кнопку «Вкл» водонагревателя. Нажимая на кнопку выбора температуры, устанавливаем температуру 35 или 75 °C. Через 2,5 с после этого на дисплее электронной панели управления будет отображаться текущая температура воды в водонагревателе, и гореть индикатор Стандартная мощность. Если нужно ускорить нагрев, то нажимают кнопку «Выбор мощности». Сразу загорится индикатор «Удвоенная мощность», что говорит о включении ускоренного нагрева (рис. 5.24).

Рис. 5.24. Вид электронной панели управления водонагревателя Thermex RZB50-L при включении ускоренного нагрева воды


Внимание!

Перед включением электропитания убедитесь, что электрический водонагреватель заполнен водой. Для этого из открытого крана теплой воды на кухне или душевой кабинки должна пойти вода.


По истечении некоторого времени загорится средний индикатор « Поддержание установленной температуры», другими словами температура воды достигла требуемого значения 35 °C (или 75 °C) и происходит ее автоматическое поддержание (рис. 5.25). Режим 2 кВт сопровождается индикацией среднего контрольного светодиода, а 1,3 кВт – нижнего светодиода. Теперь можно пользоваться горячей водой.

Рис. 5.25. Вид электронной панели управления водонагревателя Thermex RZB50-L при установившейся температуре 35 °C


В процессе эксплуатации электрического водонагревателя потребитель может регулировать температуру нагрева. Управление осуществляется при помощи трех сенсорных клавиш, режимы контролируются по информации на дисплее и индикации трех контрольных светодиодов. Для выбора температуры нагрева необходимо несколько раз нажать правую кнопку «Выбор температуры» на панели управления. Дискретность изменения температуры 5 °C. При первом включении водонагревателя или после перебоя с подачей электроэнергии по умолчанию устанавливается температура 75 °C.

Если при эксплуатации водонагревателя сработало УЗО, для возврата его в рабочее состояние необходимо нажать прямоугольную кнопку на УЗО. Если при этом УЗО срабатывает повторно, необходимо вызвать специалиста сервисной службы для устранения причин, по которым это происходит.


Внимание!

Если вы не используете водонагреватель в зимний период и существует вероятность замерзания водных магистралей и самого водонагревателя, рекомендуется отключить питание и слить воду из водонагревателя во избежание повреждения внутреннего бака.


5.5.5. Техническое обслуживание


При техническом обслуживании (ТО) проверяют наличие накипи на ТЭНе и одновременно с этим удаляют осадок, который может образоваться в нижней части ЭВН. Если на ТЭНе образовалась накипь, то ее можно удалить с помощью специальных чистящих средств либо механическим способом. Рекомендуется через год с момента подключения водонагревателя вызвать работника специализированной организации, провести первое техническое обслуживание и по интенсивности образования накипи и осадка определить сроки проведения последующих ТО. Данное действие максимально продлит срок эксплуатации водонагревателя [10].


Внимание!

Накопление накипи на ТЭНе может стать причиной его повреждения. Повреждение ТЭНа из-за образования накипи не подпадает под действие гарантийных обязательств. Регулярное техническое обслуживание не входит в гарантийные обязательства изготовителя и продавца.


Для проведения ТО необходимо выполнить следующее:

• отключить электропитание водонагревателя;

• дать остыть горячей воде или израсходовать ее через смеситель;

• перекрыть поступление холодной воды в водонагреватель;

• отвинтить предохранительный клапан или открыть сливной вентиль;

• на патрубок подачи холодной воды или на сливной вентиль надеть резиновый шланг, направив второй его конец в канализацию;

• открыть кран горячей воды на смесителе и слить воду из водонагревателя через шланг в канализацию;

• снять защитную крышку, отключить провода, отвинтить и извлечь из корпуса опорный фланец;

• очистить при необходимости ТЭН от накипи и удалить осадок из бака;

• собрать водонагреватель, заполнить его водой и включить питание.

При проведении технического обслуживания водонагревателя силами специализированной организации в сервисном талоне должна быть сделана соответствующая отметка.

При соблюдении правил установки, эксплуатации, технического обслуживания водонагревателя и соответствии качества используемой воды действующим стандартам изготовитель устанавливает срок службы водонагревателя 7 лет.

Во время эксплуатации водонагревателя можно увидеть появление капель из дренажного клювика предохранительного клапана. Это происходит сброс излишнего давления при нагреве воды. Рекомендуется присоединить к дренажному клювику резиновую или силиконовую трубку соответствующего диаметра для отвода влаги.


5.5.6. Возможные неисправности и методы их устранения


При возникновении внутренней неисправности на экране дисплея вы увидите обозначения «E1», «Е2» или «ЕЗ», сопровождаемые восемью предупредительными звуковыми сигналами, после чего питание будет отключено.

• Е1 означает, что внутри бака нет воды, а нагревательный элемент включен. Необходимо до отказа заполнить бак водой, а затем включить питание.

• Е2 означает, что термостат неисправен. Обратитесь в сервисный центр для замены термостата.

• ЕЗ означает, что температура воды превысила 95 °C и сработал термовыключатель. Следует отключить водонагреватель от сети, снять крышку, нажать до щелчка кнопку термовыключателя, установить крышку и включить питание.


Глава 6

Электродвигатели в быту


В хозяйстве загородного дома обычно имеется множество электрифицированных устройств, работающих от электродвигателей. Зная устройство и особенности работы электродвигателей, можно обеспечить надежную и эффективную работу электроприборов.


6.1. Общие сведения


Электрический двигатель, как известно, представляет собой электрическую машину, которая преобразует один вид энергии в другой, т. е. электрическую энергию превращает в механическую. Полученную механическую энергию можно использовать для приведения в движение различных механизмов. В основу работы любой электрической машины положен принцип электромагнитной индукции. В зависимости от типа источника питания различают электрические двигатели постоянного и переменного тока [1, 2].


6.1.1. Электродвигатели постоянного тока


Электродвигатели постоянного тока делятся на коллекторные и бесколлекторные (вентильные) двигатели. Работа электродвигателя постоянного тока основана на взаимодействии магнитных полей рамки с током (ротора) и статора (рис. 6.1).

Рис. 6.1. Принцип действия коллекторного электродвигателя постоянного тока и его изобретатель Борис Семенович Якоби (1801–1874)


Наиболее распространены коллекторные электродвигатели постоянного тока. У реверсных коллекторных электродвигателей постоянного тока последовательного возбуждения направление вращения вала может быть как левым, так и правым. На клеммной колодке электродвигателя выведены отдельно концы обмоток возбуждения и обмоток ротора, что делает возможным работу электродвигателей в следящих системах и схемах автоматики. В коллекторных двигателях применяют графитные, угольно-графитные, меднографитные и электрографитированные щетки. Последние обладают наименьшим переходным сопротивлением, допускают высокие окружные скорости и более износостойки.

Существует универсальный коллекторный электродвигатель (УКД), который может работать как на постоянном, так и на переменном токе.


6.1.2. Электродвигатели переменного тока


Существуют две разновидности электродвигателей переменного тока: синхронный и асинхронный. У синхронного электродвигателя ротор вращается синхронно с магнитным полем питающего напряжения (рис. 6.2). Эти двигатели используют в тех случаях, когда очень важно точно сохранить одно и то же число оборотов при изменении нагрузки.

Рис. 6.2. Принцип действия синхронного двигателя и его изобретатель сэр Чарльз Уитстон (1802–1875)


Асинхронные электродвигатели являются основными преобразователями электрической энергии в механическую. Отличие асинхронного электродвигателя от синхронного заключается в том, что частота вращения его ротора отличается от частоты вращающего магнитного поля, создаваемого питающим напряжением. По конструкции ротора асинхронные машины делят на два основных типа: с короткозамкнутым и с фазным ротором. Оба имеют одинаковую конструкцию статора и отличаются лишь исполнением обмотки ротора. Короткозамкнутая обмотка ротора, часто называемая «беличья клетка» из-за внешней схожести конструкции, состоит из медных или алюминиевых стержней, замкнутых накоротко с торцов двумя кольцами. Принцип работы асинхронного трехфазного электродвигателя основан на взаимодействии вращающегося магнитного поля, образуемого переменным током в трехфазной обмотке статора, и токов, индуктируемых в роторе (рис. 6.3).

Рис. 6.3. Принцип действия асинхронного двигателя с короткозамкнутым ротором и его изобретатель Михаил Осипович Доливо-Добровольский (1861–1919)


Типовая принципиальная схема включения асинхронного двигателя с короткозамкнутым ротором с динамическим торможением в функции времени приведена на рис. 6.4.

Рис. 6.4. Принципиальная схема включения асинхронного двигателя с короткозамкнутым ротором с динамическим торможением в функции времени


У асинхронного электродвигателя начала и концы фаз выведены на клеммник (рис. 6.5, а), закрепленный на станине двигателя. Концы обмоток фазы статора присоединены к зажимам коробки выводов. Если у коробки шесть зажимов, то выводы начала обмоток фазы статора обозначены как С1, С2 и С3, а концы обмоток фазы статора – С4, С5 и С6 (рис. 6.5, б, в), и такой двигатель можно включить в трехфазную сеть на два разных напряжения, отличающихся в ?3 раз, соединяя обмотку статора либо в звезду, либо в треугольник.

Рис. 6.5. Расположение выводов обмотки статора на клеммной панели (а) и способы соединения обмоток фаз статора (б – «звезда», в —"треугольник")

Выбор схемы соединения обмотки статора зависит от линейного напряжения сети и паспортных данных двигателя. В паспорте трехфазного двигателя задают линейные напряжения сети и схему соединения обмотки статора. Например, если в паспорте двигателя указаны напряжения питающей сети 220/380 В, то при напряжении сети 380 В обмотку статора соединяют в "звезду", а при 220 В – в "треугольник". В обоих случаях на каждую обмотку фазы приходится напряжение 220 В. Если двигатель рассчитан на включение в сеть с каким-либо одним напряжением, то в коробке выводов имеется только три зажима.

При ограниченной мощности сети пуск двигателей средней и большой мощности осуществляется переключением обмотки статора двигателя с пусковой схемы звезда на рабочую схему треугольник" (рис. 6.6).

Рис. 6.6. Принципиальная схема пуска трехфазного асинхронного электродвигателя включением на пусковую схему «звезда» и с переключением на рабочую схему «треугольник»


Отметим, что в асинхронных электродвигателях большей мощности и специальных машинах малой мощности для улучшения пусковых и регулировочных свойств применяются фазные роторы. В этих случаях на роторе укладывают трехфазную обмотку с геометрическими осями фазных катушек, сдвинутыми в пространстве друг относительно друга на 120°. Такие электродвигатели редко встречаются в хозяйстве загородного дома и поэтому далее не рассматриваются.


6.1.3. Расшифровка шильдиков асинхронных электродвигателей


Каждый двигатель снабжен техническим паспортом в виде приклепанной металлической таблички (шильдик), на которой приведены основные характеристики двигателя. В паспорте указан тип двигателя. В качестве примера на рис. 6.7 приведен внешний вид шильдика двигателя типа 4А100S2УЗ.

Рис. 6.7. Шильдик с паспортными данными асинхронного электродвигателя 4А100S2УЗ


Расшифровка обозначений на шильдике:

• тип 4А100S2У3 – электродвигатель асинхронный серии 4А закрытого исполнения с высотой оси вращения 100 мм, с короткой длиной корпуса, двухполюсный, климатического исполнения "У", категории 3;

• 100592 – заводской номер; дает возможность отличить электрическую машину среди однотипных;

• 3 ~ – двигатель трехфазного переменного тока;

• 50 Hz – частота переменного тока (50 Гц), при которой двигатель должен работать;

• 4,0 KW – номинальная полезная мощность на валу электродвигателя;

• cos? = 0,89 – коэффициент мощности;

• ?/Y – обмотка статора может соединяться в треугольник или в звезду;

• 220/380V, 13,6/7, 8А – при соединении обмотки статора в треугольник она должна включаться на напряжение 220 В, а при соединении в звезду – на 380 В. При этом машина, работающая с номинальной нагрузкой, потребляет 13,6 А при включении на треугольник и 7,8 А – при включении на звезду;

• S1 – двигатель предназначен для длительного режима работы;

• 2880 об./мин. – частота вращения электродвигателя при номинальной нагрузке и частоте сети 50 Гц. Если двигатель работает вхолостую, частота вращения ротора приближается к частоте вращения магнитного поля статора;

• КПД = 86,5 % – номинальный коэффициент полезного действия двигателя, соответствующий номинальной нагрузке на его валу;

• IP44 – степень защиты. Двигатель изготовлен во влагоморозостойком исполнении. Может работать в среде с повышенной влажностью и на открытом воздухе.

На шильдике также указан ГОСТ, класс изоляции обмотки (для класса В предельно допустимая температура 130 °C), вес машины и год выпуска.

Сегодня на рынке России можно купить и зарубежные электродвигатели, в частности немецкой компании Siemens, поэтому приведем расшифровку шильдика асинхронного электродвигателя этой фирмы (рис. 6.8). Код, указанный на табличке, содержит всю информацию по данному электродвигателю (http://mtd-proekt.ru/elektrodvigateli_siemens). Рабочие параметры электродвигателей Siemens не должны превышать паспортных значений.

Рис. 6.8. Шильдик и код заказа асинхронного электродвигателя Siemens


Приведем еще расшифровку паспорта оборудования под торговой маркой Moeller, которая входит в состав корпорации Eaton (США) и широко представлена на рынке России. В России интересы Eaton представляет дочернее подразделение ООО «Итон» (http://moeller.ru/). Электрические и механические номинальные характеристики асинхронного электродвигателя корпорации Eaton задокументированы на фирменной табличке с паспортными данными, иначе называемой типовой табличкой (рис. 6.9).

Рис. 6.9. Шильдик асинхронного электродвигателя корпорации Eaton


Асинхронный трехфазный двигатель корпорации Eaton, как правило, подключают посредством шести контактных болтов. При этом возможны два типа основных соединений: «звезда» и «треугольник» (рис. 6.10).

Рис. 6.10. Клеммная панель асинхронного трехфазного двигателя корпорации Eaton и варианты соединения обмоток


В заключение отметим, что в быту широко применяются, в основном, коллекторные и асинхронные двигатели. Рассмотрим далее включение в электрическую цепь универсального коллекторного и асинхронного электродвигателей.


6.2. Коллекторный электродвигатель


Универсальный коллекторный электродвигатель (УКД), строго говоря, является двигателем постоянного тока с последовательно включенными обмотками возбуждения (статора), оптимизированным для работы на переменном токе бытовой электрической сети [3, 4]. Такой тип двигателя независимо от полярности подаваемого напряжения вращается в одну сторону, т. к. за счет последовательного соединения обмоток статора и ротора смена полюсов их магнитных полей происходит одновременно и направление результирующего момента не изменяется. Схема включения одного из типов коллекторного двигателя приведена ни рис. 6.11.

Рис. 6.11. Схема включения одного из типов коллекторного двигателя


Для работы на переменном токе применяют статор из магнитномягкого материала, имеющего малый гистерезис (сопротивление перемагничиванию). Для уменьшения потерь на вихревые токи статор выполняют наборным из изолированных пластин.

При работе универсального коллекторного двигателя на переменном токе в режиме малых оборотов (пуск и перегрузка) из-за индуктивного сопротивления обмоток статора потребляемый ток и соответственно вращающий момент двигателя примерно в 3–5 раз больше номинальных значений (при питании того же двигателя постоянным током и такого же напряжения превышение составляет 5-10 раз). Это является особенностью, а в большинстве случаев и достоинством УКД.

Для сближения характеристик двигателя на постоянном и переменном токе у обмоток возбуждения делают дополнительные выводы: при работе на постоянном токе включается вся обмотка возбуждения, а при работе на переменном токе – лишь часть обмотки.

Коллекторные двигатели постоянного тока и универсальные коллекторные двигатели по целому ряду свойств выгодно отличаются от асинхронных двигателей, т. к. позволяют получать различные частоты вращения и дают возможность просто и экономично плавно регулировать частоту вращения в широком диапазоне. Кроме того, подобные двигатели имеют сравнительно высокий КПД и большие пусковые моменты.

Отмеченные положительные качества способствуют широкому распространению коллекторных двигателей, несмотря на имеющийся у них существенный недостаток: наличие щеточно-коллекторного узла, снижающего надежность двигателя и требующего постоянного дополнительного ухода.

К особенностям коллекторных двигателей можно отнести еще и то, что они не имеют дополнительных полюсов и компенсационной обмотки. По конструкции коллекторные двигатели весьма просты, что является несомненным их преимуществом перед другими типами двигателей. Изготавливают их, как правило, двухполюсными.

Коллекторные двигатели постоянного тока для бытовых электроприборов выпускают с последовательным возбуждением. По своему устройству, принципу действия и особенностям функционирования они не отличаются от двигателей средней и большой мощности. Частоту вращения двигателей постоянного тока с последовательным возбуждением регулируют, изменяя магнитный поток возбуждения за счет шунтирования обмотки якоря или обмотки полюсов.


6.3. Особенности коллекторных электродвигателей бытовых электроприборов


По своему устройству универсальные коллекторные двигатели принципиально не отличаются от двухполюсных двигателей постоянного тока с последовательным возбуждением. В универсальных коллекторных двигателях якорь и неподвижную часть магнитопровода (полюса и ярмо) набирают из листовой электротехнической стали. Обмотку возбуждения этих двигателей включают с обеих сторон якоря. Такое включение (симметрирование) обмотки позволяет уменьшить электромагнитные помехи, создаваемые двигателем. Вращающий момент двигателя получается за счет взаимодействия тока в обмотке якоря (ротора) с магнитным потоком возбуждения.

Коллекторные электродвигатели выпускают на сравнительно небольшие мощности: от 5 до 600 Вт (для электроинструмента до 800 Вт). Частота вращения находится в пределах от 2770 до 8000 об./мин. Пусковые токи таких двигателей невелики, поэтому их включают непосредственно в сеть без пусковых сопротивлений. Универсальные коллекторные двигатели имеют минимум четыре вывода: по два для подключения к сети переменного и постоянного тока.

КПД универсального коллекторного двигателя на переменном токе меньше, чем на постоянном, что объясняется возникающими повышенными магнитными и электрическими потерями. Величина тока, потребляемого УКД при работе на переменном токе, больше, чем на постоянном. Это связано с тем, что переменный ток помимо активной составляющей имеет еще и реактивную.

Частоту вращения УКД регулируют, изменяя подаваемое напряжение. Например, у двигателей небольшой мощности в качестве регулятора можно использовать, автотрансформатор или реостат. Заметим, что однофазный коллекторный двигатель нельзя пускать в ход при малой нагрузке, т. к. он может пойти "вразнос".


6.4. Схемы включения коллекторных электродвигателей в бытовых электроустройствах


Универсальные коллекторные двигатели применяют в промышленных и бытовых электроустановках: электрифицированном инструменте, вентиляторах, холодильниках, соковыжималках, мясорубках, пылесосах и др. Они рассчитаны для работы от сети как постоянного (110 и 220 В), так и переменного тока (127 и 220 В 50 Гц). Рассмотрим некоторые примеры схем включения универсальных коллекторных двигателей в различных промышленных бытовых устройствах [5, 6].


6.4.1. Электродрель


На рис. 6.12 представлены электрические схемы ручных дрелей: вращательного действия ИЭ-1035 АО «Электроинструмент» (г. Ростов-на-Дону) и ударно-вращательного действия TRU2-10E (Rebir, Латвия).

Рис. 6.12. Электрические схемы ручных дрелей ИЭ-1035 (а) и TRU2-10E (б)


В ручной дрели ИЭ-1035 применен однофазный коллекторный двигатель мощностью 250 Вт с числом оборотов 0-12 000 об./мин. В дрели TRU2-10E использован однофазный коллекторный двигатель с двойной изоляцией мощностью 450 Вт и числом оборотов 0-1000 об./мин.


Примечание

В приведенных электрических схемах отсутствуют данные электродвигателей и значений величин конденсаторов из-за того, что этой информации нет в заводских паспортах электроустройств.


Возможные общие неисправности, которые могут возникнуть при эксплуатации электродрелей, и способы их устранения приведены в табл. 6.1.


Таблица 6.1. Возможные неисправности и способы их устранения в электродрели

 

6.4.2. Электрокофемолка


На рис. 6.13 представлена принципиальная электрическая схема электрокофемолки ЭКМЖ-125, которая относится к приборам жернового действия. Помол зерен кофе осуществляется между двумя жерновами: подвижным и неподвижным. Подвижный жернов приводится во вращение электродвигателем ДК 65-60-10. Кофемолка включается нажатием кнопки выключателя. Степень помола зерен регулируется поворотом ручки регулятора, расположенной под корпусом кофемолки.

Рис. 6.13. Принципиальная электрическая схема электркофемолки ЭКМЖ-125: S1 – блокировочное устройство; S2 – микровыключатель


Основные неисправности кофемолок и способы их устранения приведены в табл. 6.2.


Таблица 6.2. Возможные неисправности и способы их устранения в кофемолке

 

6.4.3. Электромиксер


В электромиксерах, например «Армавир» МН-304, установлен коллекторный электродвигатель ДК 58-60-12 (рис. 6.14).

Рис. 6.14. Принципиальная электрическая схема электромиксера «Армавир» МН-304


Двигатель закреплен внутри корпуса миксера с помощью резиновых прокладок-амортизаторов. Вращение вала электродвигателя через полумуфту передается на насадки.

Техническое обслуживание продающихся на рынке иностранных миксеров и блендеров производится по общепринятым правилам. Так, например, одна из конструкций зарубежного блендера состоит из корпуса, электродвигателя и кувшина с носиком. Для уплотнения пространства между кувшином и электродвигателем установлено резиновое кольцо. В блендере имеется устройство блокировки механизма вращения при неправильной установке кувшина. После окончания работы на блендере следует налить в кувшин холодную или теплую воду с добавкой моющего средства. Устанавливают крышку и защитную накладку и включают прибор на несколько секунд. Затем прибор выключают, вынимают вилку из розетки и промывают кувшин чистой водой, отсоединяют и промывают мешалку. Корпус протирают влажной тряпкой, укладывают резиновое кольцо на обод мешалки, а сверху на него устанавливают кувшин и поворачивают по стрелке до положения фиксации.


6.5. Трехфазные асинхронные двигатели


Трехфазные асинхронные двигатели благодаря простоте конструкции и надежности в работе получили самое широкое распространение в различных областях народного хозяйства: они составляют 90 % всех двигателей. Отсутствие в быту трехфазной сети вынуждает владельцев трехфазных асинхронных двигателей искать способы их включения в однофазную сеть. На сегодня схемы включения таких двигателей в однофазную сеть известны и хорошо изучены [7, 8]. Рассмотрим некоторые из практических схем включения.


6.5.1. Включение трехфазных двигателей в однофазную сеть без перемотки


Не все трехфазные электродвигатели хорошо работают при подключении к однофазной сети. Проблемы возникают, например, у двигателей серии МА с двойной клеткой короткозамкнутого ротора. В связи с этим при выборе трехфазных электродвигателей для работы в однофазной сети следует отдать предпочтение двигателям серий А, АО, АО2, АПН, УАД и др. Заметим, что электродвигатели общего назначения серии АО и АО2 давно уже сняты с производства, но их еще можно встретить очень часто. На замену этих моделей двигателей пришли серии 4А, АИ (АИР, АИС). В последние годы появились серии RA и 5А. Мощность используемых асинхронных электродвигателей ограничивается величиной допустимых токов питающей сети.

Включить трехфазный асинхронный двигатель в однофазную сеть можно по трем основным схемам:

• с пусковым резистором;

• с одним пусковым конденсатором;

• с двумя конденсаторами (рабочим Ср и пусковым Сп).

Подключение третьей обмотки трехфазных асинхронных двигателей через фазосдвигающий конденсатор – наиболее эффективный способ пуска электродвигателя. Для нормальной работы двигателя с конденсаторным пуском необходимо, чтобы емкость конденсатора менялась в зависимости от числа оборотов. Выполнить это условие на практике довольно трудно, поэтому управление двигателем делают двухступенчатым. Такая схема включения содержит два параллельно соединенных конденсатора: один пусковой (Сп), а второй рабочий (Ср). Вначале к двигателю подключают пусковой конденсатор, а после его разгона этот конденсатор отключают, оставляя только рабочий. Отключают пусковой конденсатор вручную переключателем.

Рабочую емкость конденсатора (в микрофарадах) для трехфазного двигателя в зависимости от типа соединения обмоток можно определить по формулам, приведенным в табл. 6.3.


Таблица 6.3. Включение трехфазного асинхронного двигателя с пусковым и рабочим конденсатором в однофазную сеть

 

 

Емкость пускового конденсатора должна быть в 2,5–3 раза больше емкости рабочего. Рабочее напряжение обеих конденсаторов должно быть в 1,5 раза больше напряжения сети. Что касается типа конденсаторов, то предпочтительнее бумажные, например МБГО, МБГП и др. Однако еще лучше поставить конденсаторы, которые выпускаются специально для использования в качестве рабочих и пусковых конденсаторов для асинхронных двигателей (рис. 6.15). На рынке России присутствуют конденсаторы для запуска двигателей и других устройств переменного напряжения немецкой корпорации EPCOS AG (Electronic Parts and Components), американской компании VISHAY INTERTECNOLOGY, скандинавской корпорации Evox Rifa и отечественного производителя ЗАО «Электроинтер» из г. Серпухова.

Рис. 6.15. Конденсатор типа B 32 328 с кабельным подключением для запуска асинхронных электродвигателей. Производитель – корпорация EPCOS AG. Кабель с двойной изоляцией (2x0,75 мм2) длиной 250 мм


На рис. 6.16 приведены механические характеристики трехфазного асинхронного электродвигателя при различных схемах включения [8]. При работе трехфазного асинхронного двигателя от однофазной сети без рабочего конденсатора, т. е. как однофазного, его номинальная мощность используется на 40–50 %, а с рабочим конденсатором – на 75–80 %.

Рис. 6.16. Механические характеристики трехфазного асинхронного электродвигателя при различных схемах включения в однофазную сеть: 1 – трехфазная сеть; 2 – с рабочим конденсатором; 3 – без фазосмещающего элемента (ФЭ); 4 – с рабочим и пусковым конденсаторами


Следует отметить, что у электродвигателя с конденсаторным пуском в режиме холостого хода по обмотке, питаемой через конденсатор, протекает ток, на 20…30 % превышающий номинальный. В связи с этим, если двигатель часто работает в недогруженном режиме или вхолостую, то емкость конденсатора Ср следует уменьшить. Может случиться, что во время перегрузки электродвигатель остановился, тогда для его запуска снова подключают пусковой конденсатор, сняв нагрузку вообще или снизив ее до минимума.

Необходимо знать, что при таком включении мощность, развиваемая электродвигателем, составляет 50 % от номинального значения. Если трехфазный электродвигатель включен в однофазную сеть по схеме "треугольника", то пусковой момент будет почти вдвое меньше, чем при включении по схеме "звезда". Для реверсирования электродвигателя, включенного по схеме звезда, необходимо поменять местами выводы С2 и С5 пусковой обмотки.

При отсутствии конденсаторов с нужными параметрами трехфазный двигатель можно включить по схеме с активным сопротивлением (рис. 6.17).

Рис. 6.17. Схемы включения трехфазного электродвигателя в однофазную сеть при помощи активного сопротивления при соединении обмоток электродвигателя: а – в треугольник, б – в звезду


Перед пуском двигателя включают пусковое сопротивление, а затем двигатель подключают к однофазной сети. Когда двигатель достигнет частоты вращения, близкой к номинальной, пусковое сопротивление отключают. Двигатель продолжает работать, развивая мощность, равную 0,5–0,6 номинальной мощности в трехфазном режиме. Значение пусковых активных сопротивлений выбирают по табл. 6.4 в зависимости от мощности электродвигателя в трехфазном режиме.


Таблица 6.4. Величины пусковых сопротивлений

Пусковые активные сопротивления изготавливают, как правило, в производственных условиях. В качестве проводников используют фехраль (табл. 6.5), нихром, константан и другие материалы, а в качестве изолятора – цилиндр из керамиковых материалов или асбоцемента. Фехраль – сплав, состоящий из следующих элементов: Cr (12–15 %); Al (3,5–5,5 %); Si (1 %); Mn (0,7 %); остальное Fe.


Таблица 6.5. Величины пусковых сопротивлений из фехраля

При изготовлении активных пусковых сопротивлений следует иметь в виду, что во время пуска по сопротивлению кратковременно протекает ток, который в пять раз может превышать номинальный ток в трехфазном режиме. В связи с этим для проводников диаметром 0,1–0,5 мм, из указанных материалов допустимая плотность тока при пуске равна 10 А/мм2, для проводников диаметром более 1,5 мм – 8 А/мм2.


6.6. Практический расчет параметров и элементов электродвигателя


Если, например, в паспорте электродвигателя указано напряжение его питания 220/380, то двигатель включают в однофазную сеть по схеме, представленной на рис. 6.18.

Рис. 6.18. Принципиальная схема включения трехфазного электродвигателя в сеть 220 В: Ср – рабочий конденсатор; Сп – пусковой конденсатор; П1 – пакетный выключатель


После включения пакетного выключателя П1 замыкаются контакты П1.1 и П1.2, затем необходимо сразу же нажать кнопку «Разгон». После набора оборотов кнопку отпускают. Реверсируют электродвигатель путем переключения фазы на его обмотке тумблером SA1. Емкость рабочего конденсатора Ср определяют исходя из вида соединения обмоток двигателя (см. табл. 6.3). Потребляемый ток при известной мощности электродвигателя можно вычислить по формуле:

I = P / (1,73U?cos?),

где Р – мощность электродвигателя в Вт, указанная в его паспорте; ? – КПД; cos? – коэффициент мощности; U – напряжение в сети, В.


Емкость пускового конденсатора, как и ранее, выбирают в 2,5–3 раза больше емкости рабочего. Эти конденсаторы должны быть рассчитаны на напряжение в 1,5 раза больше напряжения сети. Для сети 220 В подойдут конденсаторы типа МБГО, МБПГ, МБГЧ с рабочим напряжением 500 В и выше или специальные. При условии кратковременного включения в качестве пусковых конденсаторов можно использовать и электролитические конденсаторы типа К50-3, ЭГЦ-М, КЭ-2 с рабочим напряжением не менее 450 В [9]. Для большей надежности электролитические конденсаторы включают последовательно, соединяя между собой их минусовые выводы, и шунтируют диодами (рис. 6.19).

Рис. 6.19. Принципиальная схема соединения электролитических конденсаторов для использования их в качестве пусковых конденсаторов


Общая емкость соединенных конденсаторов составит (С1 + С2) / 2. На практике величину емкостей рабочих и пусковых конденсаторов выбирают в зависимости от мощности двигателя по табл. 6.6.


Таблица 6.6. Значение емкостей рабочих и пусковых электролитических конденсаторов трехфазного электродвигателя в зависимости от его мощности при включении в сеть 220 В

Емкость пускового конденсатора можно уменьшить при пуске электродвигателей на холостом ходу или с небольшой нагрузкой. Для включения, например, электродвигателя АО2 мощностью 2,2 кВт на 1420 об./мин. можно применить рабочий конденсатор емкостью 230 мкФ, а пусковой – 150 мкФ. В этом случае электродвигатель уверенно запускается при небольшой нагрузке на валу.


6.7. Переносной универсальный блок для пуска трехфазных электродвигателей мощностью около 0,5 кВт от сети 220 В


Для запуска электродвигателей различных серий, мощностью около 0,5 кВт, от однофазной сети без реверсирования можно собрать переносной универсальный пусковой блок (рис. 6.20) [10].

Рис. 6.20. Принципиальная схема переносного универсального блока для пуска трехфазных электродвигателей мощностью около 0,5 кВт от сети 220 В без реверса


При нажатии на кнопку SB1 срабатывает магнитный пускатель КМ1 (тумблер SA1 замкнут) и своей контактной системой КМ 1.1, КМ1.2 подключает электродвигатель М1 к сети 220 В. Одновременно с этим третья контактная группа КМ 1.3 замыкает кнопку SB1. После полного разгона двигателя тумблером SA1 отключают пусковой конденсатор С1. Останавливают двигатель нажатием на кнопку SB2.


6.7.1. Детали устройства


В устройстве используется электродвигатель А471А4 (АО2-21-4) мощностью 0,55 кВт на 1420 об./мин. и магнитный пускатель типа ПМЛ, рассчитанный на переменный ток напряжением 220 В. Кнопки SB1 и SB 2 спаренные типа ПКЕ612. Переключателем SA1 служит тумблер Т2-1. В устройстве применен проволочный постоянный резистор R1 типа ПЭ-20, а резистор R2 типа МЛТ-2. Конденсаторы С1 и С2 типа МБГЧ на напряжение 400 В. Конденсатор С2 составлен из двух параллельно соединенных конденсаторов 20 мкФ на 400 В. Лампа HL1 типа КМ-24 на ток 100 мА.

Пусковое устройство смонтировано в металлическом корпусе размером 170x140x50 мм (рис. 6.21).

Рис. 6.21. Внешний вид пускового устройства и чертеж передней панели: 1 – корпус; 2 – ручка для переноски; 3 – сигнальная лампа; 4 – тумблер отключения пускового конденсатора; 5 – кнопки «Пуск» и «Стоп», 6 – доработанная электровилка; 7 – панель с гнездами разъема


На верхней панели корпуса расположены кнопки «Пуск» и « Стоп», сигнальная лампа и тумблер для отключения пускового конденсатора. На передней панели корпуса устройства находится разъем для подключения электродвигателя.

Для отключения пускового конденсатора можно ввести в схему дополнительное реле К1, тогда надобность в тумблере SA1 отпадает, а конденсатор будет отключаться автоматически (рис. 6.22).

Рис. 6.22. Принципиальная схема пускового устройства с автоматическим отключением пускового конденсатора


При нажатии на кнопку SB1 срабатывает реле К1 и контактной парой К 1.1 включает магнитный пускатель КМ1, а К 1.2 подключает пусковой конденсатор Сп. Магнитный пускатель КМ1 самоблокируется с помощью своей контактной пары КМ 1.1, а контакты КМ 1.2 и КМ1.3 подсоединяют электродвигатель к сети. Кнопку «Пуск» держат нажатой до полного разгона двигателя, а затем отпускают. Реле К1 обесточивается и отключает пусковой конденсатор, который разряжается через резистор R2. В это же время магнитный пускатель КМ1 остается включенным и обеспечивает питание электродвигателя в рабочем режиме. Для остановки электродвигателя следует нажать кнопку «Стоп». В усовершенствованном пусковом устройстве можно использовать реле типа МКУ-48 или ему подобное.


6.8. Использование электролитических конденсаторов в схемах запуска электродвигателей


При включении трехфазных асинхронных электродвигателей в однофазную сеть, как правило, применяют обычные бумажные конденсаторы. Практика показала, что громоздкие бумажные конденсаторы можно заменить оксидными (электролитическими) конденсаторами с меньшими габаритами. Схему эквивалентной замены обычного бумажного конденсатора иллюстрирует рис. 6.23 [11].

Рис. 6.23. Принципиальная схема замены бумажного конденсатора (а) электролитическим (б, в)


Положительная полуволна переменного тока проходит через цепочку VD1, С2, а отрицательная – через VD2, С2. Поэтому оксидные конденсаторы могут иметь напряжение в два раза меньшее, чем обычные конденсаторы той же емкости. Например, если в схеме для однофазной сети напряжением 220 В применен бумажный конденсатор на напряжение 400 В, то при его замене по схеме рис. 6.23, б можно взять электролитический конденсатор на напряжение 200 В. Емкость электролитических конденсаторов определяют так же, как и бумажных (см. табл. 6.3). В приведенной схеме емкости обоих конденсаторов одинаковы.

Схема включения трехфазного двигателя в однофазную сеть при помощи электролитических конденсаторов приведена на рис. 6.24.

Рис. 6.24. Принципиальная схема включения трехфазного двигателя в однофазную сеть при помощи электролитических конденсаторов


В приведенной схеме SA1 – переключатель направления вращения двигателя, SB1 – кнопка разгона двигателя, электролитические конденсаторы С1 и С3 служат для пуска двигателя, С2 и С4 – для работы.

Подбирать электролитические конденсаторы в схеме рис. 6.24 лучше с помощью токоизмерительных клещей. Измеряют и выравнивают токи в точках А, В, С путем ступенчатого подбора емкостей конденсаторов. Замеры проводят при нагруженном двигателе в том режиме, в котором предполагается его эксплуатация. Диоды VD1 и VD2 для сети 220 В выбирают с обратным максимально допустимым напряжением не менее 300 В. Максимальный прямой ток диода зависит от мощности двигателя. Для электродвигателей мощностью до 1 кВт подойдут диоды с прямым током 10 А (например, отечественные Д245, Д245А, Д246, Д246А, Д247). При мощности двигателя от 1 до 2 кВт нужно взять более мощные приборы с соответствующим максимальным прямым током /пр макс, но можно применить и указанные ранее диоды, установив их на радиаторы.

При эксплуатации электродвигателя с электролитическими конденсаторами необходимо обращать внимание на следующее:

• работа однофазного двигателя без нагрузки – это наиболее тяжелый режим;

• при перегрузке диода может произойти его пробой и через электролитический конденсатор потечет переменный ток, что приведет к его нагреву и взрыву;

• при пуске обмотки двигателя испытывают значительную перегрузку, поэтому не рекомендуется делать больше трех пусков подряд;

• блок конденсаторов всегда должен быть закрыт для исключения разбрызгивания электролита при аварийной ситуации (это необходимо делать и при пробных пусках в процессе монтажа и настройки);

• при использовании пускателей ПНВ выключать двигатель необходимо только кнопкой "Стоп" пускателя. Так следует поступать и при пропадании напряжения в сети в процессе эксплуатации.


6.9. Включение мощных трехфазных двигателей в однофазную сеть


Конденсаторная схема включения трехфазных двигателей в однофазную сеть позволяет получить от двигателя, как известно, не более 60 % от номинальной мощности, в то время как предел мощности электрифицированного устройства ограничивается 1,2 кВт. Этого явно недостаточно для работы электрорубанка или электропилы, которые должны иметь мощность 1,5–2 кВт. Проблему в данном случае можно решить, поставив электродвигатель большей мощности, например 3–4 кВт. Подобные двигатели рассчитаны на напряжение 380 В, их обмотки соединены «звездой» и в клеммной коробке содержится всего три вывода. Включение такого двигателя в сеть 220 В приводит к снижению номинальной мощности двигателя в три раза и на 40 % при работе в однофазной сети. Такое снижение мощности делает двигатель непригодным для работы, но может быть использовано для раскрутки ротора вхолостую или с минимальной нагрузкой. Практика показывает, что многие электродвигатели уверенно разгоняются до номинальных оборотов, и в этом случае пусковые токи не превышают 20 А.

Наиболее просто можно перевести мощный трехфазный двигатель в рабочий режим, если переделать его на однофазный режим работы, получая при этом 50 % номинальной мощности [12]. Переключение двигателя в однофазный режим требует небольшой его доработки. Вскрывают клеммную коробку и определяют, с какой стороны крышки корпуса двигателя подходят выводы обмоток. Отворачивают болты крепления крышки и вынимают ее из корпуса двигателя. Находят место соединения трех обмоток в общую точку и подпаивают к общей точке дополнительный проводник с сечением, соответствующим сечению провода обмотки. Скрутку с подпаянным проводником изолируют изолентой или поливинилхлоридной трубкой, а дополнительный вывод протягивают в клеммную коробку. После этого крышку корпуса устанавливают на место.

Схема коммутации электродвигателя в этом случае будет иметь вид, показанный на рис. 6.25.

Рис. 6.25. Принципиальная схема коммутации обмоток трехфазного электродвигателя для включения в однофазную сеть


Во время разгона двигателя обмотки соединены «звездой» с подключением фазосдвигающего конденсатора Сп. В рабочем режиме в сеть остается включенной только одна обмотка, и вращение ротора поддерживается пульсирующим магнитным полем. После переключения обмоток конденсатор Сп разряжается через резистор Rp. Рассмотренная схема была опробована с двигателем типа АИР-100S2Y3 (4 кВт, 2800 об./мин.), установленным на самодельном деревообрабатывающем станке, и показала свою эффективность.

В схеме коммутации обмоток электродвигателя в качестве коммутационного устройства SA1 следует установить пакетный переключатель на рабочий ток не менее 16 А, например, типа ПП2-25/Н3 (двухполюсный с нейтралью, на ток 25 А). Переключатель SA2 может быть любого типа, но на ток не менее 16 А. Если реверс двигателя не требуется, то переключатель SA2 можно исключить из схемы.

Емкость пускового конденсатора к каждому двигателю подбирают индивидуально в пределах 250–400 мкФ. Этот конденсатор может состоять из параллельно соединенных металлобумажных конденсаторов типа КБГ-МН, МБГП, МБГО, МБМ на рабочее напряжение не менее 400 В. Батарея получается больших размеров, поэтому можно рекомендовать электролитические конденсаторы типа К50-7, К50-3, включаемые по схеме рис. 6.26. Для указанного типа электродвигателя подойдут конденсаторы К50-ЗИ (500 мкФ, 450 В) и диоды Д231. Разрядный резистор Rp номиналом 2–4 кОм должен иметь мощность рассеяния не менее 10 Вт.

Рис. 6.26. Соединение электролитических конденсаторов типа К50-7, К50-3 для замены металлобумажных


Налаживание схемы рис. 6.25 сводится к подбору пускового конденсатора Сп. Вначале берут конденсатор емкостью 250 мкФ и включают переключателем S1 двигатель в положение «Разгон». Двигатель без нагрузки должен в течение 3-10 с разогнаться до номинальных оборотов. Если же он гудит, а ротор покачивается, емкость следует постепенно увеличивать. Отдельные экземпляры двигателей имеют «мертвые точки», при нахождении ротора в которых двигатель не разгоняется. Достаточно бывает, сняв напряжение, повернуть вал двигателя на небольшой угол и, повторив включение, получить положительный результат.

Если увеличение пусковой емкости свыше 500 мкФ для двигателя мощностью 4 кВт не обеспечивает разгон, то придется искать другой двигатель. После разгона двигателя переключатель S1 переводят в положение "Работа" и приступают к проверке устройства в рабочем режиме.

Недостатком предложенной схемы включения мощного трехфазного электродвигателя в однофазную сеть можно считать чувствительность двигателя к перегрузкам. Если нагрузка на валу достигнет половины мощности двигателя, то может произойти снижение скорости вращения вала вплоть до полной его остановки. В этом случае нагрузку с вала двигателя снимают. Переключатель переводят сначала в положение "Разгон", а потом в положение "Работа" и продолжают дальнейшую работу.

Для того чтобы улучшить пусковые характеристики двигателей кроме пускового и рабочего конденсатора можно добавить еще и индуктивность, что улучшает равномерность загрузки фаз.

Для включения мощных трехфазных двигателей в однофазную сеть также подойдут электролитические конденсаторы. У мощных асинхронных электродвигателей (1–5,5 кВт), которые в бытовых условиях используются для привода деревообрабатывающего оборудования, возникают, прежде всего, проблемы с их пуском [13]. В этом случае для пуска требуется конденсатор большой емкости. Наиболее простое решение этой проблемы: применить в качестве пусковых электролитические конденсаторы. Электролитические конденсаторы включают минус к минусу и шунтируют резистором 100–200 кОм. Как показала практика, в качестве пусковых подойдут, например, конденсаторы К50-17 емкостью 800-1500 мкФ на напряжение 300-400В, а в качестве рабочего – один или два К75-17 50 мкФ на 1000 В. Если двигатель при пуске начинает заметно "дрожать", то емкость пускового конденсатора нужно уменьшить.

Из пускателей для электродвигателя в рассматриваемом случае наиболее удобен ПНВС10. Этот пускатель имеет три группы контактов, одна из которых размыкается при отпускании пусковой кнопки. Подойдет и ПНВ30 после соответствующей доработки.

Если двигатель на 380 В и из него выходят три провода, то необходимо снять передний щит, найти общую точку обмоток, рассоединить и вывести их наружу для того, чтобы переключить двигатель на треугольник. Важно при этом не перепутать начала и концы обмоток.

Проблемы с пуском у проверенного и установленного на место двигателя могут возникать, как правило, в трех случаях:

• слишком тонкий и длинный сетевой провод;

• напряжение в сети меньше 180 В;

• перетянут приводной ремень.


Глава 7

Электродуговая сварка на даче


Рынок сварочных аппаратов России позволяет любому желающему в соответствии с его финансовыми возможностями выбрать подходящую модель для загородного дома. Например, сварочный трансформатор с приемлемыми характеристиками можно купить всего за 2000 руб. Поэтому необходимость в изготовлении самодельных сварочных устройств в настоящее время полностью отпала.


7.1. Общие сведения


При создании различных неразъемных металлических конструкций в условиях дачи часто требуется электросварка. Электродуговую сварку используют при соединении крупных металлических деталей или деталей толщиной более 1,5 мм, изготовлении крупных металлических конструкций и во время слесарных работ [1].

Основные преимущества электродуговой сварки: экономичность, высокая прочность сварных швов, возможность сварки обычной нержавеющей стали и алюминия, ремонта изделий из чугуна.

Во время сварки высокая температура приводит к плавлению металла электрода и краев соединяемых деталей. В результате образуется сварочный шов. Сварить можно как однородные материалы (например, металл с металлом), так и разнородные (металл с керамикой). Различают дуговую и контактную электросварку. В домашних условиях наиболее широкое распространение получила дуговая сварка. Электрическая дуга представляет собой электрический разряд между электродом и деталью (рис. 7.1). Температура, создаваемая электрической дугой, может доходить до 7000 °C, что дает возможность плавить практически все металлы. Дуга является частью электрической сварочной цепи, и на ней происходит падение напряжения. При сварке на постоянном токе электрод, подсоединенный к положительному полюсу источника питания дуги, называют анодом, а к отрицательному – катодом. Если сварка ведется на переменном токе, каждый из электродов является попеременно то анодом, то катодом.

Рис. 7.1. Электродуговая сварка


Для электродуговой сварки используют сварочный аппарат с двумя соединительными кабелями. На конце одного из них находится зажим, укрепляемый на детали, на другом – держатель, в который вставляется электрод. Электрическая дуга возникает между кончиком электрода и деталью за счет сильного электрического поля, создаваемого сварочным аппаратом: оно пробивает воздушный промежуток между электродом и деталью, и в результате возникает мощный электрический ток, при протекании через деталь выделяющий большое количество тепла. Для возбуждения дуги нужно коснуться детали кончиком (торцом) электрода и тотчас отвести его назад на 3–4 мм. Сварочный электрод представляет собой металлический стержень со специальным покрытием, плавящийся при сварке и дающий тем самым дополнительный металл для сварного шва. На окончании электрода (около 15 мм от края) покрытие отсутствует, что позволяет установить электрический контакт.

В зависимости от типа покрытия электроды для сварки углеродистых и низколегированных сталей характеризуются различным уровнем сварочно-технологических свойств. Тип покрытия в значительной степени определяет возможность ведения сварки во всех пространственных положениях, род сварочного тока, производительность сварочного процесса, склонность к образованию пор, а в некоторых случаях – содержание водорода в наплавленном металле и склонность сварных соединений к образованию трещин.

Различают следующие виды покрытий: кислое, рутиловое, ильменитовое, основное, целлюлозное и смешанное. Основу кислого покрытия электродов составляют оксиды железа, марганца и кремния. Электроды с кислым покрытием не склонны к образованию пор при сварке металла, покрытого окалиной или ржавчиной, а также при удлинении дуги. Сварку можно выполнять постоянным и переменным током. Но при использовании таких электродов металл шва имеет повышенную склонность к образованию горячих трещин. Примеры электродов с кислым покрытием – Э38 и Э42.

Основу рутилового покрытия составляет одноименный концентрат (природный диоксид титана). Металл шва, выполненный такими электродами, соответствует спокойной или полуспокойной стали. Стойкость металла шва против образования трещин у электродов с рутиловым покрытием выше, чем у электродов с кислым покрытием. Рутиловые электроды малочувствительны к образованию пор при изменении длины дуги, при сварке влажного и ржавого металла и при сварке по окисленной поверхности. Рутиловое покрытие имеют электроды типа Э46.

В состав ильменитового покрытия электродов в качестве основного компонента входит ильменитовый концентрат (природный концентрат диоксида титана и железа). Такие электроды по свойствам занимают промежуточное положение между электродами с кислым и рутиловым покрытиями.

В электроды с основным покрытием входят карбонаты и фтористые соединения. Металл, наплавленный электродами с основным покрытием, по химическому составу соответствует спокойной стали, а металл шва обладает повышенной стойкостью против образования горячих трещин. По механическим свойствам металла шва и сварных соединений к электродам с основным покрытием относятся Э42А, Э46А, Э50А и Э60. Но по технологическим характеристикам электроды с основным покрытием уступают другим видам электродов. Их недостатки – высокая чувствительность к образованию пор при увлажнении покрытия и удлинении дуги. Сварка обычно ведется постоянным током обратной полярности. Перед сваркой электроды с основным покрытием требуют обязательной прокалки при температурах 250–420 °C.

Целлюлозный тип покрытия содержит большое количество (до 50 %) органических составляющих, как правило, целлюлозы. Металл, наплавленный целлюлозными электродами, по химическому составу соответствует полуспокойной или спокойной стали. По механическим свойствам металла шва и сварных соединений электроды с целлюлозным покрытием – Э42, Э46 и Э50. Для целлюлозных электродов характерно образование равномерного обратного валика шва при односторонней сварке на весу, возможность сварки вертикальных швов способом сверху вниз. Но в то же время металл шва содержит повышенное количество водорода.

При сварке с помощью и постоянного и переменного тока для мелких ремонтных работ используют электроды рутилового типа, а для соединений, требующих высокой механической прочности, например, для металлической несущей конструкции крыши – основные электроды. Рутиловые электроды обычно бывают длиной 30 или 35 см, толщиной 1,5, 2,25; 3,25; 4, 5 мм и более.

По форме сварные соединения можно разделить на стыковые, угловые, нахлесточные и тавровые (рис. 7.2) [2]. По положению сварного шва в пространстве различают швы: нижние, горизонтальные, вертикальные и потолочные (рис. 7.3).

Рис. 7.2. Сварные соединения: а – стыковое; б – угловое; в – нахлесточное; г – тавровое


Рис. 7.3. Пространственные положения швов: а – нижние; б – горизонтальные; в – вертикальные; г – потолочные


Шов – это участок сварного соединения, непосредственно связывающий свариваемые детали. По способу выполнения сварные швы бывают однопроходные, многослойные, непрерывные (сплошные, прерывистые, угловые, стыковые, точечные и некоторые другие) (рис. 7.4).

Рис. 7.4. Некоторые типы сварных швов: а – стыковой непрерывный однопроходный; б – стыковой непрерывный многослойный; в – угловой прерывистый


7.2. Оборудование для электросварки


Для проведения сварочных работ с помощью электродуговой сварки необходимо следующее оборудование (рис. 7.5):

• сварочный аппарат;

• держатель электрода;

• зажим заземления;

• питающий кабель;

• металлическая щетка и молоток для отбивания;

• шлифовальная машина;

• ручные тиски;

• электроды.

Рис. 7.5. Оборудование для сварочных работ


7.3. Средства индивидуальной защиты при производстве сварочных работ


Средства индивидуальной защиты (рис. 7.6) применяют в тех случаях, когда конструкция оборудования, организация производственных процессов, архитектурно-планировочные решения и средства коллективной защиты не обеспечивают безопасность работ.

Рис. 7.6. Дополнительные средства защиты при электросварочных работах


Работа электросварщика сопряжена с рядом возможных вредных и опасных воздействий на его организм. Для ослабления и устранения вредностей и опасностей, связанных с выполнением дуговой электросварки, необходимо строго следовать установленным правилам охраны труда и техники безопасности.

Наибольшее влияние на сварщика и всех лиц, находящихся в зоне выполнения электросварочных работ, оказывает излучение сварочной дуги. Для ослабления светового потока и смягчения контрастов освещенности применяют густо окрашенное защитное стекло, через которое сварщик наблюдает за процессом сварки. Мощное ультрафиолетовое излучение дуги вызывает болезненно протекающее воспаление глаз (электроофтальмия) и при продолжительном действии приводит к ожогам кожи. Защитное стекло должно полностью задерживать ультрафиолетовые лучи; от излучений дуги нужно защищать все части тела, не закрытые одеждой. Лицо и шею необходимо защитить щитком или шлемом-маской, кисти рук – рукавицами. Защитное стекло должно в достаточной степени поглощать и инфракрасные лучи, которые при длительном воздействии снижают остроту зрения.

Современные специальные защитные стекла, производимые в РФ, полностью гарантируют сохранность зрения сварщика и обеспечивают достаточную видимость места сварки. Запрещается пользоваться случайными цветными стеклами. Окрашенное защитное стекло снаружи прикрывают обычным бесцветным стеклом, предохраняющим от брызг металла, и периодически сменяют по мере загрязнения и уменьшения прозрачности. Опасность излучений сварочной дуги для окружающих уменьшают, ограждая пост сварки кабинами, переносными щитами, занавесами и т. п.

Маски выпускают нескольких видов: с ручкой и экраном, защищающим руку, и с креплением на голове. Такая маска соответствует ГОСТ 12.4.035-78 и ТУ 3441-003-07515055-97. Срок службы маски – 3 года, вес – около 0,5 кг. Существует также фибровая маска сварщика для индивидуальной защиты лица от сварочных искр и излучения. Что касается щитков, то они оснащены светофильтрами марок С-4, С-5, С-6, С-7, а также оргстеклом для подложки. Имеется возможность регулировать обхват головы.

Можно встретить и маску сварщика с корпусом из тонкого полипропилена со светофильтром С-6 размером 90x110 мм. Масса такой маски также чуть более 0,5 кг. Ее преимущества – хорошая защита глаз и приемлемый обзор во время сварки.

Сварочная дуга непрерывно выделяет в окружающую атмосферу газы и дым из мельчайших твердых частиц, преимущественно окислов металла. Количество газов и дымовых частиц и степень их вредности для работающих зависят от рода свариваемого металла и состава электродной обмазки. Для защиты работающих применяют вентиляционные устройства.

Электросварщик подвергается опасности поражения электрическим током, поскольку он почти неизбежно касается токоведущих частей сварочной цепи. Особенно опасна в этом отношении сварка внутри котлов и резервуаров и других объектов, в которых сварщик сидит или лежит на металле, а также сварка в сырых помещениях, на открытом воздухе в сырую погоду и т. п. Для уменьшения опасности поражения током необходимо строго соблюдать правила безопасности, надежно заземлять корпуса сварочных машин и аппаратов, наблюдать за исправностью электросварочной аппаратуры и изоляции всех частей сварочной установки. В более опасных случаях необходимо применять для сварщика деревянные подмостки, резиновые коврики и т. п., усиливающие изоляцию тела сварщика от земли.


Внимание!

Неукоснительно соблюдайте правила техники безопасности. Не выполняйте сварку в контактных линзах и никогда не смотрите незащищенными глазами на электрическую дугу. Во избежание появления токсичных паров никогда не выполняйте сварку близи мест хранения трихлорэтилена.


7.4. Подготовка к электродуговой сварке


Перед тем как начать сварку деталей, необходимо сделать следующее:

1. Подготовить соединяемые детали, хорошо зачистив их с помощью металлической щетки.

2. Соединить края деталей, желательно на ровной плоскости, и придерживать их с помощью ручных тисков, чтобы они оставались неподвижными в процессе сварки.

3. Для защиты от ультрафиолетового излучения обязательно надеть средства защиты (перчатки, рабочую одежду, защитную маску).

4. Выбрать диаметр электрода, подходящий для данного вида работ (табл. 7.1). Вставить оголенную часть электрода в держатель и зафиксировать его.

5. Отрегулировать силу тока сварочного аппарата в зависимости от диаметра электрода (см. табл. 7.1).


Таблица 7.1. Параметры сварки

 

7.5. Технология сварки


Для того чтобы начать процесс сварки, необходимо подключить сварочный аппарат к розетке с заземлением, проверить напряжение и подсоединить зажим массы к одной из двух свариваемых деталей.


Совет

Перед тем как начать сварку деталей, необходимо очистить края соединяемых деталей от грязи, ржавчины, масла, краски и шлака. Выбрав электрод, соответствующий виду сварного шва, следует вставить его свободным от обмазки концом в электрододержатель, после чего установить переключатель силы тока в положение, соответствующее нормальному режиму сварки.


Дугу можно зажечь двумя способами: «чирканием» или прямым. Первый способ напоминает чиркание спички о коробок: нужно потереть краем электрода в том месте, где должна быть выполнена сварка. В результате трения образуется дуга, которая хорошо заметна благодаря появившимся искрам (рис. 7.7, а). При втором способе электрод устанавливают перпендикулярно месту сварки и перемещают вверх-вниз. В обоих способах движение должно быть кратковременным, иначе электрод «залипнет». Отводить электрод нужно быстро и стараться удерживать его на расстоянии, не превышающем диаметра электрода. Положение электрода должно быть немного наклонным: 15–25° от вертикальной оси.

Рис. 7.7. Технология сварки


После появления дуги следует поднести электрод к краю детали на расстояние 2–3 мм и начать сварку. Длина дуги (т. е. расстояние между электродом и свариваемой деталью) должна быть постоянной и приблизительно равной диаметру электрода (рис. 7.7, б).

Выполняйте сварку, наклонив электрод под углом 60° и двигая им по направлению к себе. Сохраняйте постоянную скорость, удерживая постоянный зазор от 2 до 3 мм. Опускайте руку по мере плавления электрода для того, чтобы компенсировать уменьшение его длины (рис. 7.7, в).

Выберите скорость продвижения так, чтобы ширина полученного сварного шва (значение S) превосходила в 1,5–2 раза диаметр электрода (значение Е) (рис. 7.7, г).

Дайте сварному шву остыть. Во время плавки металлов образуется агломерат металлических шлаковых включений, который защищает сварной шов во время остывания.

С затвердевшего шва молотком сбивают шлак и зачищают поверхность металлической щеткой. Работать нужно в защитных очках.


Внимание!

Не трогайте голыми руками детали после сварки, они имеют очень высокую температуру. Во избежание поражения электрическим током не работайте в сырой или влажной одежде.


7.6. Особые случаи сварки


К особым случаям сварки относят сварку деталей под углом, сварку толстых деталей и др. [3].

Последовательность сварки деталей под углом:

1. Предварительно выполните сварку в нескольких точках, чтобы зафиксировать детали.

2. Ориентируйте электрод так, как показано на рис. 7.8.

Рис. 7.8. Технология сварки деталей под углом


3. Выполните окончательную сварку.

Перед сваркой очень толстых деталей (более 6 мм) необходимо с помощью напильника или шлифовальной машины сточить на них фаски для того, чтобы между ними образовался зазор. Сварку выполняют в несколько этапов, чтобы заполнить зазор между деталями (рис. 7.9).

Рис. 7.9. Технология сварки толстых деталей


7.7. Сварочные аппараты


В условиях загородного дома наиболее часто используют ручную электрическую дуговую сварку, поскольку она отличается высокой универсальностью и мобильностью. Сварку выполняют с помощью сварочного аппарата. Для ручной сварки подойдут сварочные аппараты на переменном или постоянном токе [4].

Достоинство постоянного тока – более стабильная электрическая дуга, которая позволяет получать более качественный сварочный шов. В сварочном аппарате на постоянном токе (сварочном выпрямителе) переменный промышленный ток преобразуется в пульсирующий постоянный с помощью полупроводниковых (селеновых или кремниевых) вентилей. Сварочный выпрямитель состоит из сварочного трансформатора с устройством для регулирования сварочного тока и выпрямительного блока, обычно собранного по трехфазной мостовой схеме, которая обеспечивает большую устойчивость горения сварочной дуги при меньшем количестве вентилей. Падающая характеристика в выпрямителе создается включением в цепь реактивной катушки или применением трансформатора с увеличенным магнитным рассеянием. Сварочный ток регулируют при помощи секционированных обмоток трансформатора, специальным дросселем насыщения или изменяя расстояние между обмотками. Сварочные аппараты-выпрямители типа ВД, ВДМ, ВДУ работают на постоянном токе и предназначены для сварки ответственных конструкций, что делает их незаменимыми в самых сложных ситуациях (рис. 7.10).

Рис. 7.10. Сварочный выпрямитель ВД-160 У3


Характеристики сварочного выпрямителя ВД-160 У3:

• напряжение питания сети – 220 В;

• число фаз – 1;

• частота – 50 Гц;

• номинальный сварочный ток выпрямителя – не менее 160 А;

• номинальное рабочее напряжение – не менее 28 В;

• номинальный режим работы ПН – 40 %;

• величина сварочного тока – от 40 до 160 А;

• напряжение холостого хода – не более 80 В;

• потребляемая мощность – 4,4 кВА;

• способ регулирования сварочного тока – механический, плавный;

• габаритные размеры выпрямителя – 400x290x460 мм;

• macca сварочного выпрямителя – 35 кг;

• цена – 12154 руб;

• фирма-производитель – ООО "Завод сварочного оборудования Кавик" (http://www.kavik.ru/?idc=14&idp=1).

Сварочные аппараты постоянного тока имеют небольшие габариты и вес. У них более высокий коэффициент полезного действия и они просты в обслуживании. В аппаратах этого типа дорогие медные обмотки заменены алюминиевыми. В них отсутствует шум при работе.

Для сварки переменным током используют сварочный трансформатор. Он, как правило, состоит из первичной и вторичной обмоток и дросселя (рис. 7.11).

Рис. 7.11. Схема сварочного аппарата переменного тока с отдельным дросселем


Первичную обмотку сварочного трансформатора подключают к сети промышленного тока. Переменный ток высокого напряжения при прохождении по обмотке формирует переменное магнитное поле, под действием которого во вторичной обмотке индуктируется переменный ток низкого напряжения. Обмотка дросселя включена последовательно вторичной обмотке. Величину сварочного тока регулируют, изменяя воздушный зазор между подвижной и неподвижной частями магнитопровода сварочного трансформатора. Если воздушный зазор отсутствует, то величина сварочного тока минимальна. Таким образом, сварочный трансформатор позволяет достаточно плавно регулировать силу тока и соответственно режим сварки. Если магнитопровод дросселя неразъемный, то величина сварочного тока меняется ступенчато. Чаще всего сварочные трансформаторы применяют в промышленности.

Сварочный трансформатор с подвижными обмотками широко применяется при ручной дуговой сварке. Он имеет повышенную индуктивность рассеяния и выполняется однофазным, стержневого типа, в однокорпусном исполнении. Он пригоден и для наплавки, и для сварки под флюсом тонкими проволоками (электрошлаковая сварка). В некоторых моделях сварочных трансформаторов параллельно первичной обмотке подключены компенсирующие конденсаторы для повышения коэффициента мощности.

Один из основных недостатков, присущий практически всем типам сварочных трансформаторов, – их большой вес, что заметно снижает мобильность.

В последнее время приобрел популярность сварочный инвертор – сварочный аппарат постоянного тока с инвертором на полупроводниковых микросхемах. Он позволяет более качественно выпрямлять переменный ток, т. к. инвертор преобразует переменный ток сети частотой 50 Гц в ток 50-250 кГц. Сварочные инверторы обладают рядом достоинств: более низким сварочным током, хорошим поджигом дуги и малым разбрызгиванием металла, малыми габаритами и весом сварочного аппарата. Отсутствие трансформатора делает сварочный аппарат-инвертор легким и мобильным в работе, что позволяет постоянно иметь его при себе.

Много ли электроэнергии потребляет сварочный аппарат? Такой расчет сделать несложно [5]. Допустим, что при сварке электродом диаметром 3 мм ток составляет 20 А. Это соответствует мощности 220 В x 20 А = 4400 Вт = 4,4 кВт. (Для сравнения электрочайник потребляет 1,5–2 кВт.) При работе аппарата в течение одного часа получаем количество потребляемой электроэнергии 4,4 кВт x 1 час = 4,4 кВт ч. При стоимости одного киловатт-часа 1 руб. аппарат "вытянет" из кошелька 4,4 кВт·ч x 1 руб. = 4 руб. 40 коп.


7.8. Сварочные электроды


Электроды, применяющиеся при сварке сталей и металлических сплавов, должны обеспечивать высокие механические свойства сварного соединения и достаточную производительность. Сварочные электроды представляют собой металлические стержни с обмазкой или без нее (рис. 7.12). Самые распространенные электроды имеют диаметр проволоки 3, 4, 5 и 6 мм. (Диаметр электрода считают без учета покрытия.)

Рис. 7.12. Сварочный электрод


Сварочная проволока – это плавящийся электрод, фактически металлический стержень бесконечной длины (см. прил. П6.1).

Электроды различаются по содержанию кремния, углерода и фосфора. Химический состав проволоки жестко регламентируется и имеет несколько марок: для сварки малоуглеродистой стали, конструкционной, легированной и т. д.

Для дуговой ручной сварки электроды покрывают обмазкой, препятствующей поглощению кислорода и азота из окружающего воздуха. Увеличение содержания кислорода и азота в структуре шва резко снижает пластические свойства металла.

В бытовых условиях вполне достаточно двух видов электродов: для обычных работ и для ответственных конструкций. Для первого случая годны все электроды (чаще всего на рынке попадаются марки МР-3 или АНО), для второго – лучше УОНИ. Правда, они более капризны, требуют сильного "чирканья" для разжигания дуги, несколько большего сварочного тока, но качество сварки и прочность шва у них выше. Электроды будут лучше гореть, если их предварительно прокалить в духовке.

Важно правильно подобрать диаметр электрода и сварочный ток. В быту обычно пользуются электродами 2–4 мм. Чем толще деталь, тем большего диаметра требуется электрод и тем выше должен быть сварочный ток. При работе инвертором сварочный ток можно занизить: для "двойки" (электрод диаметром 2 мм) – 40–60 А, для "тройки" (3 мм) – 80–90 А, для "четверки" (4 мм) – 120–150 А. Конкретные значения тока зависят от вида шва, толщины деталей и подбираются экспериментально, исходя из личного опыта и предпочтений.


Совет

Храните электроды в сухом месте. Если во время сварки в деталях проплавляются сквозные отверстия, необходимо понизить силу тока на сварочном аппарате. Из соображений безопасности никогда не пользуйтесь обычными цветными стеклами, применяйте только специальные фильтрующие стекла.


7.9. Выбор сварочного аппарата


Прогресс в производстве сварочных аппаратов сделал их доступными для использования в домашних условиях, на даче и в загородном доме. В продаже имеются бытовые сварочные аппараты, которые значительно меньше промышленных как по весу, так и по габаритам [6]. Их можно переносить за специальную ручку или на ремне через плечо без особых усилий.


7.9.1. Критерии выбора


Средний вес сварочного трансформатора составляет порядка 30 кг; выпрямителя (современного) – 20 кг, инвертора – 6-10 кг. Соответственно и стоимость инвертора будет в 2–3 раза больше выпрямителя, а выпрямитель окажется в 2–3 раза дороже трансформатора.

Бытовые аппараты не потребуют много места для их постоянного хранения. Работа же с ними настолько проста, что каждый желающий может овладеть искусством сварки.

Экономичность сварочного аппарата характеризуют коэффициентом полезного действия (КПД) в процентах. Как известно, чем он ближе к 100 %, тем дешевле обходится сварка. Следует отметить, что КПД характеризует тщательность проработки конструкции сварочного аппарата, поэтому не все фирмы приводят эти значения в паспорте на аппарат.

Сила тока – важнейшая характеристика любого сварочного аппарата. Диапазон сварочного тока определяет его возможности. Общее правило: чем выше это значение, тем более толстым электродом можно варить на данном аппарате. Так, для электрода диаметром 2 мм достаточна сила тока от 70 до 90 А в зависимости от типа электрода и условий сварки. Меньший ток не позволит разжечь дугу, при большем сварочном токе электрод начнет резать металл, а не сваривать. Для "тройки" необходимо уже 110–130 А, а сварка электродом 4 мм потребует 120–160 А. Величина сварочного тока влияет на сечение шва (рис. 7.13).

Рис. 7.13. Влияние величины сварочного тока на сечение шва


В быту для сварки электродами диаметром до 3 мм достаточен ток 120–140 А. Для сварки решеток, заборов и прочих конструкций следует выбрать электрод диаметром до 4 мм и сварочный ток в пределах 180–220 А.

Выбирая аппарат, обязательно нужно обратить внимание на такой параметр, как продолжительность включения при данном сварочном токе (ПВ). Его иногда называют продолжительностью нагрузки (ПН) или процентом времени работы (ПВР). Продолжительность включения сварочного аппарата рассчитывают в процентах, за 100 % принят цикл 10 мин. Традиционно профессиональным уровнем ПВ считается 60 % и выше. Например, сварочный аппарат инвертор "Сталкер 170" обладает ПВ 60 % при работе с электродом диаметром 4 мм и 100 % – при работе с электродом диаметром 3 мм и меньше [8]. Таким образом, "тройкой" можно варить без отрыва и непрерывно (что просто невозможно штучным электродом), а "четверкой" – с небольшими перерывами, как раз необходимыми для смены электрода.

Если в паспорте указано, что для тока 120 А ПВ = 60 %, значит без боязни перегреть аппарат можно работать 10 мин. х 60 % / 100 % = 6 мин. и затем следует сделать перерыв 4 мин. Аппараты со встроенным вентилятором имеют большее значение ПВ, чем без дополнительного охлаждения.

Однако, стремясь уменьшить время простоя трансформатора, нельзя забывать, что прерывание процесса иногда просто необходимо. Во-первых, для периодической установки в электродержатель нового электрода взамен использованного. Во-вторых, после 35 мин. непрерывной сварки обычно возникает необходимость подготовки деталей для дальнейшей работы.

Иногда, например, при продолжительной сварке изгороди из сетки "рабица" с уголковым каркасом перерывы в работе мешают. Чтобы мастер не увлекся сваркой и не сжег трансформатор, многие аппараты оснащены устройством термозащиты для автоматического отключения от электросети в случае перегрева.

Выбирая сварочный трансформатор, необходимо учесть особенности электрической сети того объекта, где вы хотите включать аппарат (220 или 380 В) [6].

Важно оценить пиковую мощность, которую допускает местная сеть, приблизительные сведения можно получить, глянув на автоматы, расположенные в щитке. Мощность рассчитываем в ваттах: напряжение умножаем на максимальный ток, который поддерживают ваши автоматы. В результате вычислений вы получите пиковую мощность, поддерживаемую вашей сетью.

Следует обратить внимание на напряжение начального зажигания дуги, которое влияет на выбор электрода для ручной дуговой сварки. У электродов есть характеристика – " напряжение холостого хода источника питания переменного тока" (она указана в описании электрода). Чем выше напряжение холостого хода, тем легче зажигается дуга. Обычно оно составляет 35–80 В.

Аппараты с выпрямлением сварочного тока обеспечивают более качественный шов и, как правило, имеют дополнительные функции: пуск двигателя, заряд аккумулятора, нагрев и рихтовку металла с помощью угольного электрода. Многие аппараты для удобства снабжены устройством поджига дуги.


7.9.2. Рекомендации по выбору сварочного оборудования


В настоящее время на рынке России имеется широкий ассортимент сварочных аппаратов различных отечественных и зарубежных компаний. Существуют приборы небольшого размера и весом до 10 кг, их можно носить на ремне через плечо и подключать в общую электрическую сеть через предохранитель на 16 А, конечно, с обязательным заземлением корпуса. Но стоимость их самая высокая: в 49 раз выше, чем простых сварочных трансформаторов. Модели инверторов различаются между собой в основном ценой, габаритами и дизайном, в остальном все они имеют близкие технические характеристики.

На сайте http://www.antaresk.ru/ можно найти многие виды сварочных аппаратов для ручной дуговой сварки итальянского, испанского и азиатского производства. Укажем еще сайт компании «Магимэкс»: http://www.pnevmo.ru/. Полезная информация о сварочных инверторах приведена на сайте http://www.dreli.org/shop-cat-161.html.

При выборе аппарата, прежде всего, нужно учесть условия его эксплуатации, а отсюда и климатическое исполнение (влажный, умеренный и сухой климат).

Когда вы определились с основными характеристиками сварочного аппарата, то уже можно выбрать его тип. Какому типу сварочных аппаратов отдать предпочтение: трансформаторному или инверторному аппарату [9]? Тип сварочного аппарата определит и его вес. Эта величина диктует условия проведения сварочных работ (стационарные или мобильные).

Преимущество сварочного трансформатора по сравнению с другими видами сварочного оборудования – его невысокая стоимость благодаря относительно несложной конструкции. Эта же особенность делает сварочные трансформаторы неприхотливыми в обслуживании.

Если же финансовые возможности позволяют приобрести высококачественный сварочный инвертор, то ему однозначно следует отдать предпочтение. Дешевые модели часто выходят из строя или не обладают теми преимуществами (кроме малого веса), которые предоставляет полноценный инверторный сварочный аппарат. Помимо высокой цены, у инверторов есть и другие недостатки. Эти аппараты могут быть чувствительны к скачкам напряжения в сети, если напряжение падает, скажем, до 190 В, некоторые модели могут начать работать нестабильно, трудно зажечь дугу.

Производители, как правило, заявляют много дополнительных возможностей (сварка нержавейки неплавящимся электродом, сварка с использованием защитного газа), но на практике непрофессионалу реализовать их практически нереально. Тонкий металл, например жестянку автомобиля, бытовым инвертором тоже сварить непросто.

Таким образом, для подавляющего большинства бытовых сварочных работ, для сварки черного металла обычным плавящимся электродом и отсутствии навыков сварки инверторный сварочный аппарат подойдет лучше всего.

При покупке сварочного оборудования очень важно правильно выбрать сварочные и силовые кабели. Сварочные кабели бывают нескольких типов в зависимости от сечения проводящей жилы, от количества жил и от допустимой величины сварочного тока. Чаще всего, как в бытовом, так и в полупрофессиональном сварочном оборудовании, используют сетевой кабель, рассчитанный на аппараты до 300 А, с тремя силовыми жилами и одной добавочной, предназначенной для заземления.

Сварочный кабель выбирают в зависимости от сварочного тока:

• КГ 1x16 мм2 – до 160 А;

• КГ 1x25 мм2 – до 250 А

• КГ 1x35 мм2 – до 350 А

• КГ 1x50 мм2 – до 500 А.


Примечание

Сварочный кабель КГ 1X16 мм предназначен для комплектации сварочного оборудования. Это силовой гибкий одножильный кабель с медными многопроволочными жилами в резиновой изоляционно-защитной оболочке. Выпускается согласно ТУ 16.К73.05–93.


Наиболее распространенный кабель КГ 3x4 мм2 + 1x2,5 мм2 имеет три силовых жилы и одну дополнительную для заземления. Этот кабель предназначен для питания аппаратов до 300 А. Более мощное оборудование должно комплектоваться кабелем КГ 3x6 мм2+ 1x4 мм2.

Обязательно нужно приобрести сварочную маску и электродержатель.


7.9.3. Требования к сварочным аппаратам для дач


Сформулируем общие требования к сварочному аппарату для загородного дома [10]:

1. Небольшие габариты и вес, т. к. возить сварочный аппарат на дачу и обратно должно быть удобно. Из этого следует, что он должен быть инверторного типа.

2. Потребление не более 5 кВт и работа в бытовой сети с предохранителями 16 А.

3. Цена примерно от 9 до 15 тыс. руб. и хорошее соотношение " цена/ качество".

4. Защита от перепадов напряжения (чем большую просадку допускает аппарат, тем лучше).

5. Простота и удобство в работе (все-таки сварка на даче – занятие больше для души, и промышленный многофункциональный сварочный аппарат приобретать неразумно).

6. Возможность сварки от автономного электрогенератора и наличие защиты от аварийного отключения электропитания. Полезными будут функции "горячий старт", "форсаж дуги" и "антиприлипание", т. к. они помогут даже начинающему сварщику-любителю выполнять сварочные работы, необходимые в загородном хозяйстве.

7. Покупка сварочного аппарата для дачи в специализированных магазинах, где есть достаточный выбор и грамотные консультанты.

Всем указанным требованиям в полной мере соответствуют, например, сварочные инверторы "Сталкер-170" и "Сталкер-140". Эти сварочные аппараты производит компания ООО "Сталкер" (г. Санкт-Петербург, www.svarka-stalker.ru).

Сварочные аппараты серии "Сталкер" выполнены на базе электронного модуля французской фирмы GYS (установлен в наиболее популярных и надежных в Европе сварочных аппаратах типа Welder) [11]. Электронные модули выполнены на базе современных схем инверторных преобразователей. Благодаря наличию мощных транзисторов MOSFET и применению принципа широтно-импульсной модуляции выпрямленное напряжение сети преобразуется в высокочастотное переменное напряжение (100 кГц), которое подается на первичную обмотку высокочастотного трансформатора. На вторичной обмотке получается переменное высокочастотное напряжение, которое преобразуется в постоянное. Такой принцип работы позволяет уменьшить вес оборудования и значительно увеличить КПД. Данные аппараты отличаются стабильной, надежной и эффективной работой, портативностью и низким уровнем шума в процессе сварки.

Миниатюрные электронные компоненты и поверхностный монтаж, а также уникальная конструкция силового блока резко повышают надежность работы сварочного аппарата при значительном снижении веса.

Применение в схеме программного управления на базе современных микроконтроллеров позволяет обеспечить высокий КПД, низкий уровень потребления энергии, мобильность, превосходные динамические свойства, стабильность горения дуги, низкий уровень напряжения холостого хода, саморегулирование мощности дуги, а также три дополнительные функции: быстрый старт (hot start), форсаж дуги (arc force) и антиприлипание электрода (antistick). Все это позволяет быстро освоить сварку любому желающему. Кроме того, эти аппараты адаптированы для работы от автономных электрогенераторов.

Конструкция сварочных аппаратов серии "Сталкер" предусматривает возможность их модернизации для подключения к подающему механизму при полуавтоматической сварке плавящимся электродом (проволока 0,6–1,0 мм) в среде защитных газов или самозащитной проволокой. Для этого предусмотрен соответствующий разъем для связи с подающим механизмом.

Рассмотрим характеристики конкретных приборов.


7.9.4. Примеры сварочных аппаратов


Сварочные инверторы «Сталкер-140» и «Сталкер-170»


В комплект сварочных инверторов «Сталкер» входит аппарат, кабельные вилки (2 шт.) и ремень для переноски.

Дополнительные опции: возможность подключения блока подачи проволоки и осуществления полуавтоматической сварки. Внешний вид аппаратов приведен на рис. 7.16, а их технические характеристики – в табл. 7.2.

Рис. 7.16. Сварочные инверторы: а – «Сталкер-140»; б – «Сталкер-170»


Таблица 7.2. Характеристики сварочных инверторов «Сталкер»

Напряжение питающей сети для инверторов «Сталкер» самого распространенного стандарта – однофазное, 220 В, 50 Гц. Для работы с электродом диаметром 3 мм достаточно автоматических предохранителей на 16 А. При интенсивной работе электродом 4 мм рекомендуется подключать прибор через автомат на 25А.

Защита от просадок напряжения позволяет инвертору "Сталкер" работать при падении напряжения в сети до 150 В. Такие просадки не редкость в районах с выработанными электросетями, небольших населенных пунктах, садоводствах, гаражных кооперативах и т. д. Большинство сварочных аппаратов перестают работать при просадке до 190–200 В, но "Сталкер" держит устойчивую дугу на электродах 4 мм типа OK-46, ОЗС-12, АНО-21, MP3C при падении напряжения до 150 В включительно. Разумеется, качество сварки в этом случае будет не таким как при 220 В, но вполне достаточным для надежного соединения. Эта же особенность позволяет аппарату устойчиво и надежно работать от генератора, что просто не могут большинство представленных на рынке инверторных аппаратов.

Защита от отключения питающей сети – полезная особенность инвертора "Сталкер-170", предохраняющая электронику от повреждений при аварийном отключении электроэнергии. А широкий диапазон регулировки сварочного тока делает возможным практически любой вид бытовой электросварки.


Сварочный аппарат «Терминатор»


Сварочный аппарат «Терминатор» (рис. 7.14, http://www.torus.ru/product/vipraym.html) предназначен для сварки и резки низкоуглеродистых сталей штучным электродом диаметром от 2 до 4 мм, а также для пуска двигателя легкового автомобиля с аккумулятором на 12 В.

Рис. 7.14. Сварочный аппарат «Терминатор»


Это «классический» сварочный аппарат на трансформаторе с двухполупериодным выпрямителем на выходе. Трансформатор выполнен на тороидальном сердечнике с обмотками из медного провода. Благодаря такой конструкции аппарат имеет малые габариты и вес. Его легко перевозить, особенно, при частой смене места сварки. Ко всему прочему, у него достаточно большой запас по мощности. Принудительное охлаждение позволяет практически непрерывно вести сварочные работы с электродом диаметром 3–4 мм. Рекомендуемые электроды: ОЗС4 или ОЗС12. Аппарат можно использовать в гаражах, на дачных участках и др.

С помощью "Терминатора" можно сваривать и резать даже нержавейку. Для этого необходимо подключить его через балластный реостат (для уменьшения вторичного тока) и применить горелку с неплавящимся электродом.

Характеристики "Терминатора":

• питающая сеть – однофазная 220 В, 50 Гц;

• максимальный потребляемый ток – 25 А;

• род сварочного тока – выпрямленный;

• регулировка сварочного тока – ступенчатая;

• максимальный сварочный ток – 180 А;

• процент времени работы (ПВР) – не менее 60 %;

• напряжение холостого хода – 78 В;

• масса – 13 кг;

• габариты – 220x220x240 мм;

• цена (http://www.equipnet.ru/equip/equip_3007.html) – 3490 руб.


Сварочный трансформатор FUBAG TR 200


Еще один пример недорогого прибора – сварочный трансформатор переменного тока FUBAG TR 200 (рис. 7.15).

Рис. 7.15. Однофазный сварочный трансформатор переменного тока FUBAG TR 200 для бытовых нужд


Характеристики сварочного трансформатора FUBAG TR 200:

• напряжение сети – 220 В;

• род сварочного тока – переменный;

• сварочный ток – 55-160 А;

• диаметр электрода – 2,0–4,0 мм;

• габариты – 500X230X340 мм;

• масса —16 кг;

• цена (http://instr.abc.ru/svarka/fubag_tr200.htm) – от 2730 до 4550 руб.


Сварочный трансформатор BestWeld PR 160


BestWeld PR 160 – это недорогой однофазный переносной сварочный аппарат переменного тока с принудительным охлаждением для сварки в быту (ручная дуговая сварка покрытыми электродами), с термозащитой и плавной регулировкой сварочного тока (рис. 7.16).

Рис. 7.16. Сварочный трансформатор BestWeld PR 160


Характеристики сварочного трансформатора BestWeld PR 160:

• напряжение сети – 220 В, 50 Гц;

• мощность при нагрузке 60 % – 3,7 кВт;

• напряжение холостого хода – 48 В;

• рабочий сварочный ток – 10-160 А;

• диаметр электрода – 2,0–4,0 мм;

• класс изоляции – Н;

• класс защиты – IP21;

• габариты – 425x215x310 мм;

• вес – 15,2 кг;

• цена (http://www.webdacha.ru/) – 3340 руб.

Этот компактный сварочный трансформатор серии PR неприхотлив в использовании при разных температурах и влажности, что позволяет его применять в условиях загородного дома. Обладает устойчивостью к скачкам напряжения, стабильно работает при пониженном напряжении. Аппарат отличается надежностью и простотой в эксплуатации. Комплектация прибора позволяет сразу же начать сварочные работы.

В комплект BestWeld PR 160 входит:

• сварочный аппарат;

• щетка-молоточек;

• электрододержатель с соединяющим кабелем;

• клемма массы с соединяющим кабелем;

• маска сварщика;

• инструкция по эксплуатации;

• гарантийный талон;

• ручка для переноски аппарата.


Переносные сварочные аппараты на 220 В


Приведем технические характеристики ряда моделей переносных сварочных аппаратов на 220 В для ручной дуговой сварки одиночным электродом, которые подходят для домашнего хозяйства [11] (табл. 7.3).


Таблица 7.3. Переносные аппараты на 220 В для ручной дуговой сварки одиночным электродом

Примечания

* – значения силы тока, указанные через запятую, могут быть установлены на сварочном аппарате ступенчато, а через тире – плавно или плавно-ступенчато;

** – значения ПН приведены для максимальной силы сварочного тока.


7.10. Диагностика неисправностей инверторов «Сталкер»


В табл. 7.4 приведены возможные неисправности сварочных инверторов «Сталкер» и методы их устранения.


Таблица 7.4. Неисправности сварочных аппаратов и методы их устранения


Внимание!

Ремонт сварочного оборудования в случае его поломки может осуществлять только квалифицированный технический персонал.


7.11. Рекомендации по эксплуатации сварочных аппаратов


Приведем некоторые рекомендации по эксплуатации сварочных аппаратов, которые позволяют продлить их срок службы [6].

В инструкциях по использованию некоторых сварочных аппаратов вместо показателя ПН (продолжительность нагрузки) приведен показатель ПВ (продолжительность включения). Пусть это вас не смущает: его значение полностью совпадает со значением показателя ПН.

Инверторы более чувствительны к уменьшению напряжения в сети, чем сварочные трансформаторы и выпрямители: при снижении напряжения на 15 % такой аппарат просто не запускается.

Любой аппарат следует обязательно периодически включать (хотя бы раз в три месяца), поскольку при отсутствии тока в его отдельных элементах, например в конденсаторах, происходят процессы, снижающие работоспособность аппарата.

При работе с электродами одного диаметра, например 3 мм, лучше приобрести сварочный аппарат, у которого для них ПН = 100 %.

При максимальной силе сварочного тока до 140 А установите предохранитель, рассчитанный на ток не менее 16 А, и подводящий провод с сечением не менее 2,5 мм2. При максимальной силе сварочного тока от 160 до 300 А потребуется установка отдельного щитка с электросчетчиком, рассчитанным на ток не менее 40 А, например модели СО-И-446М, и подводящим проводом с сечением не менее 6 мм2.

При выборе места для щитка учтите, что длина соединительного кабеля от этого щитка к сварочному аппарату должна быть ограничена. Она обязательно указывается в паспорте на аппарат и составляет обычно от 5 до 15 м.


7.12. Меры предсторожности при электросварке


Процессы сварки и резки представляют опасность для сварщика и людей, находящихся в пределах или рядом с рабочей зоной, при неправильной эксплуатации оборудования. Поэтому сварку необходимо осуществлять только при условии неукоснительного соблюдения всех действующих норм и правил техники безопасности (табл. 7.5). Следует внимательно прочитать паспорт сварочного аппарата перед установкой и использованием этого оборудования и разобраться во всех нюансах [12].


Таблица 7.5. Безопасность при электросварке

 

 

 

Глава 8

Садовая техника


Прогресс в садовой технике позволяет значительно экономить время при выполнении работ по дому и саду и тем самым обеспечить максимально комфортное проживание в загородном доме. При этом не важно, будет ли ухаживать за садом сам хозяин, или специально нанятый работник, как говорится: «Время – деньги». И каждый сэкономленный час – это дополнительная возможность отдохнуть или заняться более важными делами. Поэтому покупка разнообразной садовой техники – это не роскошь, а веление времени. Далее мы рассмотрим только те устройства, для работы которых потребуется электрический ток.


8.1. Электрокоса (электрический триммер)


8.1.1. Основные сведения


В садовой технике триммером (от англ. trimmer, от trim, буквально – приводить в порядок) называют специальное переносное устройство для скашивания газонной травы. Скашивание осуществляют вращающиеся концы распущенной лески, которая находится в головке триммера (рис. 8.1).

Рис. 8.1. Устройство триммера и технология скашивания газонной травы


В зависимости от типа привода триммеры бывают с электрическим (электрокосы) или с бензиновым двигателем [1]. Электрокоса отличается от газонокосилки в основном габаритами. Она более компакта, ее можно носить как хоккейную клюшку, в то время как газонокосилку возят на колесиках. Помимо прочего, триммер гораздо экономичнее. Электрические садовые триммеры и бензокосы – экономически выгодный вариант для периодического использования, т. к. они значительно дешевле, чем профессиональная бензокосилка. Наконец, триммер удобен в управлении и не требует значительных расходов на сервисное обслуживание. Именно поэтому триммер в настоящее время стал достойной альтернативной газонокосилкам коммерческого типа.

На сегодняшний день на рынке представлено множество моделей электрокос. В принципе они все одинаковые, с той лишь разницей, что очень дешевые образцы быстро выходят из строя, а более дорогие служат надежно и безотказно.

Триммер и газонокосилка имеют свою специфику, которую нужно принимать во внимание при выборе требуемого вам аппарата, хотя все эти агрегаты и призваны выполнять общую задачу – косить траву.

Нужно иметь в виду, что очень часто разные производители используют разные термины для обозначения одного и того же инструмента. Триммер часто называют мотокосой, бензокосой (триммер бензиновый) или электрокосой (триммер электрический). Также нередко встречается термин травокосилка.

Триммер (электрокоса или мотокоса) – единственное верное решение для кошения травы в тех местах, куда затруднен доступ для колесной газонокосилки, в частности вокруг кустов, деревьев, дорожек, заборов и стен. Электрокоса также будет незаменима на рельефных участках с достаточно крутыми склонами. Триммером можно скашивать не только газонную, но и обычную траву. Сорняки в любом случае нужно ликвидировать, чтобы они не успели дать семена.


8.1.2. Выбор триммера


Широкий ассортимент триммеров имеет и свою негативную сторону: начинающий садовод или дачник может оказаться в затруднительном положении, пытаясь определиться с наиболее подходящей под его потребности моделью электротриммера (электрокосы). Чтобы этого не случилось, обратите внимание на следующие нюансы при выборе аппарата [2].

• Конструкция режущей головки триммера должна быть удобной в обслуживании и легко разбираться при замене лески или насадки.

• Агрегат должен иметь эффективную систему поглощения вибрации тех деталей, с которыми оператор входит в непосредственное соприкосновение.

• Агрегат должен быть как можно более легким, ведь его придется держать в руках! Полезно также иметь наплечный ремень, распределяющий нагрузку для более комфортной и эффективной работы.

• Для максимальной эффективности следует обеспечить достаточную мощность.

• Рукоятка должна находиться под углом относительно штанги для предотвращения неравномерного распределения веса сзади.

• Рукоятка должна быть изогнутой и складной для удобства транспортировки и хранения.

• Чем шире выбор принадлежностей и режущих насадок, тем обширнее область применения.

Электрические триммеры бывают двух видов: с нижним и с верхним расположением двигателя. Триммеры с нижним расположением двигателя предназначены для регулярно подстригаемой газонной травы, которая мягче обычной. Электротриммеры с нижним расположением двигателя рассчитаны на менее продолжительный режим работы, им нужно чаще давать отдых, позволяя мотору остыть. Максимальная мощность аппаратов этого типа – 500 Вт, поэтому они не отличаются большой производительностью. Важно также иметь в виду, что, т. к. двигатель у этих электротриммеров расположен внизу, с их помощью нельзя косить мокрую и даже влажную траву.

Триммеры с верхним расположением двигателя, обычно, называют электрокосами. Они более мощные (обычно 750-1100 Вт) и не боятся влажной травы. Более толстая леска позволяет косить густую и высокую траву.

Триммеры с режущей леской целесообразнее в том случае, если на обрабатываемой территории много деревьев, кустарника, камней. Это связано с тем, что ножи могут повредить деревья или получить серьезные повреждения, натолкнувшись на камень или на другой твердый предмет. Металлические (пластиковые) ножи, в свою очередь, позволяют косить жесткую, высокую траву и кустарник. При этом ширина кошения у триммеров с металлическими ножами обычно меньше, чем у триммеров с леской, диаметр кошения которых может достигать 40 см.

Наиболее универсальный вариант – триммер, оснащенный и ножами, и леской, например модель SunGarden RCTA 1000 (рис. 8.2). Это позволит менять режущую головку в зависимости от характеристик участка, который вы планируете обработать.

Рис. 8.2. Электрический триммер SunGarden RCTA 1000 с установленным режущим ножом, после замены катушки с леской (а); шильдик триммера (б)


Нужно заметить, что универсальные триммеры, тот же SunGarden RCTA 1000, оснащенные мощным электродвигателем, имеют и большой вес (5–7 кг).

В зависимости от специфики работы выбирают триммер с требуемым типом ручки. Выделяют четыре основных типа ручек у триммеров: Т-образная, J-образная, Q-образная и U-образная.

T-образная ручка удобна для работы на открытом пространстве, при этом совершаемое вами движение будет похоже на движение при кошении обычной косой. Дает возможность работать двумя руками, обеспечивая наилучший контроль над инструментом, особенно при работе с ножом. Эти триммеры отличаются высокой мощностью и предназначены для больших объемов работ на открытых участках. Встречается у большинства производителей электро– и мотокос, триммеров, обладающих большой мощностью (модели STIHL FS100, FS130; ECHO SRM-2305SI и др.).

Если вам предстоит обработка участков, заросших высокой травой, обратите внимание на модели с J-образной рукояткой, которая предотвращает приближение оператора к коническому редуктору. J-образную рукоятку следует присоединять, когда на триммере устанавливается металлический нож для кошения травы. Этот тип рукоятки встречается у кос фирм MTD (790M AST) и HOMELITE (HBC26SJ, HBC26SJS).

Q-образная ручка удобна при небольшом объеме работы, когда требуется высокая маневренность, к примеру, для обработки кустарников, деревьев, дорожек и живых изгородей. Для этого лучше всего подходит леска. Q-образной ручкой оснащены многие модели электро– и мотокос компании STIHL (FS100R, FS130R, FS55RC).

U-образная ручка – наиболее популярный и чаще встречающийся тип у легких электро– и мотокос (VIKING TE600, TE1000; STIHL FS38; ECHO GT-22GES; MTD710AST; PARTNER COLIBRI 2, SunGarden RCTA 1000) (рис. 8.3).

Рис. 8.3. Электрический триммер SunGarden RCTA 1000 с U-образной ручкой


Рассмотрим некоторые модели электрокос. Электрокоса Makita UM 3830 – качественное изделие известного японского производителя (рис. 8.4).

Рис. 8.4. Электрокоса Makita UM3830 с Q-образной рукояткой


Инструмент предназначен для скашивания травы в труднодоступных для колесной газонокосилки Makita местах: в непосредственной близости от стен и заборов, вокруг клумб и других декоративных элементов сада, для облагораживания кромки газонов и т. п. Кроме того, электрокосу Makita UM 3830 можно успешно применять для скашивания травы на небольших приусадебных участках со сложным рельефом, там, где в силу своих конструктивных особенностей колесная газонокосилка Makita недостаточно эффективна [3]. Особую привлекательность инструменту придают его компактные габариты и доступная цена. Преимущества электрических газонокосилок Makita данного класса заключаются в бесшумности, низкой вибрации, экологической чистоте, простоте обслуживания и надежности эксплуатации. Единственный недостаток электрокосы Makita UM 3830 – зависимость от источника электричества – с лихвой окупается высокой производительностью и надежностью механизма. К тому же газонокосилка Makita может работать сколь угодно долго, не нуждаясь в дозаправке или подзарядке аккумулятора.

Технические характеристики модели Makita UM 3830:

• потребляемая мощность при непрерывной работе – 700 Вт;

• режущий инструмент – двухнитевая косильная головка;

• ширина резки – 400 мм;

• габаритные размеры – 530x480x360 мм;

• вес – 4,9 кг.

Принцип работы электрокосы Makita UM 3830 достаточно прост. Электрический двигатель, расположенный в верхней части инструмента, создает крутящий момент и сообщает его посредством трансмиссии вращающейся косильной головке, закрепленной на конце изогнутой цельной алюминиевой штанги. Режущим инструментом газонокосилки Makita UM 3830 служит полуавтоматическая шпуля с леской диаметром 2 мм. При случайном обрыве нити "полуавтомат" способен самовосстанавливаться: для этого достаточно надавить основанием косы на твердый упор, не выключая двигатель, после чего леска возобновит свой размах, и можно будет продолжать работы. Режущая головка закрыта большим кожухом, надежно защищающим оператора от возможного травмирования случайными мелкими выбросами из-под " ножа" электрокосы.

Особый комфорт в работе обеспечивает совершенная эргономичная форма газонокосилки Makita UM 3830 и дополнительные приспособления. Изогнутая штанга, удобные прорезиненные рукоятки с элементами виброзащиты, – все это призвано снизить утомляемость оператора в процессе работы и обеспечить максимальный контроль над инструментом.

Триммер электрический VIKING TE 700 производится в Австрии и предназначен для бытовых целей (рис. 8.5). Он имеет небольшой вес. Благодаря верхнему расположению двигателя может работать по мокрой траве. Предназначен для подкашивания травы в труднодоступных местах, после работы бензиновой газонокосилкой. Аппарат лучше подходит для небольших объемов работы: косьбы миниатюрных газонов, окантовок дорожек и труднодоступных зон на участках. Благодаря наличию теплового реле отключается при перегреве и скачках напряжения. Прекрасно подойдет для пожилых людей и людей с ограниченными физическими возможностями.

Рис. 8.5. Электрокоса VIKING TE 700 с Q-образной рукояткой


Положение рукоятки триммера можно регулировать в соответствии с ростом оператора и с положением при косьбе. Посредством бугельной ручки устройство можно правильно направлять, регулируемое ограничительное колесо защищает цветы, кусты и кору деревьев от нити косы. Встроенный ограничитель длины предотвращает случайное отсоединение электрокабеля. Защитный щиток обеспечивает стабильное положение на почве.

Технические характеристики VIKING TE 700:

• мощность – 600 Вт;

• вес – 4 кг;

• режущий инструмент – леска;

• страна-производитель – Австрия;

• гарантия – 1 год;

• номинальная частота вращения – 7400 об./мин.;

• уровень шума – 96 дБ(А);

• диаметр окружности реза – 350 мм;

• материал корпуса – полимер;

• габариты устройства – 120x37x105 см.

Многие модели электро– и мотокос (особенно профессионального и фермерского класса) оснащаются различными видами заплечных ремней, которые снижают нагрузку на руки и спину и делают выполняемую работу более комфортной.

В триммерах имеется специальный крюк для крепления электрического шнура. Это предотвращает случайное расцепление вилки электрического шнура триммера с розеткой удлинительного кабеля (рис. 8.6).

Рис. 8.6. Крюк электрического триммера SunGarden RCTA 1000 и крепление на нем провода удлинителя кабеля


Самый распространенный вид режущего механизма – нейлоновая леска (корд). Вращаясь на большой скорости (около 7-10 тыс. об./мин.), леска распрямляется в жесткую струну, способную с легкостью разрезать стебли травы (рис. 8.7) [4].

Рис. 8.7. Головки триммеров: а – Husqvarna 128 С; б – STIHL


Триммерная головка может удерживать одну или две нейлоновые нити, в последнем случае они вытягиваются с противоположных сторон головки. Обратите внимание при работе, что триммер нужно наклонять так, чтобы ось вращения его головки была перпендикулярна поверхности земли. В большинстве случаев триммерные головки полуавтоматические с функцией «Tap-n-go». Это значит, что корд подается автоматически: достаточно слегка ударить триммерной головкой о землю. Опыт показывает, что не все головки, имеющие функцию «Tap-n-go», способны автоматически подавать леску. На это нужно обратить внимание при покупке триммера.

Заметим, что у разных фирм-производителей триммеров различные конструкции режущих головок, которые подходят только к моделям определенной фирмы.

Производительность триммера зависит от трех основных факторов: мощности двигателя, диаметра круга скашивания и толщины лески или материала ножей. На практике мощность бытовых триммеров редко превышает 600–800 Вт. На триммеры мощностью свыше 1000 Вт можно смело устанавливать металлические ножи, что существенно повышает производительность. Диаметр круга может колебаться от 22 до 40 см. Различие в режущих механизмах триммеров никак не влияет на его величину.


Внимание!

Устанавливайте в триммере леску только того диаметра, который указан в руководстве по эксплуатации. В противном случае отличный от рекомендованного диаметр лески может привести к повреждению (перегрузке) электродвигателя триммера.


Чем толще леска, тем более грубую траву она может срезать. Корд толщиной свыше 2 мм способен косить старую засохшую траву и толстые стебли растений (рис. 8.8). Металлические ножи предпочтительнее пластиковых, но их использование, во-первых, требует более мощного двигателя (свыше 1000 Вт), а, во-вторых, металлические ножи нельзя применять при кошении на каменистом грунте.

Рис. 8.8. Леска для триммера (а) и ее этикетка (б)


Предупреждение!

Замену лески в триммере следует производить при полной остановке электродвигателя и вынутой вилке электрошнура триммера из электрической розетки.


8.1.3. Рекомендации по работе с электрическим триммером


Перед скашиванием травы тщательно осмотрите рабочий участок и освободите его от посторонних предметов, включая осколки стекла, куски проволоки, арматуру, камни и т. п., т. к. они могут повредить триммер или нанести травму пользователю и окружающим.

Не скашивайте влажную траву.

Не перегружайте электродвигатель триммера. Резать траву следует кончиками триммерной лески, т. к. скашивание всей длиной триммерной лески уменьшает эффективность работы изделия и может привести к перегрузке электродвигателя.

Для предупреждения преждевременного износа триммерной лески и дополнительной нагрузки на электродвигатель скашивать траву высотой более 20 см следует за несколько заходов сверху вниз. Это предотвратит наматывание травы на катушку изделия, перегрузку электродвигателя и преждевременный выход его из строя. При наматывании травы на катушку остановите электродвигатель и освободите ее от травы.

При скашивании травы высотой менее 20 см держите триммер так, чтобы он был наклонен вперед в сторону рабочей зоны (зоны, в которой должно осуществляться скашивание), что обеспечит наибольшую эффективность.

В процессе работы триммерная леска постепенно изнашивается и укорачивается, что уменьшает ширину полосы обработки травы. Если не увеличивать длину лески (не выпускать ее из катушки), то она может укоротиться настолько, что концы окажутся внутри катушки. Если все же это произошло, то отпустите кнопку пуска/остановки электродвигателя, отключите триммер от электрической сети. Затем разберите катушку, пропустите концы триммерной лески через выходные отверстия в корпусе катушки и вновь соберите катушку.

Не допускайте соприкосновения катушки и триммерной лески с проволокой, камнями, бордюрами, твердыми покрытиями дорожек, заборов и т. п., т. к. это будет приводить к преждевременному износу (укорачиванию) триммерной лески, повреждению катушки или травмированию пользователя.

Не допускайте касания триммерной леской стволов деревьев, кустарников и других насаждений для предотвращения их повреждения.

При скашивании травы не касайтесь головкой катушки поверхности земли.

Расход триммерной лески зависит от:

• соблюдения рекомендаций по правильной работе с триммером;

• типа скашиваемой травы;

• типа местности, где происходит скашивание.

Например, расход лески будет больше при скашивании травы вокруг фундаментов домов по сравнению со скашиванием вокруг деревьев.


8.2. Электротяпка


Если вы любите цветы и свежие овощи с грядки, а прополка сорняков вам надоела, то следует купить электротяпку. Главное отличие электротяпки от мини-культиватора в том, что рыхление производится не вращающейся фрезой, а стержнями [5]. Этот уникальный инструмент – единственный, который может вам помочь. Электротяпка по полезности достойна серебряных медалей и второго места после триммера. Да и конструктивно она похожа на триммер с нижним расположением двигателя: штанга, вверху установлены ручки управления, внизу находятся двигатель и рабочая головка. Главное отличие в головке, содержащей шесть стальных трехгранных пальцев (две группы по три штуки), колеблющихся при работе (делающих неполный оборот вокруг вертикальной оси штанги) в противоположных направлениях относительно друг друга. Длина пальцев, определяющая глубину рыхления почвы, равна 8 см. Расположены они так, что могут обрабатывать междурядья с минимальной шириной 6–8 см. Этого достаточно для прополки практически всех цветочных и овощных культур. Можно обрабатывать и межи между грядками. Благодаря отсутствию открытых вращающихся частей электротяпка не повреждает соседние культурные посадки.

Сравнение прополки грядок ручной и электрической тяпками показывает, что в любом случае нужно рыхлить почву, извлекать сорняки, отряхивать землю с корней и собирать выдернутые растения. Понятно, что при работе обычной тяпкой все эти операции выполняют вручную. При этом глубина рыхления редко превышает длину зубьев тяпки (обычно, 4–5 см), а садовод при прополке находится в неудобной позе. При этом утомляется поясница или ноги. Заметим, что первые три операции самые трудоемкие при прополке.

Электротяпка благодаря специальной конструкции рабочей головки с трехгранными пальцами, приводимыми в движение двигателем, выполняет первые три операции без усилий человека. И только самую легкую работу – сбор сорняков – выполняют вручную. Коротко достоинства электротяпки можно выразить так: "Легче, глубже, чище и быстрей!" Дополнительные достоинства: малый вес (менее 3 кг) небольшая цена (около 3000 руб.), а главное, что прополка производится стоя. Далее рассмотрим некоторые модели электротяпок.


8.2.1. Модели электротяпок Электротяпка SunGarden TF 400


Электротяпка (мини-культиватор) SunGarden TF 400 производится в России (Германия/Россия/Китай) (рис. 8.9).

Рис. 8.9. Электротяпка SunGarden TF 400


Модель SunGarden TF 400 – это универсальная тяпка-рыхлитель [6]. Она позволяет подготовить почву перед посевом и более бережно ухаживать за растениям. Эта электротяпка идеальна для овощных грядок, цветочных клумб, работы вокруг кустов и прополки. Рыхлитель позволяет бороновать и рыхлить почву, удалять сорняки и подравнивать края газона без лишних усилий и затрат времени. Специальные закаленные пальцы тяпки способны углубляться в землю на 80 мм и разрыхлять грунт поступательно-вращательными движениями. Прочные рукоятки электротяпки хорошо сбалансированы. Агрегат идеален для овощных грядок, цветочных клумб, работы вокруг кустов и прополки. Низкий уровень шума снижает утомляемость при работе.

Тяпка не заклинивает при попадании камней и твердых частиц. Отличается надежным сцеплением для передачи энергии фрезам при обработке любой почвы. Оснащена высоконадежным редуктором для продолжительной работы

Технические характеристики SunGarden TF 400:

• скорость вращения фрезы – 18 500 об./мин.;

• рабочая ширина – 10 см;

• напряжение – 220 В;

• мощность – 350 Вт;

• вес – 2,5 кг.


Электротяпка Texas ES 300


Среди схожих тяпок-рыхлителей других производителей можно указать электротяпку Texas ES 300 производства Дании (рис. 8.10).

Рис. 8.10. Электротяпка Texas ES 300


Модель ES300 удобна для работы на клумбах, между кустами и в других труднодоступных местах. Два ножа двигаются в противоположных направлениях, обеспечивая эффективную обработку почвы. Система «пять в одном» – это прополка, рыхление и аэрация, внесение удобрения, помощь при посадке, обработка краев газонов и клумб.

Технические характеристики модели Texas ES 300:

• скорость вращения фрезы – 18 500 об./мин.;

• ширина обработки – 15 см;

• глубина обработки – до 10 см;

• мощность – 300 Вт;

• вес – 4,6 кг.


Электротяпка Brill Gardenboy 400 gb


Электротяпка Brill Gardenboy 400 gb производства Германии – вещь уникальная (рис. 8.11).

Рис. 8.11. Электротяпка Brill Gardenboy 400 gb


Brill Gardenboy в переводе с английского – садовый помощник. Она может разбить крупные комья земли (боронование), разрыхлить почву (аэрация и прополка), выровнять края грядок и клумб (декоративное садоводство). Приступить к работе с этой электротяпкой очень просто, достаточно вставить вилку в розетку и нажать кнопку пуска. При этом даже плотность грунта не должна заботить оператора, если почва окажется слишком тяжелой, электронная защита отключит питание. Через несколько секунд блокировка автоматически снимется, после чего можно продолжить работу. Еще одна важная особенность электротяпки: ее нижнюю ручку легко отрегулировать под себя, поворачивая вокруг вертикальной оси и перемещая вверх-вниз.

По простоте эксплуатации, надежности, универсальности и доступности конкурировать с Gardenboy под силу разве что ручной лопате.

Технические характеристики Brill Gardenboy 400 gb:

• скорость вращения фрезы – 18 500 об./мин.;

• рабочая ширина – 10 см;

• напряжение – 220 В;

• мощность – 350 Вт;

• вес – 2,3 кг.

У электротяпки Brill Gardenboy 400 gb стержни закреплены на двух основаниях (по три на каждом), которые поворачиваются вокруг вертикальной оси в противоположные стороны с размахом 90° и частотой 660 движений в минуту. Достоинство такого принципа действия в том, что пласт земли не переворачивается, следовательно, сохраняется плодородный слой. Привод осуществляется через двухступенчатый планетарный редуктор и кривошипный механизм. Для увеличения надежности и долговечности конструкции в ней использованы подшипники качения, защищенные от грязи и пыли сальниками. Чтобы исключить засорение двигателя, конструкторы разместили воздухозаборник высоко над землей, в верхней части полой рукоятки. Воздух, пройдя сквозь нее, охлаждает мотор, после чего выходит через вентиляционные отверстия в корпусе. Обслуживания как такового не предусмотрено. Запас консистентной смазки рассчитан на весь срок службы инструмента, поэтому контролировать и пополнять его не нужно. Главное требование – следить за чистотой, не допуская засорения вентиляционных отверстий, и тогда садовый помощник будет радовать хозяина не один сезон.


8.3. Электрические инструменты для стрижки живой изгороди


8.3.1. Общие сведения


К электрическим инструментам для стрижки живой изгороди относятся мотоножницы, электроножницы и кусторез [7]. Мотоножницы имеют встроенный аккумулятор, и работа с ними не будет ограничена длиной шнура или удлинителя. Это конечно удобно, но за удобство нужно платить: мотоножницы на килограмм-полтора тяжелее электроножниц. У кустореза есть свои преимущества: он может резать ветки диаметром более 5 см. Эти инструменты предназначены для стрижки и хвойной, и лиственной живой изгороди высотой до 1,5 м. При стрижке более высоких изгородей верх придется срезать, взойдя на стремянку.

Кусторезы удобны и компакты. Модели аккумуляторного типа позволяют работать вдали от электрической сети. Кроме того, можно подбирать длину ножа в зависимости от величины кустарника и не повторять одни и те же движения по нескольку раз. Кусторезы, в отличие от человека, не знают усталости, вы можете работать по нескольку часов, приводя свой любимый сад в безупречный порядок. Кусторез имеет небольшой вес, как сложные электрические инструменты, и поэтому позволяет удобно работать в любом положении. Устройство кустореза предельно простое: металлические ножницы, надежно закрепленные на овальной раме, путем одновременного движения навстречу друг другу срезают находящиеся между ними ветки. Существуют кусторезы как одностороннего, так и двустороннего типов.


8.3.2. Выбор кусторезов


На сегодняшний день доступно большое количество различных моделей кусторезов. В первую очередь они отличаются по функциональности, поэтому при выборе кустореза обращайте внимание на его технические характеристики [8].

Выбор модели кустореза напрямую зависит от величины кустарников, за которыми вам необходимо ухаживать. Так, например, если у кустов слишком большие ветки, то и длина ножей, а, следовательно, и мощность инструмента должны быть соответствующими. Наиболее удобными считаются кусторезы, оснащенные двойными рукоятками, для обеих рук. Как правило, все изготовители кусторезов дают гарантию на свой инструмент не более года. Если вы будете правильно пользоваться кусторезом, то любых поломок можно избежать. Самая распространенная проблема – перегрев инструмента. Садовники часами работают на участке, не обращая внимания на нагревающийся двигатель, который в таких условиях рано или поздно сгорает. Поэтому обязательно работайте с небольшими перерывами. Также следите за состоянием лезвий, которые после каждой обрезки необходимо очищать. Следуя всем этим рекомендациям, у вас не возникнет абсолютно никаких проблем в работе кустореза. А в награду вы получите красивый сад.

Рассмотрим несколько моделей кусторезов и отметим их особенности.

Электрический кусторез Oleo-Mac HC 600 E (Италия) предназначен для работ, выполняемых время от времени по подрезке не очень густых живых изгородей и кустов средних размеров (рис. 8.12).

Рис. 8.12. Электрический кусторез Oleo-Mac HC 600 E


Агрегат легкий и надежный. Работает бесшумно, не нарушая покой соседей. Имеет прозрачное защитное ограждение, которое позволяет лучше видеть рабочую зону, и двойной инерционный тормоз, обеспечивающий максимальную безопасность пользователя. Ножи выполнены из высококачественной стали, что позволяет эффективно подрезать густые и жесткие живые изгороди.

Технические характеристики Oleo-Mac HC 600 E:

• категория применения – бытовая;

• тип ножа – А (двусторонний);

• длина полотна ножа – 60 см;

• максимальный диаметр веток – 22 мм;

• мощность – 600 Вт;

• напряжение питания: 230 В;

• частота тока – 50 Гц;

• вес – 3,9 кг.

Электрический кусторез Black&Decker GT501 производства Германии – универсальное и простое в эксплуатации устройство (рис. 8.13). Двухпозиционная рукоятка служит для увеличения длины инструмента. У него двусторонние асимметричные ножи с тормозом. Безопасная остановка ножей происходит менее чем за секунду при опускании выключателя. Низкий уровень вибрации делает работу с этим кусторезом весьма комфортной.

Рис. 8.13. Электрический кусторез Black&Decker GT501


Технические характеристики Black&Decker GT501:

• потребляемая мощность – 500 Вт;

• длина полотна – 51 см;

• максимальный диаметр веток – 20 мм;

• число ходов без нагрузки – 1700 ход/мин;

• время остановки ножей – менее 1,0 с;

• вес – 3,0 кг.

Отметим, что большинство электрических инструментов имеют аналоги с бензиновым двигателем. Бензиновые агрегаты мощнее электрических, но и значительно тяжелее.


8.3.3. Технология обрезки


На первый взгляд, в обрезке кустов нет никакой необходимости. Растения растут сами по себе и очень скоро достигают больших размеров. Но если вовремя не побеспокоиться и не подрезать широкие ветки, то через некоторое время куст может потерять свою эстетичность: листья пожелтеют, а своими формами сад будет напоминать заброшенные заросли. Следует отметить, что кустарники лучше себя чувствуют при постоянном уходе.

Начинающему садовнику подчас бывает трудно определить, нуждаются ли кустарники в обрезке. В этом случае обращать внимание стоит на визуальные признаки. Если куст имеет неэстетичную величину, а ветки выросли неравномерной длины, будьте уверены – аккуратная обрезка такому растению не помешает. Ну а для того чтобы вы лучше могли разобраться в данной на первый взгляд сложной процедуре, мы предлагаем вам рассмотреть несколько разновидностей обрезки.

Если вы обрезаете растение, чтобы придать ему определенные формы, то такая обрезка называется формирующей. Если же вы ухаживаете за уже достаточно зрелым растением, уменьшая слишком большие ветки, то такой тип обрезки выполняет регулирующую функцию. Омолаживающая обрезка предусматривает уход за взрослыми кустарниками, которые имеют старые ветки, и для того чтобы дать возможность полноценно развиваться молодым, и осуществляется такая процедура. Лечение растения путем удаления слабых нежизнеспособных веток называется прореживающей обрезкой. Ну и последний тип обрезки – восстановительный, заключается в устранении поврежденных веток и стимулировании к росту остальных.

Деревья и кустарники обрезают для того, чтобы сделать более привлекательным внешний вид растений, а также улучшить их здоровье. Известно несколько принципов обрезки [9]. Если вы мечтаете о плодородном и красивом саде, то вам необходимо всегда о них помнить. Если вы уменьшаете длину веток, то способствуете приливу к ним питательных веществ. Ну а если вы срезаете с ветвей имеющуюся растительность, то через небольшой промежуток времени ветвление будет происходить с еще большей продуктивностью. И несколько слов о значении хорошо знакомого всем садоводам прореживания. Оно значительно стимулирует рост растения, делает ветви реже, что позволяет свету проникать сквозь кустарники.


8.3.4. Виды обрезки


Санитарная обрезка предполагает удаление отмерших засохших веток, поврежденных насекомыми или болезнями. Необходима не только с точки зрения эстетики, но и потому, что поврежденные ветви являются основным источником болезней и вредителей. Проводится в обязательном порядке каждую весну.

Формировочная обрезка необходима для того, чтобы предотвратить высыхание или поломку отдельных ветвей молодых деревьев. Кроме того, помогает бороться с "разваливанием" кустов. Также может использоваться для обрезки декоративных деревьев и кустарников в целях поддержания или придания им красивой формы. Проводится один раз в 3–5 лет, в промежутках весной применяется ежегодная обрезка.

Омолаживающая обрезка служит для обновления крон старых лиственных деревьев и кустарников. Данный вид обрезки направлен на сохранение полюбившихся владельцам сортов плодовых деревьев, а также старых лиственных деревьев и кустарников.

Весенняя обрезка предназначена для активизации роста деревьев и кустарников, поскольку уравновешивает баланс питания (что особенно актуально для молодых, поврежденных или больных деревьев), а также помогает формировать крону раскидистой или компактной, в зависимости от того, какой формы необходимо добиться. После подобной обрезки деревья дают новые побеги, что значительно повышает их иммунитет к болезням. Проводится каждую весну.

Осенняя обрезка – необходимое мероприятие для подготовки садовых растений к наступающим холодам, помогает деревьям и растениям встретить первые холода крепкими и здоровыми. Проводится в период с конца августа и до наступления первых заморозков.

Регулирующая обрезка способствует поддержанию высокого уровня активности плодоношения у сильного плодового дерева.

Восстановительная обрезка помогает восстановить способность плодоносить при подмерзании дерева или механических повреждениях ветвей.

Оптимальное время для обрезки плодовых деревьев указано в табл. 8.1.


Таблица 8.1. Оптимальное время для обрезки плодовых деревьев

Следует заметить, что услуги по обрезке, предоставляемые различными фирмами, стоят недешево. Например, формовочная обрезка деревьев стоит 800 руб. и более (www.spb-gs.ru).


8.4. Измельчитель веток


После того как произведена стрижка деревьев, нужно обязательно удалить срезанную зеленую массу из-под живой изгороди. Ее можно отправить в компост, но некоторые ветки могут быть слишком толстыми и непригодными для компостирования. Для утилизации веток существуют измельчители (чипперы), которые существенно упрощают уборку территории, поскольку уменьшают объем срезанных веток в 5-16 раз и более. Образовавшуюся мелкую «субстанцию» можно использовать для мульчирования гряд либо отправить на компостирование.

Самый простой садовый измельчитель обладает пластиковым или стальным корпусом, в котором размещен двигатель (бензиновый или электрический), приводящий в действие систему ножей с многофункциональным зубчатым колесом, измельчающим все подряд. Но даже в самом примитивном варианте у измельчителя будет присутствовать поворачивающийся нож-лопасть для щепы и нож предварительной чистки. Труба заборника может наклоняться для облегчения загрузки, а труба выхода чаще всего статична и расположена вертикально вниз. Для удобства перемещения у измельчителей есть колеса.

На рис. 8.14 представлен измельчитель электрический Alko New Tec 2400 R. У него для оптимальной устойчивости и безопасности имеются широкая рама и большие колеса XL, которые обеспечивают удобство при переходе с одного места работы на другое. В комплект поставки модели New Tec 2400 R входит удобный толкатель для безопасного проталкивания измельчаемого материала. Измельчитель имеет невысокий уровень шума и оснащен уникальной валковой системой разрезания с продольным расщеплением и измельчением не только толстых сучьев, но и коры, мельчайших веточек и листьев, которые обычный измельчитель не в состоянии захватить. Режущие зубья измельчителя изготовлены из закаленной стали, что гарантирует длительный срок службы. Переключение режимов работы агрегата осуществляется нажатием одной кнопки. При этом легко меняется направление вращения двигателя и освобождается режущий валок. Большая удобная воронка упрощает подачу измельчаемого материала. Мощность инструмента – 2,4 кВт, а вес – 20 кг.

Рис. 8.14. Измельчитель электрический Alko NewTec 2400 R


Более совершенные чипперы имеют несколько отверстий для загрузки разносортного сырья (толстых и тонких веток), система вращения ножей способна двигаться в двух направлениях, измельчая как мягкий, так и твердый материал. Таким образом, один и тот же агрегат превратит мелкий садовый мусор в мягкую массу, способную превратиться в великолепный компостный материал, а древесные отходы и твердые ветвистые сучья будут разрезаны на щепу.

Лезвия чипперов делают из прочной закаленной стали. Для большинства из них пределом возможностей становятся ветки диаметром до 40 мм. Но существуют модели с фрезерным барабаном и винтовым режущим механизмом, которые измельчают ветки диаметром до 75 мм.

Наиболее внушительные модели садовых измельчителей оснащены бензиновым двигателем с мощностью 2-20 л. с. Именно им подвластны ветки и коряги толщиной 75 мм. Однако двухтактный двигатель в таких моделях работает на смеси масла и бензина и зависит от качества топлива. Как все бензиновые машины, такие чипперы загрязняют окружающую среду продуктами сгорания топлива и шумят при работе.

Для небольшого участка больше подойдут агрегаты с электромотором. Мощность последних варьирует от 1,8 до 2,5 кВт, что позволяет справиться с ветками диаметром 35–40 мм. Они не так шумны при работе и значительно проще в техническом обслуживании по сравнению с бензиновыми. К недостатку устройств, работающих от сети, можно отнести чувствительность к перепадам напряжения и "привязанность" к розетке.

Следует, однако, напомнить, что стрижка живой изгороди почти неизбежно приводит к ранам на растениях. И эти раны после стрижки необходимо обработать. Делается это через 20 мин. после стрижки. Обработке подлежат все ветки диаметром более 1 см, тоненькие веточки способны быстро затянуть рану сами, т. к. площадь среза невелика. Перед обработкой большие срезы нужно сначала зачистить при помощи садового ножа или стамески. Затем на срез наносят стерильную и водонепроницаемую замазку. По консистенции замазка должна быть жидкая или пастообразная, главное, чтобы она неглубоко проникла в ткани.

Существует специальная замазка для обработки срезанных растений – паста "Ранет". Можно использовать бордоскую мазь, обладающую сильным антимикробным свойством. Готовится она путем соединения медного купороса и негашеной извести в пропорции 1:1. Смесь разбавляют растительным маслом до пастообразного состояния. Можно замазать раны ланолином, но заживление произойдет гораздо быстрее, если в ланолин добавить гетероауксин (0,01-0,1 %). В крайнем случае раны обрабатывают масляной краской. Лучше всего для этого подойдут охра, сурик и свинцовые белила, разведенные растительным маслом до консистенции пасты.


8.5. Электрические удлинители сети


Часто бывает, что для включения электроприбора в сеть вам не хватает длины провода или все розетки заняты. Установите у себя дома, на даче или в гараже удлинители и такая проблема исчезнет навсегда. Сегодня в продаже есть большой выбор различных видов удлинителей, можно выбрать подходящий для своих нужд: с предохранителем и без него, сверхдлинный для строительных инструментов и короткий для бытовой техники.


8.5.1. Выбор удлинителя сети


Удлинители для электрических сетей бывают разные, например, для ремонтных и строительных работ, для бытовых нужд, а также для работ на отдалении от источника электрического питания.

При выборе электрического удлинителя сети вначале определяют длину удлинителя, расстояние, на которое нужно его протянуть. От этого зависит, какой конструкции удлинитель вы выберете: на катушке или без нее, с одной розеткой или тремя, с брызгозащитными розетками или нет.

Если удлинитель имеет несколько розеток, то суммируют мощности электроустройств, которые будут подключаться одновременно. По полученной сумме мощностей и подбирают кабель с некоторым запасом. Даже при длительной работе кабель не должен греться, тем более плавиться.

Если удлинитель имеет одну розетку, и к ней будут подключаться электроустройства различной мощности, например триммер или электротяпка, то кабель подбирают по наибольшей мощности одного из устройств. По мощности кабель следует взять с запасом. Он должен держать хорошую нагрузку, не менее 2000 Вт, т. к. мощность газонокосилок достигает 1700 Вт.

Удлинители выпускают для разных нагрузок, чем больше мощность потребителя, тем толще должно быть сечение и соответственно изоляция кабеля. Удлинитель на катушке – универсальное решение для широкого спектра работ, можно использовать практически везде. Он занимает мало места в собранном виде, не приходится раскладывать полностью, меньше шансов запутаться, быстро собирается в катушку. Можно приобрести катушку с потребителями от одного до четырех. Ее удобно транспортировать и переносить.


8.5.2. Модели катушечных электрических удлинителей


Как известно, электрические газонокосилки, триммеры, электротяпки и электрические кусторезы не комплектуются силовым кабелем (удлинителем), поэтому при покупке этих агрегатов не забудьте купить удлинитель. Наиболее походящим для этих устройств является удлинитель на катушке.

В продаже имеются две конструкции таких удлинителей. В одной из них с катушки разматывается удлинительный кабель, на конце которого имеется литая розетка. Сама же катушка с литой вилкой находится в зоне подключения к стационарной розетке. Такая конструкция удлинителя не требует переноса кабельной катушки. Конструкция корпуса обеспечивает быструю смотку-размотку удлинительного кабеля, удобство транспортировки и хранения удлинителя, надежность и безопасность эксплуатации. Примером такого сетевого удлинителя может служить катушечный удлинитель "Крона-60" производства ООО "Крона М" (г. Москва, http://www.krona-m.ru/) (рис. 8.15). Кабель силового удлинителя «Крона-60» имеет длину 60 м, выполнен из очищенной меди и эластичной ПВС изоляции.

Рис. 8.15. Удлинитель для газонокосилок «Крона-60»


В соединенном состоянии розетка кабеля и вилка сетевого шнура газонокосилки или триммера достаточно компактны и не мешают работе (рис. 8.16, а). Такой удлинитель не только удобен, но и безопасен. Первые капли дождя не заставят вас волноваться во время работы.

Рис. 8.16. Электрический триммер Hammer ETR900 (а) с барабанным удлинителем Schwabe (Германия) (б): 16 / 250 В, 50 м, кабель M5VV-F 3G 1,5 мм2


ООО «Крона М» выпускает катушечные удлинители для подключения к сети 220 В, различной мощности и длины: 20, 25, 30, 40, 50 и 60 м (табл. 8.2).


Таблица 8.2. Характеристики катушечных удлинителей с одной розеткой ООО «Крона М»

Нужно отметить, что отечественные катушечные удлинители ничем не уступают зарубежным образцам, но даже превосходят их по качеству.

Другой тип катушечного удлинителя несколько отличается от предыдущей конструкции: на катушке размещены розетки для подключения нескольких энергопотребителей (рис. 8.17). Эти удлинители предназначены для гаража, садового участка, строительной площадки, применяются на производстве при выполнении ремонтных и монтажных работ.

Рис. 8.17. Удлинитель на пластиковой катушке «РВМ Электро» с тремя розетками УХ-01-2 50 м


Конструкция корпуса обеспечивает быструю смотку-размотку удлинительного кабеля, удобство транспортировки и хранения удлинителя, надежность и безопасность эксплуатации. Катушки для таких удлинителей могут быть пластмассовыми или металлическими, последние считаются лучше, особенно в условиях отрицательных температур.

Нужно заметить, что катушечные удлинители с розетками на корпусе (рис. 8.17) не походят для непосредственного электропитания газонокосилок и триммеров, т. к. у этих устройств сетевой провод небольшой длины. Чтобы подключиться к удлинителю с розетками на корпусе катушке потребуется еще один удлинитель длиной около 10 м (рис. 8.18).

Рис. 8.18. Удлинитель электрический «РВМ Электро» УБ-10 (кабель длиной 10 м; мощность 3500 Вт; ПВС 2x2,5; 1 розетка 220 В/16 А; вилка 220 В, 16 А)


Фирма «РВМ Электро» (http://www.rvm-electro.ru/) первой в России освоила выпуск электроудлинителей на металлической катушке, без пластиковых деталей. Такое техническое решение позволяет использовать удлинители «РВМ Электро» для намотки различных видов кабеля с большим весом, в том числе с сечением жил 6 мм2, а также эксплуатировать изделия при отрицательных температурах, без повышения хрупкости, присущей пластиковым катушкам, в условиях строительной площадки, монтажного участка, автобазы и др. Высокая механическая прочность стального барабана позволяет гарантировать целостность и работоспособность всего изделия даже в случае падения или удара.

Благодаря современным технологиям при производстве удлинителей "РВМ Электро" возможна конфигурация торцевой стороны катушки (так называемой накладки) под конкретный заказ потребителя. Не меняя самой катушки, изменяется лишь ее боковая сторона, выполненная с необходимой комбинацией розеток: на 220 В (от двух до пяти), на 380 В (в зависимости от типа от одной до трех розеток), а также комбинированного типа. Для садовой техники или иных случаев, когда перемещение всей катушки от источника питания нежелательно, специально разработаны варианты с одной и тремя выносными розетками (рис. 8.19).

Рис. 8.19. Удлинитель «РВМ Электро» для зимних условий с тремя розетками из каучука (СЕ, 2р+Е, 16А; вилка СЕ, 2р+Е, 16А; мощность 3500 Вт)


В некоторых моделях удлинителей «РВМ Электро» на катушке размещена индикаторная лампа, включающаяся при подаче нагрузки, которая не только сигнализирует об исправной работе изделия, но и позволяет в темное время суток при удалении от удлинителя определить его местоположение. В стандартных удлинителях устанавливают розетки и вилки таких производителей, как ABL Sursum, T.Plast, BEMIS, ABB, Sassin, PCE и др.

Удлинители "РВМ Электро" 11-й серии выполнены в брызгозащищенном варианте и соответствуют степени защиты IP44, что достигается установкой комплектующих со степенью защиты не ниже IP44 (в ряде изделий используют розетки со степенью защиты IP54).


8.5.3. Бытовые удлинители


Предназначены для использования в быту, офисе, в загородном доме для подключения всевозможных электроприборов различного назначения (бытовая техника, промышленные инструменты и т. п.).

Различные варианты исполнения розеток и вилок (плоская или круглая, с заземлением или без заземления) и в количестве от трех до шести розеток позволяют подключать электроприборы любой марки мощностью до 3500 Вт (рис. 8.20).

Рис. 8.20. Удлинитель компании ИЭК с тремя розетками с заземлением и выключателем


Особенности и преимущества бытовых удлинителей:

• Пластик корпуса изготовлен из электробезопасной, самозатухающей пластмассы. Не темнеет от времени, не выгорает на свету, не трескается и не колется при механических воздействиях.

• Конструкция розеток с заземляющими контактами позволяет подключать устройства с круглыми и плоскими вилками.

• Шнуры удлинителей имеют нерастрескивающуюся оболочку с двойной изоляцией, стойкой к деформации при температурах до +70 °C.

• Жилы шнуров медные, многопроволочные, что обеспечивает повышенную гибкость.

• Наличие выключателя позволяет отключить электроприборы, не вынимая вилки из штепсельной розетки.


8.5.4. Поиск места обрыва кабеля удлинителя


Если по какой-либо причине проводники кабеля удлинителя получили повреждение, то место обрыва проще всего определить с помощью индикаторов-пробников, например типа ОП-1 или ОП-2э компании ИЭК, Россия (www.iek.ru) (рис. 8.21, а, б). Отвертки ОП-1 и ОП-2э – это новое поколение современных эффективных устройств, позволяющих быстро и безопасно проверять наличие напряжения переменного и постоянного тока, полярность, а также целостность цепи.

Рис. 8.21. Индикаторы-пробники типа ОП-1 (а) и ОП-2э (б) компании ИЭК, Россия; переключатель индикатора ОП-2э (в)


Для поиска места обрыва проводника подключают кабель удлинителя к сети переменного тока. Далее берут один из пробников за щуп и проводят пробником, например ОП-1, вдоль проводника от места его подключения к сети. В месте обрыва светодиод погаснет. Если работают с пробником ОП-2э, то в начале его переключают в режим "Н" (рис. 8.21, в), а затем, взяв за щуп, также ведут им от сети по кабелю, в месте обрыва зуммер перестает звонить.


Приложения


Приложение 1


П1.1. Технологическое присоединение


Технологическое присоединение необходимо юридическим и физическим лицам, желающим получить возможность электроснабжения вновь построенных объектов, не обеспеченных электроэнергией, – от построек на садово-дачных участках до магазинов, жилых домов, зданий и производственных сооружений, объектов культурно-развлекательного характера и социальной инфраструктуры.

Услуга по технологическому присоединению также оказывается потребителям, нуждающимся в увеличении потребляемой мощности на объектах, уже подключенных к электрической сети ОАО "Ленэнерго" (http://www.lenenergo.ru/ru/clients/attachment/).


Порядок технологического присоединения


Технологическое присоединение осуществляется в соответствии с требованиями «Правил технологического присоединения энергопринимающих устройств», утвержденных постановлением Правительства РФ от 27 декабря 2004 года № 861 (в редакции постановления Правительства РФ от 25 апреля 2009 года № 334).

1. Подача заявки на технологическое присоединение.


Примечание

К технологическому присоединению также относятся: реконструкция и увеличение объема присоединенной мощности, изменение категории надежности электроснабжения, точки присоединения, видов производственной деятельности, не влекущие пересмотр (увеличение) величины присоединенной мощности, но изменяющие схему внешнего электроснабжения энергопринимающих устройств заявителя.


Порядок подачи заявок см. в разд. "Информация для физических лиц " и «Информация для юридических лиц».

2. Заключение договора о технологическом присоединении на возмездной основе в соответствии со ставкой тарифов, утвержденных на текущий финансовый год Правительством Санкт-Петербурга и Ленинградской области.

3. Выполнение сторонами мероприятий, предусмотренных договором.

4. Фактическое присоединение энергопринимающего устройства потребителя к электрической сети ОАО "Ленэнерго".


Примечание

Под фактическим присоединением понимается комплекс технических и организационных мероприятий, обеспечивающих физическое соединение (контакт) объектов электросетевого хозяйства сетевой организации, в которую была подана заявка, и объектов заявителя (энергопринимающих устройств, энергетических установок и электрических сетей) без осуществления фактической подачи (приема) напряжения и мощности на объекты заявителя (фиксация коммутационного аппарата в положении "отключено").


5. Выдача « Акта о технологическом присоединении».

Тарифы на услуги ОАО "Ленэнерго" по технологическому присоединению определяются уполномоченными органами в области государственного регулирования тарифов в Санкт-Петербурге и Ленинградской области и регулируются, помимо федеральных нормативно-правовых актов, решениями, принятыми на уровне правительств города и области.


Информация для физических лиц


Для того чтобы подать заявку на:

• оформление договора об оказании услуги по технологическому присоединению;

• подтверждение, переоформление, перераспределение мощности;

• продление "Акта о технологическом присоединении";

• предварительное заключение о возможности электроснабжения объекта (квартала);

• согласование присоединения в качестве субабонента, вам необходимо:

1. Собрать полный пакет необходимых документов, список которых вы можете:

– найти на нашем сайте в разделе "Информация для физических лиц";

– получить в любом Центре обслуживания клиентов (ЦОК) ОАО " Ленэнерго";

– получить по факсу, предварительно позвонив по телефону

(812) 595-86-50, (812) 595-86-50 (г. Санкт-Петербург);

(812) 494-35-19, (812) 494-35-19 (Ленинградская область).

2. Отправить заявку по почте с описью вложения или прийти на прием в Центр обслуживания клиентов к специалисту по предварительной записи.

3. В случае отправки документов по почте можно узнать входящий номер корреспонденции по телефонам (812) 595-86-13, (812) 595-86-13 (канцелярия), а затем регистрационный номер заявки в ЦОК.

4. Получить информацию о ходе рассмотрения заявки у администраторов ЦОК или в "Личном кабинете" (пароль и логин выдаются при регистрации заявки).

После подписания договора о технологическом присоединении и фактического подключения выдается "Акт о технологическом присоединении".

Для получения подготовленных актов вам необходимо обратиться в Центр обслуживания клиентов, имея при себе:

• регистрационный номер заявки (или уведомление о готовности акта);

• паспорт;

• нотариально заверенную доверенность.

При подаче заявки на технологическое присоединение в Санкт-Петебурге акты выдаются по адресу: пл. Конституции, д. 1.

При подаче заявки на технологическое присоединение в Ленинградской области – в ЦОК по Ленинградской области.

Акты выдаются в порядке очереди.

Режим работы: понедельник-четверг с 9.00 до 16.50 (последний четверг каждого месяца приема нет – технологический день); обед с 12.30 до 13.10.


П1.2. Технические характеристики неизолированных проводов


В табл. П 1.2.1 – П 1.2.3 приведены технические характеристики неизолированных проводов для воздушных линий.


Таблица П1.2.1. Технические характеристики неизолированных проводов без сердечника

 

 


Таблица П1.2.2. Технические характеристики неизолированных сталеалюминиевых проводов с сердечником

 


Таблица П1.2.3. Допустимые длительные токовые нагрузки по нагреву на неизолированные провода вне помещений при температуре воздуха +25 °C


Примечание

При температуре наружного воздуха, отличающейся от +25 °C, необходимо нагрузки умножить на поправочные коэффициенты (табл. П1.2.4).


Таблица П 1.2.4. Поправочные коэффициенты для токовых нагрузок на неизолированные провода в зависимости от температур воздуха

 

П1.3. Крепление провода на штыревом изоляторе для ВЛ 0,38 кВ


На рис. П1.1 показано промежуточное крепление провода, на рис. П1.2 – концевое крепление провода.

Рис. П.1.1. Промежуточное крепление провода: а – на головке изолятора; б – на шейке изолятора


Рис. П.1.2. Последовательность концевого (анкерного) крепления провода с помощью проволочного бандажа НБ-1


Последовательность концевого крепления провода:

1. Две дополнительные проволоки обернуть вокруг шейки изолятора вместе с основным проводом.

2. Выполнить плотную намотку.

3. Отвести в сторону от основного провода петлю и дополнительные проволоки (они были расположены вначале вдоль основного провода).

4. Дополнительными проволоками выполнить намотку длиной 20–40 мм.


П1.4. Кабели ВВГ


Кабели типа ВВГ производит ООО «Завод Эксвайер» (г. Псков, http://www.exwire.ru/production/vvgngls/).


Кабели силовые ВВГ с ПВХ-изоляцией


Область применения.

Для передачи и распределения электрической энергии в стационарных установках на номинальное переменное напряжение 0,66, 1 и 6 кВ частотой 50 Гц. Виды климатического исполнения кабелей: УХЛ, Т категорий размещения 1, 5 по ГОСТ 15150, а также для прокладки в почве.


Таблица П1.4.1. Технические характеристики кабеля ВВГ

Условия эксплуатации кабелей ВВГ, ВВГп и ВВГз: для прокладки в сухих и влажных производственных помещениях, на специальных кабельных эстакадах, в блоках. Кабель ВВГз предназначен для электроснабжения электроустановок, требующих уплотнения кабелей при вводе.

Внутреннее строение и маркировка кабелей ВВГ и ВВГп и ВВГз приведены на рис. П1.3, 1.4 и в табл. П1.4.2-П.1.4.4.

Рис. П1.3. Кабели ВВГ (а) и ВВГп (б): 1 – однопроволочная токопроводящая жила; 2 – изоляция из ПВХ-пластиката; 3 – наружная оболочка из ПВХ-пластиката белого или черного цвета


Рис. П1.4. Кабель ВВГз: 1 – однопроволочная токопроводящая жила; 2 – изоляция из ПВХ-пластиката; 3 – заполнение из резиновой смеси; 4 – наружная оболочка из ПВХ-пластиката белого или черного цвета


Таблица П1.4.2. Кабель ВВГ

 


Таблица П1.4.3. Кабель ВВГп

 


Таблица П1.4.4. Кабель ВВГз

Также в продаже имеется кабель ВВГ сечением 4x4; 5x6 и 5x10. Кабель ВВГ не рассчитан на растяжение. При одиночной прокладке он не распространяет горение. Конструкция предполагает наличие медных токопроводящих жил круглой формы (одно– или многопроволочных), изоляции и оболочки из ПВХ-пластиката. Кабели с сечением 1,5-35 мм имеют одну жилу, провода с сечением 16–35 мм2 производятся в многожильном исполнении. Изолированные жилы скручены и имеют отличительную окраску. Внутренняя оболочка не содержит заполнения в междужильном пространстве.


Кабели силовые ВВГнг с ПВХ-изоляцией пониженной пожароопасности


Область применения.

Для передачи и распределения электрической энергии в стационарных установках на номинальное переменное напряжение 0,66 кВ частотой 50 Гц.


Таблица П1.4.5. Технические характеристики кабелей ВВГнг и ВВГнгп

Условия эксплуатации: прокладываются в кабельных сооружениях и помещениях для обеспечения пожарной безопасности кабельных цепей при прокладке в пучках.

Внутреннее строение и маркировка кабелей ВВГнг и ВВГнгп приведены на рис. П1.5 и в табл. П1.4.6, П.1.4.7.

Рис. П1.5. Кабели ВВГнг (а) и ВВГ-НГП (б): 1 – однопроволочная токопроводящая жила; 2 – экструдированная фазная изоляция из ПВХ пониженной пожароопасности; 3 – наружная оболочка из ПВХ пониженной пожароопасности


Таблица П1.4.6. Кабель ВВГнг

 


Таблица П1.4.7. Кабель ВВГнгп

Также в продаже имеются кабели ВВГнг сечением: 5x1,5; 5x2,5; 5x10.

Кабель ВВГнгп может применяться для прокладки на открытом воздухе, в сухих помещениях, а также помещениях с высокой влажностью. Основная особенность этого кабеля – нераспространение горения при возникновении пожара , что достигается за счет использования состава на основе огнеупорного пластиката.

Конструкция кабеля предполагает наличие медных токопроводящих жил круглой формы (одно– или многопроволочных), ПВХ-изоляции и не распространяющей горение оболочки из ПВХ. Внутренняя оболочка кабеля не имеет заполнения в междужильном пространстве.


Кабели ВВГНГ-ls/lsn с пластмассовой изоляцией, не распространяющие горение, с низким дымо– и газовыделением


Область применения.

Для передачи и распределения электрической энергии в стационарных установках при переменном напряжении 0,66 кВ и постоянном напряжении до 1 кВ. Кабели изготавливаются для общепромышленного применения и атомных станций при поставках на внутренний рынок и на экспорт. Для использования в системах АЭС классов 2, 3 и 4 по классификации ОПБ-88/97 (ПНАЭГ-01-011-97). Вид климатического исполнения кабеля-В, категории размещения 5 по ГОСТ 15150-69.

Технические характеристики кабеля ВВГНГ-ls/lsn приведены в табл. П1.4.8.


Таблица П1.4.8. Технические характеристики кабеля ВВГНГ-ls/lsn

Условия эксплуатации: кабели ВВГНГ ls прокладывают в кабельных сооружениях и помещениях, в том числе в пожароопасных зонах при отсутствии растягивающих усилий в процессе эксплуатации. Кабели ВВГНГ lsn – при условии отсутствия опасности механических повреждений.

Внутреннее строение и маркировка кабелей ВВГ и ВВГп и ВВГз приведены на рис. П1.6, 1.7 и в табл. П1.4.9, П1.4.10.

Рис. П1.6. Кабель ВВНГ-Lsn: 1 – медная однопроволочная круглая токопроводящая жила; 2 – экструдированная изоляция из ПВХ пониженной пожароопасности; 3 – наружная оболочка из ПВХ пластиката пониженной пожароопасности


Рис. П1.7. Кабель ВВГНГ-Ls: 1 – медная однопроволочная круглая токопроводящая жила; 2 – экструдированная изоляция из ПВХ пониженной пожароопасности; 3 – заполнение из ПВХ пониженной пожароопасности; 4 – наружная оболочка из ПВХ пониженной пожароопасности


Таблица П1.4.9. Кабель ВВГНГ-Ls

 


Таблица П1.4.10. Кабель ВВГНГ-Lsn

Кабели, не распространяющие горение, отличаются низкими показателями дымо– и газовыделения, а также минимальными показателями токсичности выделений при возгорании. Их использование обеспечивает безопасность для здоровья людей и бесперебойное функционирование электроустановок в течение некоторого времени при возникновении пожара.

Наружная оболочка, изоляционные слои, а также наполнение изготовлены из материала пониженной пожароопасности, что обеспечивает целостность кабеля при непосредственном контакте с пламенем в течение длительного времени. Кабель имеет длительный срок службы. На всю продукцию распространяется гарантия производителя.

Особенность силового кабеля ВВГНГ ls – он не распространяет горение. Если же возгорание произошло, то изоляция такого кабеля отреагирует на пламя низким дымо– и газовыделением.


Силовой кабель NYM


Кабель НУМ (NYM) (ТУ 3521-009-05755714-98) полностью соответствует кабелю NYM (стандарт Германии DIN 57250). Кабель NYM производят ООО «Конкорд» и ЗАО «Севкабель» (http://electrics.teleserv.ru/).

Внешний вид кабеля иллюстрирует рис. П.1.8.

Рис. П1.8. Внешний вид кабеля NYM


Область применения.

Кабель предназначен для промышленного и бытового стационарного монтажа энергопитания (открытого и скрытого) внутри помещений. Возможно применение кабеля поверх штукатурки, в ней и под ней в сухих, влажных и мокрых помещениях, а также в кирпичной кладке и в бетоне, за исключением прямой запрессовки в виброзасыпной и штампованный бетон.

Применение на открытом воздухе возможно только вне прямого воздействия солнечного света. Прокладка может осуществляться в трубах, коробах, в закрытых установочных и изогнутых каналах.

Кабель марки NYM обладает пониженными горючестью и газодымовыделением, что особенно важно для жилых помещений и помещений с большим скоплением людей.

Отличительные особенности:

• медная жила;

• промежуточная оболочка;

• оболочка из не поддерживающего горения ПВХ;

• расцветка жил в соответствии с нормами ПУЭ;

• удобство разделки и монтажа;

• многолетние поставки (Германия, Россия, СНГ);

• великолепный внешний вид и качество исполнения;

• поставка в бухтах (по 50 и 100 м) и на барабанах (500 м), упакованных в полиэтилен;

• полная сертификация.

В табл. П1.4.11 и П1.4.12 приведены конструкция и технические характеристики кабеля NYM, в табл. П.1.4.13 – электрические параметры кабелей NYM с разными сечениями жил.


Таблица П1.4.11. Кабель NYM

В кабеле NYM используется промежуточная оболочка из мелонаполненной резины, что:

• позволяет легко и удобно "разделывать" кабель при монтаже;

• повышает пожаробезопасность кабеля;

• увеличивает гибкость кабеля.


Таблица П1.4.12. Технические и эксплуатационные характеристики кабеля NYM

 


Таблица П1.4.13. Электрические параметры кабеля NYM

 

П1.5. Скобы электроустановочные


На рис. П1.9 приведен внешний вид и эскизы электроустановочных скоб для крепления кабеля открытой проводки производства фирмы ООО «МЕГО» (г. Санкт-Петербург) (http://www.mego.spb.ru/), а в табл. П1.5.1 – их характеристики.

Рис. П1.9. Внешний вид (а) и эскизы (б) электроустановочных скоб для крепления кабеля открытой проводки производства фирмы ООО «МЕГО» (г. Санкт-Петербург)


Таблица П1.5.1. Характеристики электроустановочных скоб

 

 

Приложение 2


П2.1. Данные для расчета потребляемой мощности


Мощность, потребляемая электроприборами, приведена в табл. П2.1.1.


Таблица П2.1.1. Мощность, потребляемая электроприборами

 

 

 

П2.2. Измерение уровня шума


Шум измеряют при помощи сонометра, микрофон которого имеет мембрану, которая определяет, подобно уху, все изменения акустического давления, но не делая различия между частотами.

Единица измерения – децибел (дБ) – рассчитывается из соотношения акустического давления и исходного акустического давления:

Lp = 10 log(P12 / P02),

где Р1 – акустическое давление звуковой волны; Р0 – исходное акустическое давление, Па.

Ухо человека воспринимает давления в диапазоне 2·10-5-20 Па.


Таблица П2.2.1. Источники звука

Измерение должно осуществляться на определенных частотах, интервалы которых строго выдерживаются, чтобы перекрыть весь диапазон чувствительности уха человека:

16 31,5 63 125 250 500 1000 2000 4000 8000 16000 Гц

Сонометр обладает функцией, способной преобразовывать общий уровень шума в соответствии с кривой чувствительности уха, называемой кривой А. Он воспринимает уровень шума так, как его воспринимает человеческое ухо (дБ (А))

Каждый двигатель имеет характерный спектр шума, включающий шум механического происхождения и шум от системы выпуска отработавших газов (табл. П2.2.2).


Таблица П2.2.2. Шум двигателей Mitsubishi при 1500 об./мин.

Сложение шумов.

Если в наличии имеется два и более источников шума, происходит наложение шумов. Складываются изменения давления. Суммарный уровень шума двух источников (А и В) подсчитывается по формуле:

Lp = 10 log (PA2 + PB2) / Р0,

где РА, PB – акустическое давление звуковой волны источников А и В; Р0 – исходное акустическое давление, Па.


Норма ЕЭС (СЕЕ 84.236) ограничивает звуковую мощность LWA=100 на нагрузке 75 % от номинальной мощности двигателей для всех генераторных установок (ДГУ) для публичного и частного использования.

Звуковая мощность рассчитывается от величины акустического давления, иначе говоря, уровня шума, измеряемого сонометром:

LW(A) = Lp(A) + 10log(S / S0),

где LW(A) – звуковая мощность; Lp(A) – акустическое давление; S – площадь сферы измерения радиусом R; S0 – контрольная площадь (1 м2).


Примечание

С увеличением расстояния R уменьшается величина Lp (A). Но с увеличением расстояния R увеличивается и величина S. Эти величины изменяются пропорционально, следовательно величина LW(A) остается постоянной независимо от расстояния и формы поверхности измерений.


Нормы измерений.

Существующие нормы определяют величину R в зависимости от размера ДГУ (L – наибольший размер ДГУ):

• L < 1,5 м – R = 4 м;

• 1,5 < L < 4 м – R = 10 м;

• L > 4 м – R = 16 м.

Этими же нормами определяются 6 точек измерений на сфере. Среднее этих измерений используется для расчета LW (A)

Ограничение акустической мощности, а не акустического давления позволяет ввести эквивалент негативного влияния, оказываемого ДГУ независимо от ее размера и мощности.

Независимо от размера ДГУ энергия звука, производимая двигателем, остается неизменной, и два ДГУ различного размера при одинаковой величине LW(A) внесут одинаковое возмущение в окружающую среду.

Напротив, чем больше размер ДГУ, тем больше площадь излучения звука и, следовательно, выше значение 10log(5). Для обеспечения LW(A) = 100 потребуется меньшее значение Lp(A), а следовательно более эффективная звукоизоляция.


П2.3. Распределение значений среднегодовых скоростей ветра


Распределение значений среднегодовых скоростей ветра на высоте 10 м по территории России по данным НАСА приведено на рис. П2.1.

Рис. П2.1. Распределение значений среднегодовых скоростей ветра на высоте 10 м по территории России по данным НАСА


П2.4. Российские производители ветрогенераторов


В табл. П2.4.1 приведены наименования ветрогенераторов и фирм-производителей, а также их контактные данные.


Таблица П2.4.1. Российские производители ветрогенераторов

 

 

 

Приложение 3


П3.1. Степень защиты электроустройств


Защита от пыли, воды и агрессивных сред обеспечивается, как правило, выбором соответствующих материалов и конструкций, а также различной степенью герметизации внутреннего объема прибора или отдельных его полостей.

В соответствии с классификацией электрического оборудования установлены одновременные степени защиты оборудования от попадания внутрь него твердых посторонних тел (в частности, пыли) и степени защиты персонала от соприкосновения с находящимися под напряжением частями, расположенными внутри оболочки изделий. Также есть степень защиты от воды.

Степень защиты приборов характеризуется двумя цифрами. Первая цифра означает подкласс по степени защиты от пыли и от соприкосновения с находящимися под напряжением частями, а вторая – степень защиты от проникновения воды.

Для обозначения степени защиты приборов перед двумя цифрами ставятся буквы IP (International Protection) во всех случаях, когда степени защиты светотехнических приборов соответствуют степени защиты всего остального оборудования.

Общей классификацией предусматривается одинаковая степень защиты для всех частей каждого вида электрооборудования. Однако нашли широкое применение, например, светильники, имеющие незащищенные от окружающей среды открытые лампы или лампы, закрытые неуплотненными светопропускающими оболочками. При этом корпуса приборов с расположенными в них электрическими контактами имеют пылезащищенное или пыленепроницаемое исполнение. Другими словами у таких светильников различные части имеют различные степени защиты. Для учета этого обстоятельства введены подклассы конструкций по степени защиты от пыли, обозначаемые цифрами со штрихами (в этом случае буквы IP не ставятся).


Таблица П3.1.1. Степень защиты электроустройств

 

Полужирным шрифтом выделены наиболее распространенные степени защиты приборов.

Степень защиты от внешних воздействий обозначается кодом IP и двумя цифрами.

Первая цифра (от 0 до 6) обозначает степень защиты от проникновения внутрь электротехнического изделия посторонних предметов и пыли.

Вторая цифра (от 0 до 8) показывает стойкость к воздействию влаги. Чем больше цифра, тем выше защита.

Для обычного помещения достаточно степени защиты IP20. В помещениях с повышенной влажностью, например в ванной комнате, стоит устанавливать устройства со степенью защиты IP44. Для уличного размещения необходима степень защиты IP65 и выше.


П3.2. Термостаты для систем электрического обогрева


Внешний вид термостатов для систем электрического обогрева приведен на рис. П3.1, П3.2, характеристики – в табл. П.3.2.1-П3.2.5.

Рис. П3.1. Внешний вид термостатов производства компании OJ Electronics: а – OEC-1991H; б – OTN-1991H11 и OTD-1999H; в – ETV-1991; г – ETF-144/99; д – OTN2-1991-NX, OTD2-1999-NX и OTN-1666


Таблица П3.2.1. Характеристики термостатов производства компании OJ Electronics (Дания)

 


Таблица П3.2.2. Характеристики термостатов производства компании OJ Electronics (Дания)

Внешний вид интеллектуальных программируемых терморегуляторов для теплого пола приведен на рис. П3.2, характеристики – в табл. П.3.2.3 и П3.2.4.

Рис. П3.2. Внешний вид интеллектуальных программируемых терморегуляторов для теплого пола: а – OCC2-1991H1, OCC2-1999H1 и OCD2-1999H1; б – Easy Control F18C; в – Easy Control F18C с приподнятой крышкой


Таблица П3.2.3. Интеллектуальные программируемые терморегуляторы для теплого пола

 


Таблица П3.2.4. Интеллектуальный программируемый термостат Easy Control F18C

 


Таблица П3.2.5. Термостаты и приборы управления OJ Electronics A/S (Дания)

 

 

 

П3.3. Теплые полы


Нагревательные кабели для теплых полов


В табл. П3.3.1-П3.3.4 приведены характеристики нагревательных кабелей для теплых полов.

Нагревательный двухпроводниковый кабель EasyHeat (Канада) для теплого пола предназначен для обогрева и отопления сухих и влажных помещений; минимальная толщина стяжки – 30 мм. Погонная мощность: 13,7 Вт/м при 220 В. Мощность при режиме "теплый пол" – не менее 100 Вт/м2. Мощность при режиме «отопление» – не менее 140 Вт/м2. Гарантия на кабель 10 лет. Цены от компании «Сантехника для дома» (http://www.wisdom.ru/onas.html).


Таблица П3.3.1. Кабель EasyHeat (Канада) для теплого пола

Двужильный нагревательный кабель типа FT (Канада) предназначен для обогрева и отопления сухих и влажных помещений; минимальная толщина стяжки – 10 мм. Возможно использование для обогрева деревянных полов. Погонная мощность: 8,6 Вт/м при 220 В. Диаметр кабеля – 3 мм. Мощность при режиме «теплый пол» – не менее 100 Вт/м2. Мощность при режиме «отопление» – не менее 140 Вт/м2 (со стандартной монтажной лентой – 150 Вт/м). Мощность при обогреве деревянных полов – не более 80 Вт/м.


Таблица П3.3.2. Нагревательный кабель типа FT (Канада) для теплого пола


Примечание

Режим "теплый пол" поддерживает необходимую комфортную температуру пола. Режим "отопление" позволяет обойтись без дополнительных элементов обогрева. Тип режима определяется заложенным в расчеты параметром мощности.


Таблица П3.3.3. Двужильный кабель с экранирующей оплеткой «Теплолюкс» (Россия)

 


Таблица П3.3.4. Oдножильный кабель с экранирующей оплеткой «Теплолюкс» (Россия)

 


Комплекты для теплого пола Energy (Англия)


Комплект на основе двужильного нагревательного кабеля Energy (табл. П3.3.5). Состав комплекта: нагревательный кабель; терморегулятор OTN 1991 с датчиком температуры; гофрированная трубка для датчика; монтажная лента; упаковка, паспорт. Описание: двойной экранированный провод высокого сопротивления, защитный экран, внешняя полипропиленовая оплетка, температура рабочей среды от -30 до + 70 °C, максимальная мощность 18 Вт/п.м., степень защиты IP 67, защита экрана от коррозии, самозатухание, цвет внешней оплетки – оранжевый.


Таблица П3.3.5. Двужильный нагревательный кабель Energy (Англия)

Комплекты на основе двужильного нагревательного мата Energy (табл. П3.3.6). Состав комплекта: нагревательный мат; терморегулятор OTN 1991 с датчиком температуры; гофрированная трубка для датчика; упаковка, паспорт. Описание: двойной экранированный провод высокого сопротивления, защитный экран, внешняя полипропиленовая оплетка, температура рабочей среды от -30 до + 70 °C, максимальная мощность 18 Вт/п.м., степень защиты IP 67, защита экрана от коррозии, самозатухание, цвет внешней оплетки – оранжевый.


Таблица П3.3.6. Двужильный нагревательный мат Energy (Англия)

 


Таблица П3.3.7. Цены на аксессуары для укладки кабеля

 


Примеры расчетов стоимости теплого пола


Пример № 1.

Приблизительная стоимость теплого пола в режиме "теплый пол" на кухню общей площадью 10 м2 (площадь обогрева 5 м2) – 3800 руб. На ту же площадь в режиме «отопление» – 5000 руб. Данный расчет произведен для кафельного пола на стяжку толщиной до 3 см.

Пример № 2.

Расчет стоимости пола в аналогичных режимах для ванной комнаты размером 2,5x2,5 м. Общая площадь комнаты составляет 6,25 м2. Площадь обогрева порядка 2,5 м2. Стоимость пола в режиме «теплый пол» – 2500 руб. Стоимость пола в режиме «отопление» – 3000 руб.

В приведенных расчетах указаны цены на полный комплект теплого пола (кабель, крепеж, подложка и др.) В расчетах не учтена стоимость регулируемых датчиков температуры.


Приложение 4


П4.1. Гибкая подводка 1/2" для воды


Гибкая подводка с металлической оплеткой (рис. П4.1) представляет собой резиновый рукав с оплеткой и присоединительной арматурой из нержавеющей стали (http://mostm.ru/). Подводка изготавливается различной длины: от 30 см до 4 м. Рабочий диапазон температур среды от -40 до +100 °C, давление воды 2,0 МПа (20 атм), скорость потока (по воде) – до 36 л/мин.

Рис. П4.1. Гибкая подводка для воды


Типы подводки в зависимости от способа присоединения:

• "накидная гайка/накидная гайка" (условное обозначение "Г – Г", "Гайка – Гайка");

• "накидная гайка/наружная резьба (штуцер)" ("Г – Ш", "Гайка– Штуцер");

• "под смеситель".

У гибкой подводки для воды производства зарубежных компаний, которые присутствуют на рынке России, встречаются другие обозначения:

• Flexitub (Испания): F – гайка, H – штуцер;

• VIR (Италия): F – гайка, M – штуцер.

Номенклатура гибкой подводки с металлической оплеткой 1/2" для воды от компании ОАО "Мособлсантехмонтаж" приведена в табл. П4.1.


Таблица П4.1. Гибкая подводка для воды

 

 

Приложение 5

Сварочные материалы


П5.1. Сварочная проволока


Для заполнения шва в зону дуги вводят присадочный металл в виде прутка или проволоки. При ручной дуговой сварке применяют плавящиеся электроды в виде прутков или стержней с покрытием. При механизированной сварке используют электрод в виде проволоки, намотанной на кассету.

Стальная холоднотянутая проволока, идущая на изготовление электродов или применяемая для сварки, изготовляется по ГОСТ 2246-70 следующих диаметров: 0,3; 0,5; 0,8; 1,0; 1,2; 1,4; 1,6; 2,0; 2,5; 3,0; 4,0; 5,0; 6,0; 8,0; 10,0 и 12,0 мм. Проволока поставляется в мотках (бухтах) из одного отреза. Проволока первых семи диаметров предназначена в основном для полуавтоматической и автоматической сварки в защитном газе. Для автоматической и полуавтоматической сварки под флюсом применяют проволоку диаметром 2–6 мм. Проволока диаметром 1,6-12,0 мм идет на изготовление стержней электродов. Поверхность проволоки должна быть гладкой, чистой, без окалины, ржавчины, грязи и масла.

По химическому составу ГОСТ 2246-70 устанавливает три основные группы марок сварочной проволоки: низкоуглеродистые (6 марок) с содержанием углерода не более 0,12 %, предназначенные для сварки низкоуглеродистых, среднеуглеродистых и некоторых низколегированных сталей; легированные (30 марок) для сварки низколегированных, конструкционных и теплостойких сталей; высоколегированные (39 марок) для сварки хромистых, хромоникелевых, нержавеющих и других высоколегированных сталей.

Проволока маркируется индексом Св (сварочная) и следующими за ним буквами и цифрами. Буквами обозначены химические элементы, содержащиеся в металле проволоки: А – азот (только в высоколегированных проволоках), Г – марганец, С – кремний, X – хром, Н – никель, М – молибден, Т – титан, Ю – алюминий, Ц – цирконий. Первые две цифры, следующие за индексом "Св", указывают содержание углерода в сотых долях процента, а цифры после букв – содержание данного элемента в процентах. Отсутствие цифры после буквенного обозначения легирующего элемента означает, что этого элемента в проволоке менее одного процента. Буква "А" на конце обозначений марок низкоуглеродистой и легированной проволоки указывает на пониженное содержание вредных примесей (серы и фосфора). Например, сварочная проволока марки Св-08ХГ2С содержит 0,08 % углерода, до 1 % хрома, до 2 % марганца и до 1 % кремния.

Содержание углерода в сварочной проволоке не превышает 0,12-0,15 % (за редким исключением), что снижает склонность металла шва к газовой пористости и образованию твердых закалочных структур. Содержание кремния в углеродистой проволоке составляет менее 0,03 %, т. к. наличие кремния способствует образованию при сварке пор в металле шва. Допустимое содержание серы и фосфора также ограничено (0,04 % каждого элемента), т. к. они даже при малой концентрации способствуют образованию трещин в сварном шве.

Медь и ее сплавы сваривают проволокой и прутками из меди и сплавов на медной основе (ГОСТ 16130-72). Алюминий и алюминиевые сплавы сваривают сварочной проволокой из алюминия и его сплавов (ГОСТ 7871-75). Для сварки других металлов и сплавов применяют сварочную проволоку или стержни, изготовленные либо по ГОСТу на свариваемый металл, либо по техническим условиям.

Вместо дорогостоящей легированной сварочной проволоки успешно применяют порошковую электродную проволоку. Ее изготовляют из стальной ленты, свернутой в трубочку, внутрь которой помещают шихту (порошок), состоящую из смеси ферросплавов, железного порошка и графита. Диаметр порошковой проволоки 2,5–5 мм. Состав шихты подбирают так, чтобы образовавшийся от расплавленных оболочки и шихты жидкий сплав имел после охлаждения химический состав и свойства, установленные для металла шва. Сварку порошковой проволокой производят открытой дугой, под флюсом или в защитных газах. При строительно-монтажных работах применяют порошковую проволоку марок ПП-АН1, ПП-АН2, ПП-АНЗ, ПП-ДСК. Они позволяют получать металл шва с высокими механическими свойствами.

В настоящее время получил применение разработанный Институтом электросварки им. Е.О. Патона способ сварки самозащитной проволокой, т. е. сплошной легированной проволокой без защитной среды (открытой дугой). Этот способ основан на использовании специальных электродных проволок, содержащих раскисляющие и стабилизирующие элементы. Обычно при сварке открытой дугой марганец и кремний выгорают, а металл шва обогащается кислородом и азотом. При сварке специальной для данного способа легированной проволокой происходит компенсация выгорания марганца и кремния за счет повышенного их содержания в металле проволоки. Металл проволоки содержит также алюминий, титан, цирконий и церий. Эти элементы обеспечивают хорошее раскисление металла сварочной ванны, образуя соединения, переходящие в шлак. Кроме того, эти элементы связывают азот, нейтрализуя его вредное действие на пластичность и вязкость металла. Церий и цирконий повышают ударную вязкость и пластичность металла шва, а также способствуют устойчивому процессу сварки и уменьшению разбрызгивания металла. Этим способом можно производить сварку в углекислом газе постоянным током прямой полярности, что позволяет значительно повысить коэффициент наплавки и производительность сварки.


П5.2. Металлические электроды


Металлические электроды изготовляют по ГОСТ 9466-75 «Электроды, покрытые металлические для ручной дуговой сварки и наплавки. Классификация, размеры и общие технические требования».

Электроды классифицируют по назначению, типу, маркам, толщине покрытия, качеству, допустимым пространственным положениям сварки или наплавки и т. д. По качеству (точность изготовления, состояние поверхности покрытия, сплошность металла шва, содержание серы и фосфора в наплавленном металле) электроды подразделяют на три группы: 1, 2, 3.

Покрытие электрода должно быть однородным, плотным, прочным, без трещин, вздутий, наплывов и эксцентричности относительно оси стержня. Допускаются шероховатость и отдельные риски глубиной менее четверти толщины покрытия, вмятины глубиной до половины толщины покрытия и другие мелкие дефекты. Прочность покрытия испытывают следующим образом: при падении плашмя на стальную плиту с высоты 1 м электродов диаметром менее 4 мм и с высоты 0,5 м электродов диаметром 4 мм и более покрытие не должно разрушаться. Влагостойкость покрытия проверяют погружением электрода в воду и выдержкой в течение 24 ч при температуре 15–25 °C.

Электроды упаковывают в водонепроницаемую бумагу или полиэтиленовую пленку; пачки массой 3–8 кг укладывают в деревянные ящики. Масса ящика 30–50 кг. На каждой пачке имеются этикетка, содержащая наименование предприятия-изготовителя, условное обозначение электродов, область их применения, режимы сварки, механические и специальные свойства металла шва и др.

Электроды, изготовленные по ГОСТу, обеспечивают устойчивое горение дуги и спокойное равномерное плавление покрытия. Шлак ровным слоем покрывает наплавляемый металл и легко удаляется после остывания. Трещины, газовые поры и шлаковые включения в сварном шве не образуются. Содержание серы и фосфора в металле сварного шва при сварке низкоуглеродистых и низколегированных конструкционных сталей не превышает 0,05 %, а при сварке легированных сталей повышенной прочности – 0,04 %. Сварные швы высоколегированных сталей содержат серы не более 0,025 % и фосфора не более 0,03 %.


Примечание

Данные взяты с http://www.autowelding.ru/index/0-28 (Профессиональный портал «Сварка. Резка. Металлообработка»).


Рекомендуемые источники


К главе 1


1. http://elecktroset.ucoz.com/publ/podkljuchenie_doma_k_ehlektroseti/1-1-0-6 – Подключение дома к электросети.

2. http://fictionbook.ru/author/natalya_korshever/yelektrika_v_dome/read_online.html?page=6 – Монтаж скрытой электропроводки.

3. http://www.stroyinform.ru/techno/detail.php?ID=97804 – Электробезопасность деревянных конструкций.

4. http://www.uik.ru/productions/179/farforizol/kolpachki/ – Колпачки.

5. http://www.proelectro.ru/products/id_21238 – Изолятор линейный штыревой фарфоровый типа ТФ 20.

6. http://10kv.com.ua/iz/np18.html – Изолятор НП-18 и ТП-20.

7. http://www.petromelektro.ru/polimernie-izolyatori/blog – Полимерные изоляторы ООО «ПЕТРОМ ЭЛЕКТРО».

8. http://zao-tehnolog.ru/page288990 – ЗАО «Компания Технолог».

9. http://rfcmd.ru/book_10 – Руководство по строительству линейных сооружений местных сетей связи (Часть 1).

10. http://www.ecoplast.ru/press.html – Профессиональные кабельные системы. Завод «Экопласт».

11. Пестриков В. М. Современный квартирный электрик. СПб.: БХВ-Петербург, 2010. 400 с.

12. Русан В. И., Селицкий В. Ф. Электричество дома и на даче. М.: Стройиздат, 1998. 328 с.

13. Синельников В. С. Электрощиток // Инженерные системы загородного дома – http://da4a.info/content/view/28/46/.

14. http://www.elektro-portal.com/product/show/138 – Электропортал.

15. Хлызова И. "Умный" счетчик. Учимся экономить // Загородное строительство. № 2–3 (42–43), февраль-март 2009 – http://www.zs-z.ru/index.php?option=com_content&task=view&id=845&Itemid=46.

16. http://www.electric-house.ru/docyments.htm – Правила устройства электроустановок. 7-е изд.

17. http://www.fermer.ru/forum/dom-dacha-ferma-banya-khozyaistvennye-postroiki/59614 – SOS. Открытая электропроводка в деревянном доме.

18. http://remont220.ru/provodka_dd.php – Электропроводка в деревянном доме.

19. http://www.electrica.spb.ru/article/32 – Как выбрать марку и сечение провода. Виды электропроводок.

20. Рубкалев Е. Да будет свет! Электроснабжение загородного дома // Загородное строительство. № 8 (36), август 2008 – http://www.zs-z.ru/index.php?option=com_content&task=view&id=413&Itemid=46.

21. http://www.comland.ru/308.htm – Монтаж электропроводки.

22. http://www.fixmarket.ru/index.php?categoryID=1675 – Интернет-магазин крепежа в Новосибирске.

23. http://hdproelectric.ru/elustustr/ustrelustustr.html – Общие данные по электроустановочным устройствам.

24. http://www.badj.ru/elektrika.html – Электрические системы.

25. Перебаскин А. В. Влезай – не убьет! Реальная помощь домашнему электрику. М. Додэка-XXI. 2008.176 с.

26. http://www.electrica.spb.ru/article/31 – Устройство защитного отключения (УЗО). Для чего оно нужно.

27. http://stroiydom.ru/elwork_uso – Устройства защитного отключения: принцип работы, установка УЗО.


К главе 2


1. http://www.220vsegda.ru/projects1.htm – Автономное энергоснабжение

2. http://ra-energo.ru/page1 – В чем Ваша выгода?

3. http://www.visten.ru/left_avtonom_snab.php – ООО «Атлант». Автономные системы электроснабжения.

4. http://www.livenergy.ru/article/vybiraem-generatornuyu-ustanovku – Выбираем генераторную установку.

5. http://www.gm-gen.ru/ – Компания GMGen Power Systems.

6. http://www.smremont.com/instruments_and_materials/index_tplid4_recid254.html – Генераторы – когда с электричеством проблемы.

7. http://www.diy.ru/dom_i_uchastok/69_stroitelstvo_na_uchastke/76_drugoe/vyibiraem-elektrogenerator – Выбираем электрогенератор.

8. http://www.generatorcentr.ru/info/vgen_vepr.html – Электростанция – что это такое?

9. Компактные электрогенераторы // Мастер клуб. № 4. 2000. С. 33–35.

10. http://www.stelmarket.ru/katalog/el/rubilnik_primer.htm – Пример реализации автономной системы электроснабжения дома с использованием реверсивного рубильника ABB.

11. http://www.im-motors.ru/ncd-3-15-209/info.html – Как правильно установить бензогенератор или дизель-генератор.

12. http://www.energosovet.ru/news.php?zag=1193329151 – Ветроэнергетические ресурсы России. 26.10.2007. Интерсоларцентр (http://www.intersolar.ru/supplemental/units.html).

13. http://library.stroit.ru/articles/veter/index.html – Ветрогенераторы.

14. http://aenergy.ru/vetrogenerator – Компания ООО «АЭнерджи». Ветрогенератор (ветроэлектрическая станция, ветряк).

15. http://www.kombitel.ru/?id=427&page=ustroistvo-vetrogeneratora – Компания «КомбиТел».

16. http://www.alternativenergo.ru/index.html – Компании ООО « Альтернатива».

17. http://blog.ae.net.ua/ – Вертикальные против горизонтальных ветрогенераторов.

18. http://win.kruto.es/index.php?option=com_content&task=view&id=81&Itemid=1 – Альтернативные энергосистемы.

19. http://visten.ru/top_vetro_briz.php – НПО «Электросфера».

20. http://www.visten.ru/top_vetro_briz_TX.php – Технические характеристики ветрогенераторов семейства «Электросфера Бриз» 5 кВт.

21. http://1268.ua.all-biz.info/ – ООО «Украинская Альтернативная Энергетика».

22. http://www.solarhome.ru/ru/wind/index.htm – Компания «Ваш Солнечный Дом».

23. Пестриков В. М. Домашний электрик и не только… Книга 2. Изд. 5-е, перераб. и доп. СПб.: Наука и Техника, 2006. 240 с.

24. http://www.termofor.ru/prod1.php?id=27 – Компания «Термофор».

25. Попель О., Прошкина И. Солнечная Россия // В мире науки. 2005. Январь.

26. http://www.envien.ru/index.php?id=pv&inc=operating – ООО НПЦ «ЭНВИЭН»

27. http://www.solarhome.ru/ru/pv/pv_systems.htm – Готовые фотоэлектрические системы электроснабжения.

28. http://suntechnology.ru/solnechnye_elektrostancii.php – Солнечные электростанции компании « Солнечная энергия».


К главе 3


1. http://u-m-t.ru/catalog – ЗАО «Урал-Микма-Терм».

2. http://teplovspb.ru/ – Компания OOO «Теплолюкс».

3. http://www.builderclub.com/statyi/inzhenernye-sistemy/otopleniye-doma-varianty-shem-otopleniya-doma/ – Отопление дома. Варианты схем отопления дома.

4. http://www.master-forum.ru/teplo-voda-cai?Id=756 – Электрические конвекторы.

5. http://www.ekoteplo.com/ru/news.html – НПФ «Экотепло».

6. http://www.aquatherm.ru/build4.php – Теплые полы «Акватерм».

7. http://www.teploluxe.ru/unit83.php – Термолюкс.

8. http://komfort74.ru/teplypol/vstagku – Теплые полы встяжку.

9. http://www.luxpol.ru/ – Компания «Мастер-Дом». Монтаж теплого пола.

10. http://www.teplo-devi.ru/NEW/sam.asp – Группа компаний «КПД» (Кабельный Пол ДЕВИ). Саморегулирующиеся кабели.

11. http://www.wisdom.ru/teplypol/prays.html – Компания «Сантехника для дома». Цены на теплый пол.

12. http://devi.danfoss.com/Russia/Professional/Products/9.0+Documentation/ – Акционерная компания DEVI A/S. Установка нагревательного кабеля.

13. http://bet.spb.ru/pol_der.html – Теплый пол. Обогрев деревянных полов.

14. Теплый пол в деревянном доме.

15. http://www.spb-rost.ru/tepliy_pol_montazh.html – Монтаж теплого пола РОСт.

16. http://www.voltex.ru/content/view/200/272/ – Вольт эксперт. Варианты конструкций теплого пола с нагревательной фольгой.

17. http://www.voltex.ru/content/view/122/163/ – Вольт эксперт. Теплый пол под ламинат.

18. http://bet.spb.ru/pol_der.html – Обогрев деревянных полов. Теплый пол в деревянном доме.

19. http://www.kamin-pech.com/ust_dymohod.php – Теплый дом. Достоинства печного отопления.

20. http://www.master-sauna.ru/catalog/14 – Компания «Мастер Саун». Дровяные печи HARVIA.

21. http://www.only.ru/catalog/wood_oven/safety_elemets/wx017/ – ООО "Торговый Дом «ОНЛИ» или "Trade House «ONLY» Ltd. Дровяные печи HARVIA.

22. http://spb.tiu.ru/p142323-otopitelnaya-drovyanaya-pech-dlya-dachnogo-doma-proizvodstva-slovakiya.html – Компания «Камин С-Пб». Отопительная дровяная печь для дачного дома производства Словакии.

23. http://dymohodvulkan.ru/category341.html – Сэндвич-дымоходы. Двустенные дымоходы «Вулкан».

24. http://www.pechi.nm.ru/truba/montav.htm – Монтаж «сэндвича».

25. http://www.kamin-pech.com/pech3.php – Правила эксплуатации печи.


К главе 4


1. Низовцев А. Вода в загородном доме с «городским» напором // Наука и жизнь. № 5. 1998. (http://www.nkj.ru/archive/articles/10616/).

2. http://1996.spb.ru/index.php – Колодцы и скважины.

3. http://vododar.ru/zth_b_kolca.php – Выбор железобетонных колец.

4. http://remontinfo.ru/article.php?bc_tovar_id=117 – Важней всего вода в колодце.

5. http://www.domostroykin.ru/news/dacha/Water_purification_filters_subtle_work/ – Фильтры очистки воды: тонкая работа.

6. http://www.teplograd.ru/articles.htm?id=37 – Монтаж металлопластиковых трубопроводов // Аква-терм № 1 (5) январь. 2002.

7. http://www.stroyshopper.ru/category/ – Сантехника.

8. http://www.sgtrade.ru/sobime.php – Резьбовые латунные фитинги SOBIME.

9. http://www.ruvinil.com/index.php?id=95 – Резьбовые соединения.

10. http://www.aspipe.ru/ – Металлопластиковые трубы.

11. http://www.spectr-stroy.ru/professionalnyij-instrument-virax.html – Профессиональный инструмент Virax.

12. Свинина Г. Выбираем насосы и котлы // Ремонт и строительство (http://remontinfo.ru/article.php?bc_tovar_id=478).

13. http://www.stroimagaz.ru/about/ – Строительная и садовая техника из первых рук.

14. http://vseonasosah.ru/index.php?m=4&id=5 – Насосы и насосное оборудование.

15. http://www.newshouse.ru/page-id-632.html – Как выбрать станцию водоснабжения для дачи и коттеджа.

16. http://www.teplograd.ru/unit.htm?id=480 – Насосные станции.


К главе 5


1. http://www.gippokrat.ru/help/water-heater.php – Богданов М. Как выбрать водонагреватель?

2. http://vseteplo.ru/catalog/section_440/ – Интернет-магазин «Все Тепло». Проточные водонагреватели.

3. http://www.mtonline.ru/ – Интернет-магазин бытовой техники « МТ-Онлайн».

4. http://www.termika.shop.by/316/317/ – TERMIKA. Комбинированные водонагреватели (Бойлеры): «Galmet».

5. http://www.stroysila.by/ – Стройсила. В продаже появились комбинированные водонагреватели GALMET.

6. http://www.delsot.ru/?path=delsot/news_section/pc-1241668249&sessionid=681220 – Водонагреватели электрические производства «Делсот».

7. http://sadko.podberi-vodonagrevatel.ru/ – Воднагреватели « Садко».

8. http://remontblizko.ru/articles/868/ – Электрические водонагреватели: горячая вода – всегда!

9. http://js.com.ua/articles/vibrat_vodonagrevatel – Как выбрать водонагреватель. Советы по выбору.

10. Руководство по эксплуатации. Электрический водонагреватель накопительного типа. Модели серий RZL, RZB, RSD.

11. http://remontblizko.ru/articles/514/ – Как установить электрический накопительный водонагреватель.

12. http://centr-tepla.ru/?get_page=000&item_num=23 – Компания « Центр тепла».

13. http://www.ivd.ru/document.xgi?id=5279 – Ковалев В. Чтобы подводка не подвела (обзор рынка гибкой подводки).

14. http://www.virsan.ru/information/gibkaja-podvodka-dlja-vody-i-gaza-klassifikatsija-po-tipam/ – Компания «SANTEHARMATURA». Гибкая подводка для воды и газа: классификация по типам.

15. http://www.dokaservice.ru/bytvodmat.html – «ДОКА-сервис» сервисная служба.


К главе 6


1. http://dom-en.ru/sprav5/ – Электромашинные потребители электроэнергии, электродвигатели (принципы с картинкой).

2. http://dic.academic.ru/dic.nsf/ruwiki/8507 – Словари и энциклопедии на Академике. Электрический двигатель.

3. http://energo20.ru/article-120-72-348.html – Универсальные коллекторные двигатели для бытовых приборов.

4. http://wapedia.mobi/ru/ – Универсальный коллекторный двигатель.

5. Пестриков В. М. Домашний электрик и не только… Книга 1. Изд. 5-е, перераб. и доп. СПб.: Наука и Техника, 2006. 240 с.

6. http://rem-5.ru/ – ЗАО "АО «Континент». Ремонт электроинструмента.

7. Алиев И. И. Асинхронные двигатели в трехфазном и однофазном режимах. М.: ИП "РадиоСофт", 2004. 128 с.

8. Кацман М. М. Электрические машины и электропривод автоматических устройств: Учебник для электротехнических специальностей техникумов. М.: Высш. шк., 1987. 335 с.

9. Хмылов Л. Не бумажный, а оксидные // Моделист-конструктор. 1990. № 10. С. 22.

10. Рыбас С. Включаем трехфазный // Моделист-конструктор. 1986. № 2. С. 28, 29.

11. Кухаренко А. Трехфазный двигатель в однофазной сети // Радиолюбитель. 1996. № 2. С.28., Радиолюбитель. 1996. № 3. С. 27, 28.

12. Иванов И. Б. О включении мощных трехфазных электродвигателей в однофазную сеть // Сделай сам. 1998. № 1. С. 122–124.

13. http://rem-5.ru/1f_motor – О переводе трехфазных двигателей на однофазный режим работы.


К главе 7


1. http://penzaelektrod.ru/ – Компания ООО «Пензаэлектрод».

2. http://www.mukhin.ru/stroysovet/remont/2_04.html – Соединения металлических заготовок.

3. http://www.leroymerlin.ru/ – Как выполнить электродуговую сварку, не подвергая себя опасности.

4. http://www.svarprof.ru – Компания Svarprof.

5. http://www.kyznica.com/free4.php – Как выбрать сварочный аппарат.

6. http://www.antaresk.ru/articles/38/ – «Бытовые» сварочные аппараты.

7. http://www.ssvarka.ru/Content/item_180.htm – Как выбрать сварочный аппарат.

8. http://www.stalker170.ru/index.php/pv – сайт производителя сварочных инверторов « Сталкер».

9. http://info.auto.ru/tools/faq/article/6033.html – Солопов В. А. Выбор СА по критерию загруженности аппарата.

10. http://www.stalker170.ru/index.php/svaro4nii-na-da4y – Сварочный на дачу.

11. http://www.ivd.ru/document.xgi?id=4115 – Чижов А. 'Игрушечные'' сварочные аппараты.

12. Паспорт W4.00.000nC. Сварочные инверторные аппараты "Сталкер 140"; "Сталкер 170". ООО "СТАЛКЕР". Санкт-Петербург. 2009 г.


К главе 8


1. http://www.oma.by/advice/garden/garden-tools/lawn/trimmers/ – Триммеры.

2. http://www.dismarket.ru/ncd-1-11-47/st.html – Триммер (электрокоса, мотокоса, бензокоса, травокосилка): как выбрать?

3. http://www.makitapro.ru/ – Компания «Makita Pro».

4. http://www.mtonline.ru/catalog/sadovaya_tehnika/prinadlezhnosti_dlya_ruchnogo_instrumenta/husqvarna_golovka_trimmera_t25_r_5310092-78/ – Головка триммера.

5. http://www.usadba-moto.ru/ – «Усадьба-Мото» – сеть специализированных магазинов в Санкт-Петербурге.

6. http://www.dom-sad.ru/ – Техносад.

7. http://diy.ru/ – Сделай сам электроножницы.

8. http://www.smremont.com/instruments_and_materials/index_tplid4_recid249.html – В саду ли в огороде кусторезы.

9. http://www.nobili.ru/content/view/44/44/ – ООО «Нобили». Обрезка деревьев и кустарников.


Заметки

[

<-1

]

Клетневка – предварительно залуженная проволока, намотанная плотно, виток к витку, на провод.

Наш сайт является помещением библиотеки. На основании Федерального закона Российской федерации "Об авторском и смежных правах" (в ред. Федеральных законов от 19.07.1995 N 110-ФЗ, от 20.07.2004 N 72-ФЗ) копирование, сохранение на жестком диске или иной способ сохранения произведений размещенных на данной библиотеке категорически запрешен. Все материалы представлены исключительно в ознакомительных целях.

Рейтинг@Mail.ru

Copyright © UniversalInternetLibrary.ru - читать книги бесплатно